GM Service Manual Online
For 1990-2009 cars only

Odor From A/C at Vehicle Start Up

Subject:Odor from A/C at Vehicle Start-Up (Remove Debris from Evaporator Case, Disinfect Evaporator or Apply Cooling Coil Coating, and Install Delayed Blower Motor Control Module)This bulletin is being revised to include instructions for using cooling coil coating on A/C evaporators and a new part number for cooling coil coating. Depending on part availability, use A/C system disinfectant kit or cooling coil coating when performing the procedures in this bulletin. This bulletin supersedes bulletin 96-T-35B, which should be discarded.

Models:1996 Saturns and 1997 Saturns equipped with A/C built before and including the following vehicles:



Model

Options

VIN No

Sedan/Coupe

Manual Trans. w/ABS

VZ270301

--

All Others

VZ271219

Wagon

Manual Trans. w/o ABS

VZ267540

--

Manual Trans. w/ABS

VZ270131

--

Automatic Trans.

VZ276754

Condition:

A musty odor from A/C system, most noticeable at vehicle start-up.

Cause:

An unpleasant (musty) odor from A/C outlets at vehicle start-up can be the result of microbial growth on the evaporator core. This bacteria feeds on the organic matter and moisture that is present on the evaporator core.

Correction:

Remove any debris from evaporator case; clean evaporator with disinfectant or apply cooling coil coating, and install delayed blower motor control module according to the following procedures.

Important: Before installing delayed blower motor control module, the following information must be explained to the customer .

    • The delayed blower motor control module will not affect normal A/C or blower motor operation. However, the delayed blower motor control module will activate the blower motor on high speed for approximately five minutes. if the A/C compressor clutch has been continuously engaged for four minutes or more. The delayed blower motor control module will wait approximately fifty minutes after the ignition is turned Off before activating the blower motor. It is during this blower run time that condensate, that causes microbial growth, is removed from the evaporator core. The blower motor will be turned On with NO driver input if the conditions as stated above are met. The air rush sound created by the blower is noticeable from outside of the vehicle.
    • The parasitic current draw of the delayed blower motor control module, combined with the blower motor load, will lower the state of charge of the vehicle's battery, and may negatively impact battery life depending on the driving habits of the customer.

A/C Evaporator Disinfecting/Cooling Coil Coating Application:

Depending on part availability, use A/C system disinfectant kit or cooling coil coating when performing this procedure.

Before starting procedures, obtain the following equipment and supplies:

    • A/C System Disinfectant Kit P/N 21030784 or P/N 10953503 for Canada or Cooling Coil Coating P/N 12346390
    • Cleaning gun, OTC Tool SA9216NE

       Caution: When using Disinfectant Kit P/N 21030784, ordinary safety glasses are not sufficient.

    • If using Disinfectant Kit P/N 21030784 or P/N 10953503 for Canada; safety goggles or face shield
    • If using Disinfectant Kit P/N 21030784 or P/N 10953503 for Canada, National Institute of Occupational Safety and Health (NIOSH) approved acid gas/organic vapor respirator with chlorine dioxide cartridges 3M® P/N 5103-small, 5203-medium, 5303-large, which are to be used with a pre-filter P/N 5010 and retainer P/N 501, or equivalents
    • If using Cooling Coil Coating P/N 12346390, safety glasses
    • Rubber gloves
    • Pedestal fan
    • Plug P/N 21121827
  1. Dry evaporator by:
  2. • Adjusting temperature to full hot
    • Turning RECIRC On
    • Making sure A/C button is Off
    • Close all doors and windows
    • Start engine and allow to reach operating temperature.
    • Allow blower motor to operate on HI blower for 5 minutes, once engine reaches operating temperature
  3. Raise vehicle on a hoist.

  4. Object Number: 880679  Size: SH
  5. Check the HVAC module drain for blockage. If necessary, clear drain hole with a soft blunt tool such as the eraser end of a pencil.
  6. Lower vehicle from hoist.

  7. Object Number: 880462  Size: SH
  8. To reduce the risk of debris from entering the HVAC module, check for gaps between cowl panel foam and windshield, at base of windshield. Repair gaps by repositioning panels or by removing cowl panels and installing additional foam to panel. Use Kent Industries P/N 40115 Adhesive Back Shim Stock or equivalent 5/16 x 3/8 inch foam.
  9. Place a drain pan directly below the HVAC drain to collect disinfectant or cooling coil coating and rinse water runoff.
  10. Open all doors and windows in the vehicle and position pedestal fan so that it provides cross ventilation through the vehicle during the cleaning/coating procedure.

  11. Object Number: 859699  Size: SH
  12. Cover interior of vehicle to protect it from spray.
  13. Disconnect blower motor and connector.
  14. Remove blower motor mounting screws and remove blower motor assembly.
  15. Notice: Use care when removing debris from front of evaporator so no damage is done to the fins.

  16. Check the HVAC module for debris through the blower motor opening. Remove any debris from evaporator face.
  17. Install blower motor and connect electrical connector.
  18. Tighten
    Tighten the blower motor mounting screws to 1.7 N·m (15 lb in).


    Object Number: 880601  Size: SH
  19. Using a 15/32 inch drill bit, attach a drill strop or depth gage, or masking tape to allow for a 4 mm (5/32 in) depth.
  20. Locate the center of the triangle shaped portion of the plenum which slopes upward and to the right, next to the left-most blower motor fastener.
  21. Notice: Running the drill bit in more that 4 mm (5/32 in) can damage the evaporator.

    Important: Depending on part availability, two different products may be available for use on A/C evaporators. Select the appropriate procedure to follow based on the product you will be using:

       • If using the disinfectant Kit P/N 21030784 or P/N 10953503 for Canada, continue to the "Evaporator Disinfecting Using Disinfectant Kit P/N 21030784 or P/N 10953503 for Canada" procedure in this bulletin.
       • If using the Cooling Coil Coating P/N 12346390, continue to the "Applying Cooling Coil Coating (P/N 12346390) to Evaporator" procedure in this bulletin.

  22. Drill a 15/32 inch hole. Be careful not to let the drill bit penetrate beyond a 4 mm (5/32 in) depth.

Evaporator Disinfecting Using Disinfecting Kit P/N 21030784; P/N 10953503 for Canada

Perform this procedure only if you are using A/C System Disinfectant Kit P/N 21030784 or P/N 10953503 for Canada.

    Caution: This procedure should only be performed on a cold vehicle. It has been demonstrated that irritating vapors will be formed in the engine compartment if the disinfectant coming out of the drain outlet contacts hot engine components. Disinfectant can cause substantial, but temporary eye injury. Do not get disinfectant in eyes or on clothing. Wash thoroughly with soap and water after handling.

    First Aid: If disinfectant gets into eyes, hold eyelids open and flush with a steady, gentle stream of water for 15 minutes. Obtain medical attention if irritation persists.

  1. Allow vehicle to cool down before performing disinfectant procedure.
  2. Put on rubber gloves, safety goggles and NIOSH approved acid gas/organic vapor respirator.
  3. Pour the small bottle of the two part A/C System Disinfectant Kit P/N 21030784 or P/N 10953503 for Canada into the large bottle. Put the cap back on the large bottle and invert bottle once or twice to mix the contents.
  4. Using clean gun, OTC Tool SA9216NE or equivalent siphon-type parts cleaning spray gun capable of delivering 2 ounces per minute of liquid with shop air at 552-620 kPa (80-90 psi), insert siphon hose into container of disinfectant . Take care to place the bottle in a secure upright position to avoid spilling contents.

  5. Object Number: 880615  Size: SH
  6. Insert nozzle tip of spray gun through the drilled hole and orient so spray pattern will be parallel to the evaporator face.

  7. Object Number: 880608  Size: SH
  8. With the blower motor on HI and engine Off, spray the entire contents of the disinfectant mix. Rotate the nozzle tip up and down while spraying disinfectant to allow for an even distribution and to ensure full coverage of the evaporator.
  9. Turn blower motor Off.
  10. Allow evaporator core to soak for at least 5 minutes.
  11. With blower motor on HI, thoroughly rinse the evaporator core, using the above procedure with 1 quart of clean water to remove any disinfectant.

  12. Object Number: 880618  Size: SH
  13. Install hole plug P/N 21121827.
  14. Properly dispose of disinfectant and rinse water runoff collected in drain pan into a sanitary drain.
  15. Remove protective covering from interior of vehicle.
  16. Important: Before enabling afterblow function, refer to "Customer Information" on page 2 of this bulletin and review operation of afterblow function with customer.

  17. If the delayed blower motor control module is to be installed, proceed to "Delayed Blower Motor Control Module Installation" in this bulletin.

Applying Cooling Coil Coating P/N 12346390 to Evaporator

Perform this procedure only if you are using Cooling Coil Coating P/N 12346390.

    Caution: Cooling coil coating can cause temporary eye injury. Do not get cooling coil coating in eyes or on clothing. Wash thoroughly with soap and water after handling.

    First Aid: If cooling coil coating gets into eyes, hold eyelids open and flush with a steady stream of water for 15 minutes. Obtain medical attention if irritation persists.

  1. Allow vehicle to cool down before performing cooling coil coating procedure
  2. Put on rubber gloves and safety glasses.
  3. Using cleaning gun, OTC Tool SA9216NE or equivalent siphon-type parts cleaning spray gun capable of delivering 2 ounces per minute of liquid with shop air at 552-620 kPa (80-90 psi), insert siphon hose into container of cooling coil coating. Take care to place the bottle in a secure upright position to avoid spilling contents.
  4. Regulate shop air to 276-414 kPa (40-60 psi).

  5. Object Number: 880618  Size: SH
  6. Insert nozzle tip of spray gun through the drilled hole and orient so spray pattern will be parallel to the evaporator face.

  7. Object Number: 880608  Size: SH
  8. Apply cooling coil coating using short bursts and rotating the nozzle tip up and down. This will allow for an even distribution and to ensure full coverage of the evaporator.
  9. Allow evaporator core to soak for 30 minutes.
  10. Dry evaporator by:
  11. • Adjusting temperature to full hot
    • Turning RECIRC On
    • Making sure A/C button is Off
    • Open windows 1/2 inch and close doors
    • Start engine and allow to reach operating temperature
    • Allow blower motor to operate on HI blower for 5 minutes once engine reaches operating temperature.

    Object Number: 880618  Size: SH
  12. Install hole plug P/N 21121827.
  13. Properly dispose of cooling coil coating runoff collected in drain pan into a sanitary drain.
  14. Remove protective covering from interior of vehicle.
  15. Important: Before enabling afterblow function, refer to "Customer Information" on page 2 of this bulletin and review operation of afterblow function with customer.

  16. If the delayed blower motor control module is to be installed, proceed to "Delayed Blower Motor Control Module Installation" in this bulletin.

Delayed Blower Motor Control Module Installation

Important: Before proceeding with the installation of the delayed blower motor control module, make sure the customer is fully aware of its function and operation.

The following parts are required to install the delayed motor control module:

Part Description

P/N

Delayed Blower Motor Control Module Kit

21031158

Ring Terminal

12112245

Relay Kit

12167634

Important: On SL Sedans and SC1 Coupes , check the underhood junction block (UHJB) for a 30A power convenience (PWR CONVCE) fuse. If there is no 30A power convenience fuse, the underhood junction block must be replaced with a new underhood junction block P/N 21023711 for 1996 vehicles or P/N 21021982 for 1997 vehicles. If there is a 30A power convenience fuse, the underhood junction block does not need to be replaced.


    Object Number: 878795  Size: SH

    Caution: When performing service on or around SIR components or SIR wiring, follow the cautions and procedures in the appropriate year SIR service manual to temporarily disable the SIR system. Failure to follow the disable procedures could result in possible air bag deployment, personal injury or otherwise unneeded SIR system repairs.

  1. Disable the SIR system. Refer to "Disabling the SIR System" in the 1996 or 1997 "SIR Service Manual," depending on model year of vehicle.
  2. Record radio preset stations and disconnect negative battery cable.
  3. Remove right and left console extension assemblies.

  4. Object Number: 877980  Size: SH
  5. Remove HVAC module lower trim panel.

  6. Object Number: 878069  Size: SH
  7. From passenger side of vehicle, wipe clean top center surface of heater duct.
  8. Remove hook side of hook and loop retainer that is attached to delayed blower motor control module.
  9. Peel backing off of hook side of hook and loop retainer and apply to top center of heater duct between two structure ribs. Press firmly to seat.
  10. Install edge clip on electrical connector of delayed blower motor control module.
  11. Using electrical tape, solid wrap delayed blower motor control module pigtail harness from electrical connector edge to delayed blower motor control module.

  12. Object Number: 878066  Size: SH
  13. From drivers side of vehicle:
  14. 10.1. Insert delayed blower motor control module, with pigtail harness end first and hook and loop retainer down, into cavity above forward end of heater duct.
    10.2. Slide delayed blower motor control module in until rear edge is flush with heater duct edge on drivers side of vehicle.
    10.3. Press down on blower motor control module to engage hook and loop retainer. Delayed blower motor control module should fit securely if engagement of hook and loop retainer has been achieved.

    Object Number: 878072  Size: SH
  15. From passenger's side of vehicle:
  16. 11.1. Route delayed blower motor control module pigtail harness between forward edge of heater duct and carpet.
    11.2. Attach delayed blower motor control module pigtail harness to the lower forward edge of the heater duct. Place clip as far forward as possible.

    Object Number: 878106  Size: SH
  17. Using black electrical tape, solid wrap 381 mm (15 in) of the delayed blower motor control module jumper harness, starting at electrical connector end.
  18. Connect delayed blower motor control module jumper harness with delayed blower motor control module pigtail at heater duct.
  19. Route delayed blower motor control module jumper harness under front heater duct, forward of rear heater duct, if equipped, to the I/P wiring harness on the drivers side of the vehicle.

  20. Object Number: 880594  Size: SH

    Notice: To prevent any possibility of a short circuit, replace any tape that is pushed back or removed from any wiring harness that is moved.

  21. Disconnect black I/P harness connector and pull into drivers side footwell.
  22. Important: For information on splicing wires, refer to "Wire Splicing" instructions in this bulletin.

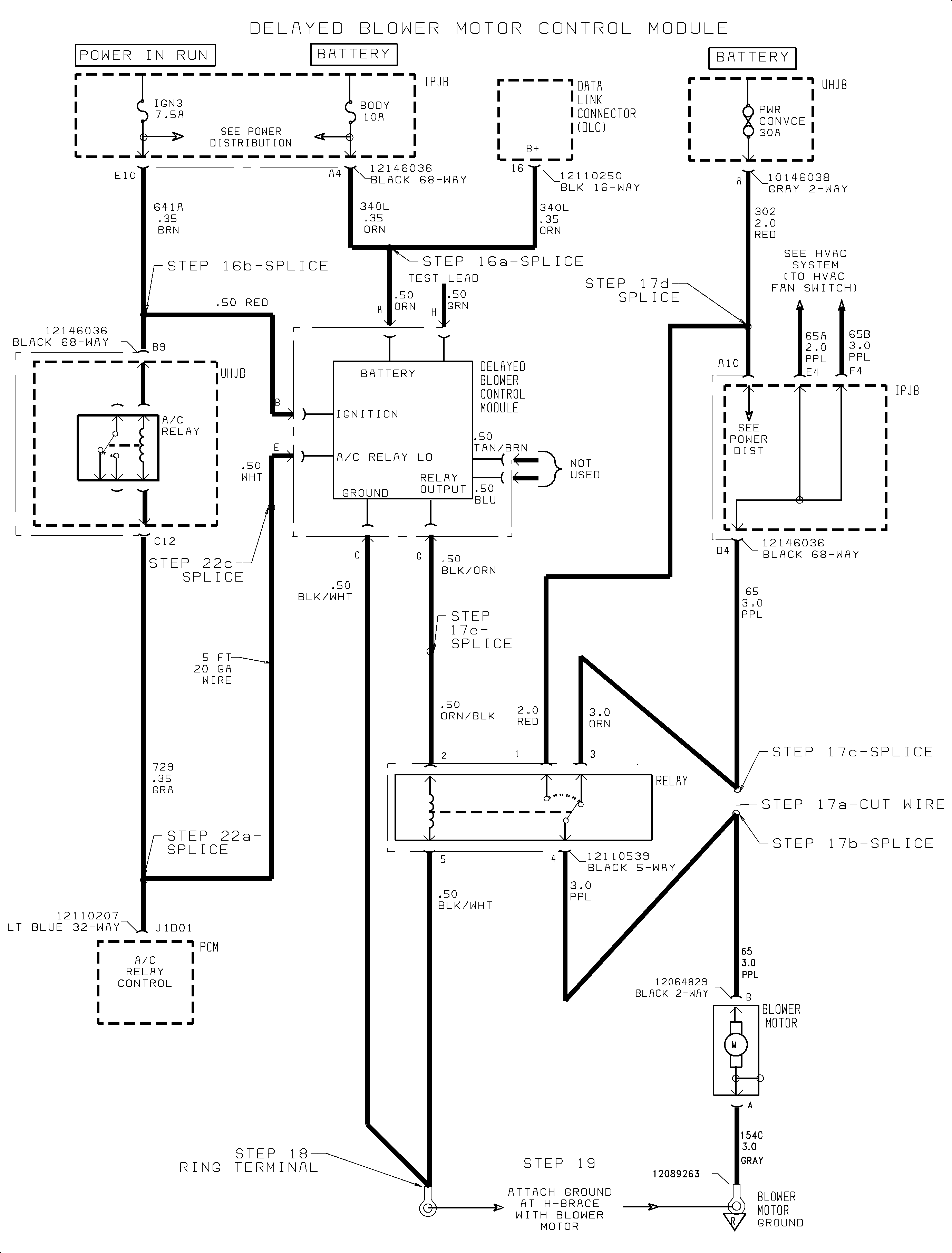
  23. Make the following splices. Refer to electrical wiring schematics on the following pages:
  24. 16.1. At terminal A4 of instrument panel junction block (IPJB) black 68-way connector, splice ORN wire from delayed blower motor control module into ORN wire, circuit 340L-battery feed, from 68-way connector.
    16.2. At terminal E10 of black 68-way connector, splice RED wire from delayed blower motor control module into BRN wire, circuit 641A-ignition from 68-way connector.

    Important: High-blower relay kit is not included with delayed blower motor control module.

  25. Install high-blower relay kit P/N 12167634 as follows:
  26. 17.1. At terminal D4 of IPJB black 68-way connector, locate PPL wire, circuit 65-blower motor, and cut wire 51 mm (2 in) from 68-way connector.
    17.2. Splice PPL wire from high-blower relay to length of PPL wire, circuit 65, that goes to I/P harness.
    17.3. Splice ORN wire from high-blower relay to length of PPL wire, circuit 65, that goes to IPJB 68-way connector.
    17.4. At terminal A10 of IPJB black 68-way connector, splice RED wire from high-blower relay into RED wire, circuit 302-power convenience feed, from 68-way connector.
    17.5. Splice ORN/BLK wire from high-blower relay to BLK/ORN wire from delayed blower motor control module.

    Object Number: 882492  Size: FP
  27. Attach ring terminal lead wire kit P/N 12112245 to BLK/WHT wire from delayed blower motor control module and BLK/WHT wire from high-blower relay. Crimp both BLK/WHT wires together before attaching ring terminal lead kit.

  28. Object Number: 878070  Size: SH
  29. Attach ring terminal on the BLK/WHT wires from delayed blower motor control module and high-blower relay to ground location at H-brace. Make sure that new ring terminal is on top of existing ring terminal.
  30. Tighten
    Tighten the ring terminal-to-ground to 2.2 N·m (20 lb in).


    Object Number: 878111  Size: SH
  31. Position high-blower relay rearward in car so as to prevent any rattles, and tape to harness.
  32. Disconnect PCM Lt. Blue 32-way connector.

  33. Object Number: 882472  Size: SH
  34. Using a 1.5 m (5 ft) length of .50 mm² (20 gage) wire:
  35. 22.1. At terminal J1D01 of PCM Lt. Blue 32-way connector, splice one end wire to GRA wire, circuit 729-A/C relay control.
    22.2. Route wire to the IPJB as follows; Using electrical tape, spot tape wire to harnesses approximately every 51-76 mm (2-3 in):
           - Tape wire to PCM branch of I/P harness.
           - Follow harness up to I/P splice packs, forward of PCM.
           - From top of I/P, route wire along I/P harness, following the main branch across, forward of beam, and then down to IPJB. Route wire to the left of cruise control connector.
    22.3. Splice wire to WHT wire from delayed blower motor control module.
  36. The BLU and TAN/ORN wires from the delayed blower motor control module are unused. Tape ends of BLU and TAN/ORN wires and tape back to jumper harness of delayed blower motor control module. The delayed blower motor control module GRN wire is used for testing.
  37. Attach top half of "Notice" label provided in kit to blower motor cover. Attach bottom half of "Notice" label to inside of right side console extension assembly.
  38. Connect black I/P harness connector. For SL Sedans and SCI Coupes without a 30A power convenience (PWR CONVCE) fuse, perform the following procedures to replace the underhood junction block (UHJB). For all other vehicles, proceed to step 46.

  39. Object Number: 862790  Size: SH
  40. Remove the battery hold-down retaining nut and screw, and lift off bracket assembly.
  41. Caution: Do not tip battery over a 45 degree angle or acid could spill.

  42. Lift the battery out of the vehicle, and place in a safe location.

  43. Object Number: 865424  Size: SH
  44. Remove air cleaner resonator retainer.
  45. Remove air cleaner resonator.
  46. Remove air cleaner assembly bolts and rotate upper half of air cleaner assembly toward rear of engine compartment.
  47. Remove top cover from UHJB.
  48. Remove battery positive cable bolt from UHJB and remove battery positive cable.
  49. Remove bolts from UHJB.
  50. Roll UHJB over and remove UHJB shield to gain access to UHJB connectors.
  51. Remove connectors from UHJB.
  52. Position new UHJB, P/N 21023711 for 1996 vehicles or P/N 21021982 for 1997 vehicles, inside engine compartment.
  53. Install electrical connectors to UHJB.
  54. Install shield to bottom of UHJB.
  55. Position UHJB with the top facing up and install UHJB bolts.
  56. Tighten
    Tighten the UHJB mounting bolts to 9 N·m (81 lb in).

  57. Position battery positive cable to UHJB and install bolt.
  58. Tighten
    Tighten the positive battery cable-to UHJB bolt to 4 N·m (44 lb in).

  59. Install UHJB top cover.
  60. Rotate air cleaner assembly back into position and install air cleaner assembly bolts.
  61. Tighten
    Tighten the air cleaner assembly bolts to 10 N·m (89 lb in).

  62. Install air cleaner resonator and push in air cleaner resonator retainer.
  63. Make sure battery tray is clean.
  64. Install battery into the battery tray. Make sure that the battery terminals do not short against any metal during installation.
  65. Connect negative battery cable.
  66. Tighten
    Tighten the battery cable to 17 N·m (13 lb ft).

  67. Proceed to "Testing the Delayed Blower Motor Control Module" and verify operation. After operation is verified, proceed to next step.

  68. Object Number: 877980  Size: SH

    Important: Do not install parts that have been removed, except for black I/P harness and gray body harness connectors, until correct operation of the delayed blower motor control module has been verified.

  69. Install HVAC module lower trim panel.

  70. Object Number: 878795  Size: SH
  71. Install right and left console extension assemblies.
  72. Enable the SIR system. Refer to "Enabling the SIR System" in the 1996 or 1997 "SIR Service Manual," depending on vehicle year.
  73. Set radio station presets.
  74. Clear any SIR diagnostic trouble codes that may have set during delayed blower motor control module testing. Refer to the 1996 or 1997 "SIR Service Manual, " depending on vehicle year.

Wire Splicing

With the wiring used in the Saturn vehicles, it is recommended that approved Packard Electric Crimp and Seal Splice Sleeves, or equivalent, be used.

Before you begin, determine proper sleeve for gage of wire, then do the following:

 

Salmon

Blue

Yellow

Wire Size

0.35, 0.50, 0.80

1.0, 2.0

3.0, 5.0

Gage

22, 20, 18

16, 14

12, 10

Packard P/N*

12089189

12089190

12089191

Special Tool P/N**

217670

217671

217672

*Order through Packard at 1-800-PACKARD (1800-722-5273).

**Order through Saturn Special Tool Catalog. Included with Terminal Repair Kit SA9138Z.

Important: When using the salmon splice sleeve with 0.35 mm² (22 gage) wire, remove 19 mm (3/4 in) of insulation. Bend the stripped portion in half to double the thickness of the wire going into the splice sleeve. Twist the stripped, doubled wire and insert into the splice sleeve.

  1. Remove insulation from both ends, recommended strip length is 9.5 mm (3/8 in). Caution must be used to prevent cutting the wire strands. Locate new splice a minimum of 40 mm (1 1/2 in) from an outlet or other splice.
  2. Position stripped ends in sleeve until wires hit stop.

  3. Object Number: 862507  Size: SH

    Important: When splicing three wire ends into one splice sleeve, insert one cut wire end from vehicle harness and new splice wire end into one side of the splice sleeve until wires hit stop. Hand crimp using approved crimping tool. Insert remaining cut wire end from vehicle harness into other side of splice sleeve and crimp.

  4. Hand crimp sleeve using the approved crimping tool. Gently tug on wires to make sure they are secure before applying heat to them.

  5. Object Number: 862382  Size: SH

    Caution: Do not use a match or open flame to apply heat to splice sleeve.

  6. Apply heat using Ultratorch®, or equivalent, heating splice sleeve to 175°C (347°F). Heat until glue flows around edges of splice sleeve.
  7. Check for continuity in the wire.

Testing the Delayed Blower Motor Control Module

A full functional check of the delayed blower motor control module is required to assure that all electrical connections are connected properly and it is functioning as designed.


    Object Number: 878114  Size: SH
  1. Locate the GRN wire at cavity H of the delayed blower motor control module and insert a Metri-pack 280 series male test adapter into cavity H until contact is made with GRN wire terminal in the delayed blower motor control module pigtail connector.
  2. Important: Do not disconnect the jumper harness connector from the delayed blower motor control module pigtail connector or system test will not function.

  3. Start engine and turn On A/C and verify that compressor clutch engages. With clutch engaged, apply battery voltage to the test adapter installed in step 1 above.
  4. After 30 seconds, turn the ignition Off with voltage still applied to the test adapter. Approximately 10 seconds after the ignition is turned Off, the blower motor will run for one second if the delayed blower motor control module is wired correctly.

  5. Disconnect voltage to the test adapter and remove adapter from connector.
  6. If the delayed blower motor control runs for one second, go back to installation procedures and install parts removed from vehicle. If the delayed blower motor control module does not run for one second, go back to installation procedures and check all wiring connections. Refer to "Delayed Blower Motor Control Module Diagnosis" in this bulletin if functional check is not passed.

Delayed Blower Motor Control Module Diagnosis

Vehicle Running, High Blower Setting Does not Operate

Cause

Solution

The high-blower relay is not properly installed.

Verify that ORN wire of high-blower relay is connected to PPL wire (circuit 65) coming from IPJB.

Verify that PPL wire of high-blower relay is connected to PPL wire (circuit 65) connected to wire going to blower motor wire.

Blower Does Not Operate After Specified Delay Time (Make Sure That All Wires to Module Are Properly Connected. Use a Voltmeter to Check That the Proper Signal Is Applied to Each Wire.

Cause

Solution

(Test Mode Only) GRN test wire from delayed blower motor control module is not properly connected to vehicle battery source.

Connect jumper GRN test wire (pin H) to the vehicle's battery (not ignition).

Proper signal not received from A/C compressor.

Make sure A/C compressor is connected electrically. Secondly, use a voltmeter to verify that A/C is turned On.

A/C compressor was not in operation long enough to trigger delayed blower motor control module.

Start engine and turn On A/C. Make sure A/C compressor clutch is continuously engage for at least four minutes to trigger delayed blower motor control module.

For test mode, run A/C for 30 seconds before turning Off engine.

Parts Requirements:

21031158

Module Kit -- Delayed Blower Motor Control

12112245

Terminal -- Ring

12167634

Kit -- Relay

21023711

Block -- Underhood Junction (1996 Vehicles)

21021982

Block -- Underhood Junction (1997) Vehicles)

21030784

Kit -- A/C Disinfectant P/N 10953503 for Canada

12346390

Coating -- A/C EVAP Organic Growth Prev

21121827

Plug

Claim Information:

To receive credit for this repair during the warranty coverage period, submit a claim through the Saturn Dealer System as follows:

Case Type

Description

Labor Operation Code

Time

VW

Disinfect A/C System

T9555

1.3 hrs

VW

Disinfect A/C System and Install Delayed Motor Control Module.

T9709

3.5 hrs

Add:

To replace underhood junction block

--

0.6 hrs