GM Service Manual Online
For 1990-2009 cars only
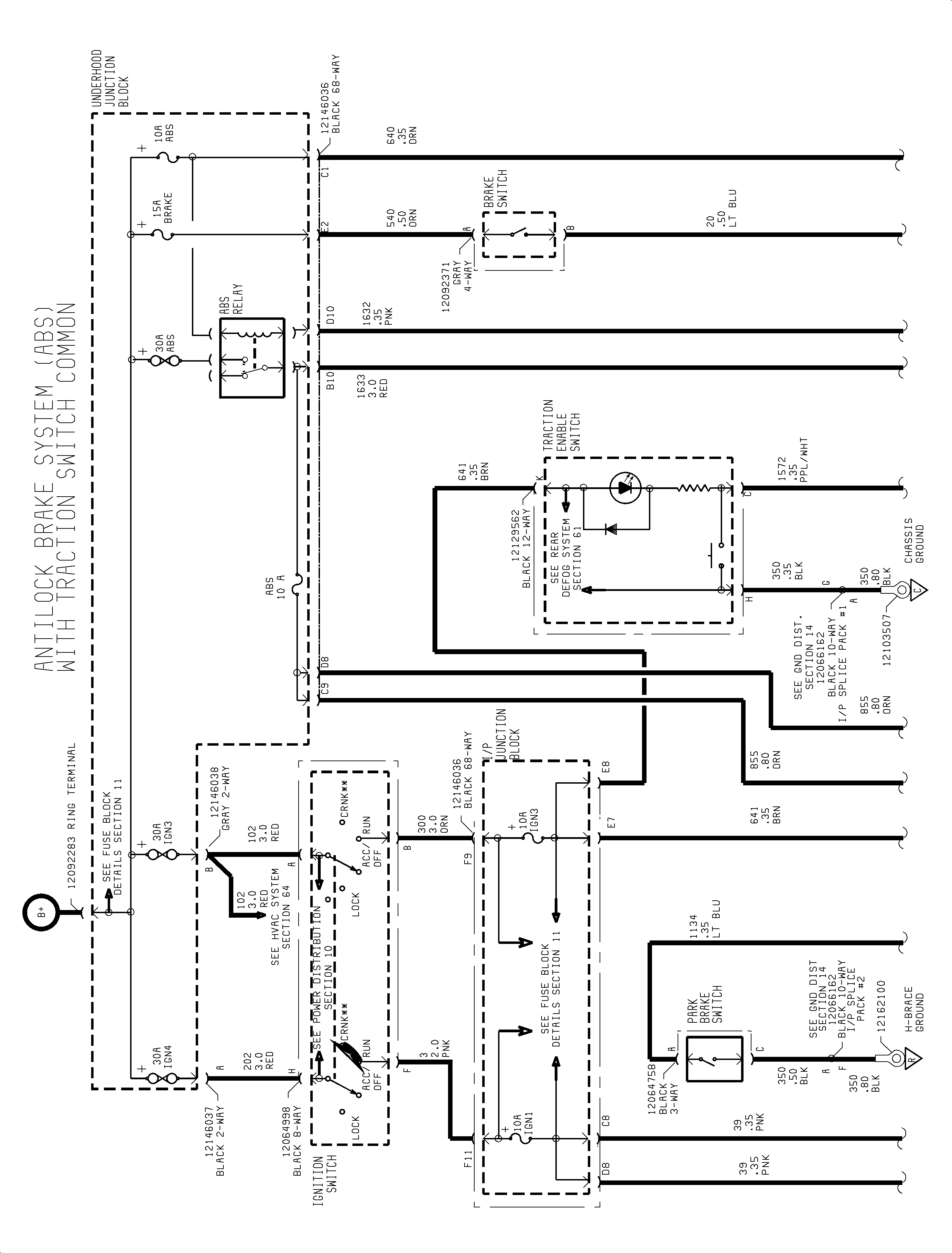
Figure 1:

1 of 3


Object Number: 910239  Size: FP
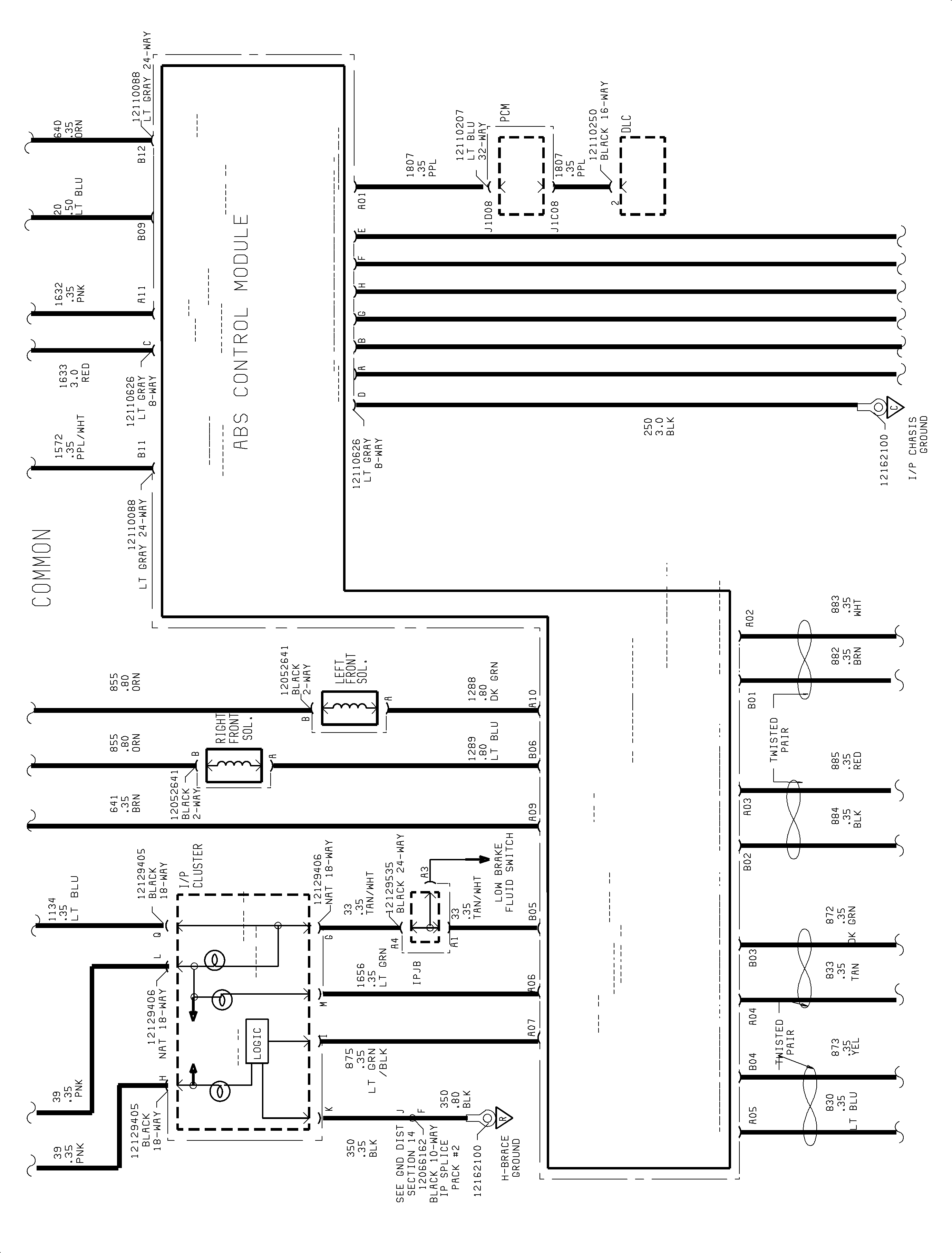
Figure 2:

2 of 3


Object Number: 910244  Size: FP
Figure 3:

3 of 3


Object Number: 910251  Size: FP