GM Service Manual Online
For 1990-2009 cars only
Makes
🢒
Saturn
🢒
1998
🢒
SL2/SC2/SW2
🢒
Body and Accessories
🢒
Lighting Systems
🢒 Fog Lights Schematics
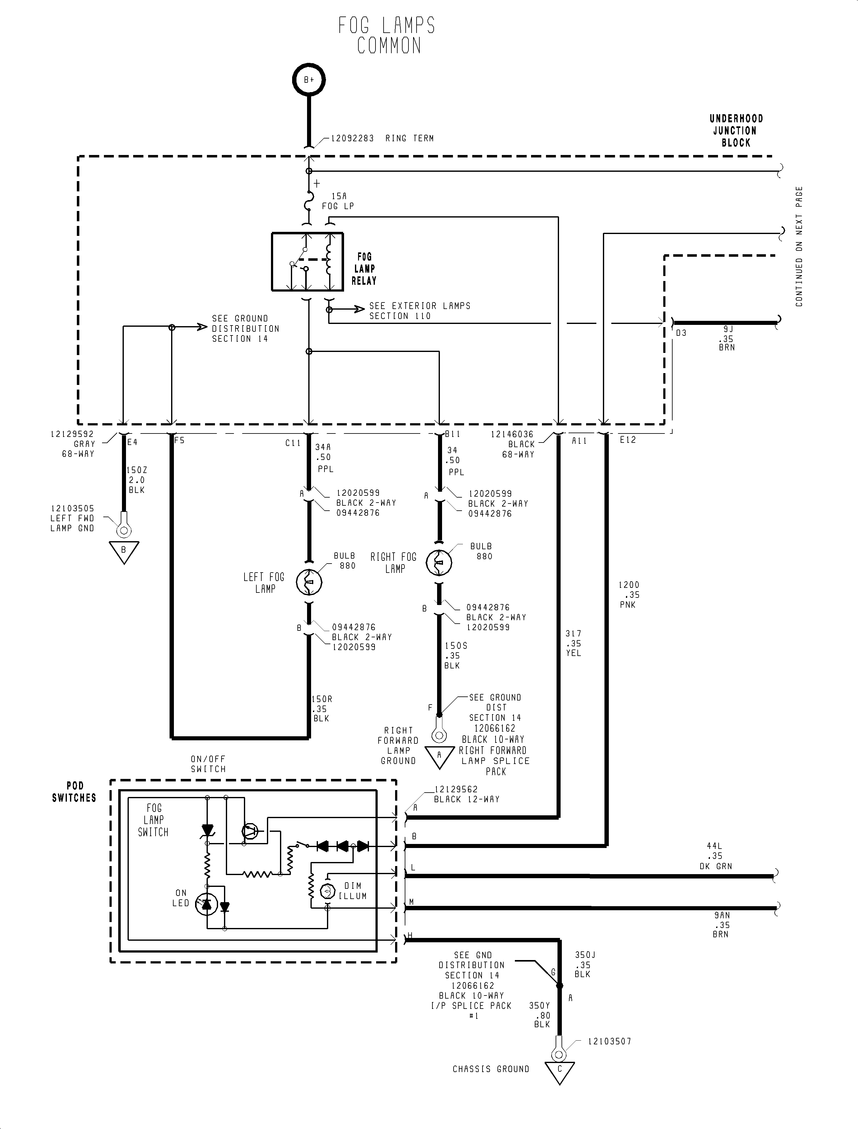
Figure
1:
Fog Lamp System (1998-1999)
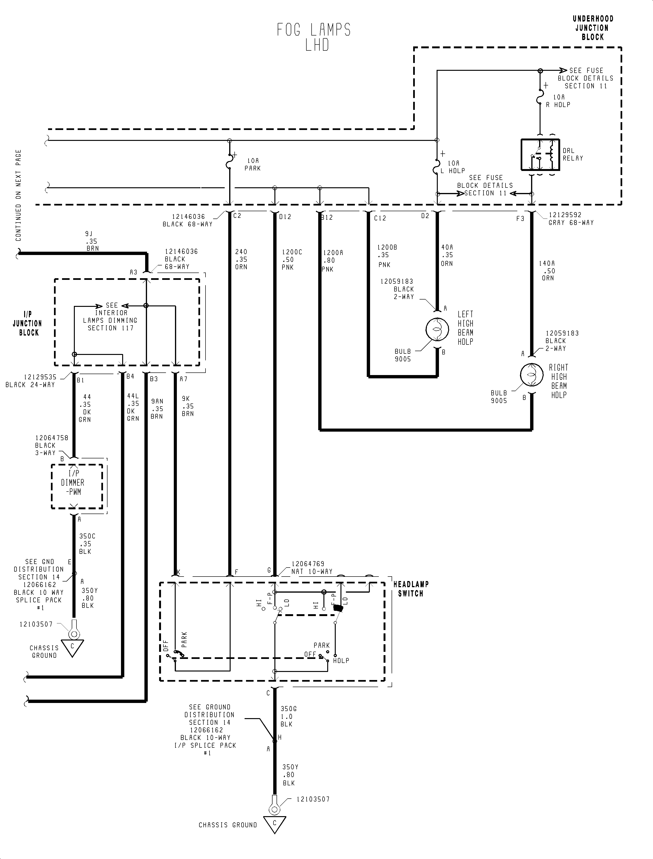
Figure
2:
Fog Lamp System Cont'd (1998-1999)