GM Service Manual Online
For 1990-2009 cars only
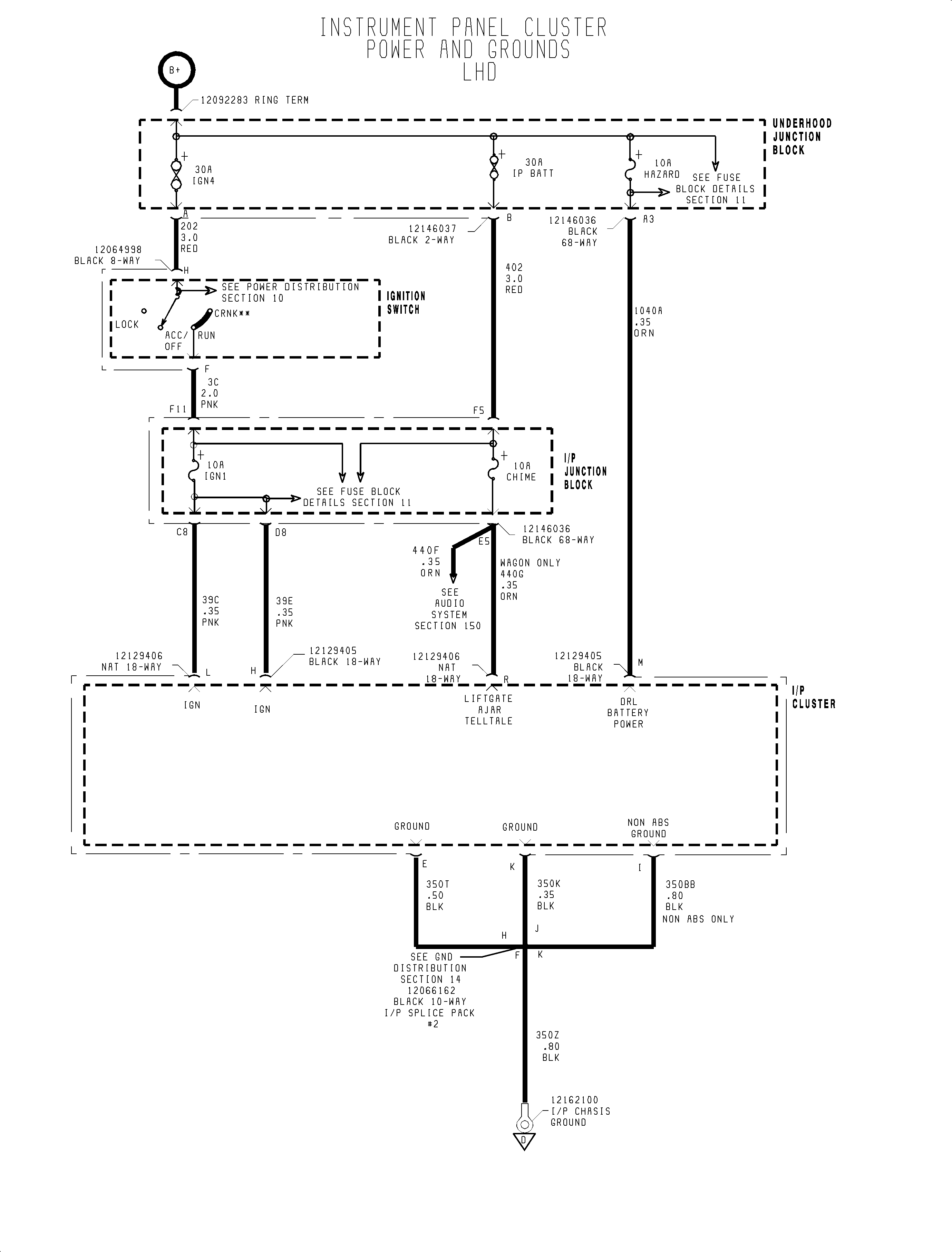
Figure 1:

Power and Grounds (1998)


Object Number: 907904  Size: FP
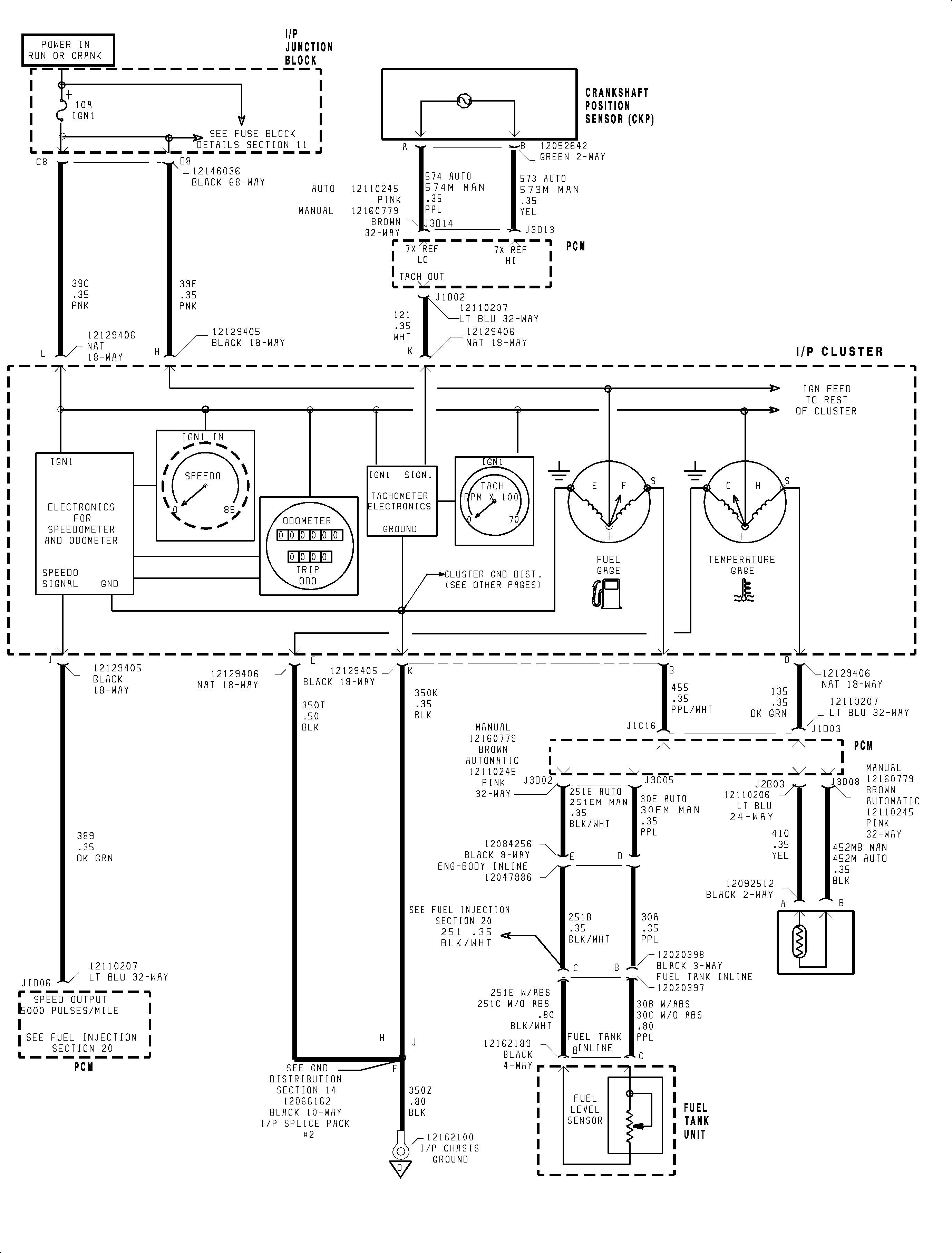
Figure 2:

Display Gages (1998)


Object Number: 907911  Size: FP
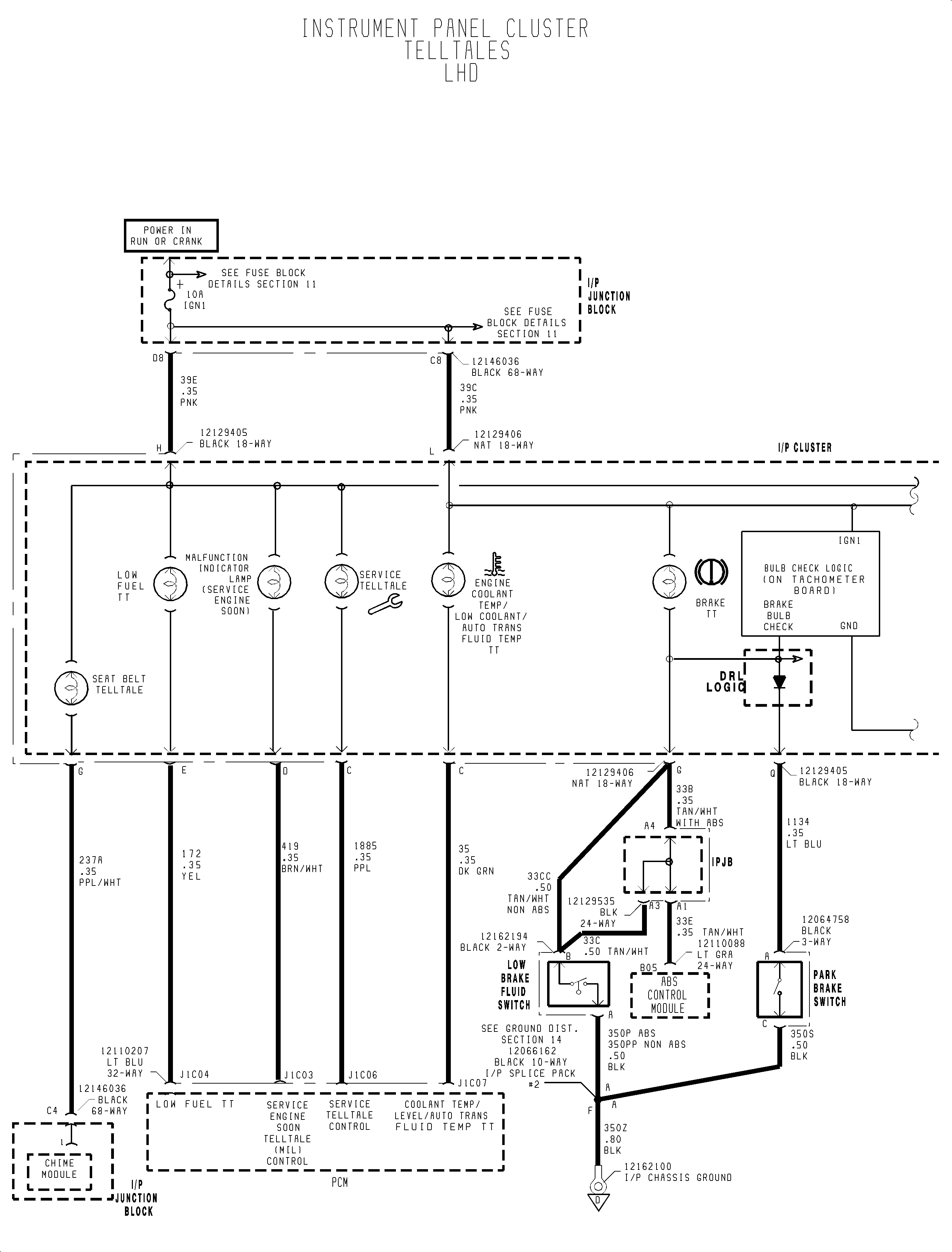
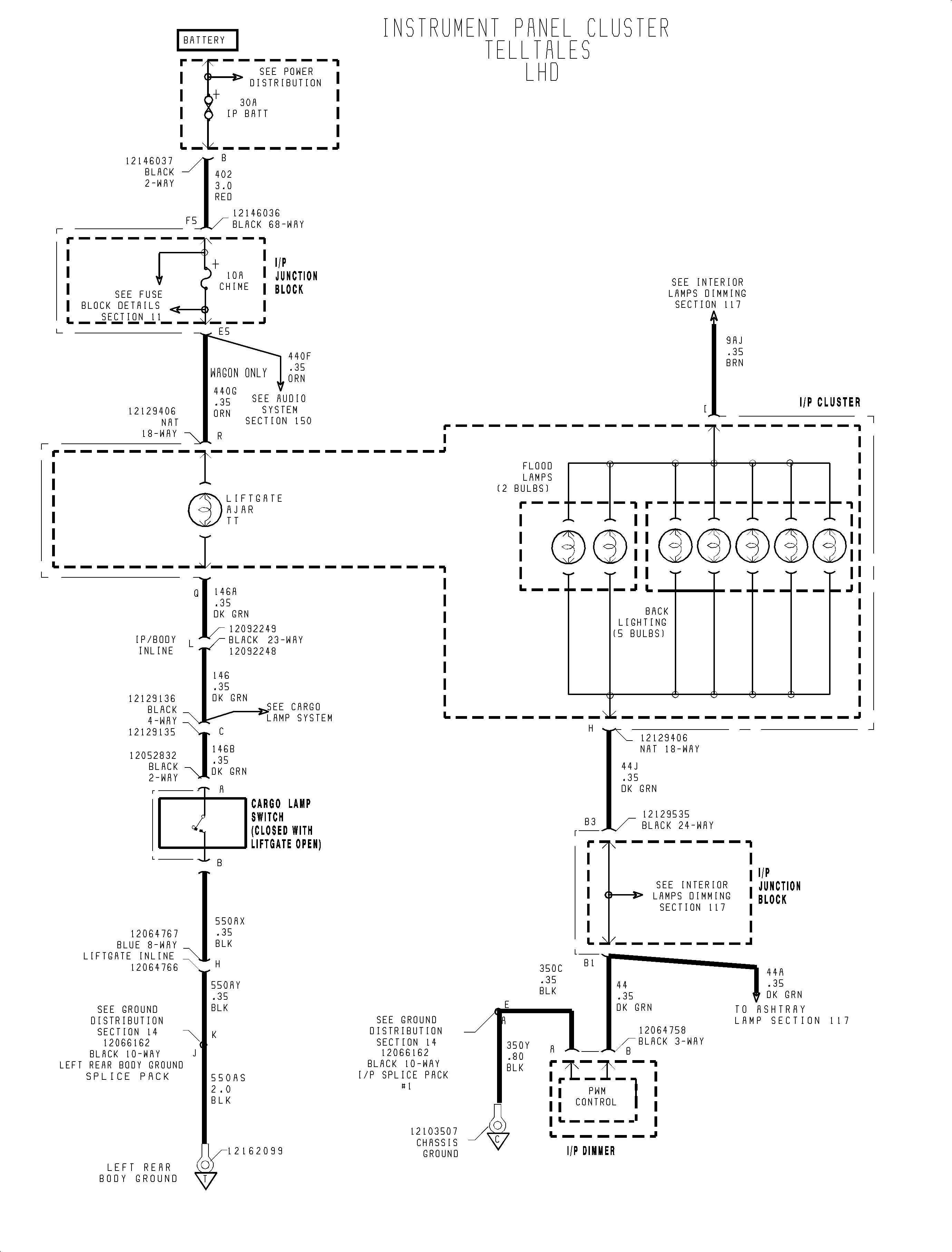
Figure 3:

Instrument Cluster Telltales (1998)


Object Number: 907918  Size: FP
Figure 4:

Instrument Cluster Telltales Cont'd (1998)


Object Number: 907922  Size: FP
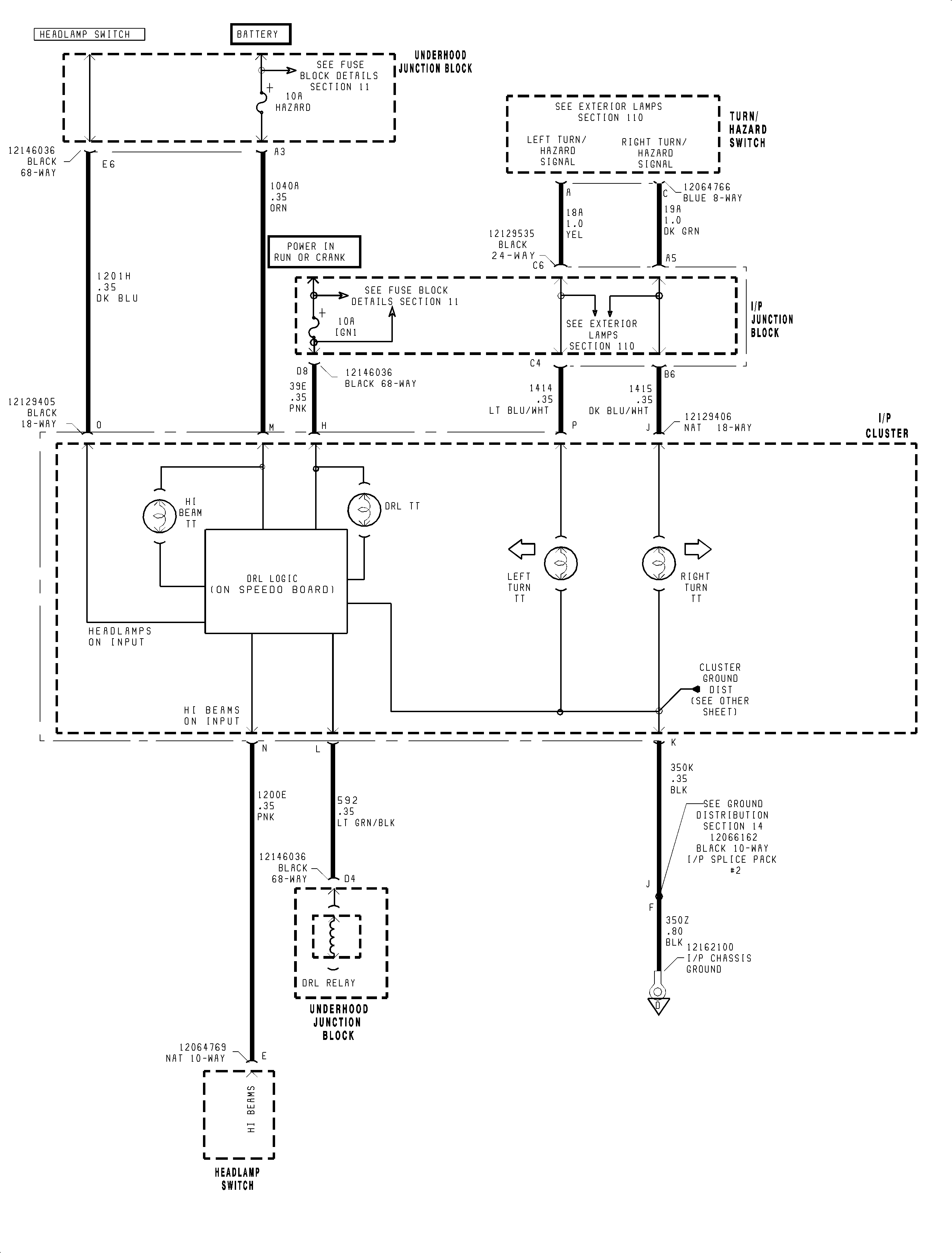
Figure 5:

Telltales and DRL Logic (1998)


Object Number: 906877  Size: FP
Figure 6:

Telltales and DRL Logic Cont'd (1998)


Object Number: 907941  Size: FP