GM Service Manual Online
For 1990-2009 cars only
Makes
🢒
Saturn
🢒
1998
🢒
SL2/SC2/SW2
🢒
Body and Accessories
🢒
Roof
🢒 Sunroof Schematics
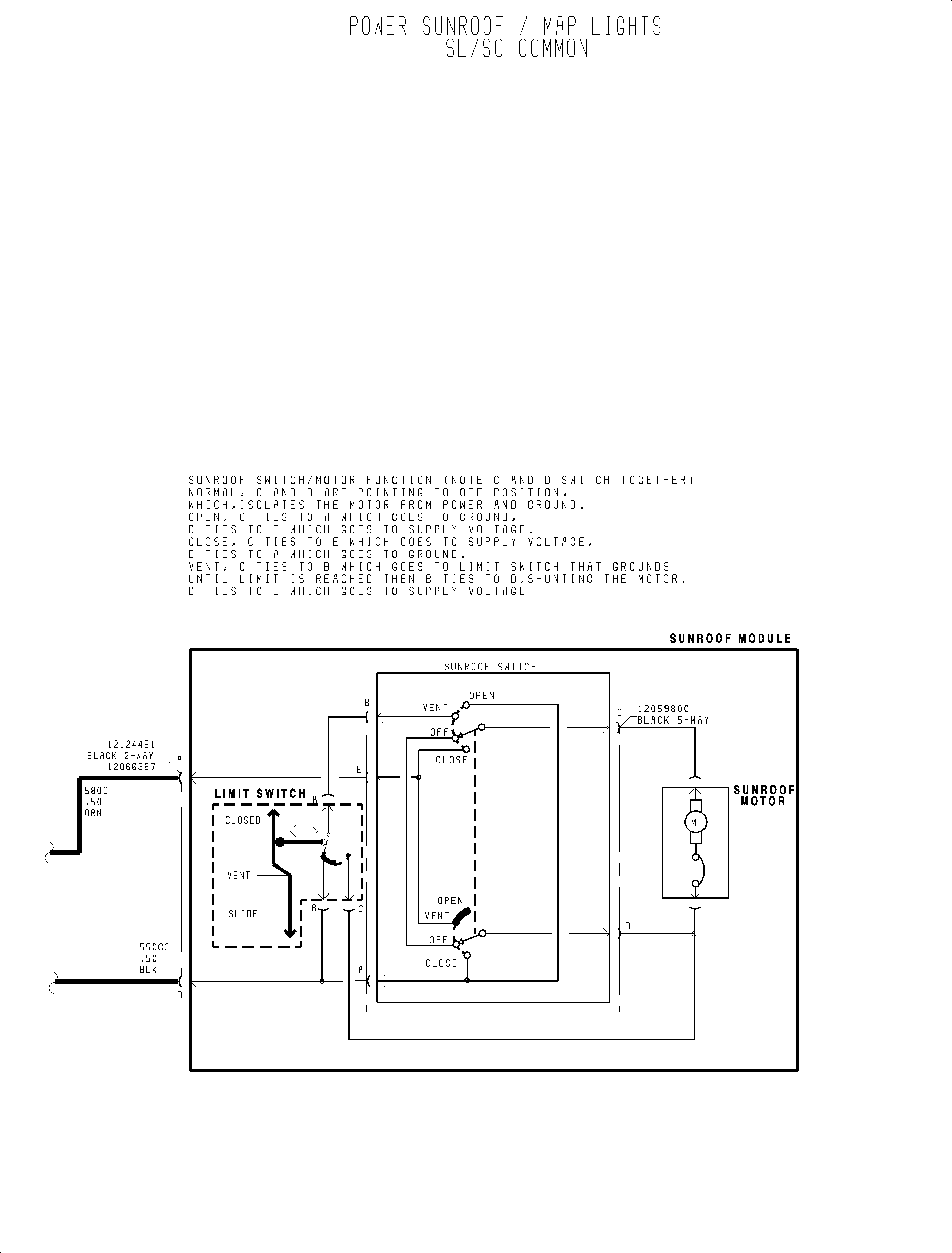
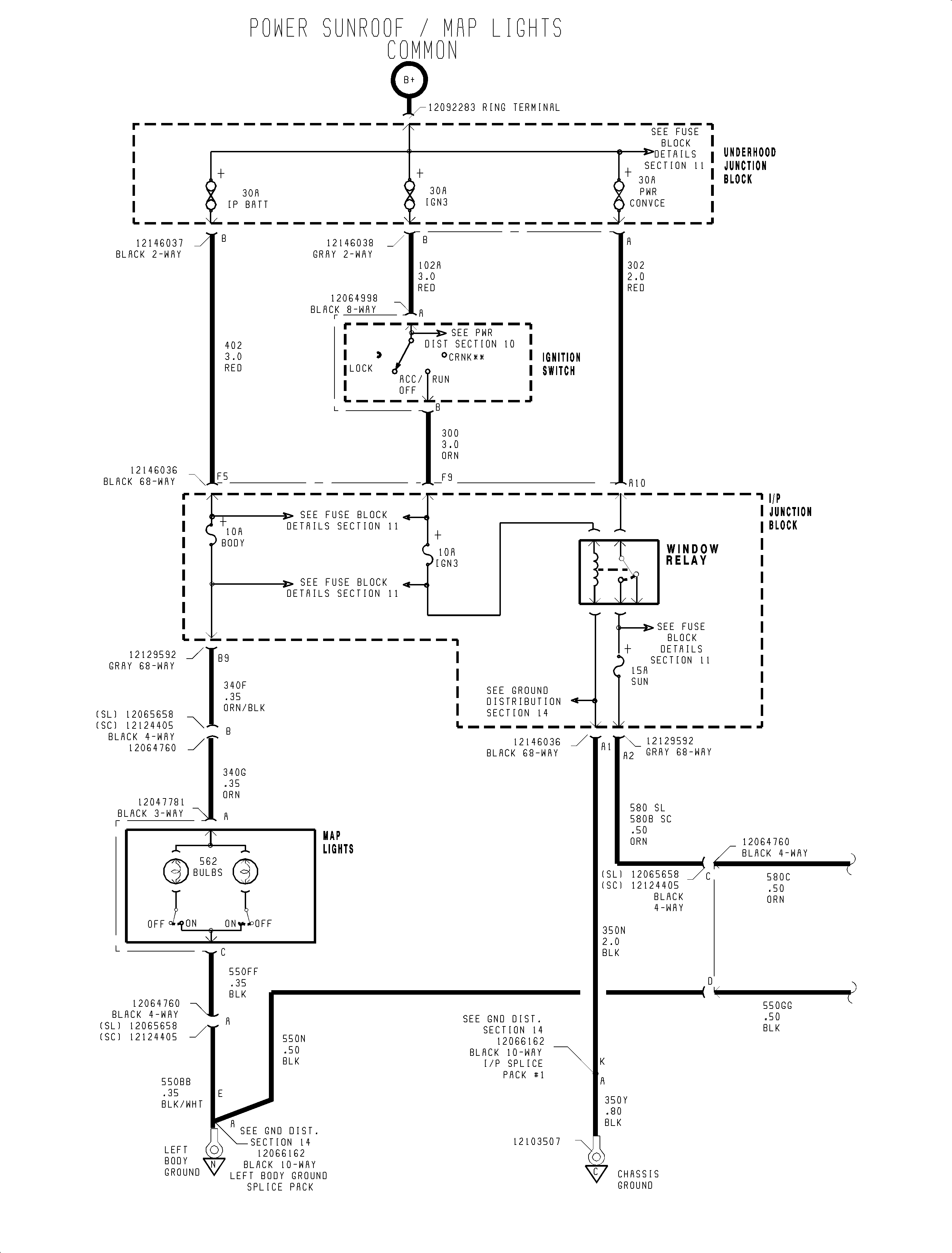
Figure
1:
Power Sunroof/Map Light
Figure
2:
Power Sunroof/Map Light Cont'd