Third clutch is applied when circuit 1223 is opened at the PCM. When the PCM opens the circuit, the voltage is monitored at terminal J4A06 to check for proper circuit conditions.
DTC P0761 is set when the PCM has detected voltage monitored at terminal J4A06, circuit 1223, is below 2-2.5 volts when the 3rd gear actuator is switched OFF electrically by the PCM, twice per ignition cycle.
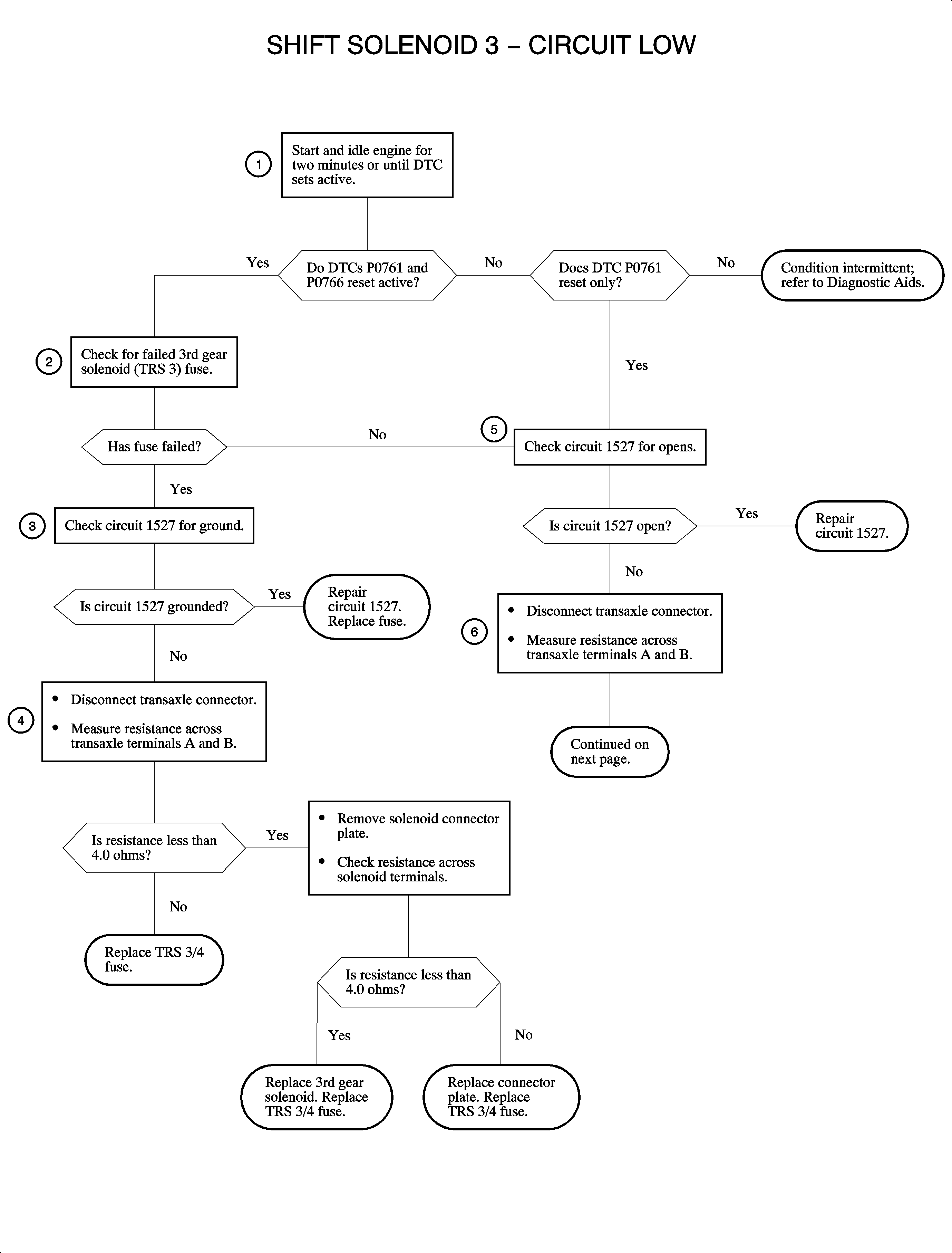
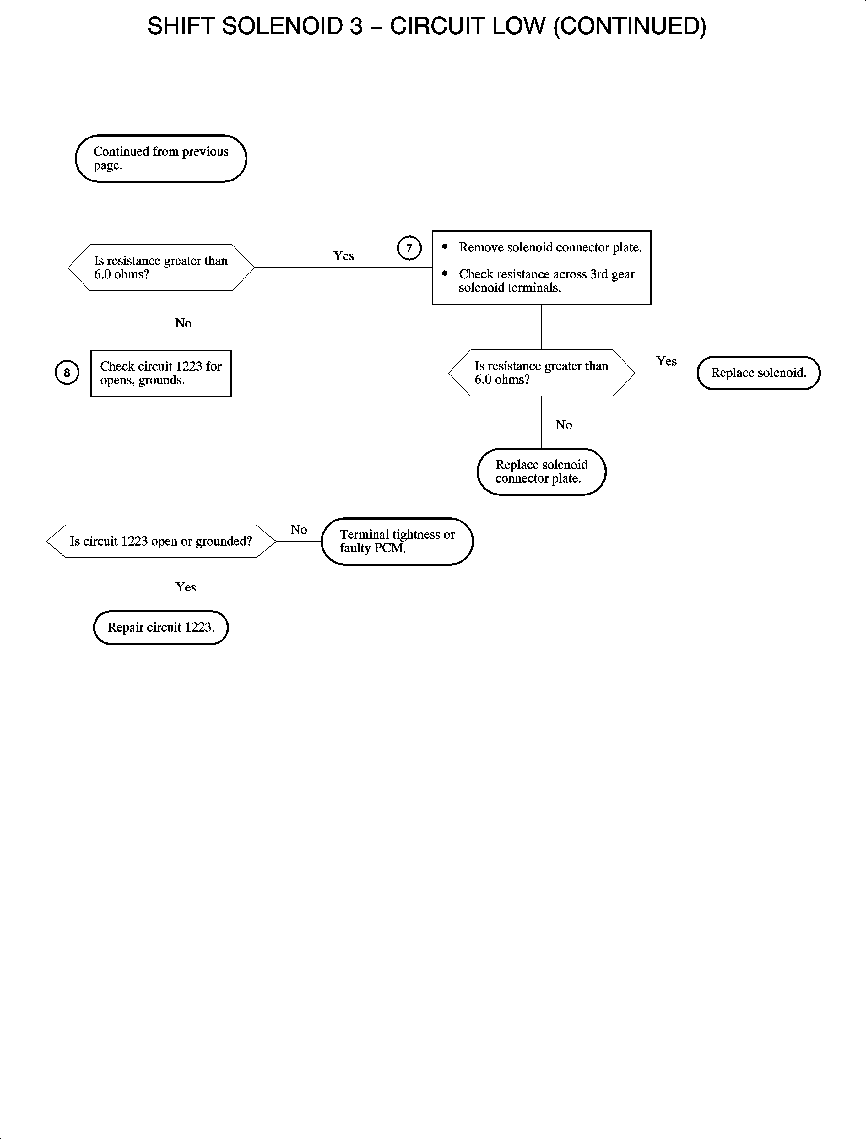
Numbered steps below refer to numbered steps on the chart.
Monitor the DTC menu Code Status for Pass Since Code Clear and Pass This Ignition Cycle. When both have passed, the repair is verified.
Criteria for pass:
| • | The engine is running. |
| • | Power is present at the solenoids and no active faults exist for this solenoid. |
This DTC may set or intermittent 3rd gear starts may be caused by a poor electrical connection at either the PCM, actuator connector plate, or UHJB terminals. Wiggling the connectors while performing a solenoid quick test may help isolate the problem area.
When the PCM detects a fault in the circuit, an open, ground, or short, the PCM will open the circuit internally to protect the circuit.
| • | An open circuit will probably result in a DTC P0732, DTC P0741, and DTC P0782, while a grounded circuit will result in a DTC P0732 and DTC P0733. |
| • | When the condition, open circuit, is present, 3rd gear starts will occur. |