GM Service Manual Online
For 1990-2009 cars only
Figure 1:

Power and Grounds (1999)


Object Number: 906812  Size: FP
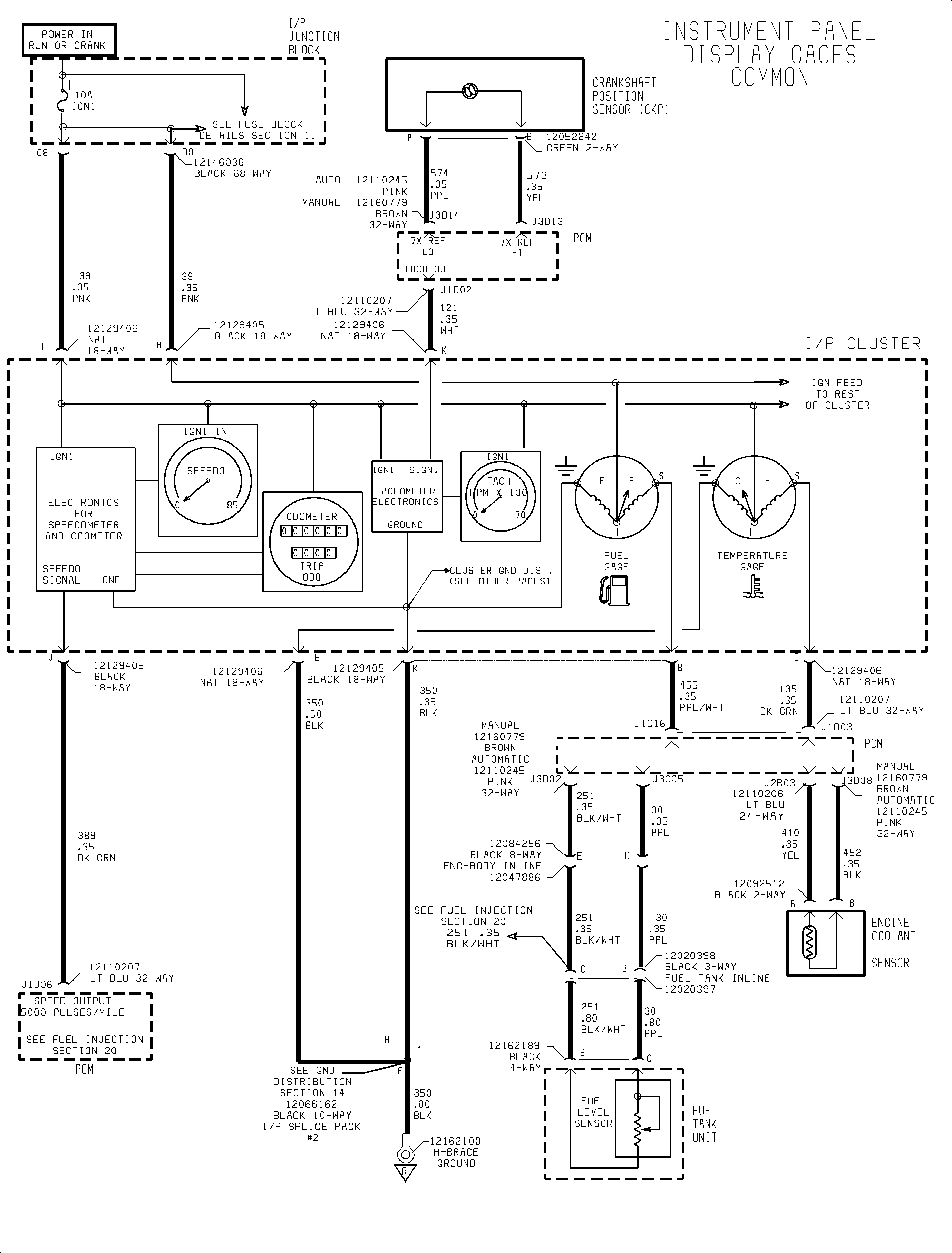
Figure 2:

Display Gages (1999)


Object Number: 906821  Size: FP
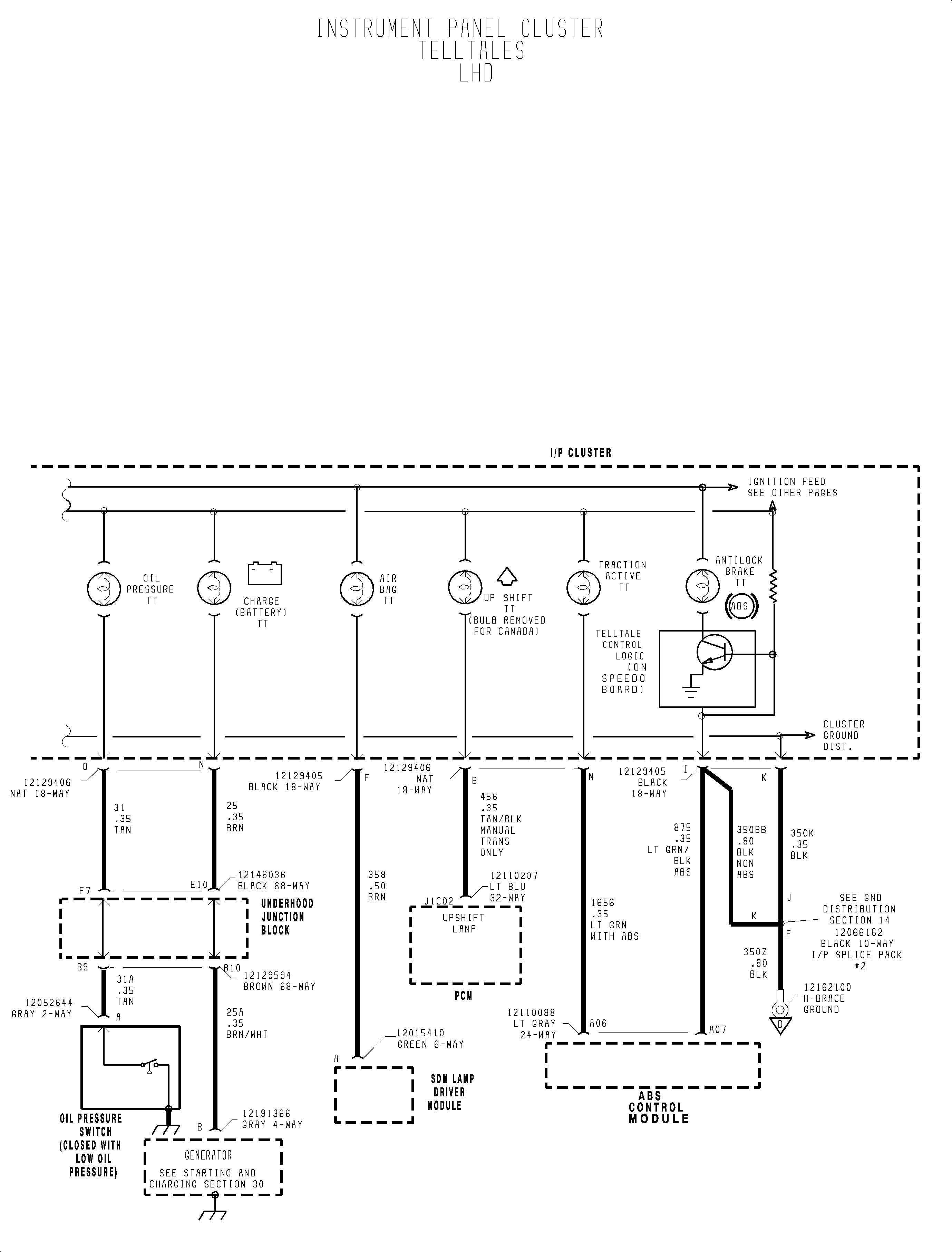
Figure 3:

Instrument Cluster Telltales (1999)


Object Number: 906845  Size: FP
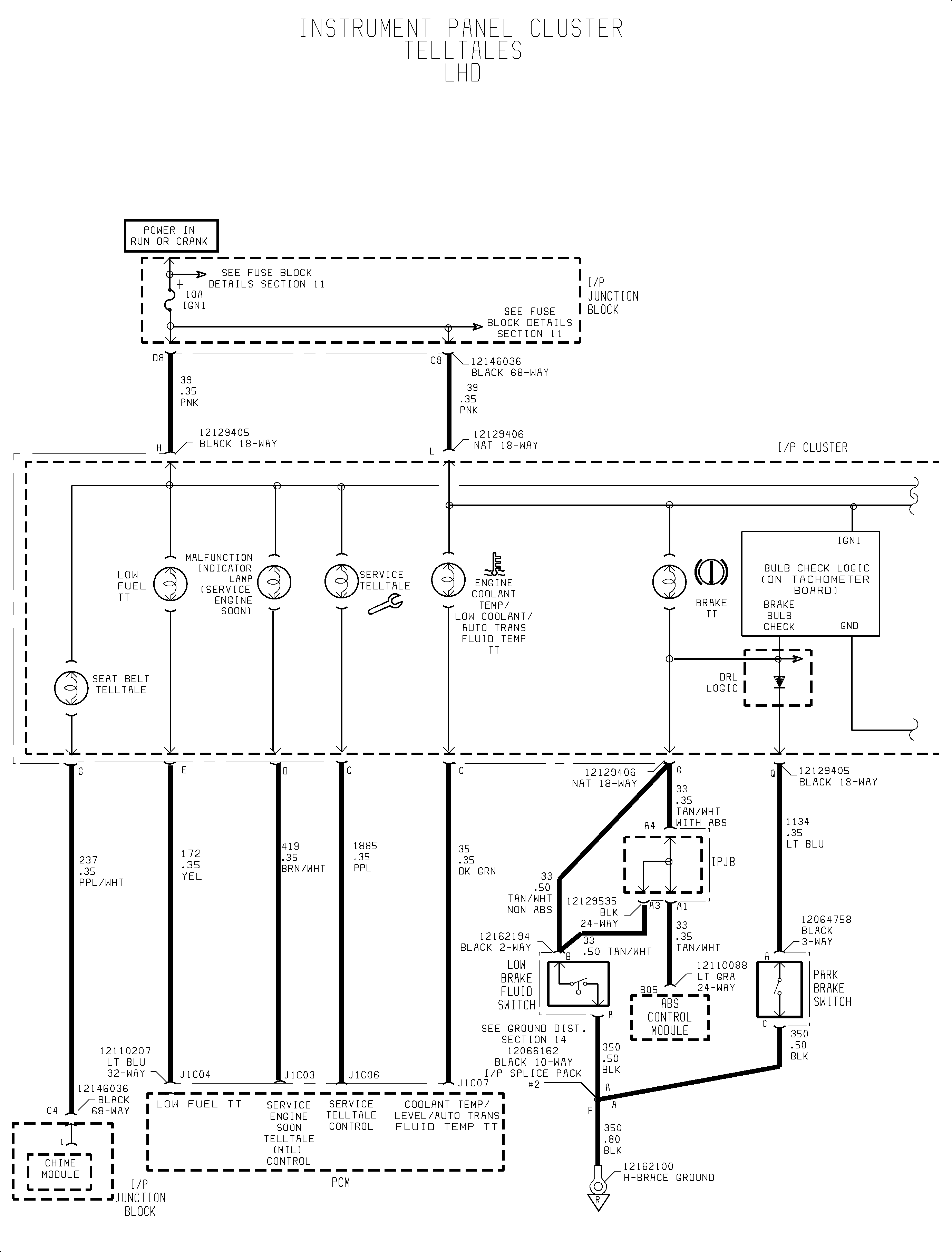
Figure 4:

Instrument Cluster Telltales Cont'd (1999)


Object Number: 906859  Size: FP
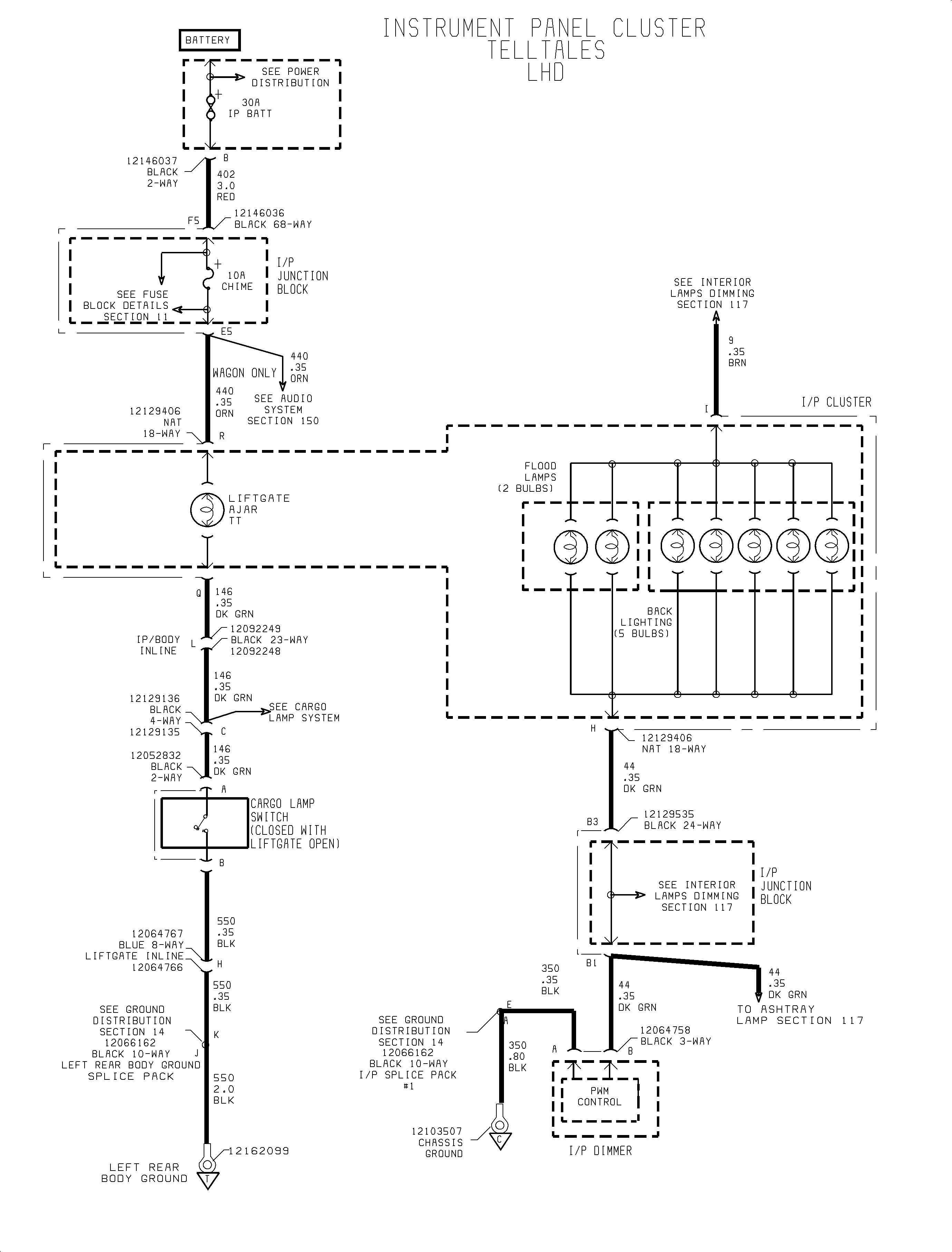
Figure 5:

Telltales and DRL Logic (1999)


Object Number: 906877  Size: FP
Figure 6:

Telltales and DRL Logic Cont'd (1999)


Object Number: 906869  Size: FP