GM Service Manual Online
For 1990-2009 cars only

Cylinder Head Disassemble SOHC

Tools Required

    • SA9102E-A Valve Seal Remover/Replacer
    • SA9124E Valve Spring Compressor/Remover

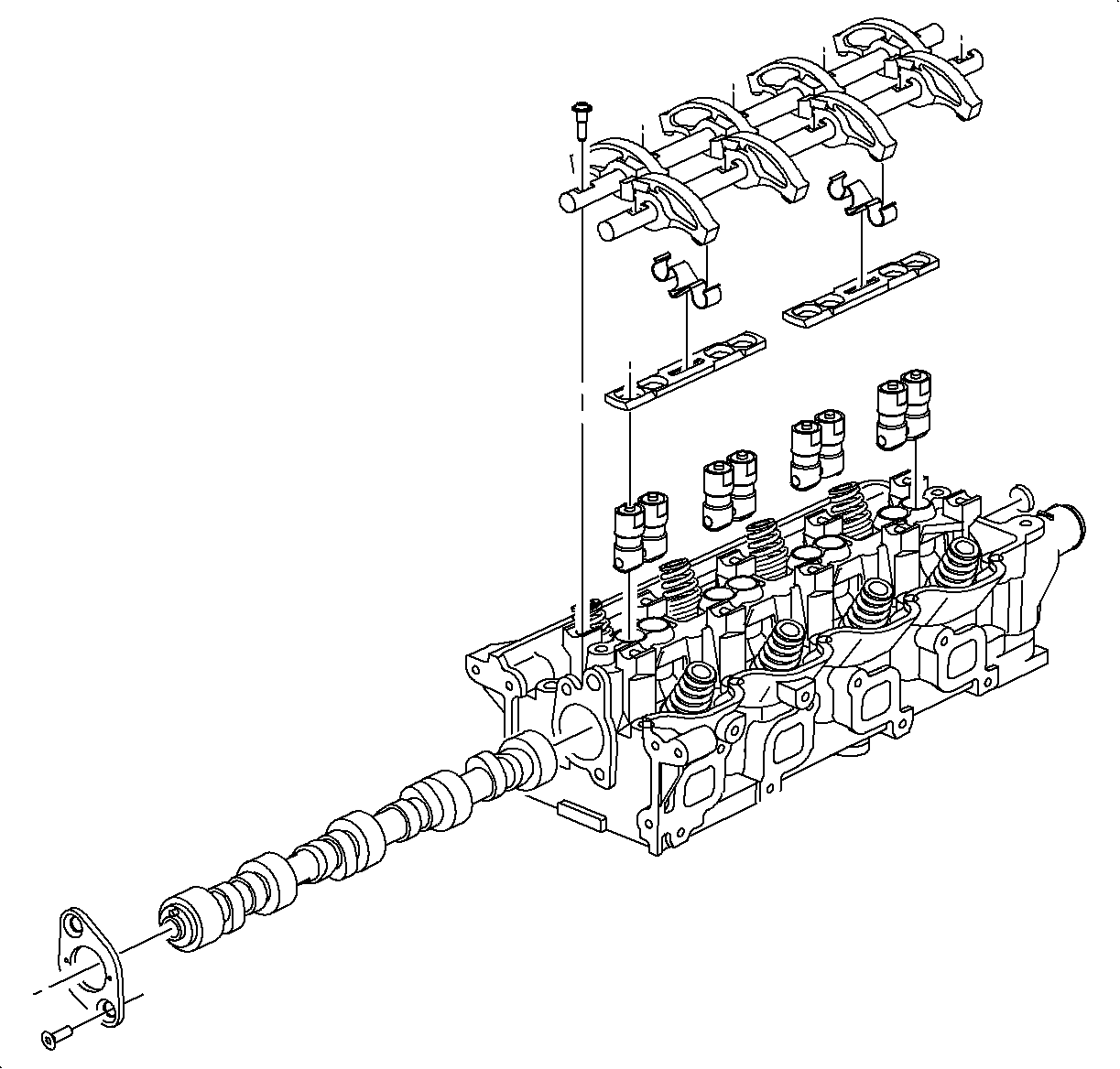
    Object Number: 870090  Size: SH
  1. Remove intake and exhaust manifolds:
  2. 1.1. Remove spark plugs.
    1.2. Remove the nine intake and eight exhaust manifold mounting nuts.
    1.3. If cylinder head intake and exhaust manifold studs come out, nuts should be removed from studs, threads cleaned, and studs carefully installed.

    Tighten

        • Tighten the intake manifold studs-to-head to 13 N·m (9.5 lb ft).
        • Tighten the exhaust manifold studs-to-head to 13 N·m (9.5 lb ft).

    Object Number: 873675  Size: SH
  3. Uniformly remove rocker arm assembly attachment bolts, the 2 rocker arm shafts, and rocker arm assemblies guide plates and lifters.
  4. Remove the rear cylinder head plug or camshaft thrust plate and screws.

  5. Object Number: 873558  Size: SH

    Important: An impact driver and T-40 TORX™ are required to break the screws loose if the camshaft is removed out the front of the cylinder head. New TORX™ screws are usually required if the camshaft is removed out the front of the cylinder head.

    Important: The camshaft can be removed out either end of the cylinder head. The camshaft plug must be driven inward or toward the camshaft and removed with a magnet from the cylinder head. A new plug is required when the camshafts is removed out the rear of the cylinder head.

  6. Remove the camshaft.

  7. Object Number: 871695  Size: MH

    Important: If a valve steam seal is removed, it must be discarded.

  8. Remove valves and stem seals:
  9. 5.1. Remove the valve spring cap retainer, spring, and valve using the SA9124E .
    5.2. Use the SA9102E-A to remove the valve stem oil seals.

Cylinder Head Disassemble DOHC

Tools Required

    • SA9102E-A Valve Seal Remover/Replacer
    • SA9124E Valve Spring Compressor/Remover

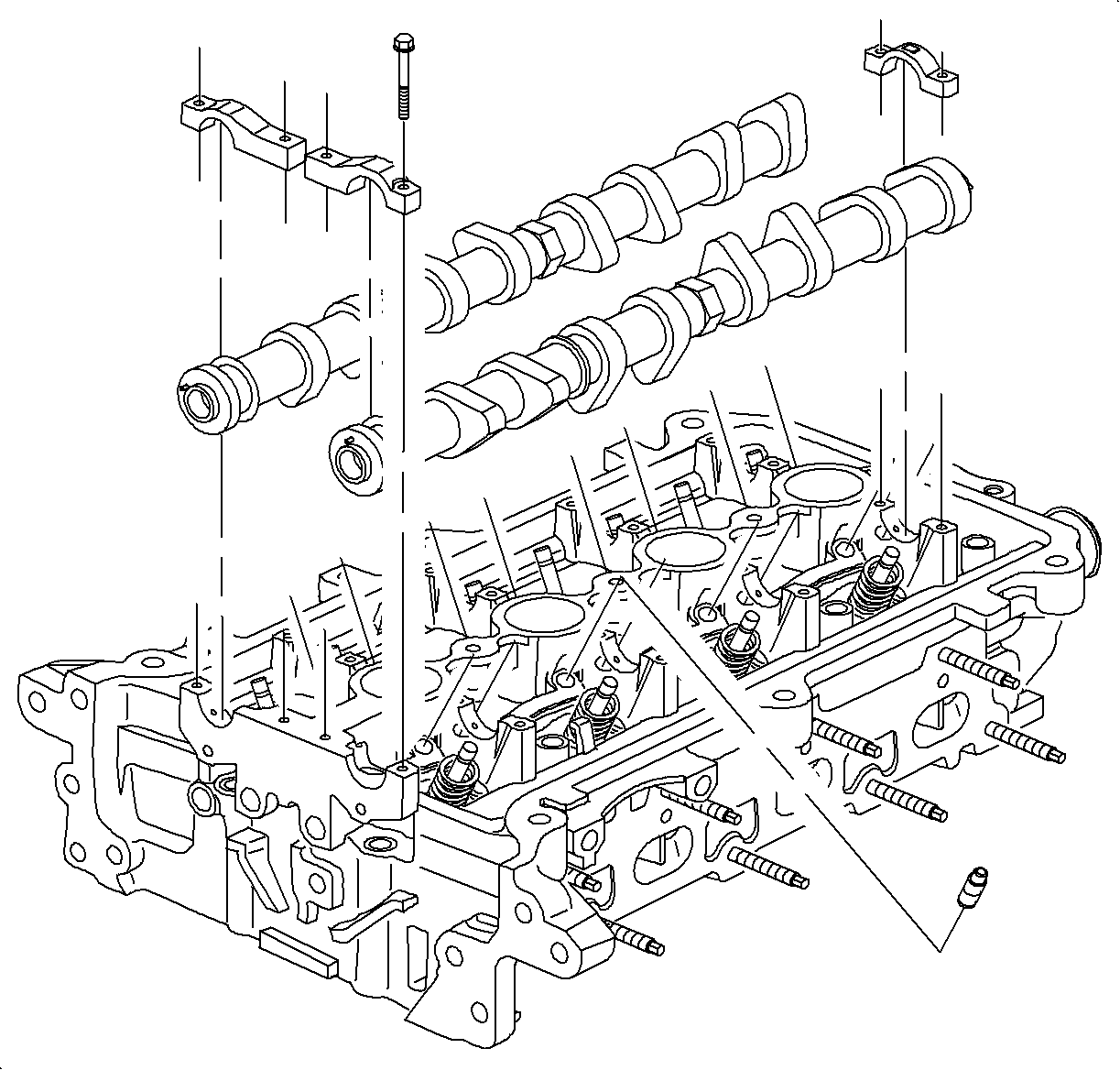
    Object Number: 870608  Size: SH
  1. Remove intake and exhaust manifolds:
  2. 1.1. Remove spark plugs.
    1.2. Remove the 9 intake and 7 exhaust manifold mounting nuts and stud.
    1.3. If cylinder head studs come out, nuts should be removed from studs, threads cleaned, and studs carefully installed.

    Tighten

        • Tighten the exhaust manifold studs-to-head to 13 N·m (9.5 lb ft).
        • Tighten the intake manifold studs-to-head to 13 N·m (9.5 lb ft).

    Object Number: 870635  Size: SH
  3. Remove the hydraulic lifters. A magnet will easily pull the lifter out of its bore. Do not use pliers or a sharp object. Keep lifters in order.

  4. Object Number: 870646  Size: SH
  5. Remove the valves and stem seals:
  6. Notice: Be careful not to damage valve stems during cap and retainer removal.

  7. Using the SA9124E , remove the valve spring cap retainers.
  8. Remove the caps, springs, and valves.

  9. Object Number: 870652  Size: SH

    Important: Arrange the disassembled parts -- caps, seals, springs, and valves in correct order.

  10. Using the SA9102E-A , remove  the valve stem oil seal.