GM Service Manual Online
For 1990-2009 cars only
Makes
🢒
Saturn
🢒
2000
🢒
SL2/SC2/SW2
🢒
Driveline/Axle
🢒
Wheel Drive Shafts
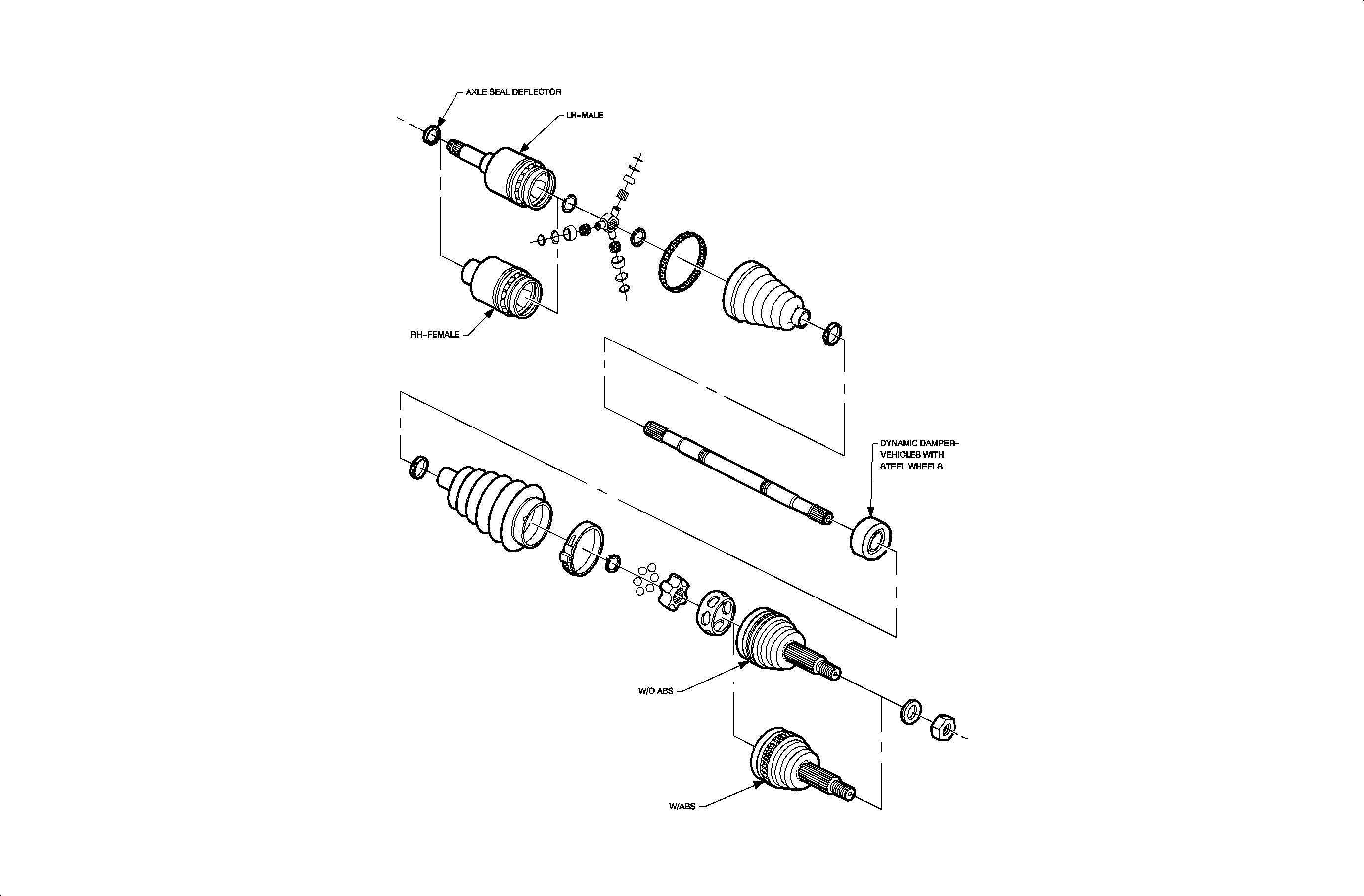
🢒 Wheel Drive Shafts Disassembled Views