GM Service Manual Online
For 1990-2009 cars only
Figure 1:
Object Number: 875851  Size: FP
Figure 2:
Object Number: 875853  Size: FP
Figure 3:

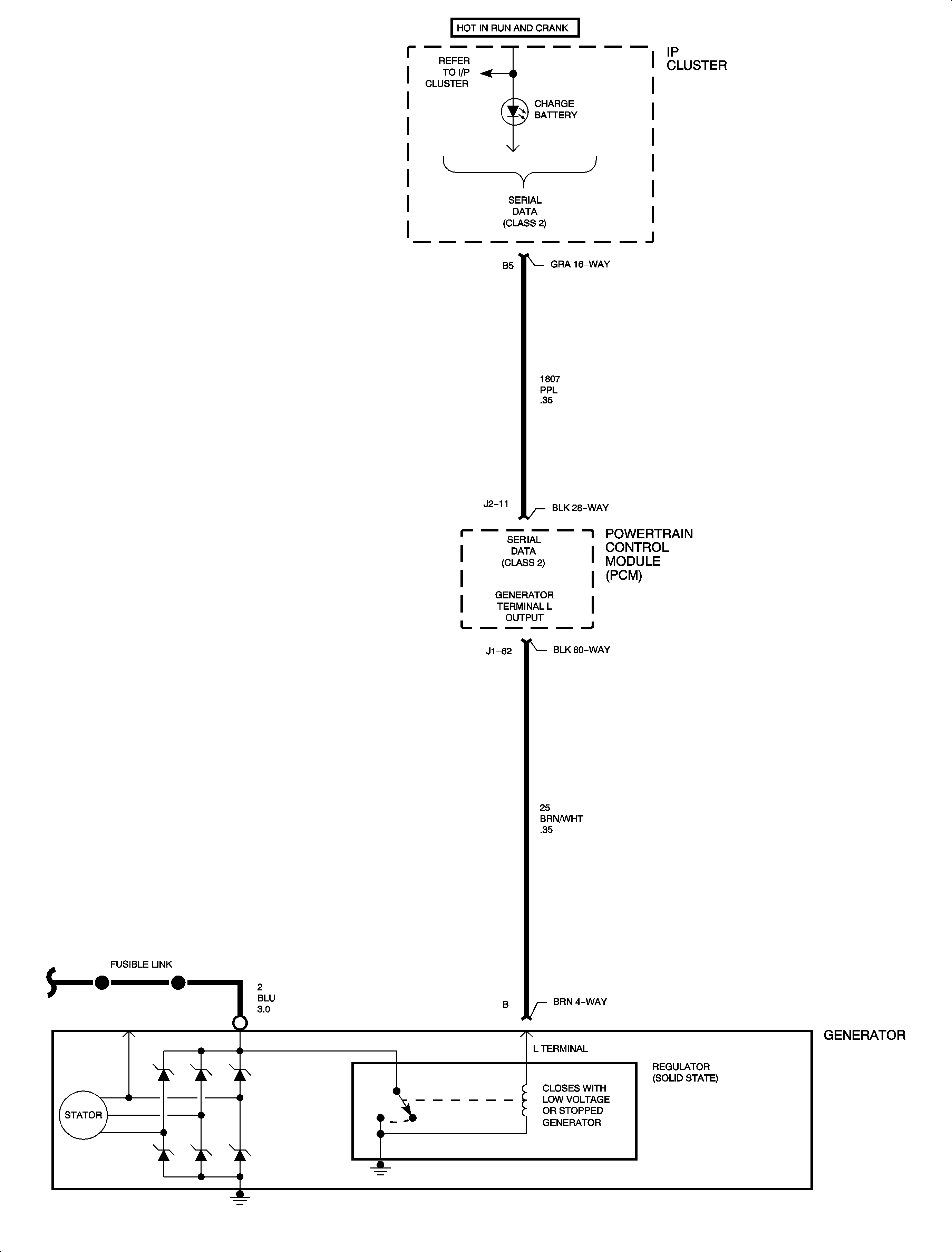
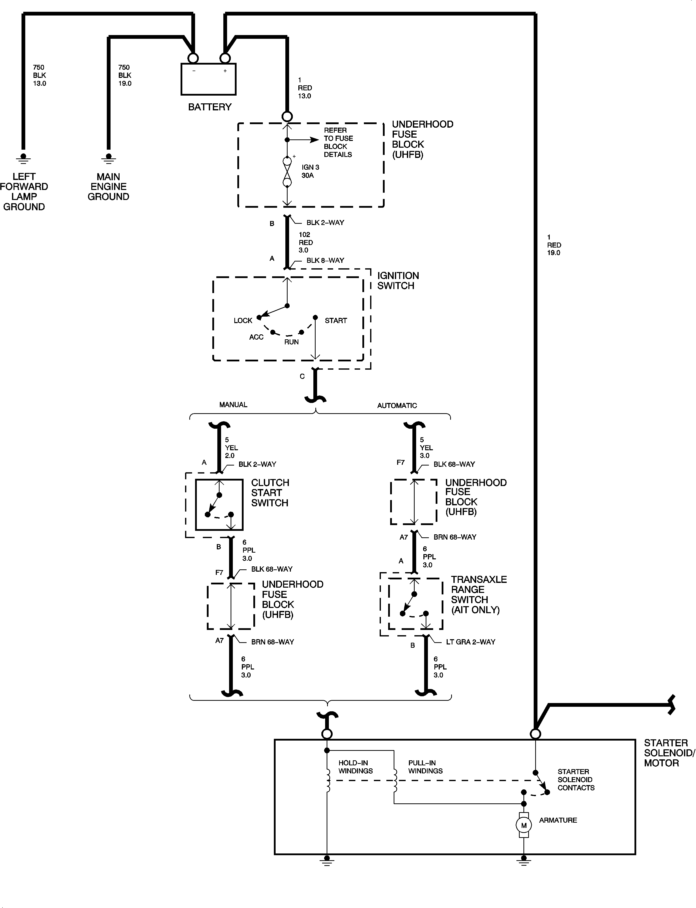
Starting and Charging System Schematic - Continued


Object Number: 875419  Size: FP
Figure 4:
Object Number: 875420  Size: FP