GM Service Manual Online
For 1990-2009 cars only

Tools Required

    • SA9105E 3-Bar Engine Support Fixture
    • SA9412G Constant Force Clamp Pliers
    • SA9127E Gage Bar Set

Powertrain Assembly Removal Procedure


    Object Number: 872047  Size: SH

    Caution: Do not allow smoking or the use of open flames in the area where work on the fuel or EVAP system is taking place. Anytime work is being done on the fuel system, disconnect the negative battery cable, except for those tests where battery voltage is required.

  1. Disconnect negative battery cable and remove coolant bottle cap.
  2. Notice: The engine's cooling system thermostat and water pump will not function correctly if oil is found in the cooling system. The cooling system must be flushed and the water pump and the thermostat's cartridge replaced.

  3. Drain engine coolant. Drains are located at right front corner of the engine block and right hand side of radiator.
  4. Remove air induction system inlet hose or air cleaner assembly. Cover the throttle body opening with a shop towel.

  5. Object Number: 873961  Size: MH
  6. Disconnect electrical and vacuum connectors where applicable:
  7. • The engine coolant temperature (ECT) sensor.
    • The oxygen sensor and clip at transaxle front mount bracket.
    • The idle air control (IAC) valve.
    • The ignition coil - 2 different connectors.
    • The throttle position (TP) sensor.
    • The MAP sensor.
    • The EGR solenoid.
    • The brake booster hose at brake booster or intake manifold.

    Object Number: 873362  Size: SH
    • Ground connectors, 2, located at transaxle attachment studs at rear side of cylinder block.
    • Injector connectors.

    Object Number: 877421  Size: MH

       Important: The transaxle electrical connectors and shift cables can also be removed after the vehicle is on a hoist and the left-hand side splash shield is removed.

    • Automatic/manual transaxle connectors:
       - The neutral safety/selector switch, 3 connectors.
       - The valve body actuator connector.
       - The turbine speed sensor.
       - The transaxle temperature sensor.
       - The back-up light switch, manual transaxle.

    Object Number: 871738  Size: SH
  8. Disconnect accelerator cable assembly.
  9. Caution: Catch leaking fuel in a container whenever fittings are loosened or lines are disconnected.

  10. Disconnect the fuel line.
  11. 6.1. Fuel pressure can be bled into an approved container using the SA9127E .

    Object Number: 873962  Size: SH
    6.2. Disconnect the fuel supply line. Fuel line can be tied to brake master cylinder lines to prevent fuel spill.
  12. Disconnect the upper radiator hose at cylinder head outlet and deaeration hose at engine.

  13. Object Number: 873964  Size: SH

    Important: It is not necessary to discharge the A/C compressor during powertrain removal.

  14. Remove A/C compressor, if equipped, bolts and tie the compressor to the front crossbar. Leave both A/C mounting brackets mounted on the engine.
  15. Important: Pinch the plastic connector tabs and pull on the line. Wrap the end of the lines in a clean shop towel to prevent debris entry.

  16. Disconnect the automatic transaxle cooler lines at transaxle and plug.

  17. Object Number: 877426  Size: SH
  18. Disconnect the automatic transaxle shifter cable.

  19. Object Number: 877087  Size: SH
  20. Manual transaxle shifter cables and clutch hydraulic system.
  21. 11.1. Remove the 2 hydraulic damper to clutch housing stud nuts and slide damper and bracket assembly off studs.
    11.2. Rotate clutch actuator 1/4 turn counter clockwise while pushing toward housing to disengage the bayonet connector and remove from clutch housing.
    11.3. Tie clutch hydraulic system to battery tray. Do not kink or pinch the nylon hydraulic lines.

    Object Number: 877434  Size: SH
  22. Using safety wire or plastic tie straps, tie the radiator, condenser, and fan module to the front vehicle crossbar. The safety wire or plastic tie straps can be routed around the two fan shroud supports and around the crossbar.

  23. Object Number: 870530  Size: SH

    Caution: Ensure that the vehicle is properly supported and squarely positioned. To help avoid personal injury when a vehicle is on a hoist, provide additional support for the vehicle on the opposite end from which the components are being removed.

  24. Jack or raise the vehicle squarely on a hoist. Reference the lift instructions for positioning the vehicle correctly on the hoist.
  25. Remove the front wheels and shield attachment fasteners from the cradle.

  26. Object Number: 873970  Size: SH
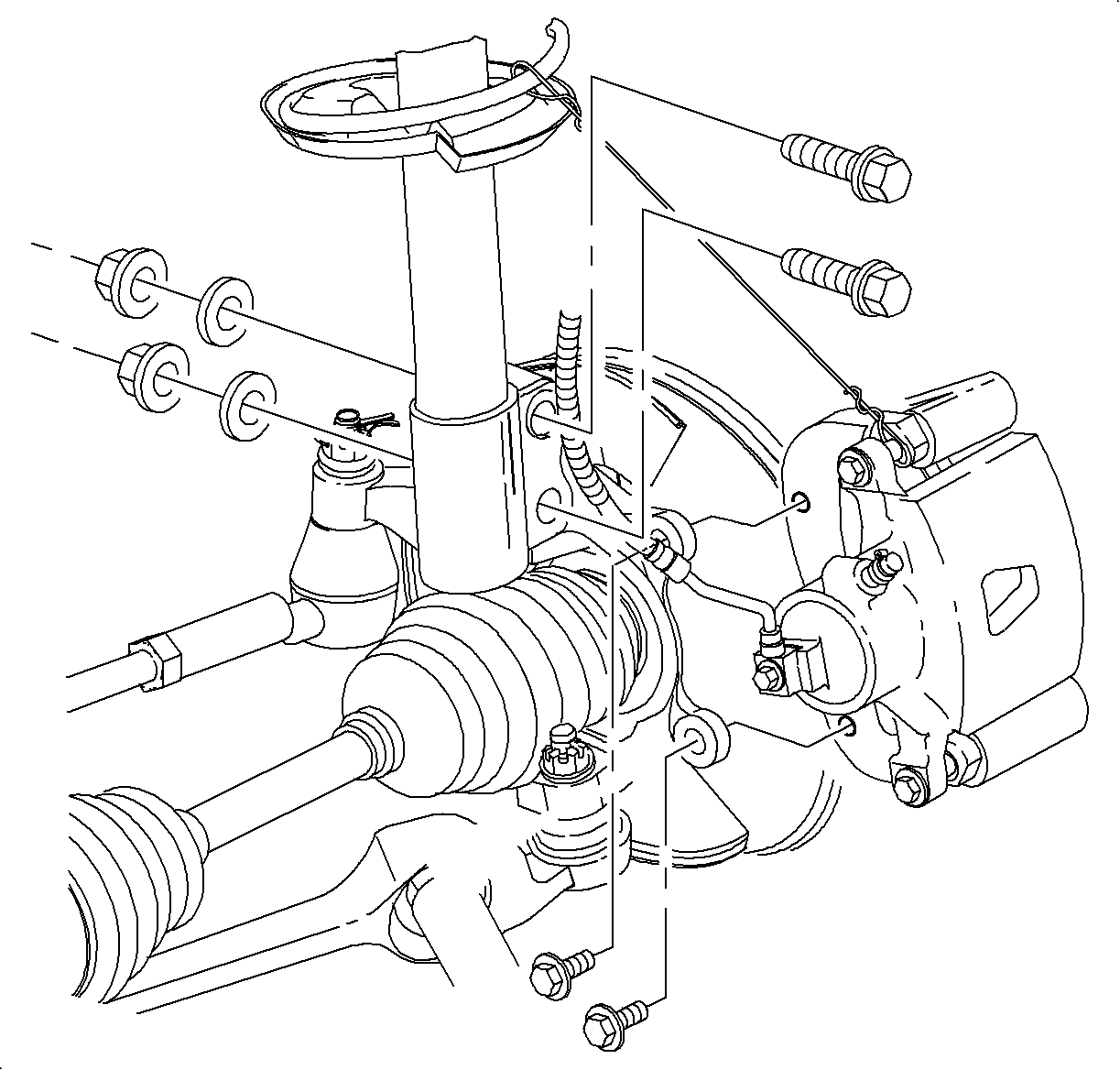
  27. Remove the brake caliper bracket attachment bolts, 2 on each side, and tie the caliper assemblies to the shock tower springs using safety wire or plastic tie straps. Shock assemblies and springs remain with the body.
  28. Remove both strut to knuckle attachment bolts, 2 on each side, and allow the knuckle and hub assembly to remain with the cradle. The stabilizer bar remains attached to the cradle and lower control arms.

  29. Object Number: 877119  Size: SH
  30. Disconnect the lower radiator and heater return hoses at the engine. Use the SA9412G , Snap-On® Tool HCP10, or equivalent.
  31. Disconnect the heater inlet hose at the front of the dash or engine.
  32. Disconnect the steering shaft and power steering pressure switch electrical connector at the gear, if applicable.

  33. Object Number: 865765  Size: SH

    Notice: Intake and exhaust manifold stud threads can be damaged during removal and must be replaced when a new machined cylinder head casting is installed.

  34. Disconnect the engine front exhaust pipe at the exhaust manifold, catalytic converter, and powertrain stiffening bracket. Refer to Front Exhaust Pipe Removal in Engine Exhaust.
  35. Remove the automatic transaxle flywheel cover and torque converter to flexplate bolts, if applicable.

  36. Object Number: 871036  Size: SH
  37. Disconnect the electrical and vacuum connections:
  38. 22.1. Starter -- solenoid and battery feed
    22.2. Generator -- field and battery feed
    22.3. Oil pressure sensor
    22.4. Knock sensor
    22.5. Crankshaft position sensor

            Important: The EVO solenoid connector is also accessible from underhood on vehicles with the SOHC (L24) engine.

    22.6. EVO solenoid, if equipped
    22.7. Vehicle speed sensor
    22.8. EVAP canister purge solenoid
    22.9. PCM and oxygen sensor
    22.10. ABS wheel sensor connector grounds, if equipped

    Object Number: 877129  Size: SH
  39. Unclip the brake lines from the rear side of the cradle.

  40. Object Number: 905054  Size: SH
  41. Carefully remove the electrical harness from the engine. Lower the vehicle enough on the hoist to lay the electrical harness on top of the underhood junction block and battery cover.
  42. Important: Installation of the wood block prior to upper engine torque axis mount removal allows the mount to be easily installed without lifting or jacking the powertrain.

  43. Place a 1 in. x 1 in. x 2 in. long block of wood between the torque strut and cradle.

  44. Object Number: 903681  Size: SH
  45. Remove the 3 right-hand, upper engine torque axis mount to front cover nuts and the 2 mount to midrail bracket nuts, allowing the powertrain to rest on the block of wood.

  46. Object Number: 903685  Size: SH
  47. Place the powertrain support dolly under the cradle. Use 2 4 in. x 4 in. x 36 in. blocks of wood to support the cradle on the dolly.
  48. Remove the 2 right-hand, front engine mount torque strut brackets to cradle nuts.
  49. Remove the 4 cradle attachment bolts and carefully lower the complete powertrain assembly from the vehicle or raise the vehicle off of the powertrain assembly.

  50. Object Number: 870871  Size: SH
  51. Remove spark plug wire ends at ignition module.
  52. Remove power steering pump with support bracket, if equipped. Attach pump to frame or steering gear in an upright position with safety wire.
  53. Attach the SA9105E or equivalent to the engine service support brackets for powertrain support.

  54. Object Number: 1226433  Size: SH
  55. Place a 1/2 in. x 1 in. x 3 in. block of wood under the axle shaft. Remove intake manifold support brace (DOHC [LL0]) and three axle shaft bracket support bolts and allow bracket to rotate rearward. It may be necessary to lift the engine slightly to allow for clearance between the drive axle shaft bracket and starter support bracket.

  56. Object Number: 877097  Size: SH
  57. Place a 4 in. x 4 in. x 6 in. long block of wood under the transaxle housing for support.

  58. Object Number: 872481  Size: SH
  59. The engine strut bracket and torque strut are removed as an assembly. The engine may have to be lifted slightly for engine strut assembly removal.

  60. Object Number: 877148  Size: SH

    Important: Manual transaxles require the engine be moved approximately 100 mm (4 in) forward in the cradle for input shaft disengagement.

  61. Remove the 4 transaxle housing attachment bolts.
  62. Important: Before shipment, all fluids must be drained from the engine, and all openings plugged or capped.

  63. Carefully lift the engine assembly from the frame and mount it on an engine stand for repairs or on a transportation pallet.

Powertrain Assembly Installation


    Object Number: 872405  Size: SH
  1. Install clutch disc and pressure plate, if applicable. The yellow dot on the pressure plate should be aligned near the mark on the flywheel. Use the SA9145T to align the clutch disk for the manual transaxle input shaft alignment. When installing an automatic transaxle, the yellow dot on the torque converter must be at the 6 o'clock position when the first flexplate to torque converter bolt is tightened.
  2. Tighten

        • Tighten the flexplate-to-converter to 70 N·m (52 lb ft).
        • Tighten the clutch pressure plate-to-flywheel to 25 N·m (19 lb ft).

    Object Number: 877346  Size: SH
  3. Carefully lift the engine using  the SA9105E and install it in the frame aligning the transaxle with the engine using two threaded 10 mm x 6 in. long guide pins in the lower attachment holes. Remove the 4 in. x 4 in. x 6 in. wood block if used, from under transaxle.
  4. Tighten

    1. Tighten the lower transaxle bolts to 130 N·m (96 lb ft).
    2. Tighten the upper transaxle bolts to 90 N·m (66 lb ft).
    3. Tighten the stiffening bracket-to-engine/transaxle to 54 N·m (40 lb ft).
  5. Install the front engine mount assembly.
  6. Tighten
    Tighten the front mount-to-engine block to 55 N·m (41 lb ft).


    Object Number: 872481  Size: SH

    Important: Install the torque strut bracket-to-frame nuts, but do not tighten until the upper midrail mount is installed.

  7. Install the engine mount torque strut-to-frame bracket, if removed.
  8. Tighten
    Tighten the engine strut-to-frame bracket and engine strut-to-engine bracket to 70 N·m (52 lb ft).


    Object Number: 873565  Size: SH

    Important: Installation of the wood block prior to the upper engine torque axis mount installation allows the mount to be easily installed without lifting or jacking the powertrain.

  9. Place a 1 in. x 1 in. x 2 in. long block of wood between the torque strut and frame.

  10. Object Number: 873367  Size: SH
  11. Attach the axle shaft and starter bracket.
  12. Tighten

        • Tighten the axle shaft intermediate bracket-to-block to 55 N·m (41 lb ft).
        • Tighten the starter support bracket-to-axle shaft bracket to 30 N·m (22 lb ft).
  13. Position the powertrain and frame on the support dolly. Use two 4 in x 4 in x 36 in blocks of wood to  support the frame.

  14. Object Number: 871460  Size: MH
  15. Carefully lift the powertrain into the chassis and install the 4 frame attachment bolts. Use two 9/16 in x 18 in long guide pins in forward frame holes next to attachment bolts for aligning frame with chassis.
  16. Tighten
    Tighten the frame-to-body to 205 N·m (151 lb ft).

  17. Attach the brake lines to frame and install steering shaft U-joint and bolt.
  18. Tighten
    Tighten the steering shaft U-joint bolt to 47 N·m (35 lb ft).

  19. Install the following sensors, if applicable, and position the electrical harness around the engine and attach the following connectors from under the vehicle:
  20. • Starter solenoid

    Tighten
    Tighten the starter solenoid terminal to 5 N·m (44 lb in).

    • Generator/starter battery positive terminal

    Tighten
    Tighten the generator/starter battery positive terminal to 10 N·m (89 lb in).

    • Oil pressure sending unit

    Tighten
    Tighten the oil pressure sending unit to 45 N·m (33 lb ft).

    • Knock sensor

    Tighten
    Tighten the knock sensor to 25 N·m (19 lb ft).

    • Crankshaft position sensor

    Tighten
    Tighten the crankshaft position sensor 9 N·m (80 lb in).

    • Canister purge solenoid-to-block

    Tighten
    Tighten the canister purge solenoid-to-block to 22 N·m (16 lb ft).

    • Wiring harness (PCM ground)

    Tighten
    Tighten the wiring harness--PCM ground to 10 N·m (89 lb in).

    • Wiring harness to transaxle case/engine block

    Tighten
    Tighten the wiring harness-to-transaxle case/engine block to 25 N·m (18 lb ft).

    • EVO solenoid, if equipped
    • Vehicle speed sensor
    • Attach ABS wheel sensors, if equipped
  21. Install the engine stiffening bracket.
  22. Tighten
    Tighten the engine stiffening bracket to 47 N·m (35 lb ft).

    Notice: Do not bend the front exhaust pipe hanger attached to the engine stiffening bracket when servicing the front exhaust pipe and/or catalytic convertor. Bending the bracket may cause premature failure.

  23. Install new exhaust front pipe/catalytic convertor gaskets and front pipe.
  24. Tighten

        • Tighten the exhaust pipe to manifold to 31 N·m (23 lb ft).
        • Tighten the exhaust pipe bracket to stiffener bracket to 47 N·m (35 lb ft).
        • Tighten the exhaust pipe to support bracket to 31 N·m (23 lb ft).
        • Tighten the exhaust pipe to catalytic converter to 48 N·m (35 lb ft).
  25. Attach the heater, lower radiator, and coolant fill hoses and remove the radiator safety wire/tie straps.
  26. Install the cylinder block coolant drain plug and close the radiator drain.
  27. Tighten
    Tighten the cylinder block drain plugs to 35 N·m (26 lb ft).

  28. Install the knuckle attachment bolts to strut.
  29. Tighten
    Tighten the knuckle attachment bolts-to-strut to 200 N·m (148 lb ft).

  30. Install the brake calipers.
  31. Tighten
    Tighten the brake caliper bolt to 110 N·m (81 lb ft).

  32. Install the shift cables.
  33. Lower the vehicle.
  34. Important: Use new shift cable retainers whenever removed.

  35. Install the clutch hydraulic slave cylinder, damper and shift cables.
  36. Install the automatic transaxle cooler lines.
  37. Tighten
    Tighten the A/C compressor brackets-to-head/block to 25 N·m (19 lb ft).

  38. Install the A/C compressor assembly.
  39. Install the accessory drive belt. Ensure that the belt is properly aligned in the pulley grooves.
  40. Tighten

        • Tighten the A/C compressor-to-front bracket to 54 N·m (40 lb ft).
        • Tighten the A/C compressor-to-rear bracket to 30 N·m (22 lb ft).

    Object Number: 873155  Size: SH

    Notice: To prevent engine front cover and mount damage, the three engine mount to engine front cover nuts must be tightened down uniformly.

  41. Install the 2 engine mounts to midrail bracket nuts first. Next, install the 3 engine mount to front cover nuts. Remove the wood block from under the torque strut after the upper mount assembly is installed.
  42. Tighten

        • Tighten the engine mount-to-front cover nuts to 50 N·m (37 lb ft).
        • Tighten the engine mount-to-midrail bracket nuts to 50 N·m (37 lb ft).
  43. Torque the 2 torque strut bracket-to-frame/nuts.
  44. Tighten
    Tighten the strut bracket-to-frame nuts to 50 N·m (37 lb ft).

  45. Install automatic transaxle torque converter to flexplate bolts and dust cover.
  46. Tighten

        • Tighten the flexplate-to-converter to 70 N·m (52 lb ft).
        • Tighten the transaxle dust cover to 10 N·m (89 lb in).
  47. Install the tires and splash shields.
  48. Tighten
    Tighten the wheel nuts to 140 N·m (103 lb ft).

  49. Attach the following electrical and vacuum connectors where applicable:
  50. • The engine coolant temperature (ECT) sensor
    • The oxygen sensor
    • The idle air control valve (IAC)
    • The injector connectors
    • The ignition coil - 2 connectors
    • The throttle position (TP) sensor
    • The MAP sensor
    • The EGR valve
    • The A/C compressor, if equipped
    • The brake booster hose at intake manifold or booster
    • The ground connectors, located at transaxle attachment studs and rear side of block above starter.
  51. Attach the automatic transaxle connectors:
  52. • Neutral safety/selector switch - 3 connectors
    • PRNDL switch - two connectors
    • Valve body actuator connector
    • Transaxle turbine speed sensor
    • Back-up light switch, manual transaxle
    • Temperature sensor

    Object Number: 872245  Size: SH

    Caution: Whenever fuel line connectors are disconnected, lubricate steel line male ends with clean engine oil. Holding the steel line, firmly press on the female coupler until a click is heard, then pull back to confirm engagement. Make sure the fuel line connects are fully seated. Pinched, kinked, or damaged fuel lines must be replaced.

  53. Install the accelerator cable and attach fuel supply and return line quick connector.
  54. Install the upper radiator and deaeration hoses.
  55. Important: Check the upper cooling module grommets for binding or misalignment. The cooling module retaining pins MUST BE centered in the grommets supported by the L brackets. If the grommets are pinched, loosen the L brackets and reposition them.

    Important: Tighten the L bracket fasteners and check the cooling module for freedom of movement. IT IS EXTREMELY IMPORTANT THAT THE COOLING MODULE BE ABLE TO MOVE FREELY.

  56. Install the air induction system, PCV valve and fresh air hoses. Refer to Induction System section in this service manual for air induction assembly procedures.
  57. Install the battery cables, positive cable first.
  58. Tighten
    Tighten the battery terminal bolts to 17 N·m (13 lb ft).

  59. Check oil pan drain plug and fill engine with new oil.
  60. Tighten
    Tighten the oil pan drain plug to 37 N·m (27 lb ft).

  61. Reset the "Change Oil Soon" telltale lamp. Refer to "Resetting Change Oil Soon Telltale Lamp" in Lubrication .
  62. Fill with coolant. Use only a non-phosphate ethylene glycol-based antifreeze.
  63. Important: The vehicle must be level when filling with coolant.

  64. Prime the fuel system:
  65. 36.1. Cycle the ignition ON for 5 seconds and then OFF for 10 seconds.
    36.2. Repeat step 35.1 twice.
    36.3. Crank the engine until it starts, maximum starter motor cranking time is 20 seconds.
    36.4. If engine does not start, repeat steps 35.1-35.3 .
  66. Start the engine and check for leaks.
  67. Perform a 3 mile road test.
  68. Fill the cooling system surge bottle to the FULL COLD line and check for leaks after the engine has been tested.