GM Service Manual Online
For 1990-2009 cars only
Figure 1:

Case and Internal Components


Object Number: 890156  Size: FP
(1) Bearing Assembly - Input Shaft
(2)Washer - 4th Gear
(3)Gear - 4th Gear
(4)Ring - 4th Gear Synchronizer Blocker
(5) Spring - 4th Gear Sychronizer
(6) Bearing Assembly - 4th Gear
(7)Race - 4th Gear Bearing
(8)Synchronizer Assembly - 3rd/4th
(9)Spring - 3rd Gear Synchronizer
(10)Ring - 3rd Gear Synchronizer Blocker
(11)Gear - 3rd Drive
(12)Bearing Assembly - 3rd Gear
(13) Shaft - Input
(14)Indicator Assembly -- Manual Transaxle Oil Level
(15)Pin - Shaft Housing Case Hollow Dowel
(16)Stud/Bolt - Transfer Case/Housing
(17)Ring - Bearing Retainer
(18)Washer - 5th Drive Gear Thrust
(19)Race - 5th Drive Gear Bearing
(20)Bearing Assembly - 5th Gear
(21) Gear - 5th Drive
(22)Ring - 5th Gear Synchronizer Blocker
(23)Spring - 5th Gear Synchronizer
(24)Synchronizer Assembly - 5th & Rev Gear
(25)Spring - Rev Gear Synchronizer
(26)Ring - Rev Gear Synchronizer Blocker
(27)Cone - Rev Brake
(28)Washer - Rev Cone Thrust
(29) Nut - Input Shaft
(30)Gasket - Rear Cover
(31)Cover Assembly -- Trans (Rear)
(32)Bolt/Screw - Trans Cover
(33) Nut - Output Shaft
(34)Gear - 5th Driven
(35)Retainer - Ring Axle Seal
(36)Seal Assembly - Front Wheel Drive Shaft (Case)
(37)Ring - Differential
(38)Bolt/Screw - Transfer Case/Housing
(39)Case - Trans
(40)Shaft - Output 4.06 Ratio
(41)Bearing Assembly - 1st Gear Thrust
(42)Bearing Assembly - 1st Gear
(43)Gear Assembly - 1st Driven
(44)Ring 1st Gear Synchronizer Blocker
(45) Spring - 1st Gear Synchronizer
(46) Synchronizer Assembly - 1st/2nd & Rev Output
(47)Spring - 2nd Gear Synchronizer
(48)Ring - 2nd Gear Synchronizer Blocker
(49)Race - 2nd Gear Bearing
(50)Bearing Assembly - 2nd Gear
(51)Gear Kit - 2nd Driven
(52)Gear - 3rd & 4th Driven
(53)Bearing Assembly - Output Shaft
(57)Gasket Kit - Manual Transaxle
(59)Ring - Output Shaft Bearing Assembly Retainer
(60) Bearing Assembly - Output Shaft
(61)Plate - Oil Baffle
(62)Gear Assembly - Rev Idler
(63)Washer - Rev Idler Thrust
(64)Shaft - Rev Idler Gear
(65)Pin - Rev Idler Gear Shaft
Figure 2:

Output Shaft -- Component Locations


Object Number: 890155  Size: FP
(1)Output Shaft
(2)1st Gear Thrust Washer
(3)1st Gear Bearing
(4)1st Driven Gear
(5)1st Gear Blocker Ring
(6)Synchronizer Spring
(7)1st/2nd Synchronizer Hub
(8)1st/2nd Synchronizer Sleeve
(9)2nd Gear Synchronizer Spring
(10)2nd Gear Synchronizer Blocker Ring
(11)2nd Gear Bearing Race
(12)2nd Gear Bearing
(13)2nd Driven Gear
(14)3rd/4th Driven Gear
(15)Output Shaft Bearing
Figure 3:

Input Shaft -- Component Locations


Object Number: 890154  Size: FP
(1) Input Shaft
(2) 3rd Drive Gear Bearing
(3) 3rd Drive Gear
(4) 3rd Gear Blocker Ring
(5) 3rd Gear Synchronizer Spring
(6) 3rd/4th Synchronizer Hub
(7) 3rd/4th Synchronizer Sleeve
(8) 4th Drive Gear Bearing
(9) Drive Gear Bearing
(10) Gear Synchronizer Spring
(11) 4th Gear Blocker Ring
(12) 4th Gear Blocker Ring
(13) 4th Drive Gear
(14) 4th Drive Gear Thrust Washer
(15) 5th Drive Gear Thrust Washer
(16) 5th Drive Gear Inner Race
Figure 4:

Shifter Forks, Control Housing & Components -- Component


Object Number: 890158  Size: FP
(1)Switch Assembly - Back Up Lamp
(2)Bolt/Screw - Shift Housing (to case)
(4)Gasket - Shift Housing Assembly
(6)Shaft - Shaft Fork
(7)Clip - 5th/Rev Actuator Return
(8)Fork - 1st & 2nd Shift
(9)Insert - 1st & 2nd Shift Fork
(10)Ring 5th/Rev Shift Fork Return
(11)Fork - 5th & Rev Shift Fork
(12)Insert - 5th & Rev Shift Fork
(13)Insert - 3rd & 4th Shift Fork
(14)Bushing - 3rd & 4th Shift Shaft
(15)Bushing - 1st & 2nd Shift Shaft
(16)Fork - 3rd & 4th Shift
(17)Actuator - 5th/Rev
(18)Bolt/Screw - Rev Lever Assembly
(19)Lever Assembly - Rev Shift
(20)Housing Assembly - Shift Controller
(21)Gasket Kit - Manual Transaxle
(22)Hose Assembly - Shift Tower Vent
Figure 5:

Differential Assembly -- Component Locations


Object Number: 885047  Size: FP
(1) Differential Assembly - Case & Ring Gear
(2) Bearing Assembly - Differential
(3) Case Assembly - Differential
(4)Pin - Differential Shaft Lock
(6) Liner - Differential Gear Thrust
(7)Gear - Differential Pinion
(8)Gear - Differential Side
(9)Shaft - Differential Pinion Gear
(10)
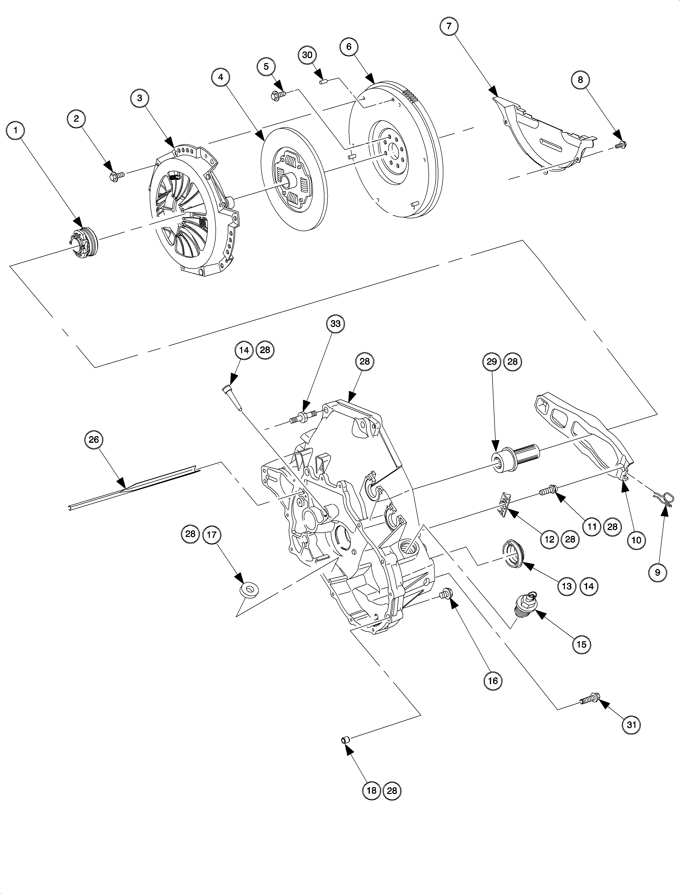
Figure 6:

Clutch Housing & Clutch Components -- Component Locations


Object Number: 890161  Size: FP
(1)Bearing Assembly - Clutch Release
(2)Bolt/Screw - Clutch Press Plate
(3)Cover Assembly - Clutch Press
(4)Disc Assembly - Clutch Driven
(5)Bolt/Screw - Flywheel
(6)Flywheel Assembly
(7)Cover Assembly - Flywheel Housing
(8)Bolt/Screw - Flywheel Housing Cover
(9)Retainer - Clutch Fork
(10)Fork - Clutch
(11)Stud - Clutch Fork Ball
(12)Stabilizer - Clutch Fork
(13)Seal Assembly - Front Wheel Drive Shaft (Housing)
(14)Gasket Kit - Manual Transaxle
(15)Sensor Assembly - Vehicle Speed
(16)Plug Assembly - Trans Fluid Drain
(17)Magnet - Transaxle
(18)Pin - Case to Housing Hollow Dowel
(26)Trough - Manual Trans Oil
(28)Housing Assembly - Clutch
(29)Bearing Assembly - Input Shaft
(30)Pin - Clutch Cover Dowel
(31)Bolt/Screw - Engine/Trans
(33) Stud/Bolt - Trans Case/Housing
(33)Stud/Bolt - Trans Case/Housing