GM Service Manual Online
For 1990-2009 cars only

Tools Required

    • SA9105E Engine Support Bar Assembly
    • SA91112T Axle Seal Protector
    • SA9132S Lower control Arm Ball Stud Separator

Removal Procedure


    Object Number: 870530  Size: SH

    Caution: Ensure that the vehicle is properly supported and squarely positioned. To help avoid personal injury when a vehicle is on a hoist, provide additional support for the vehicle on the opposite end from which the components are being removed.

  1. Position the vehicle on a hoist.

  2. Object Number: 865479  Size: SH
  3. Remove the air cleaner and duct assembly. Refer to Floor Air Outlet Replacement .
  4. Caution: Refer to Battery Disconnect Caution in the Preface section.


    Object Number: 863525  Size: SH
  5. Disconnect the negative battery cable from battery.
  6. Disconnect the positive battery cable from battery.

  7. Remove the hold-down retaining nut and screws, and lift off battery hold-down retainer.
  8. Lift the battery out of vehicle, and place in a safe location.

  9. Object Number: 863527  Size: SH

    Important: The PCM J1 (black 80-way) harness connector does not need to be disconnected.

  10. Disconnect the PCM J2 (black 28-way) harness connector by moving locking device outward toward fender.
  11. Remove the PCM attachment bolts and move PCM out of way.
  12. Remove the battery tray bolts and tray.
  13. One bolt is located in the fender well.


    Object Number: 864715  Size: SH
  14. Remove the transaxle strut-to-midrail bracket fastener.
  15. Loosen the transaxle strut to transaxle bracket fastener and flip the transaxle strut out of the way.

  16. Object Number: 890024  Size: SH
  17. Disconnect all electrical connectors from the transaxle.
  18. • Back-up lamp switch
    • Vehicle speed sensor
    • Two ground terminals from top 2 clutch housing bolts
  19. Remove the vent tube retaining clip if equipped.

  20. Object Number: 863845  Size: SH
  21. Remove the top 2 clutch housing-to-engine bolts. Automatic shown, manual similar.

  22. Object Number: 862444  Size: SH

    Important: Note which spark plug wire is removed from which coil tower. The spark plug wires must be connected to the correct coil towers.

  23. Disconnect the spark plug wires from coil towers.
  24. Disconnect the electrical connectors at the electronic ignition module.
  25. Remove the bolts from electronic ignition module. Remove electronic ignition module.

  26. Object Number: 890060  Size: SH
  27. Remove the shifter cables from shift arms and from clutch housing. Use care not to damage cable boot.

  28. Object Number: 890038  Size: SH

    Important: Prior to removing the slave cylinder from the clutch housing, make sure that the clutch hydraulic system has sufficient fluid. Refer to the Clutch Hydraulic System Fluid Level Check.

  29. Rotate the clutch slave cylinder 1/4 turn counterclockwise while pushing into the clutch housing. Remove the cylinder from the housing.
  30. Remove the two clutch hydraulic dampener to clutch housing fasteners. Wire the actuator cylinder and the dampener to the upper radiator hose.

  31. Object Number: 889973  Size: SH
  32. Wire the radiator to the upper radiator support to hold the radiator in place when frame is removed.

  33. Object Number: 863864  Size: SH

    Important: The two cross bars on the engine support have 2 settings, 1 for the SOHC (L24) (1) and 1 for the DOHC (LL0) (2) engine. The setting locations are marked on the bars as shown.

  34. Install the SA9105E .

  35. Object Number: 863869  Size: SH
  36. Place the engine support bar in vehicle as shown. Place the support bar feet on the outer edge of the shock tower.

  37. Object Number: 865692  Size: SF
  38. Connect the bar hooks to engine support brackets.
  39. Position the stabilizer foot on engine block to the right of the engine oil dipstick.
  40. Adjust the hooks and stabilizer to remove looseness.

  41. Object Number: 890040  Size: SH

    Caution: Ensure that the vehicle is properly supported and squarely positioned. To help avoid personal injury when a vehicle is on a hoist, provide additional support for the vehicle on the opposite end from which the components are being removed.

  42. Raise the vehicle and drain transaxle fluid.

  43. Object Number: 860035  Size: SH
  44. Remove the front wheels.
  45. Remove the left and right front inner fender splash shields.

  46. Object Number: 860205  Size: SH
  47. Remove the front engine splash shield from the vehicle.

  48. Object Number: 859933  Size: SH
  49. Remove the engine strut frame bracket-to-frame fasteners.

  50. Object Number: 859973  Size: SH
  51. Remove the transaxle mount-to-frame fastener.

  52. Object Number: 865433  Size: SH
  53. Remove the front exhaust pipe-to-manifold fasteners.

  54. Object Number: 862045  Size: SH
  55. Remove the front exhaust pipe-to-catalytic converter nuts.

  56. Object Number: 872635  Size: SH
  57. Remove the exhaust pipe support bracket-to-exhaust pipe fasteners.
  58. Remove the front exhaust pipe from the vehicle.

  59. Object Number: 890109  Size: SH
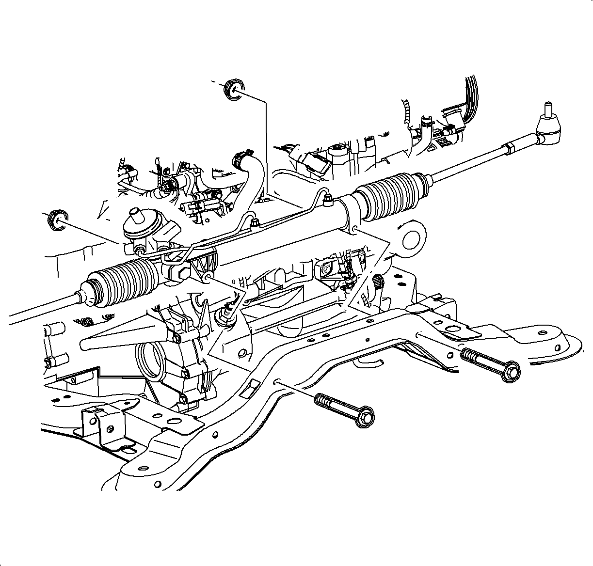
  60. Remove the steering gear to frame fasteners. Power steering gear shown, manual steering gear similar.
  61. Support the steering gear with safety wire.

  62. Object Number: 860257  Size: SH
  63. Remove the brake pipe bracket push pin at rear of frame.

  64. Object Number: 865765  Size: SH
  65. Remove the engine to transaxle stiffening brace bolts and remove the brace.

  66. Object Number: 865672  Size: SH
  67. Remove the dust cover to clutch housing bolts and remove the dust cover.

  68. Object Number: 859109  Size: SH
  69. Remove the cotter pin from lower ball joints and discard. Loosen nut and back off until top of nut is even with top of threads.
  70. Repeat for the opposite side.


    Object Number: 871526  Size: SH

    Notice: On ABS equipped vehicles, the outer CV joint has a speed sensor ring. Using the incorrect tool or procedure to separate the control arm from the knuckle can damage the ring, resulting in a loss of ABS operation.

    Notice: Do not attempt to separate the joint using a wedge-type tool because seal may be damaged.

    Important: It will be necessary to pull down on lower control arm to remove castle nut.

  71. Separate the ball joint from lower control arm using the SA9132S and remove the nut.
  72. Repeat for the opposite side.

  73. Object Number: 864656  Size: SH

    Notice: Do not allow screwdriver to contact axle seal or damage to the seal may occur.

  74. Separate the left side axle from the transaxle using a large screwdriver or appropriate pry bar.
  75. Remove the axle only part way and install SA9112T . Use the seal protector that was previously used or open up the protector at split line and install around axle and into seal. This will protect the seal from being cut by the shaft spline.
  76. Separate the right side axle from the intermediate shaft.

  77. Object Number: 863211  Size: SH
  78. On DOHC (LL0) vehicles, remove the intake bracket to intake manifold bolt.
  79. Remove the intake bracket to intermediate shaft support bolt, and remove the support bracket.
  80. Remove the 2 intermediate shaft to the engine block bolts.
  81. Carefully slide the intermediate shaft out of the transaxle.

  82. Object Number: 870983  Size: MH
  83. Use the powertrain support dolly and two 4 in x 4 in x 36 in pieces of lumber to support the frame on the dolly.

  84. Object Number: 864658  Size: SH

    Important: Carefully lower the frame from the vehicle with the powertrain support dolly.

  85. Remove the 4 frame-to-body bolts.

  86. Object Number: 865773  Size: MF
  87. Support the transaxle securely with a jack.
  88. Remove the 2 bottom clutch housing to engine bolts, and install the guide bolt into bottom rear clutch housing bolt hole.
  89. Separate the transaxle from the engine and lower the transaxle.

Installation Procedure

    Important: When reinstalling the transaxle, tap out the ignition module mounting holes prior to installing the transaxle.

  1. Place the transaxle securely on jack and position it under the vehicle.
  2. Install the axle seal protector into seals on both sides; use the SA91112T .
  3. Place the transaxle in any gear.
  4. Raise the transaxle into vehicle to align input shaft to the center of the clutch. Guide the transaxle into position, rotate back and forth to align input shaft splines to the clutch disc.

  5. Object Number: 865773  Size: MF
  6. Install the 2 lower clutch housing to engine bolts.
  7. Tighten
    Tighten the clutch housing-to-engine bolts to 140 N·m (103 lb ft)


    Object Number: 864701  Size: SH
  8. Remove the transaxle jack.
  9. Install the SA91112T inside seal on the transaxle case for left side seal.
  10. Notice: Use caution not to damage axle seal when intermediate shaft is installed into transaxle.

  11. Install the left axle into transaxle.
  12. After the splines clear the seal protector but before snapping the axle into place, remove the seal protector tool.
  13. Install the SA91112T inside the seal on clutch housing for right side seal. Left side shown, right side similar.

  14. Object Number: 863211  Size: SH

    Notice: Use caution not to damage axle seal when intermediate shaft is installed into transaxle.

  15. Install the intermediate shaft into the transaxle.
  16. After the splines clear the seal protector but before snapping the axle into place, remove the seal protector tool.
  17. Position the intermediate shaft support and install the 2 bolts.
  18. Tighten
    Tighten the intermediate shaft support bracket-to-engine bolts to 54 N·m (40 lb ft).

  19. Install the starter bracket to intermediate shaft bolt, if removed.
  20. Tighten
    Tighten the intake manifold support bracket-to-intake manifold bolt (LLO) to 30 N·m (22 lb ft).

  21. On DOHC (LL0) vehicles, position the intake manifold support bracket and install the intake bracket to the intake manifold bolt.
  22. Tighten
    Tighten the intake manifold support bracket-to-intake manifold bolt (LLO) to 30 N·m (22 lb ft).

  23. Install the intake bracket to intermediate shaft support bolt.
  24. Tighten
    Tighten the intake manifold support bracket-to-intermediate shaft support bracket nut (LLO) to 54 N·m (40 lb ft).

  25. Install the right axle to the intermediate shaft.

  26. Object Number: 870983  Size: MH
  27. Clean and lubricate the ball joint threads.
  28. Notice: Make sure that the following parts are correctly positioned when raising frame into vehicle:

       • Lower corner arm ball studs to knuckle.
       • Cooling module support grommets.
       • Engine strut frame bracket.
       • Transaxle mount.

  29. Place the frame on a lift and raise it to the vehicle and place the lower ball joint into the knuckles when raising the frame up.

  30. Object Number: 861125  Size: SH

    Important: Frame-to-body guide pins must be used to maintain proper alignment. Insert using 9/16 in. round steel rod for alignment pins. Alignment holes are at both front frame mounting locations. Mount studs must be guided into holes in frame as frame is installed.

  31. Install the 2 rear frame-to-body fasteners.
  32. Important: Do not tighten the fasteners at this time.

  33. Position the frame-to-body at the 2 front frame-to-body fasteners.
  34. Tighten the four frame-to-body fasteners.
  35. Tighten
    Tighten the frame-to-body bolts to 210 N·m (155 lb ft).

  36. Remove the powertrain support dolly.

  37. Object Number: 862136  Size: SH
  38. Lower the vehicle and remove the SA9105E .

  39. Object Number: 859961  Size: SH
  40. Install the transaxle strut, transaxle bracket-to-transaxle bolts, if removed.
  41. Tighten
    Tighten the transaxle strut bracket-to-case bolts to 54 N·m (40 lb ft).


    Object Number: 864715  Size: SH
  42. Install transaxle strut-to-midrail bracket fastener.
  43. Tighten
    Tighten the transaxle strut-to-midrail bracket fastener to 50 N·m (37 lb ft).

  44. Tighten the transaxle strut-to-transaxle bracket fastener, if removed.
  45. Tighten
    Tighten the transaxle strut-to-transaxle bracket bolt to 70 N·m (52 lb ft).

  46. Remove the cooling module support wire.
  47. Important: Run a tap through ignition module mounting holes in transaxle to remove any thread sealant residue.

    Tap size 6 x 1.0 mm.

  48. Inspect the electronic ignition module bolts to make sure mating surfaces are free from grit and dirt. If using new bolts, make sure they are coated with yellow thread sealant. Otherwise apply RTV sealant P/N 21006236 to the bolt threads.
  49. Notice: Use extreme care when installing the electronic ignition module bolts make sure the bolt head is seated on the electronic ignition module when the torque specification is reached. If the bolt head is not seated on the electronic ignition module, remove the bolt and tap the hole to clean any debris from the threads.

  50. Install the electronic ignition module and bolts. Automatic transaxle shown, manual transaxle similar.
  51. Tighten
    Tighten the electronic ignition module and bolts to 8 N·m (71 lb in).


    Object Number: 863845  Size: SH
  52. Install the top 2 clutch housing to engine studs. Automatic transaxle shown, manual transaxle similar.
  53. Tighten
    Tighten the transaxle-to-engine studs to 100 N·m (74 lb ft).


    Object Number: 890058  Size: SH
  54. Connect the electrical connectors to the transaxle.
  55. • The vehicle speed sensor
    • The back-up lamp switch
    • The 2 ground terminals to the top 2 clutch housing studs

    Tighten
    Tighten the ground terminal-to-top clutch housing studs to 25 N·m (18 lb ft).

    • Install the vent hose clip to housing if equipped.

    Object Number: 890060  Size: SH
  56. Connect the shifter cables to shift arms and clutch housing. Install the cable retainers.

  57. Object Number: 890038  Size: SH
  58. Unwire the clutch hydraulic system from the upper radiator hose. Install the 2 clutch hydraulic system to the clutch housing nuts.
  59. Tighten
    Tighten the clutch hydraulic damper bracket-to-case studs at 25 N·m (18 lb ft).

  60. Install the actuator into clutch housing. Push in and rotate 1/4 turn clockwise. Install the retaining clip.
  61. Check the master cylinder at front of the dash connection to be sure it is locked in place.

  62. Object Number: 863527  Size: SH
  63. Install the battery tray and bolt in the fender well (1).
  64. Tighten
    Tighten the battery tray-to-frame rail bolts to 10 N·m (89 lb in).

  65. Install the PCM and the PCM attachment bolts.
  66. Tighten
    Tighten the PCM-to-battery tray bolts at 6 N·m (53 lb in)

  67. Reconnect the PCM J2 (black 28-way) harness connector.

  68. Object Number: 863525  Size: SH
  69. Make sure the battery tray is clean.
  70. Make sure that the battery cable ends are clean and free of corrosion. Clean with a wire brush.
  71. Make sure that the battery is in good physical condition, e.g., no cracks, or obvious damage, and that the terminals are clean.
  72. Install the battery carefully in the battery tray, make sure that the terminals do not short against any metal during the installation.
  73. Install the battery hold-down retainer, locking the battery into the tray. Install and tighten the hold-down retainer nut and screws.
  74. Tighten
    Tighten the battery hold down-to-battery tray fasteners to 9 N·m (80 lb in).


    Object Number: 865479  Size: SH
  75. Install the air cleaner housing and duct assembly. Refer to Floor Air Outlet Replacement .
  76. Connect the intake air temperature (IAT) sensor connector.

  77. Object Number: 859973  Size: SH

    Caution: Ensure that the vehicle is properly supported and squarely positioned. To help avoid personal injury when a vehicle is on a hoist, provide additional support for the vehicle on the opposite end from which the components are being removed.

  78. Raise the vehicle on a hoist.
  79. Install the transaxle lower mount-to-frame fastener.
  80. Tighten
    Tighten the transaxle mount-to-frame nut to 50 N·m (37 lb ft).


    Object Number: 859933  Size: SH

    Important: To ensure proper powertrain alignment, make sure that all other mounts have been torqued.

  81. Install the two engine strut frame bracket-to-frame fasteners.
  82. Tighten
    Tighten the engine strut bracket-to-frame nuts to 50 N·m (37 lb ft).


    Object Number: 860964  Size: SH
  83. Remove the steering gear support wire.
  84. Install the steering gear-to-frame attachment fasteners. Power steering gear shown, manual steering gear similar.
  85. Tighten
    Tighten the steering gear-to-frame bolt and nut to 50 N·m (37 lb ft).


    Object Number: 860257  Size: SH
  86. Connect the brake pipe-to-frame retainer.

  87. Object Number: 865672  Size: SH
  88. Install the flywheel housing cover to clutch housing bolts.
  89. Tighten
    Tighten the flywheel housing cover-to-clutch housing bolts to 11 N·m (8 lb ft).


    Object Number: 865765  Size: SH
  90. Install the engine to transaxle stiffening brace and install the brace to engine and transaxle bolts.
  91. Tighten
    Tighten the engine-to-transaxle stiffening brace bolts 54 N·m (40 lb ft).


    Object Number: 865433  Size: SH
  92. Position the exhaust manifold pipe into vehicle.
  93. Install the exhaust manifold pipe-to-exhaust manifold fasteners and tighten.
  94. Tighten
    Tighten the exhaust manifold pipe-to-exhaust manifold nuts to 31 N·m (23 lb ft).


    Object Number: 862045  Size: SH
  95. Install the intermediate exhaust pipe-to-three way catalytic converter flange fasteners.
  96. Tighten
    Tighten the catalytic converter-to-intermediate exhaust pipe nuts to 25 N·m (18 lb ft).


    Object Number: 865465  Size: SH
  97. Clamp the support to the engine stiffening bracket.
  98. Tighten
    Tighten the front exhaust pipe hanger-to-powertrain stiffening brackets bolts 30 N·m (22 lb ft).

  99. Clamp the support to the front exhaust pipe.
  100. Tighten
    Tighten the front exhaust pipe hanger strap clamp to 60 N·m (44 lb ft).


    Object Number: 859109  Size: SH

    Important: After torquing, if necessary, tighten nut additionally to align slot in the nut with the cotter pin hole in the ball joint. Install the cotter pin.

  101. Install the nut to lower ball joint.
  102. Tighten
    Tighten the front lower control arm ball stud-to-steering knuckle nut to 75 N·m (55 lb ft).


    Object Number: 860035  Size: SH
  103. Install the right side, left side, and front splash shield to the frame fasteners.
  104. On Coupes, install the right and left lower fascia support to the frame J-nuts.
  105. Tighten
    Tighten the fascia support-to-frame fasteners to 10 N·m (89 lb in).

    Notice: Before installing wheels, remove rust or corrosion from wheel mounting surfaces and brake rotors/drums. Failure to do so can cause wheel nuts to loosen in service.

  106. Position the wheels onto hubs.
  107. Install the wheel nuts and tighten in a crisscross pattern. Repeat the tightening pattern to be sure torque is correct.
  108. Tighten
    Tighten the wheel lug nuts, in crisscross pattern, to 140 N·m (103 lb ft).

  109. Install the drain plug.
  110. Tighten
    Tighten the transaxle drain plug to 30 N·m (22 lb ft).

    Important: Clean and lubricate fastener with Saturn Transaxle Fluid. Wipe off excess fluid and install.

  111. Fill the transaxle to proper level using Saturn Transaxle Fluid.
  112. Specification
    Saturn Transaxle Fluid: 2.5 L (2.6 qt.)

  113. Install the positive battery cable first.
  114. Tighten
    Tighten the battery terminal bolts to 17 N·m (13 lb ft).

    Important: Attach the positive then negative terminal.

  115. Install the negative battery cable last.
  116. Tighten
    Tighten the battery terminal bolts to 17 N·m (13 lb ft).

  117. Perform the vehicle alignment. Refer to alignment procedures in the Chassis Service Manual.