GM Service Manual Online
For 1990-2009 cars only
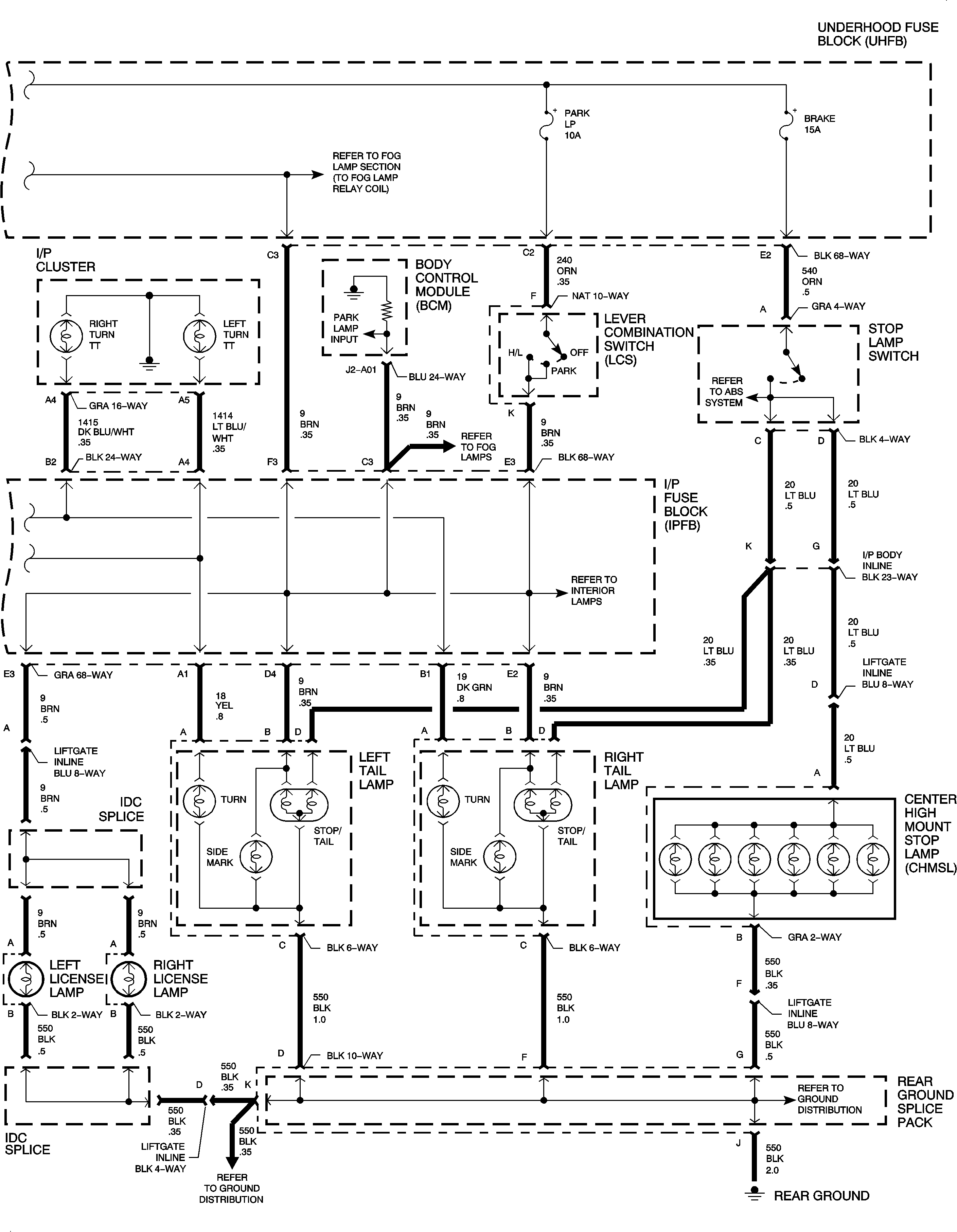
Figure 1:

Common


Object Number: 875348  Size: FP
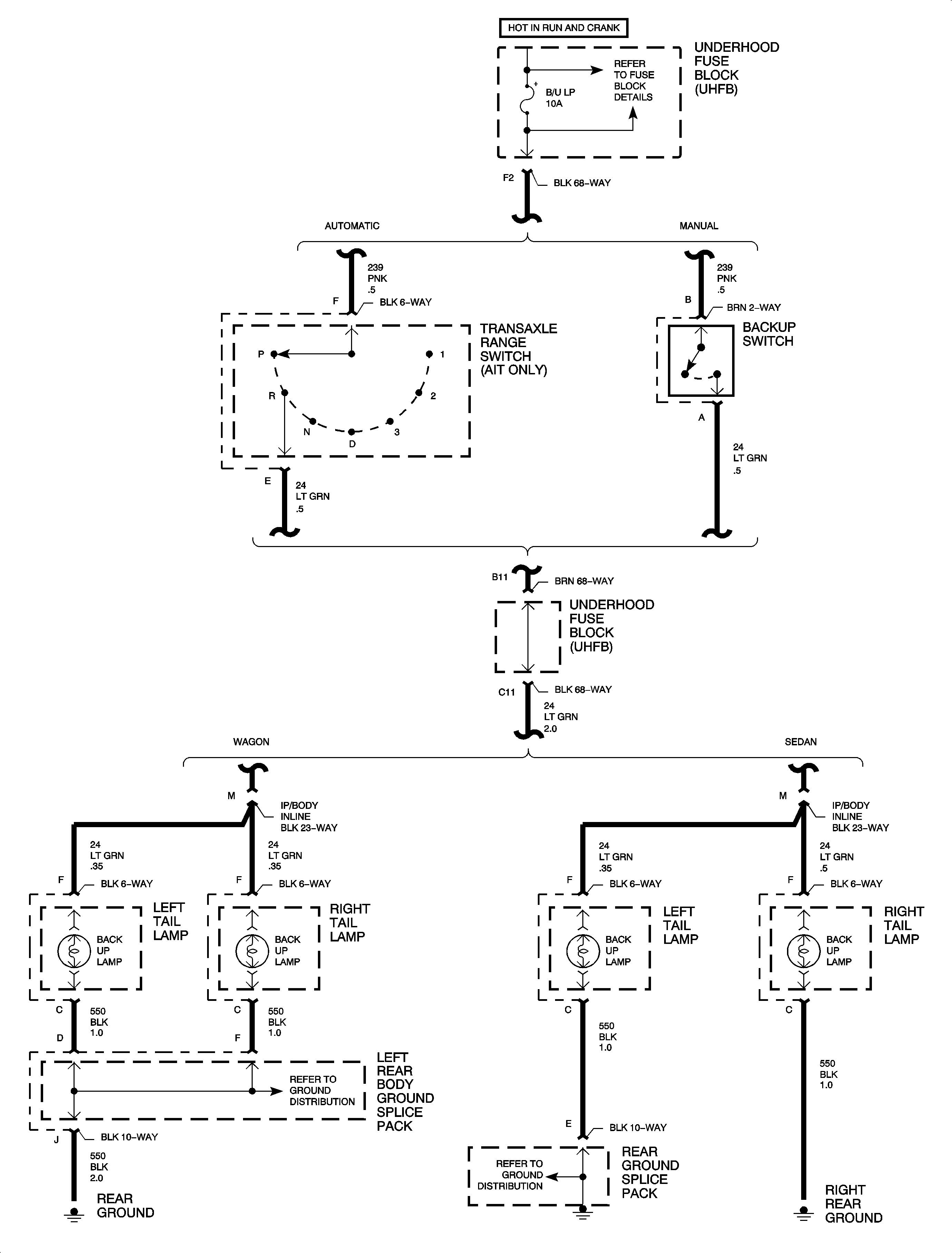
Figure 2:

Coupe


Object Number: 875355  Size: FP
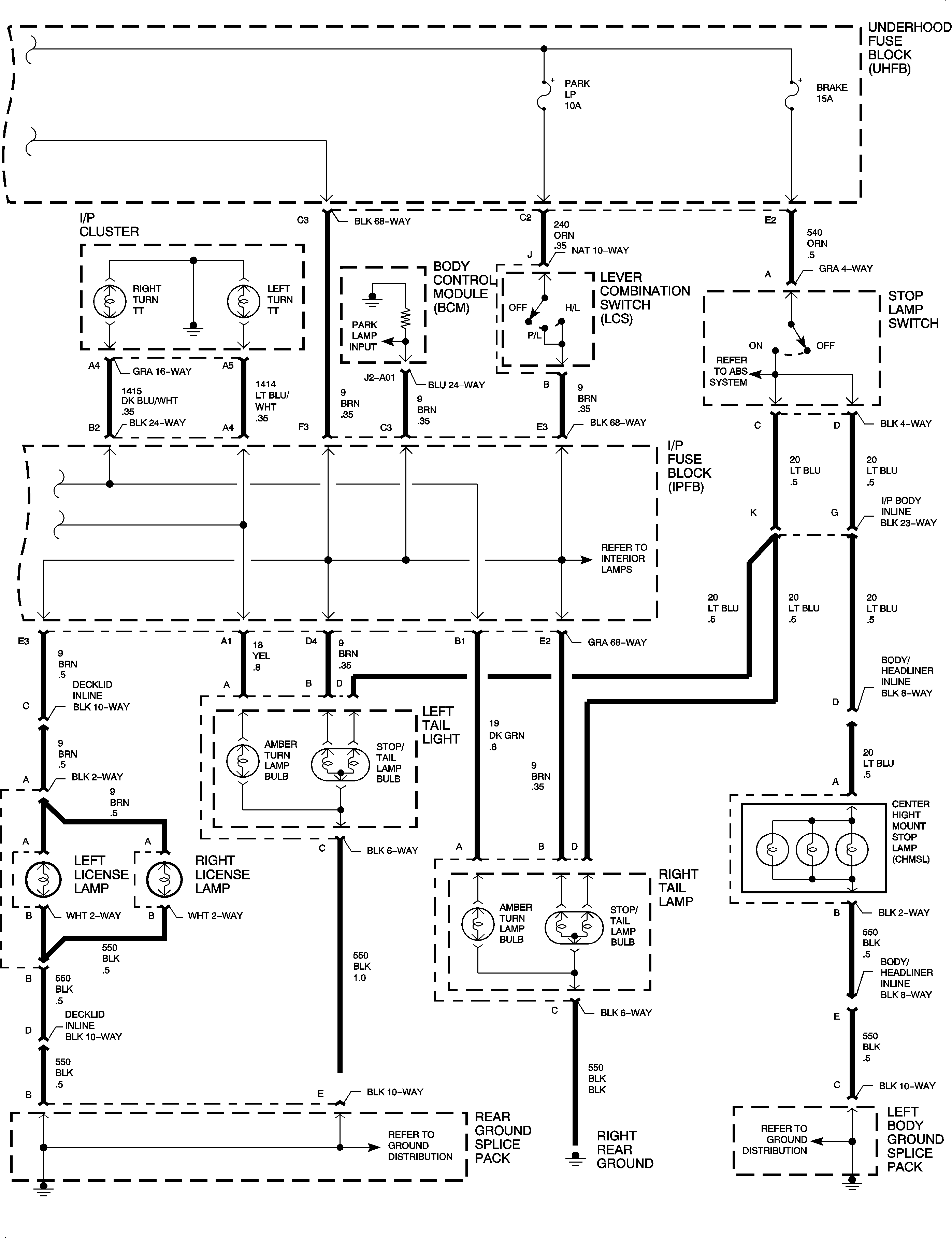
Figure 3:

Sedan


Object Number: 875350  Size: FP
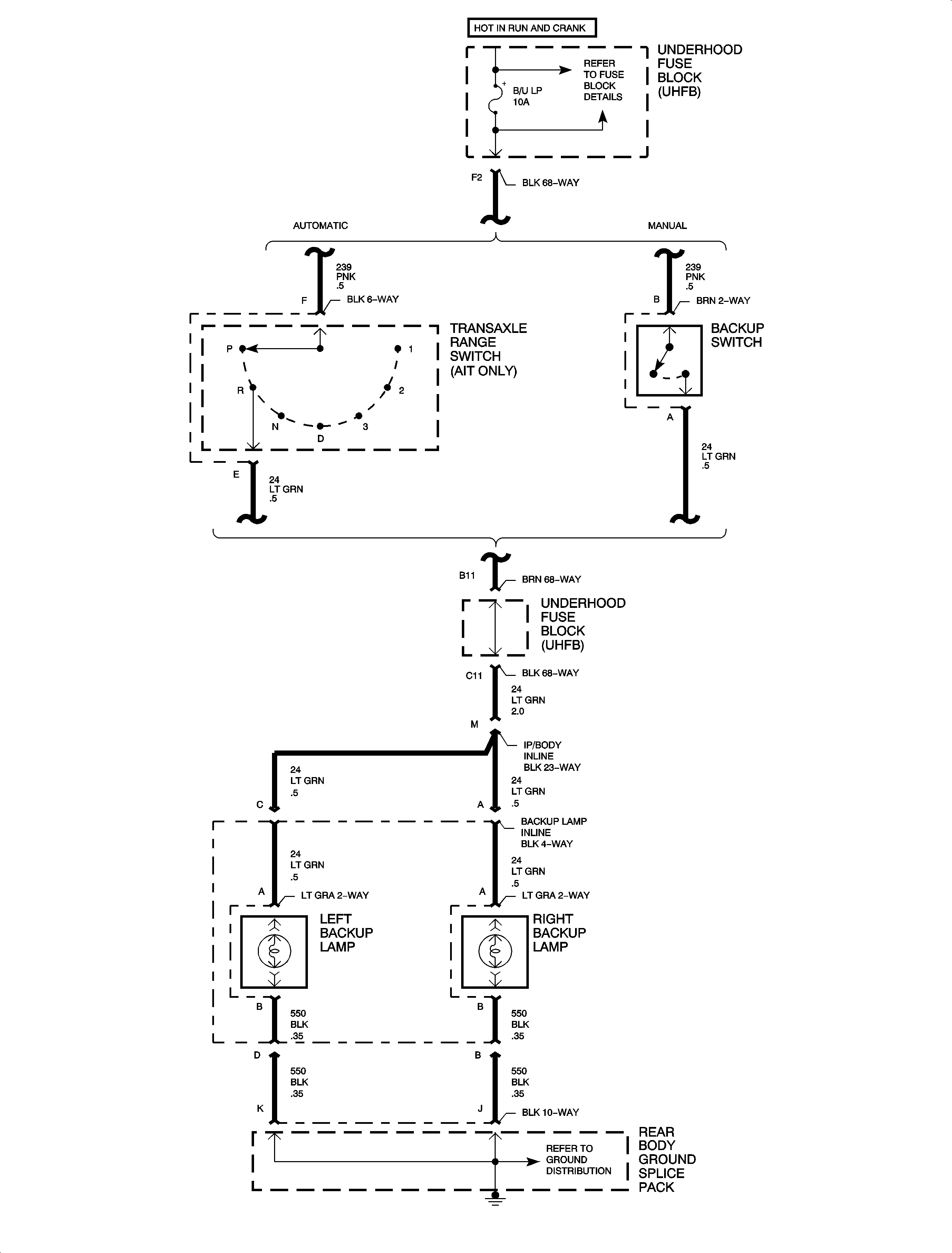
Figure 4:

Back-up Lamps - Sedan/Wagon


Object Number: 875286  Size: FP
Figure 5:

Back-up Lamps - Coupe


Object Number: 875289  Size: FP