GM Service Manual Online
For 1990-2009 cars only
Makes
🢒
Saturn
🢒
2001
🢒
SL2/SC2/SW2
🢒
Body and Accessories
🢒
Cruise Control
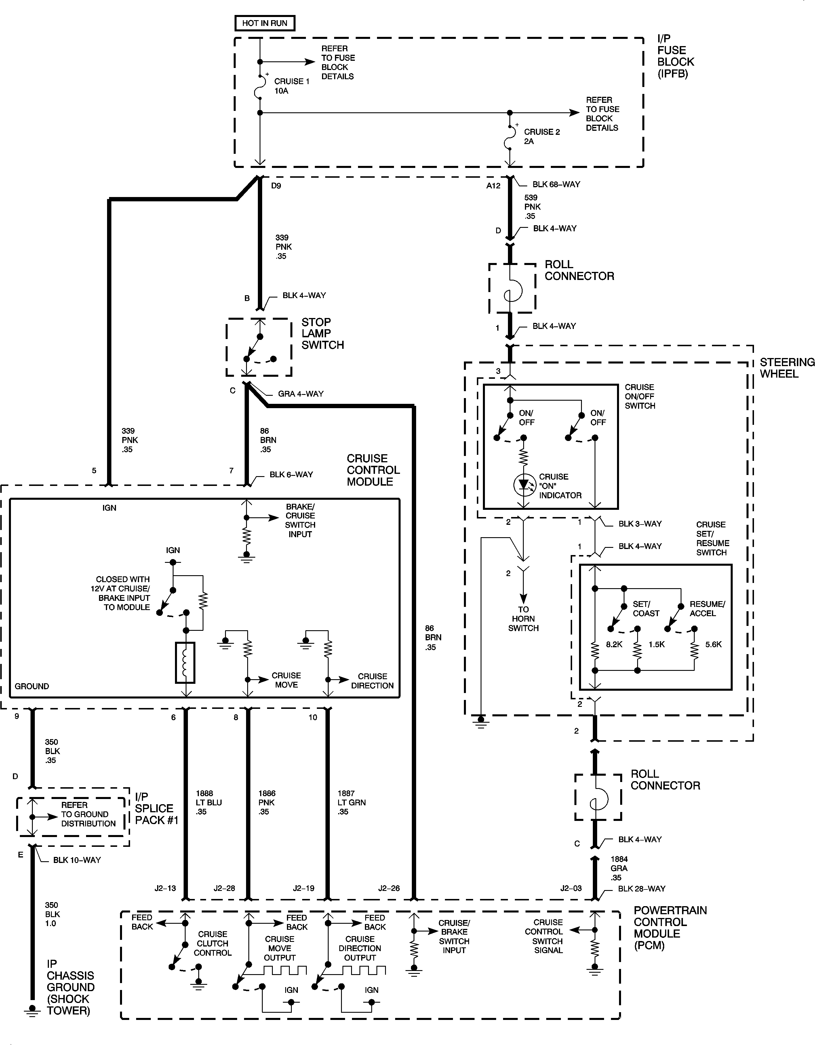
🢒 Cruise Control Schematics