| 1.1. | Install the Saturn emblem. |
| 1.2. | Install the hood bumper and antiflutter foam to the fender upper flange. |
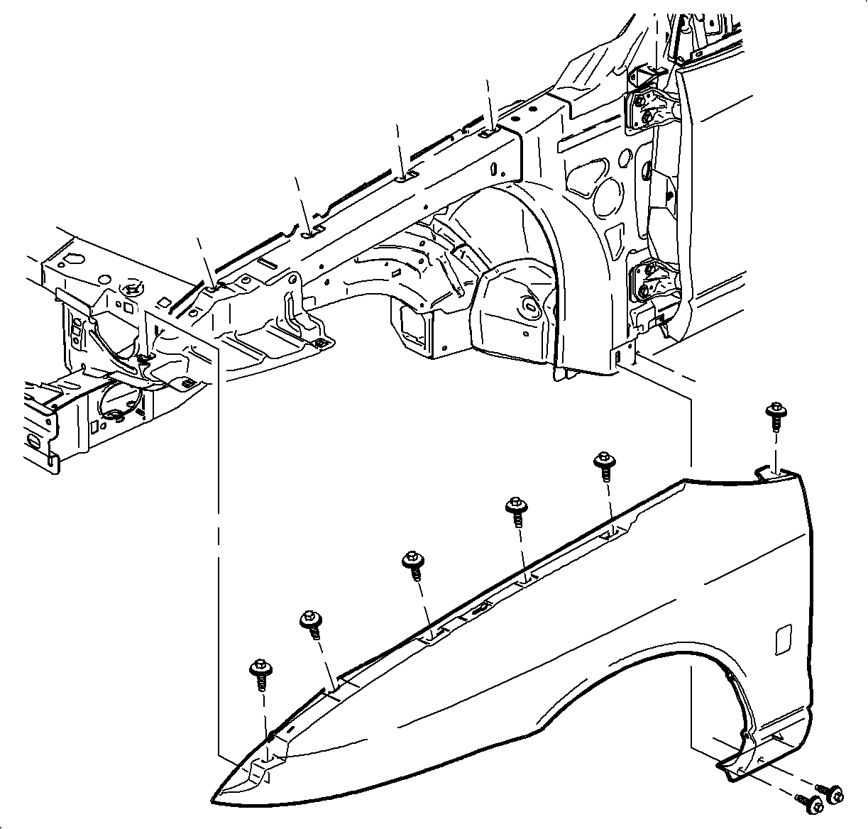
Notice: Refer to Fastener Notice in the Preface section.
Tighten
Tighten the fender-to-front body hinge pillar bolt to 10 N·m (89 lb in).
Tighten
Tighten the fender-to-upper motor compartment side rail (front ) to 10 N·m
(89 lb in).
Tighten
Tighten the headlamp housing bolts (coupe) to 7 N·m (61 lb in).
| • | Install the Saturn emblem. |
| • | Install the rubber seals to the fender rear flange. |
Notice: Refer to Fastener Notice in the Preface section.
Tighten
Tighten the fender-to-front body hinge pillar bolt
to 10 N·m (89 lb in).
Tighten
Tighten the fender-to-upper motor compartment side
rail to 10 N·m (89 lb in).