GM Service Manual Online
For 1990-2009 cars only
Table 1: Engine Oil Pressure (EOP) Switch (L61)
Table 2: Engine Oil Pressure (EOP) Switch (L81)
Table 3: Instrument Panel Cluster (IPC)
Table 4: Ambient Air Temperature Sensor (w/ DH3)

Engine Oil Pressure (EOP) Switch (L61)


Object Number: 516595  Size: CH

Connector Part Information

    • 12065299
    • 1-Way F Metri-Pack 150 Series Sealed (GY)

Pin

Wire Color

Circuit Number

Function

A

TN/BK

231

Oil Pressure Switch Signal

Engine Oil Pressure (EOP) Switch (L81)


Object Number: 926950  Size: CH

Connector Part Information

    • 10717431
    • 1-Way F Metri-Pack 150 Series Sealed (GY)

Pin

Wire Color

Circuit Number

Function

1

TN/BK

231

Oil Pressure Switch Signal

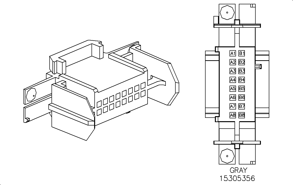
Instrument Panel Cluster (IPC)


Object Number: 889975  Size: CH

Connector Part Information

    • 15305356
    • 16-Way F (GY)

Pin

Wire Color

Circuit Number

Function

A1

PK

139

Ignition 1 Voltage

A2

YE

749

Security Indicator Control

A3

--

--

Not Used

A4

D-BU

15

Right Turn Signal

A5

L-BU

14

Left Turn Signal

A6-A7

--

--

Not Used

A8

GY

8

I/P Lamps Supply Voltage

B1

--

--

Not Used

B2

OG

2540

Battery Positive Voltage

B3

--

--

Not Used

B4

BK/WH

151

Ground

B5

PU

1807

Class 2 Serial Data

B6

PU

1807

Class 2 Serial Data

B7-B8

--

--

Not Used

Ambient Air Temperature Sensor (w/ DH3)


Object Number: 684793  Size: CH

Connector Part Information

    • 120852642
    • 2-Way F Metri-Pack 150 Series Sealed (L-GN)

Pin

Wire Color

Circuit Number

Function

A

L-GN/BK

735

Ambient Air Temperature Sensor Signal

B

GY

720

Low Reference