GM Service Manual Online
For 1990-2009 cars only
Makes
🢒
Saturn
🢒
2004
🢒
VUE - AWD
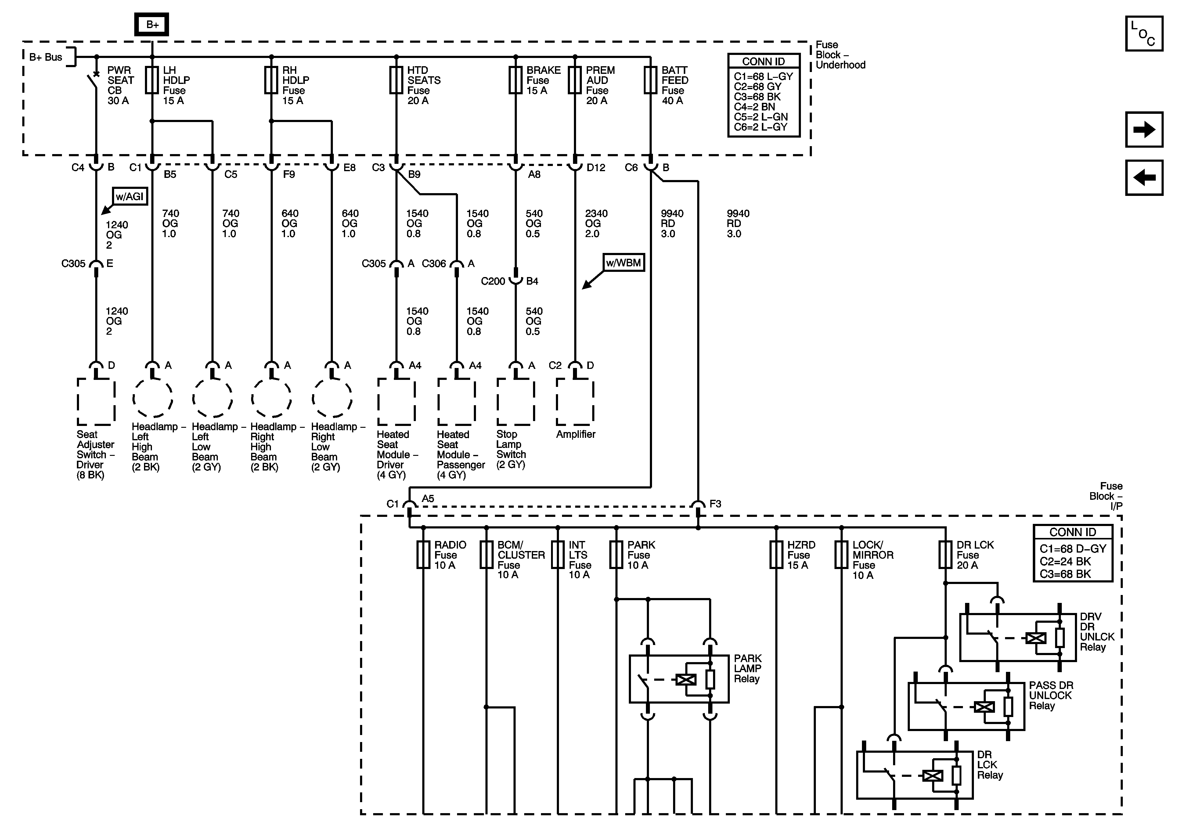
🢒 PWR SEAT Fuse, LH HDLP Fuse, RH HDLP Fuse, HTD SEATS Fuse, BRAKE Fuse, PREM AUD Fuse, BATT FEED Fuse, and the B+ Circuits to the I/P Fuse Block
PWR SEAT Fuse, LH HDLP Fuse, RH HDLP Fuse, HTD SEATS Fuse, BRAKE Fuse, PREM AUD Fuse, BATT FEED Fuse, and the B+ Circuits to the I/P Fuse Block
PWR SEAT CB, LH HDLP, RH HDLP, HTD SEATS, BRAKE, PREM AUD, and BATT FEED Fuses, and the B+ Circuits to the I/P Fuse Block Fuses
Master Electrical Component List
BACKUP, PWR TRAIN, and ABS Fuses
PWR WDW Relay, PWR WDW, SUNROOF, ABS, ABS PWR, HVAC BLOWER, AUX 1 OUTLET, CIGAR/AUX 2, and ECM/TCM Fuses
Battery, Starter, Generator, PSCM, and the B+ Circuits to the Underhood Fuse Block