GM Service Manual Online
For 1990-2009 cars only
Makes
🢒
Saturn
🢒
2005
🢒
VUE - AWD
🢒
Transmission/Transaxle
🢒
Automatic Transmission - 5AT
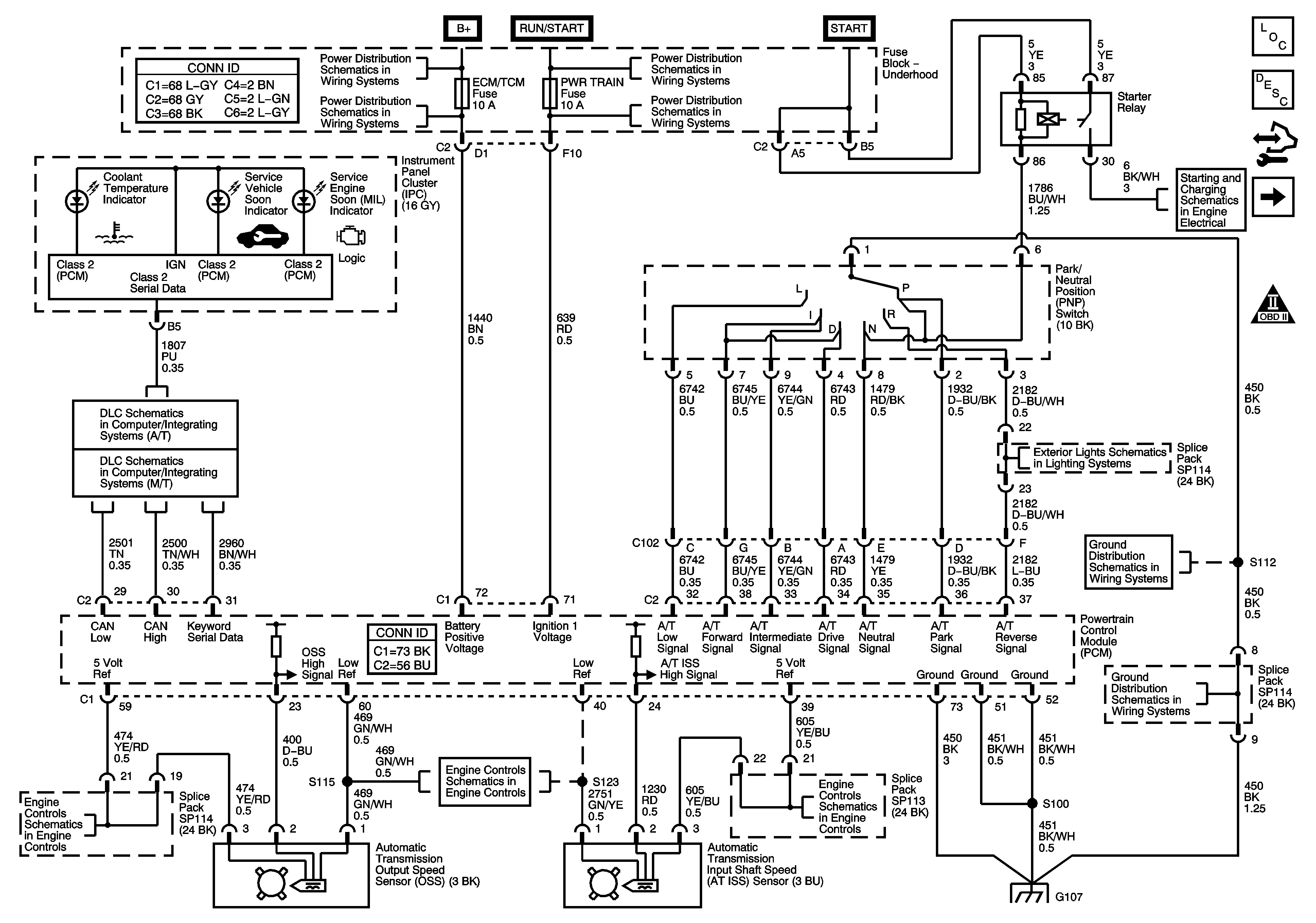
🢒 Automatic Transmission Controls Schematics
Figure
1:
Power, Ground, Communication and PNP Switch
Figure
2:
Solenoid and Switch Controls