GM Service Manual Online
For 1990-2009 cars only
Makes
🢒
Saturn
🢒
2006
🢒
VUE - AWD
🢒
Body
🢒
Doors
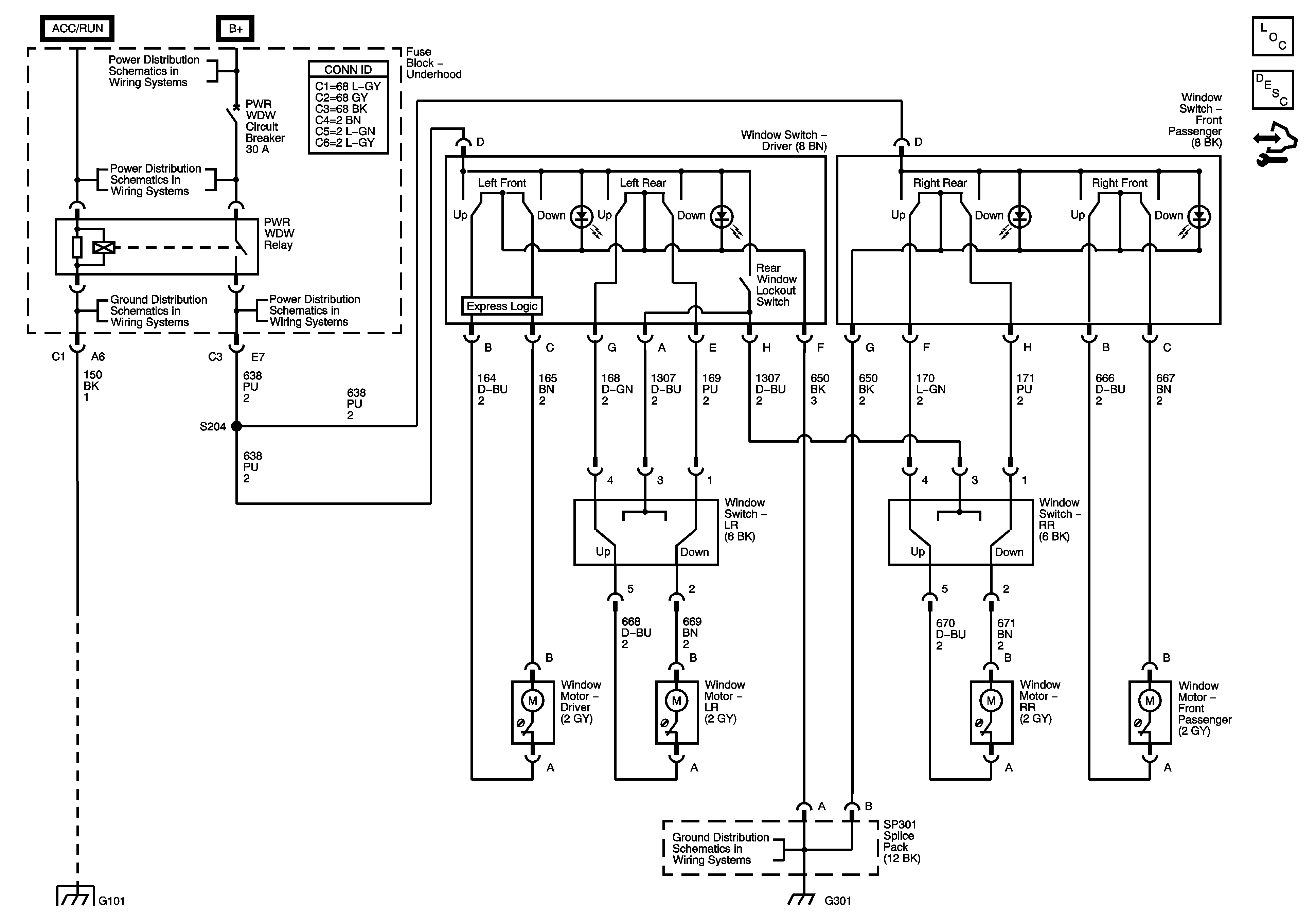
🢒 Power Window Schematics
Master Electrical Component List
Power Windows Description and Operation
Control Module References
B+ Bussing and the EPS Fuse
TURN Fuse, BCM Fuse, RADIO(IGN) Fuse, HVAC Fuse and the HTD SEATS Fuse
G101
SUNROOF Fuse, PWR WDW Fuse, 10A ABS Fuse, 20A ABS Fuse, ABS PWR Fuse, HVAC BLOWER Fuse, AUX1 OUTLET Fuse, CIGAR/AUX2 Fuse and the ECM/TCM Fuse
G101
G103 - 1 of 2