GM Service Manual Online
For 1990-2009 cars only
Makes
🢒
Saturn
🢒
2006
🢒
VUE - AWD
🢒
Body
🢒
Stationary Windows
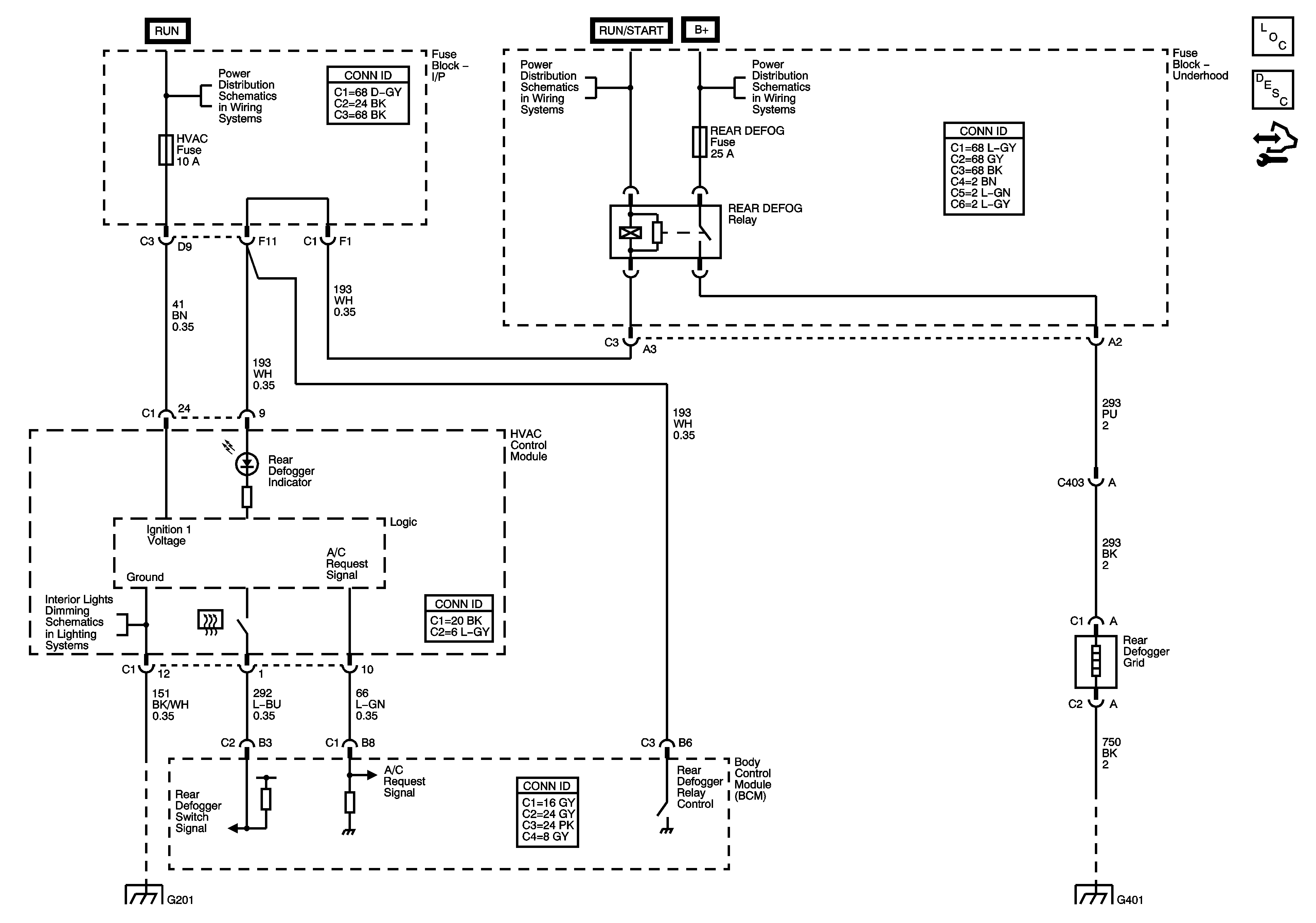
🢒 Defogger Schematics
Master Electrical Component List
Rear Window Defogger Description and Operation
Control Module References
IGN Fuse and the Ignition Switch Circuits
IGN Fuse and the Ignition Switch Circuits
B+ Bussing and the EPS Fuse
Interior Lights Dimming Schematic
G201
G401 and G403