GM Service Manual Online
For 1990-2009 cars only
Makes
🢒
Saturn
🢒
2006
🢒
VUE - AWD
🢒
Body
🢒
Stationary Windows
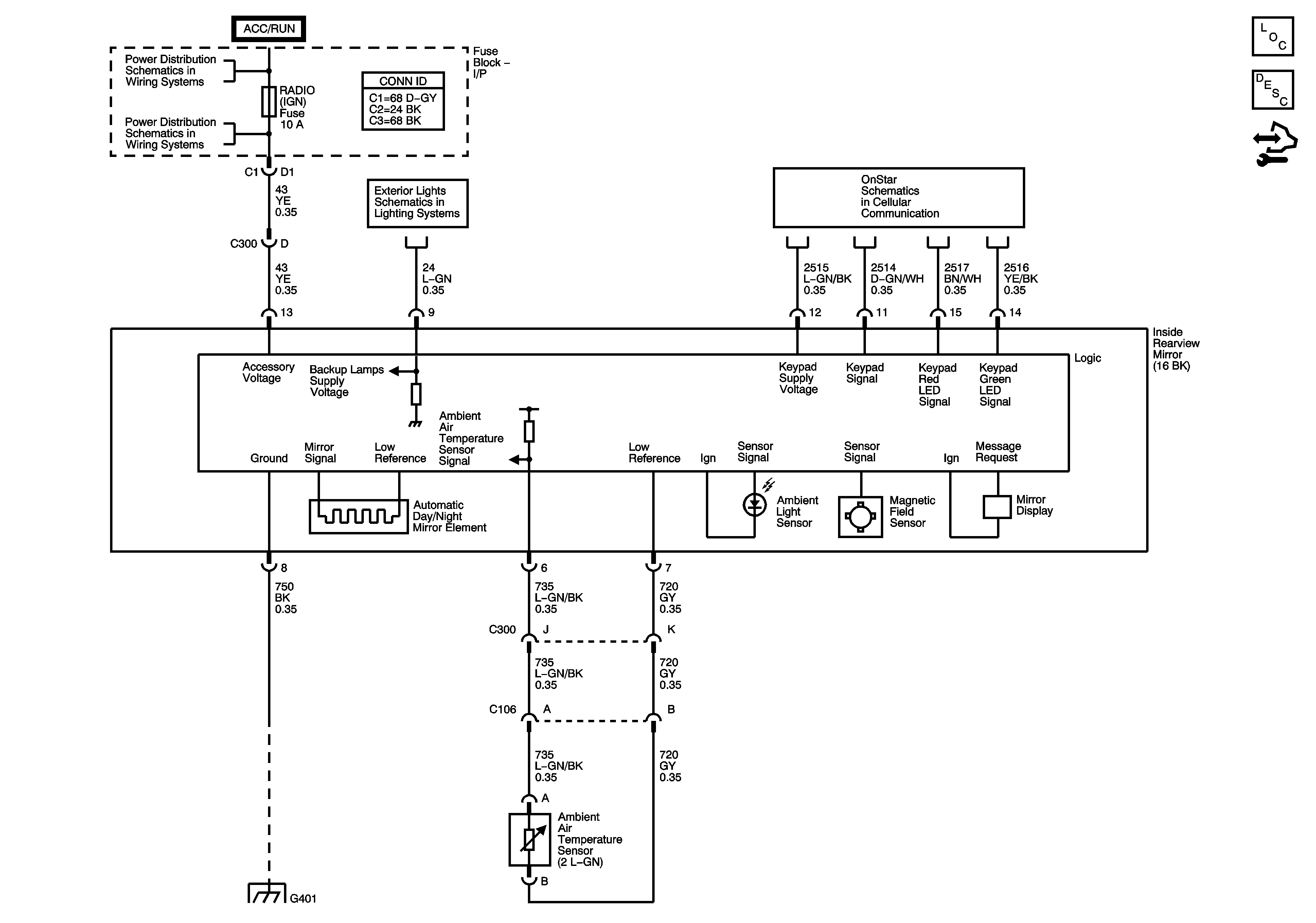
🢒 Inside Rearview Mirror Schematics
Master Electrical Component List
Automatic Day-Night Mirror Description and Operation
Control Module References
IGN Fuse and the Ignition Switch Circuits
TURN Fuse, BCM Fuse, RADIO(IGN) Fuse, HVAC Fuse and the HTD SEATS Fuse
Backup Lamps
G401 and G403
Onstar Schematic