GM Service Manual Online
For 1990-2009 cars only
Makes
🢒
Saturn
🢒
2006
🢒
VUE - AWD
🢒
Body
🢒
Wipers/Washer Systems
🢒 Wiper/Washer Schematics
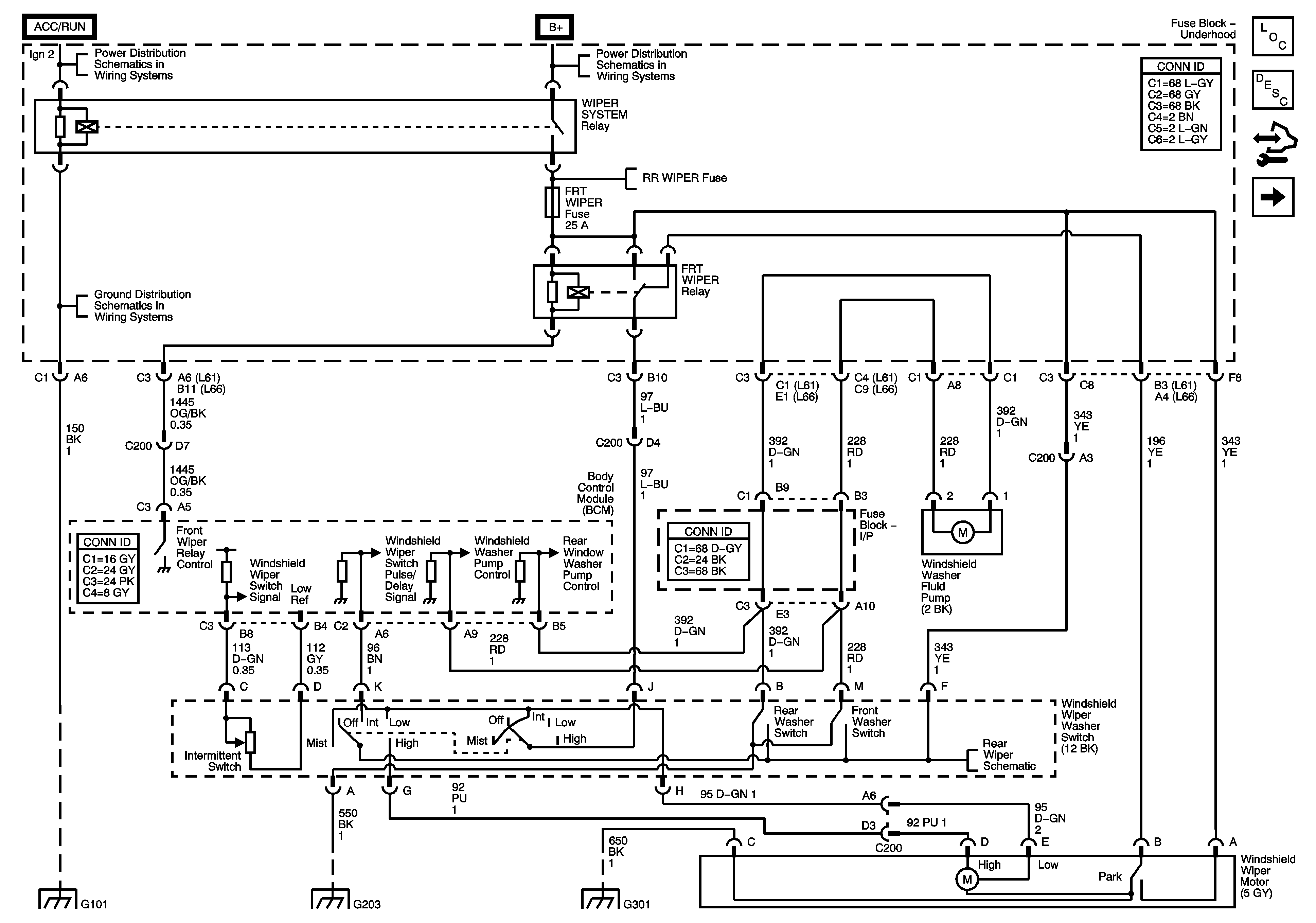
Figure
1:
Switch
Master Electrical Component List
Wiper/Washer System Description and Operation
Control Module References
Rear Wiper Motor and Switch
TURN Fuse, BCM Fuse, RADIO(IGN) Fuse, HVAC Fuse and the HTD SEATS Fuse
G101
G101
B+ Bussing and the EPS Fuse
B+ Bussing and the EPS Fuse
G301 - 2 of 2
G203 and G205
Rear Wiper Motor and Switch
Figure
2:
Rear Wiper Motor and Switch
Master Electrical Component List
Wiper/Washer System Description and Operation
Control Module References
Switch
B+ Bussing and the EPS Fuse
Switch
G301 - 2 of 2