GM Service Manual Online
For 1990-2009 cars only
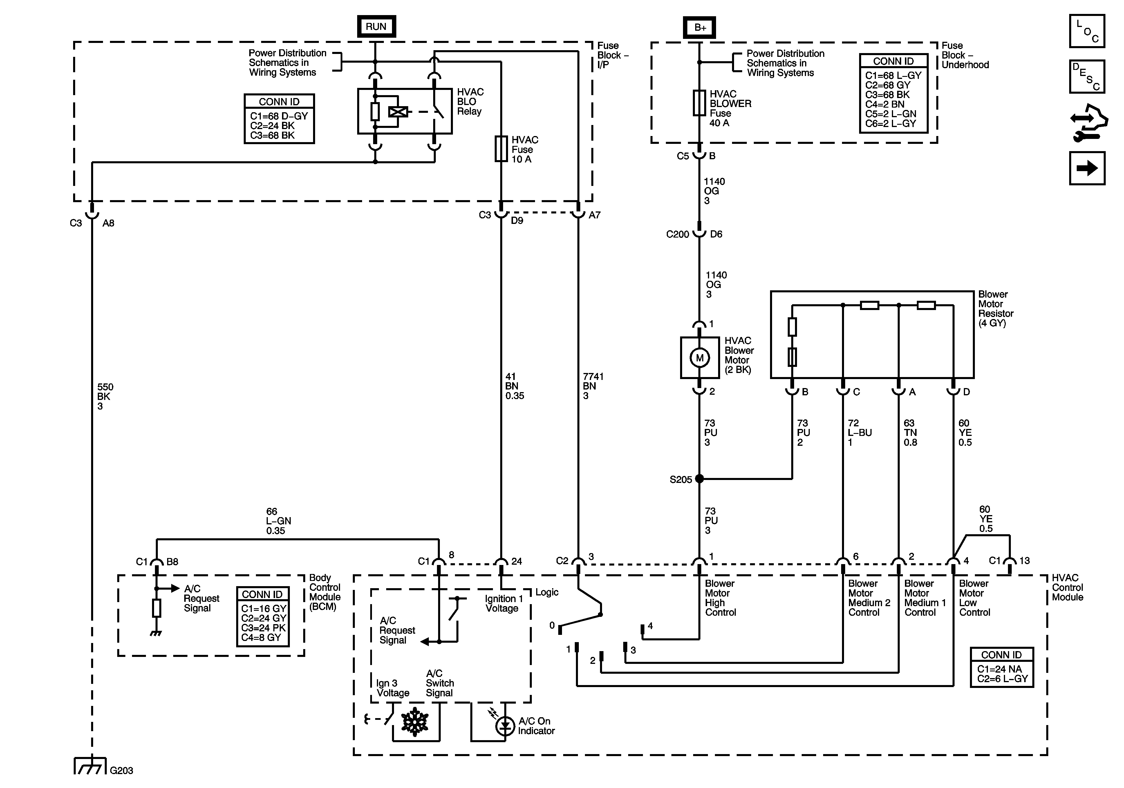
Figure 1:

Blower Controls


Object Number: 1583950  Size: FS
Master Electrical Component List
Air Delivery Description and Operation
Control Module References
Compressor and Pressure Sensor Signals
B+ Bussing and the EPS Fuse
IGN Fuse and the Ignition Switch Circuits
G203 and G205
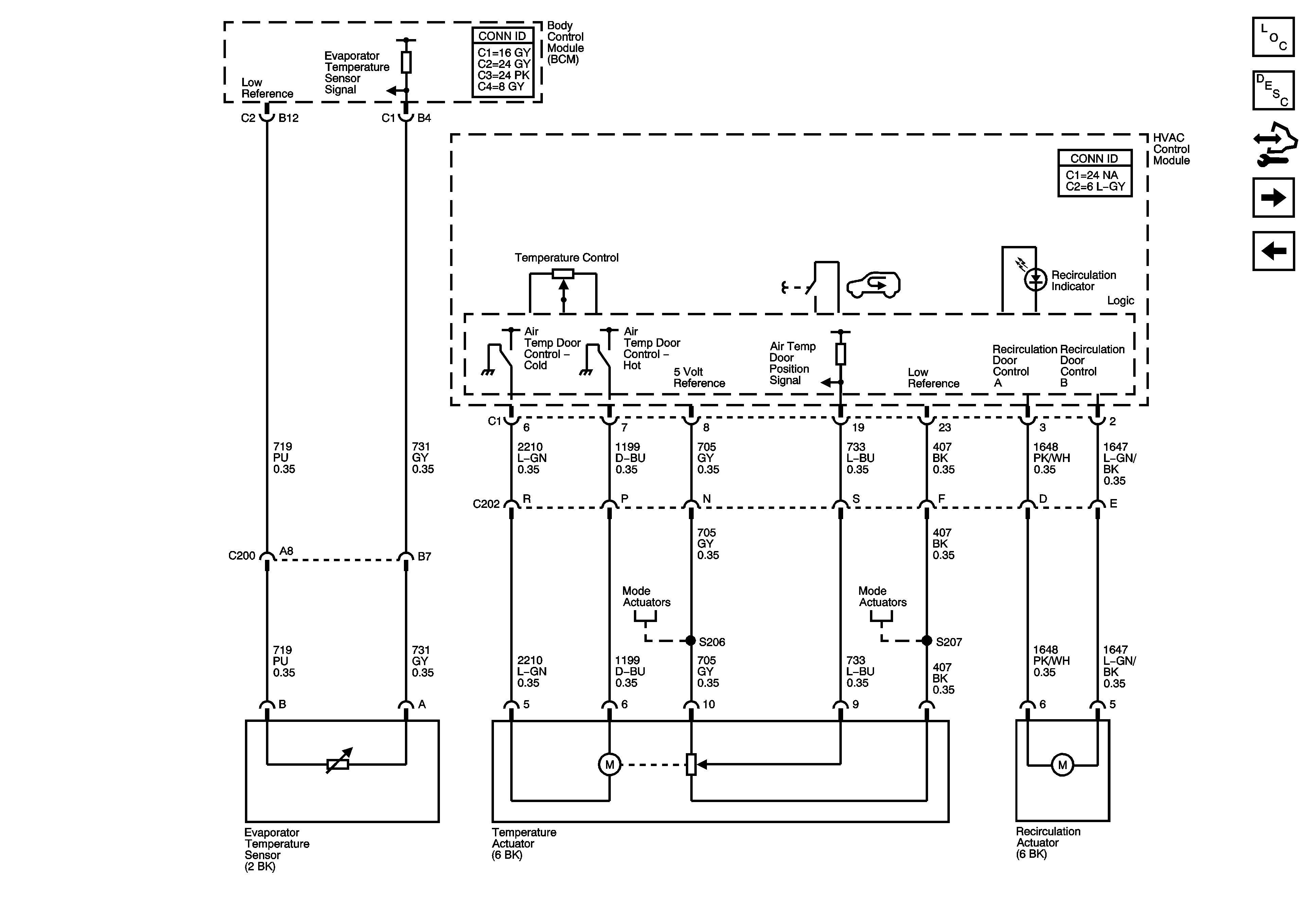
Figure 2:

Compressor and Pressure Sensor Signals


Object Number: 1583951  Size: FS
Master Electrical Component List
Air Delivery Description and Operation
Control Module References
Temperature and Recirculation Signals
Blower Controls
B+ Bussing and the EPS Fuse
IGN Fuse and the Ignition Switch Circuits
G101
5-Volt References
5-Volt References
G101
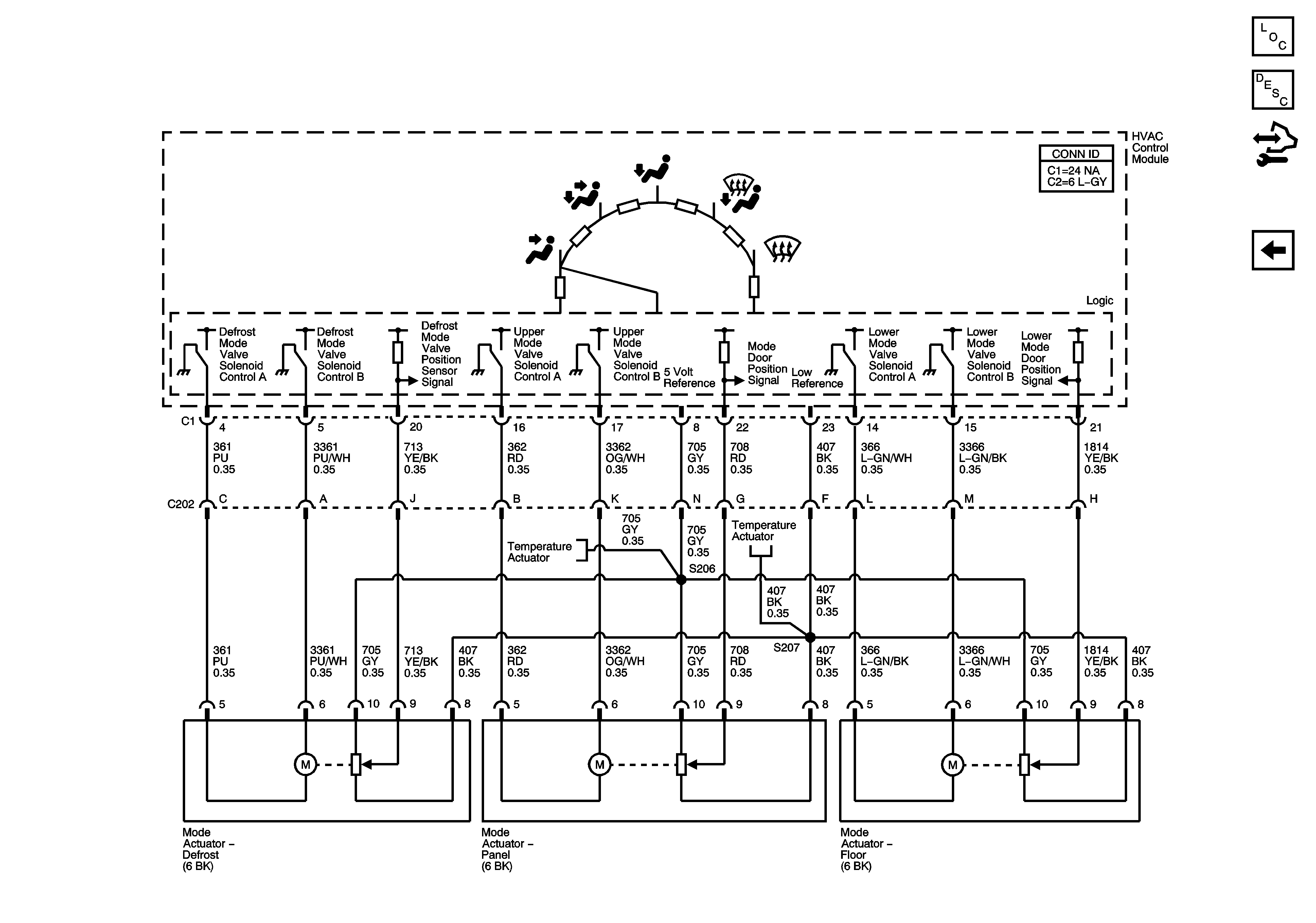
Figure 3:

Temperature and Recirculation Signals


Object Number: 1583952  Size: FS
Master Electrical Component List
Air Delivery Description and Operation
Control Module References
Mode Switch Signals
Compressor and Pressure Sensor Signals
Mode Switch Signals
Mode Switch Signals
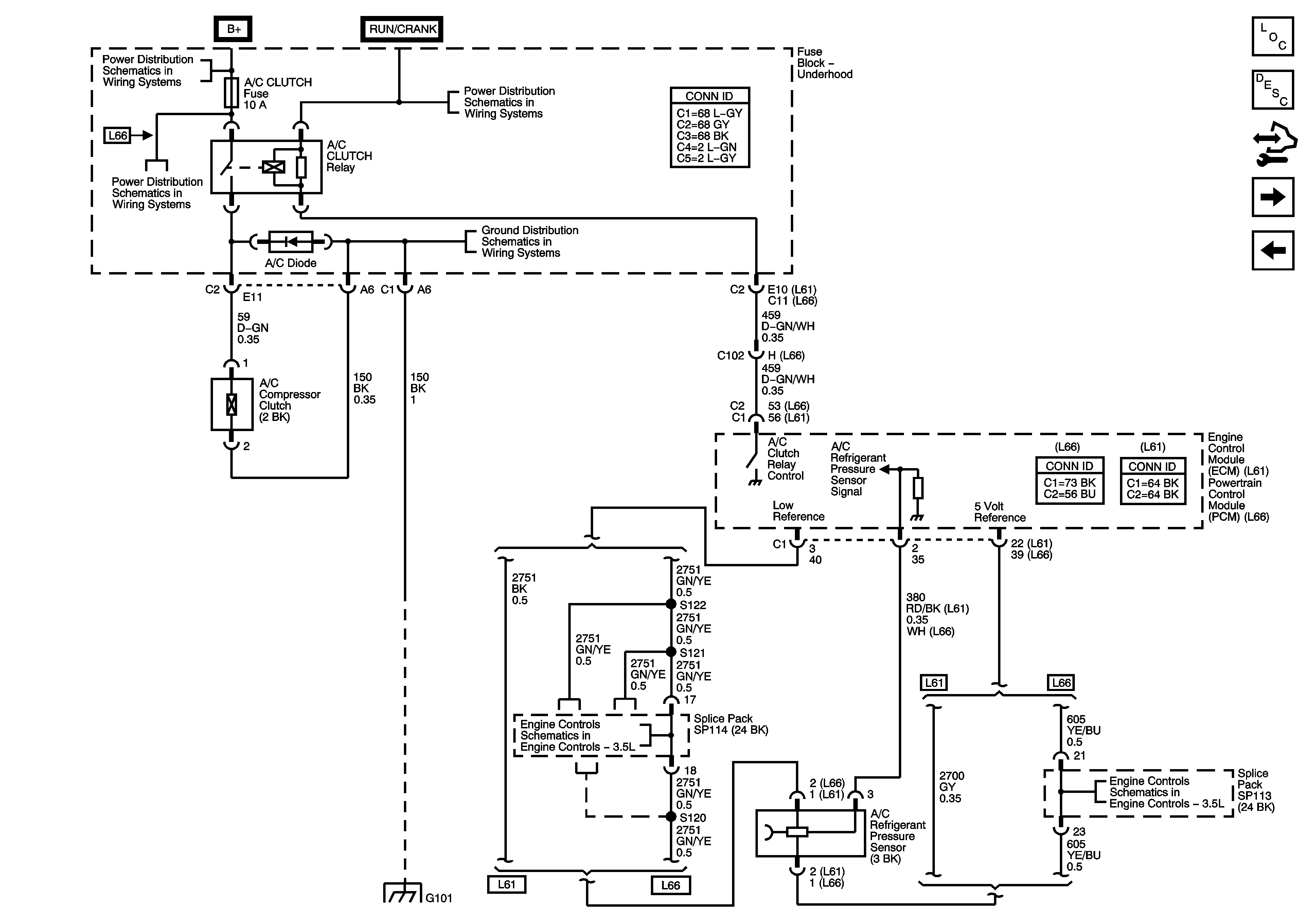
Figure 4:

Mode Switch Signals


Object Number: 1614795  Size: FS
Master Electrical Component List
Air Delivery Description and Operation
Control Module References
Temperature and Recirculation Signals
Temperature and Recirculation Signals
Temperature and Recirculation Signals