GM Service Manual Online
For 1990-2009 cars only
Makes
🢒
Saturn
🢒
2006
🢒
VUE - AWD
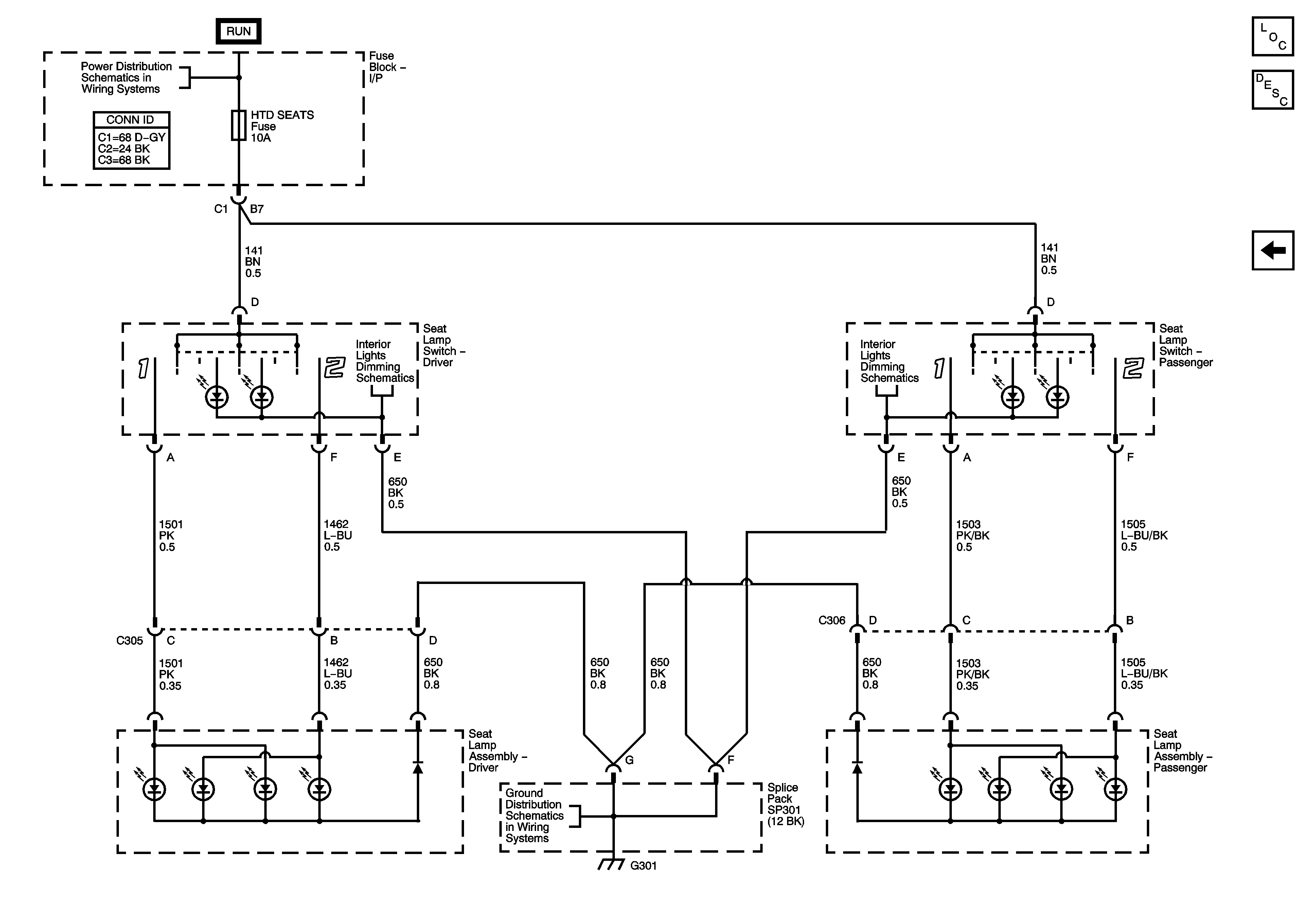
🢒 Seat Lighting Schematics
Seat Lighting Schematics
Seat Lamps (HEG Only)
Master Electrical Component List
Interior Lighting Systems Description and Operation
Interior Lights Schematic
IGN Fuse and the Ignition Switch Circuits
Interior Lights Dimming Schematic
G301 - 2 of 2
G103 - 1 of 2