GM Service Manual Online
For 1990-2009 cars only
Makes
🢒
Saturn
🢒
2007
🢒
VUE - AWD
🢒
Diagnostic Navigation
🢒
Vehicle Diagnostic Information
🢒 Hybrid Energy Storage Schematics
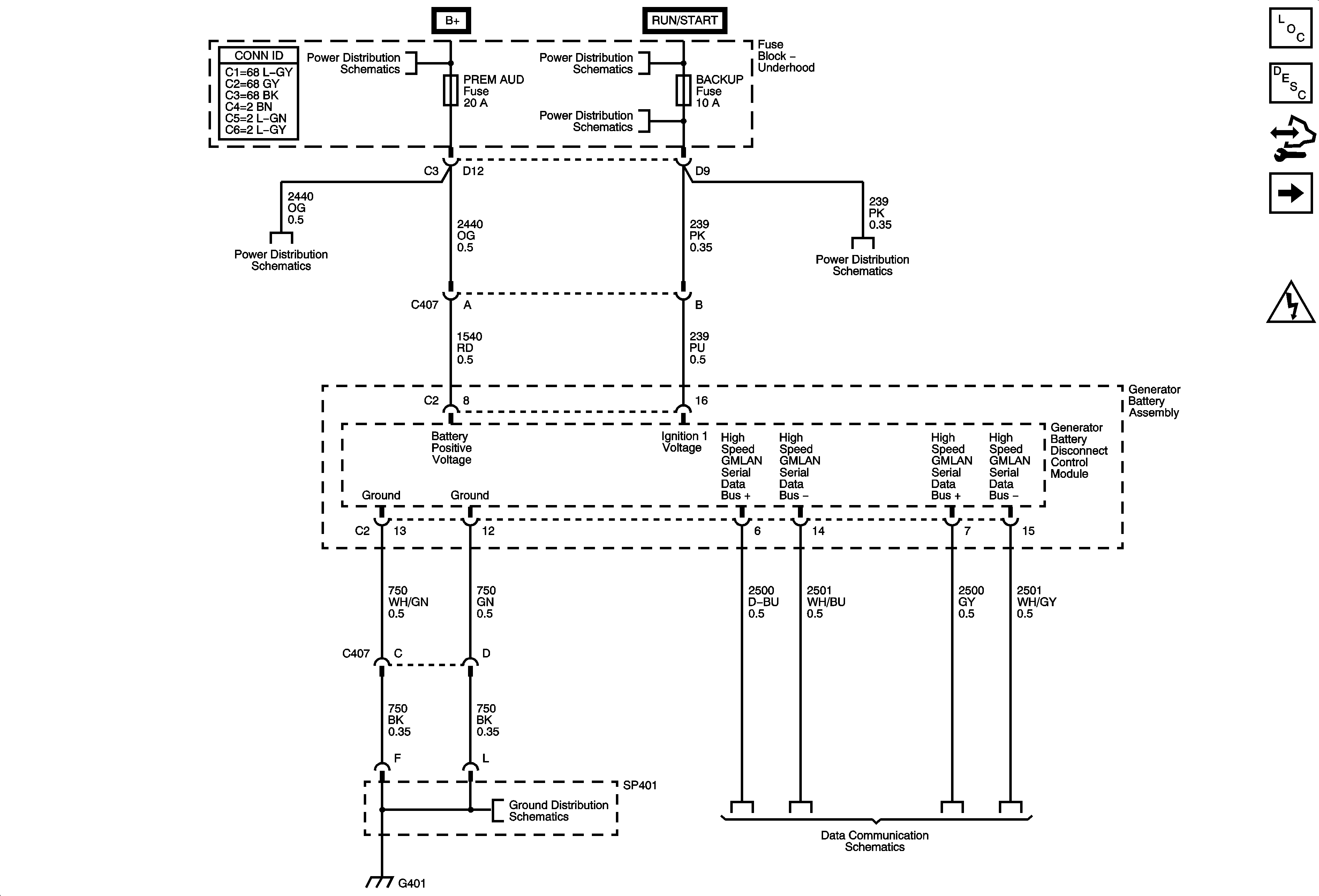
Figure
1:
Battery Disconnect Unit
Master Electrical Component List
Generator Battery Carrier Description and Operation
Control Module References
B+ Bus and EPS Fuse
IGN Fuse and Ignition Switch Circuits
BACKUP and PWR TRAIN Fuses (HP7)
PWR SEAT Circuit Breaker, LH HDLP, RH HDLP, BRAKE, PREM AUD, BATT FEED, and HTD SEATS Fuses
BACKUP and PWR TRAIN Fuses (HP7)
G401 and G403
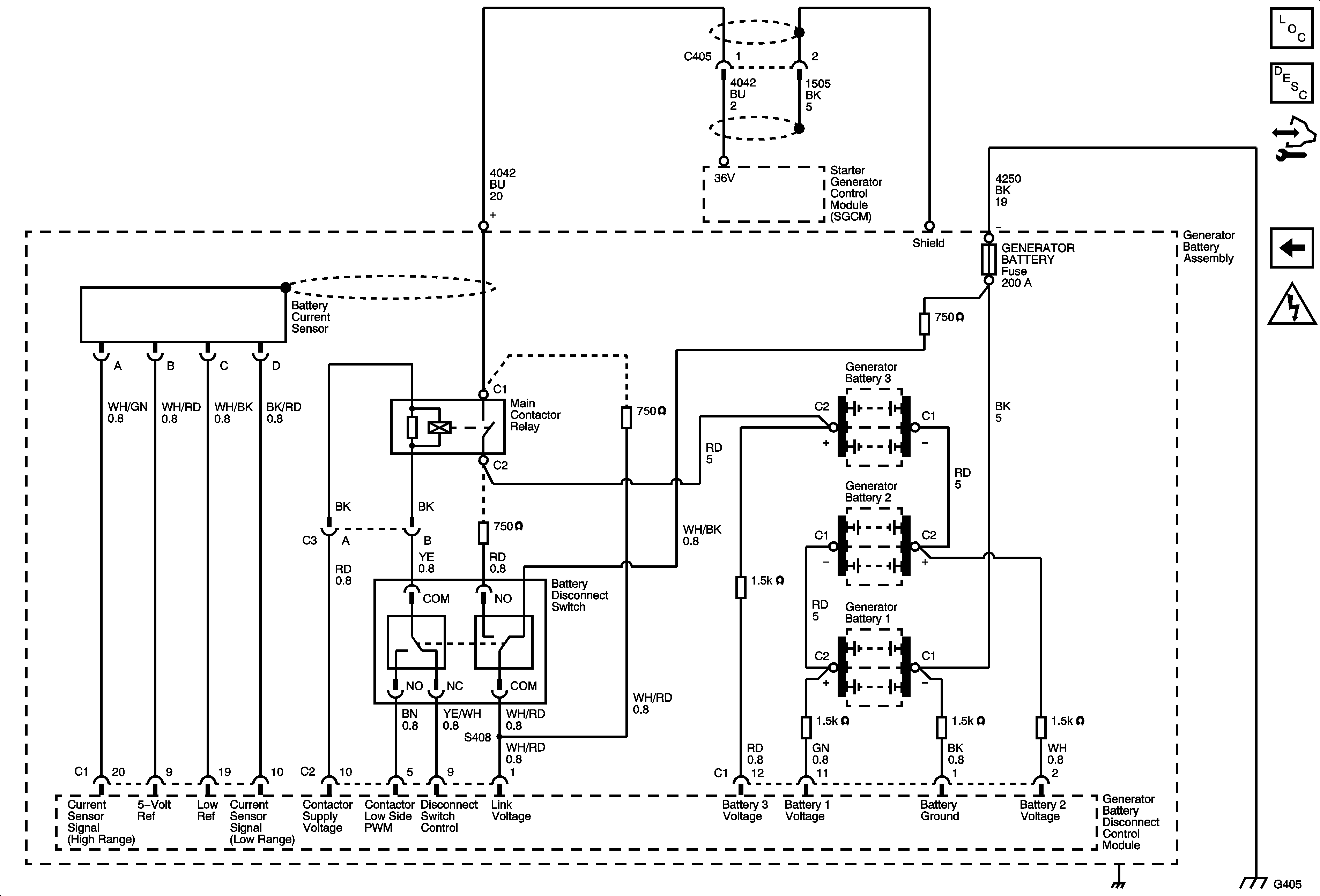
Figure
2:
Batteries, Battery Current Sensor, Battery Disconnect Switch and Main Contactor Relay
Master Electrical Component List
Generator Battery Carrier Description and Operation
Control Module References
Battery Disconnect Unit