GM Service Manual Online
For 1990-2009 cars only

Object Number: 2174755  Size: MF

Callout

Component Name

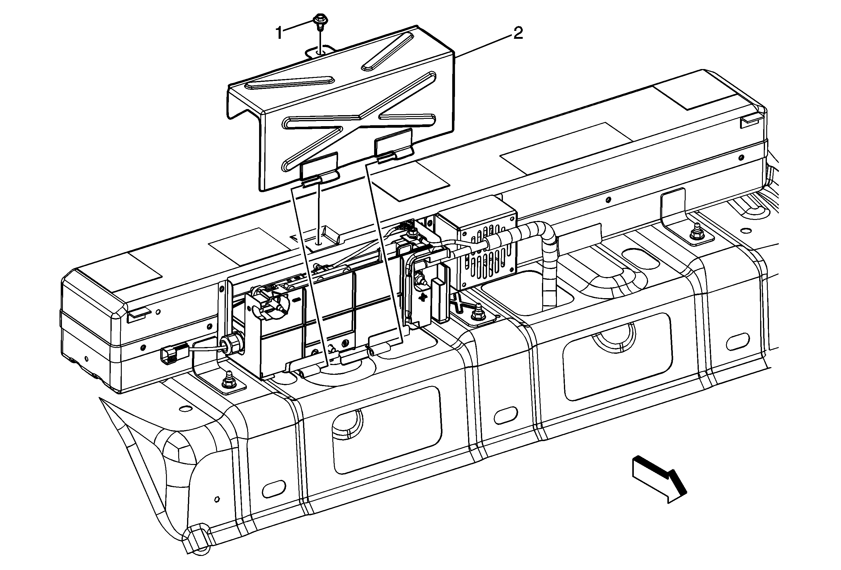
Preliminary Procedure

Disconnect the hybrid battery. Refer to Hybrid Battery Service Disconnect/Connect.

1

Fastener

Notice: Refer to Fastener Notice in the Preface section.

Tighten
10 N·m (89 lb in)

2

Generator Battery Disconnect Control Module Cover