GM Service Manual Online
For 1990-2009 cars only

DTC P0741 Non-Hybrid


Object Number: 1832954  Size: MF
Master Electrical Component List
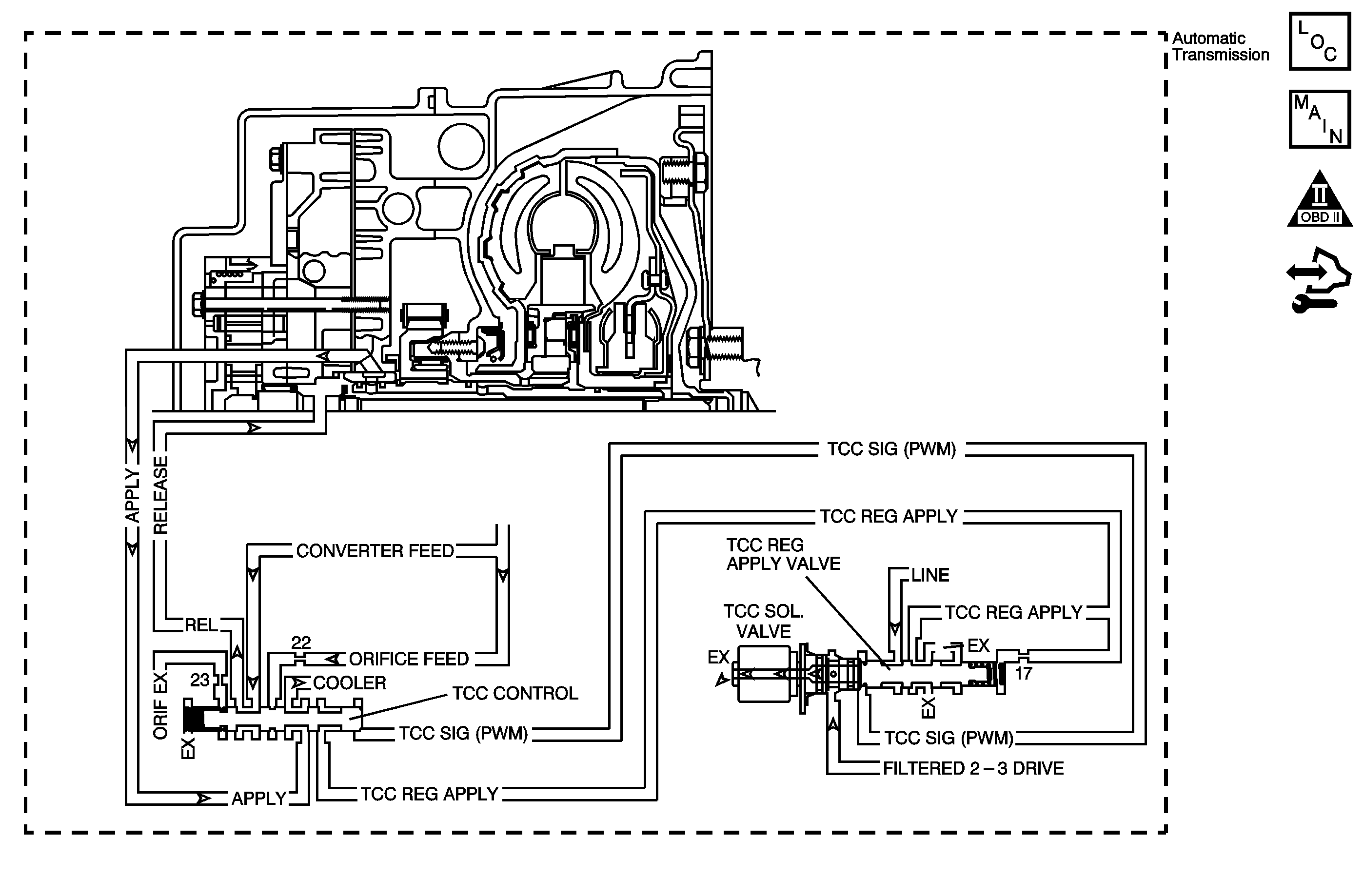
Automatic Transmission Controls Schematics
OBD II Symbol Description Notice
Control Module References

Circuit Description

The torque converter clutch (TCC) solenoid valve is a pulse width modulation (PWM) solenoid. When vehicle operating conditions are appropriate for TCC application, the transmission control module (TCM) begins the TCC duty cycle at approximately 42 percent. The TCM then increases the duty cycle up to 90 percent, in order to achieve full TCC apply pressure.

When the TCC PWM solenoid valve is de-energized, the solenoid blocks filtered 2-3 drive fluid, and allows TCC signal fluid to exhaust. When energized, the solenoid modulates fluid into the TCC signal fluid circuit. When fully energized, modulation stops, and the solenoid blocks both 2-3 drive fluid and TCC signal fluid exhaust.

When the TCM detects a high TCC slip speed when the TCC is commanded ON, DTC P0741 sets. DTC P0741 is a type B DTC.

DTC Descriptor

This diagnostic procedure supports the following DTC:

DTC P0741 Torque Converter Clutch (TCC) System - Stuck Off

Conditions for Running the DTC

    • No MAP DTCs P0107 or P0108.
    • No TP DTCs P0120 or P0220.
    • No ISS DTCs P0716 or P0717.
    • No OSS DTCs P0722 or P0723.
    • No TCC stuck ON DTC P0742.
    • No TCC release switch DTC P1887.
    • No TCC electrical DTC P2761.
    • The engine is running for greater than 5 seconds and not in fuel cut off.
    • The transmission fluid temperature (TFT) is 20-130°C (68-266°F).
    • The commanded gear is 2nd, 3rd or 4th.
    • The TP is between 8 percent and 90 percent.
    • The TCC duty cycle is greater than 65 percent for 5 seconds.
    • The engine torque is greater than 50 N·m (37 lb ft).
    • The gear ratio is 0.61:1 to 1.71:1.
    • The time since the last range change is greater than 6 seconds.

Conditions for Setting the DTC

The TCC slip speed is greater than 200 RPM for 8 seconds twice during the same ignition cycle.

Action Taken When the DTC Sets

    • The TCM requests the engine control module (ECM) to illuminate the malfunction indicator lamp (MIL) during the second consecutive trip in which the Conditions for Setting the DTC are met.
    • The TCM forces the TCC OFF.
    • The TCM inhibits TCC engagement.
    • The TCM freezes transmission adaptive functions.
    • The TCM inhibits 4th gear when in HOT mode.
    • The ECM records the operating conditions when the Conditions for Setting the DTC are met. The ECM stores this information as Freeze Frame and Failure Records.
    • The TCM records the operating conditions when the Conditions for Setting the DTC are met. The TCM stores this information as Failure Records.
    • The TCM stores DTC P0741 in TCM history during the second consecutive trip in which the Conditions for Setting the DTC are met.

Conditions for Clearing the MIL/DTC

    • The ECM turns OFF the MIL after the third consecutive drive trip in which the TCM does not send a MIL illumination request.
    • A scan tool can clear the MIL/DTC.
    • The TCM clears the DTC from TCM history if the vehicle completes 40 warm-up cycles without an emission-related diagnostic fault occurring.
    • The TCM cancels the DTC default actions when the ignition switch is OFF long enough in order to power down the TCM.

Diagnostic Aids

    • Inspect the transmission fluid level.
    • The transmission may be in hot mode. Inspect the transmission fluid lines to the radiator. The lines may be pinched, plugged or twisted.
    • It is possible for an internal TCM failure which may not allow sufficient current to operate the solenoids. Verify TCM functionality by commanding the suspected solenoid ON/OFF using the scan tool and listen for a click.

Test Description

The numbers below refer to the step numbers on the diagnostic table.

  1. This step inspects the transmission fluid to ensure that it is at the proper level.

  2. This step verifies that the TCC engages when commanded ON by the scan tool.

Step

Action

Value(s)

Yes

No

1

Did you perform the Diagnostic System Check - Vehicle?

--

Go to Step 2

Go to Diagnostic System Check - Vehicle

2

Did you perform the Transmission Fluid Checking Procedure?

--

Go to Step 3

Go to Transmission Fluid Check

3

  1. Install a scan tool.
  2. Turn ON the ignition, with the engine OFF.
  3. Important: Before clearing the DTC, use the scan tool in order to record the Freeze Frame and Failure Records. Using the Clear Info function erases the Freeze Frame and Failure Records from both the ECM and the TCM.

  4. Record the DTC Freeze Frame and Failure Records.
  5. Clear the DTC.
  6. Drive the vehicle at 72 km/h (45 mph).
  7. Using the scan tool, command the TCC PWM solenoid valve ON.
  8. Monitor the TCC slip speed.

Is the slip speed less than the specified value?

50 RPM

Go to Diagnostic Aids

Go to Step 4

4

  1. Inspect for the following conditions:
  2. • The TCC PWM solenoid valve O-ring for leaks or cuts
    • The TCC PWM solenoid valve for the filter being clogged
    • The TCC control valve for being stuck in the TCC release position
    • The TCC regulated apply valve for being stuck in the TCC release position
    • The pressure regulator valve for being stuck due to sediment or binding
    • The TCC fluid circuits for leaks
    • The turbine shaft seals for leaks or cuts
  3. Repair any of the above conditions as necessary.

Did you complete the repair?

--

Go to Step 5

--

5

Perform the following procedure in order to verify the repair:

  1. Select DTC.
  2. Select Clear Info.
  3. Operate the vehicle under the following conditions:
  4. • Drive the vehicle in D4 with the TP greater than 8%.
    • Obtain 72 km/h (45 mph).
    • With the TCC commanded ON and engaged, the slip speed must be between -20 and +55 RPM for 4 seconds.
  5. Select Specific DTC.
  6. Enter DTC P0741.

Has the test run and passed?

--

Go to Step 6

Go to Step 2

6

With the scan tool, observe the stored information, capture info and DTC info.

Does the scan tool display any DTCs that you have not diagnosed?

--

Go to Diagnostic Trouble Code (DTC) List - Vehicle

System OK

DTC P0741 Hybrid


Object Number: 1832954  Size: MF
Master Electrical Component List
Automatic Transmission Controls Schematics
OBD II Symbol Description Notice
Control Module References

Circuit Description

The torque converter clutch (TCC) solenoid valve is a pulse width modulation (PWM) solenoid. When vehicle operating conditions are appropriate for TCC application, the transmission control module (TCM) begins the TCC duty cycle at approximately 42 percent. The TCM then increases the duty cycle up to 90 percent, in order to achieve full TCC apply pressure.

When the TCC PWM solenoid valve is de-energized, the solenoid blocks filtered 2-3 drive fluid, and allows TCC signal fluid to exhaust. When energized, the solenoid modulates fluid into the TCC signal fluid circuit. When fully energized, modulation stops, and the solenoid blocks both 2-3 drive fluid and TCC signal fluid exhaust.

When the TCM detects a high TCC slip speed when the TCC is commanded ON, then DTC P0741 sets. DTC P0741 is a type B DTC.

DTC Descriptor

This diagnostic procedure supports the following DTC:

DTC P0741 Torque Converter Clutch (TCC) System - Stuck Off

Conditions for Running the DTC

    • No MAP DTCs P0107 or P0108.
    • No TP DTCs P0120 or P0220.
    • No ISS DTCs P0716 or P0717.
    • No OSS DTCs P0722 or P0723.
    • No TCC stuck ON DTC P0742.
    • No TCC release switch DTCs P0842 or P0843.
    • The engine is running for 2 seconds.
    • The transmission fluid temperature (TFT) is 20-130°C (68-266°F).
    • The commanded gear is 2nd, 3rd, or 4th.
    • The Calc. Throttle Position is between 8 percent and 90 percent.
    • The TCM commands the TCC ON.
    • The TCC duty cycle is 65 percent or more for 5 seconds.
    • The engine torque is greater than 50 N·m (37 lb ft).

Conditions for Setting the DTC

The TCC slip speed is 150 RPM or more for 8 seconds twice during the same ignition cycle.

Action Taken When the DTC Sets

    • The TCM illuminates the malfunction indicator lamp (MIL) during the second consecutive trip in which the Conditions for Setting the DTC are met.
    • The TCM forces the TCC solenoid OFF.
    • The TCM inhibits TCC engagement.
    • The Hybrid control module (HCM) inhibits Hybrid operation.
    • The TCM freezes transmission adaptive functions.
    • The TCM inhibits 4th gear when in HOT mode.
    • The TCM records the operating conditions when the Conditions for Setting the DTC are met. The TCM stores this information as Freeze Frame and Failure Records.
    • The TCM stores DTC P0741 in TCM history during the second consecutive trip in which the Conditions for Setting the DTC are met.

Conditions for Clearing the MIL/DTC

    • The TCM turns OFF the MIL during the third consecutive trip in which the diagnostic test runs and passes.
    • A scan tool can clear the MIL/DTC.
    • The TCM clears the DTC from TCM history if the vehicle completes 40 warm-up cycles without an emission related diagnostic fault occurring.
    • The TCM cancels the DTC default actions when the ignition switch is OFF long enough in order to power down the TCM.

Diagnostic Aids

    • Inspect the transmission fluid level.
    • The transmission may be in hot mode. Inspect the transmission fluid lines to the radiator. The lines may be pinched, plugged or twisted.
    • It is possible for an internal TCM failure which may not allow sufficient current to operate the solenoids. Verify TCM functionality by commanding the suspected solenoid ON/OFF using the scan tool and listen for a click.

Test Description

The numbers below refer to the step numbers on the diagnostic table.

  1. This step inspects the transmission fluid to ensure that it is at the proper level.

  2. This step verifies that the TCC engages when commanded ON by the scan tool.

Step

Action

Value(s)

Yes

No

1

Did you perform the Diagnostic System Check - Vehicle?

--

Go to Step 2

Go to Diagnostic System Check - Vehicle

2

Did you perform the Transmission Fluid Checking Procedure?

--

Go to Step 3

Go to Transmission Fluid Check

3

  1. Install a scan tool.
  2. Turn ON the ignition, with the engine OFF.
  3. Important: Before clearing the DTC, use the scan tool in order to record the Freeze Frame and Failure Records. Using the Clear Info function erases the Freeze Frame and Failure Records from the TCM.

  4. Record the DTC Freeze Frame and Failure Records.
  5. Clear the DTC.
  6. Drive the vehicle at 72 km/h (45 mph).
  7. Using the scan tool, command the TCC PWM solenoid valve ON.
  8. Monitor the TCC slip speed.

Is the slip speed less than the specified value?

50 RPM

Go to Diagnostic Aids

Go to Step 4

4

  1. Drive the vehicle at 72 km/h (45 mph).
  2. Using the scan tool, command the TCC PWM solenoid valve ON.
  3. Monitor the TCC Duty Cycle Short to Volts parameter.

Does the TCC Duty Cycle Short to Volts parameter indicate a short to voltage when the TCC is commanded ON?

--

Go to Step 8 of DTC P2763

Go to Step 5

5

  1. Inspect for the following conditions:
  2. • The TCC PWM solenoid valve O-ring for leaks or cuts
    • The TCC PWM solenoid valve for the filter being clogged
    • The TCC control valve for being stuck in the TCC release position
    • The TCC regulated apply valve for being stuck in the TCC release position
    • The pressure regulator valve for being stuck due to sediment or binding
    • The TCC fluid circuits for leaks
    • The turbine shaft seals for leaks or cuts
  3. Repair any of the above conditions as necessary.

Did you complete the repair?

--

Go to Step 6

--

6

Perform the following procedure in order to verify the repair:

  1. Select DTC.
  2. Select Clear Info.
  3. Operate the vehicle under the following conditions:
  4. • Drive the vehicle in D4 with the TP greater than 8%.
    • Obtain 72 km/h (45 mph).
    • With the TCC commanded ON and engaged, the slip speed must be between -30 RPM and +55 RPM for 4 seconds.
  5. Select Specific DTC.
  6. Enter DTC P0741.

Has the test run and passed?

--

Go to Step 7

Go to Step 2

7

With the scan tool, observe the stored information, capture info and DTC info.

Does the scan tool display any DTCs that you have not diagnosed?

--

Go to Diagnostic Trouble Code (DTC) List - Vehicle

System OK