GM Service Manual Online
For 1990-2009 cars only

Important: Follow the balance procedure steps listed below. Powertrain mounts must be tightened in sequence.


    Object Number: 1810098  Size: SH
  1. Remove the air cleaner assembly. Refer to Air Cleaner Assembly Replacement .
  2. Remove the battery tray. Refer to Battery Tray Replacement .
  3. Raise and support the vehicle. Refer to Lifting and Jacking the Vehicle .
  4. Loosen the front transaxle mount through bolt.

  5. Object Number: 1810114  Size: SH
  6. Loosen the rear transaxle mount through bolt.
  7. Lower the vehicle.
  8. Position two floor jacks with wood blocks under the engine and transaxle in order to support the powertrain assembly.

  9. Object Number: 1810135  Size: SH
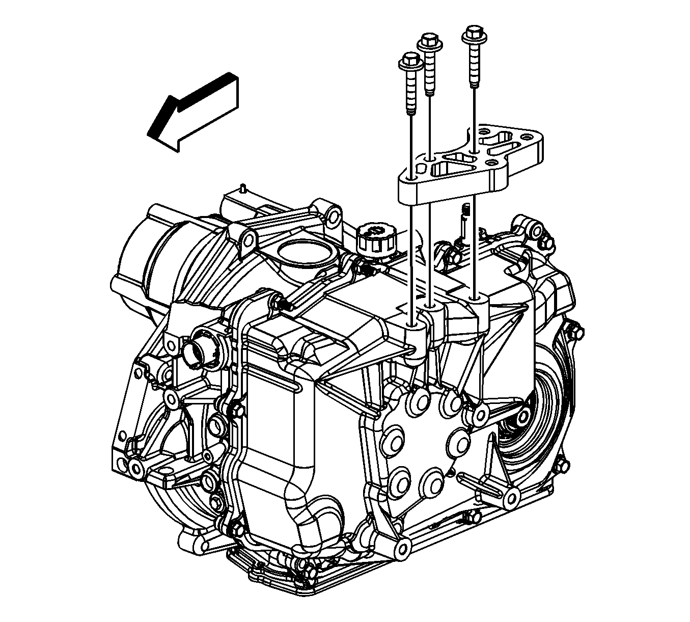
  10. Loosen the transaxle adapter to transaxle bolts.

  11. Object Number: 1810250  Size: SH
  12. Loosen the engine mount to bracket bolts  (2).
  13. Reposition both floor jacks in order to allow a 1/8 inch gap between the mount and bracket.
  14. Notice: Refer to Fastener Notice in the Preface section.


    Object Number: 1810135  Size: SH
  15. Tighten the transaxle adapter to transaxle bolts in the following sequence.
  16. 11.1. Rear
    11.2. Front
    11.3. Middle

    Tighten
    Tighten the bolts to 45 N·m (33 lb ft).


    Object Number: 1810250  Size: SH
  17. Tighten the engine mount to bracket bolts in the following sequence.
  18. 12.1. Middle
    12.2. Rear
    12.3. Front

    Tighten
    Tighten the bolts to 50 N·m (37 lb ft).

  19. Remove the floor jacks from under the oil pan.
  20. Shake the powertrain vigorously from front to rear and allow the powertrain to settle.
  21. Raise the vehicle.

  22. Object Number: 1810114  Size: SH
  23. Tighten the rear transaxle mount through bolt.
  24. Tighten
    Tighten the bolt to 100 N·m (74 lb ft).


    Object Number: 1810098  Size: SH
  25. Tighten the front transaxle mount through bolt.
  26. Tighten
    Tighten the bolt to 100 N·m (74 lb ft).

  27. Lower the vehicle.
  28. Install the battery tray. Refer to Battery Tray Replacement .
  29. Install the air cleaner assembly. Refer to Air Cleaner Assembly Replacement .