GM Service Manual Online
For 1990-2009 cars only
Makes
🢒
Saturn
🢒
2008
🢒
VUE - AWD
🢒
Diagnostic Navigation
🢒
Vehicle Diagnostic Information
🢒 Power Moding Schematics
Figure
1:
RAP Relay Control
Master Electrical Component List
Power Mode Description and Operation
Control Module References
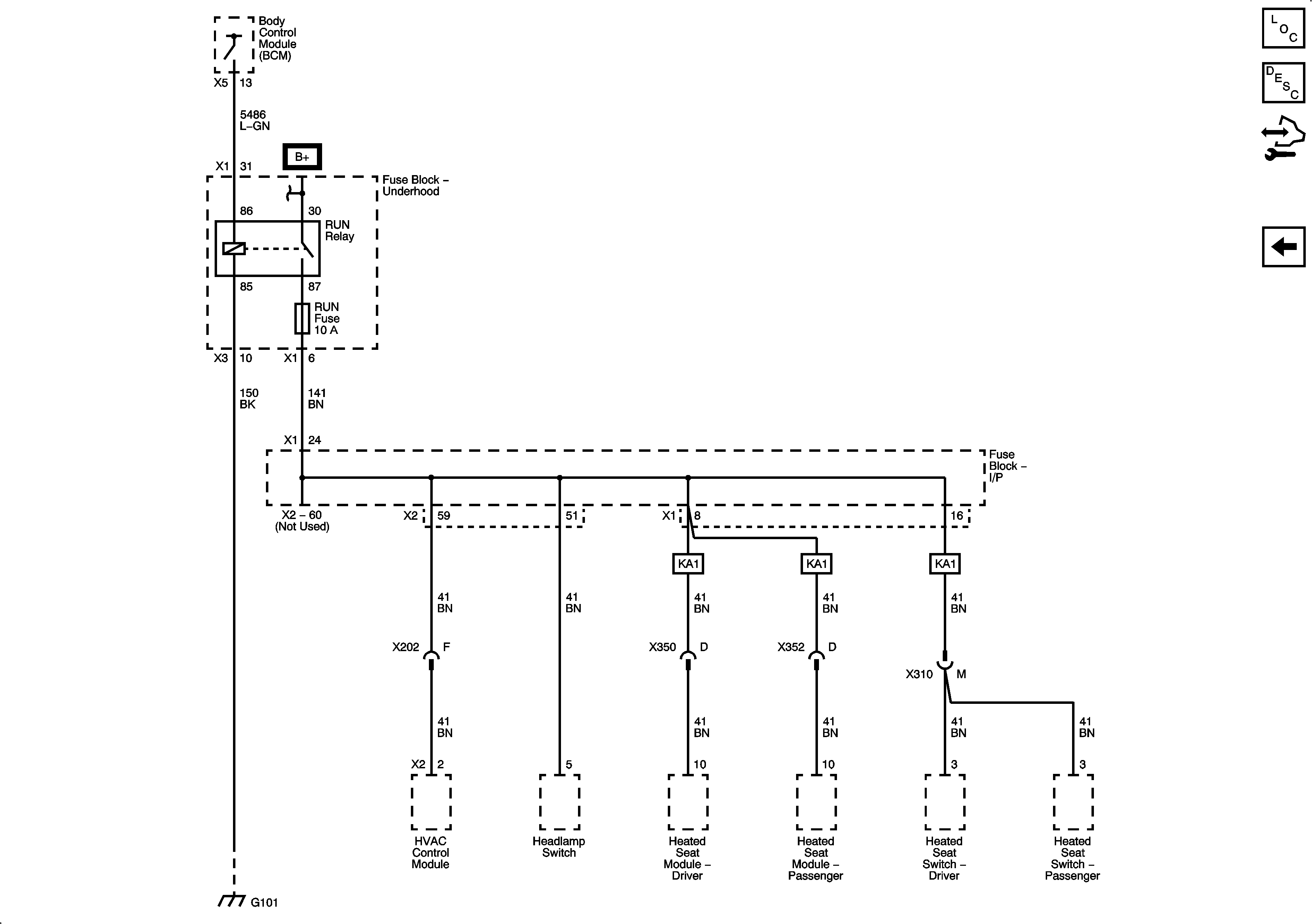
Run Relay
Figure
2:
Run Relay Control
Master Electrical Component List
Power Mode Description and Operation
Control Module References
RAP Relay Control