GM Service Manual Online
For 1990-2009 cars only
Makes
🢒
Saturn
🢒
2008
🢒
VUE - AWD
🢒
Diagnostic Navigation
🢒
Vehicle Diagnostic Information
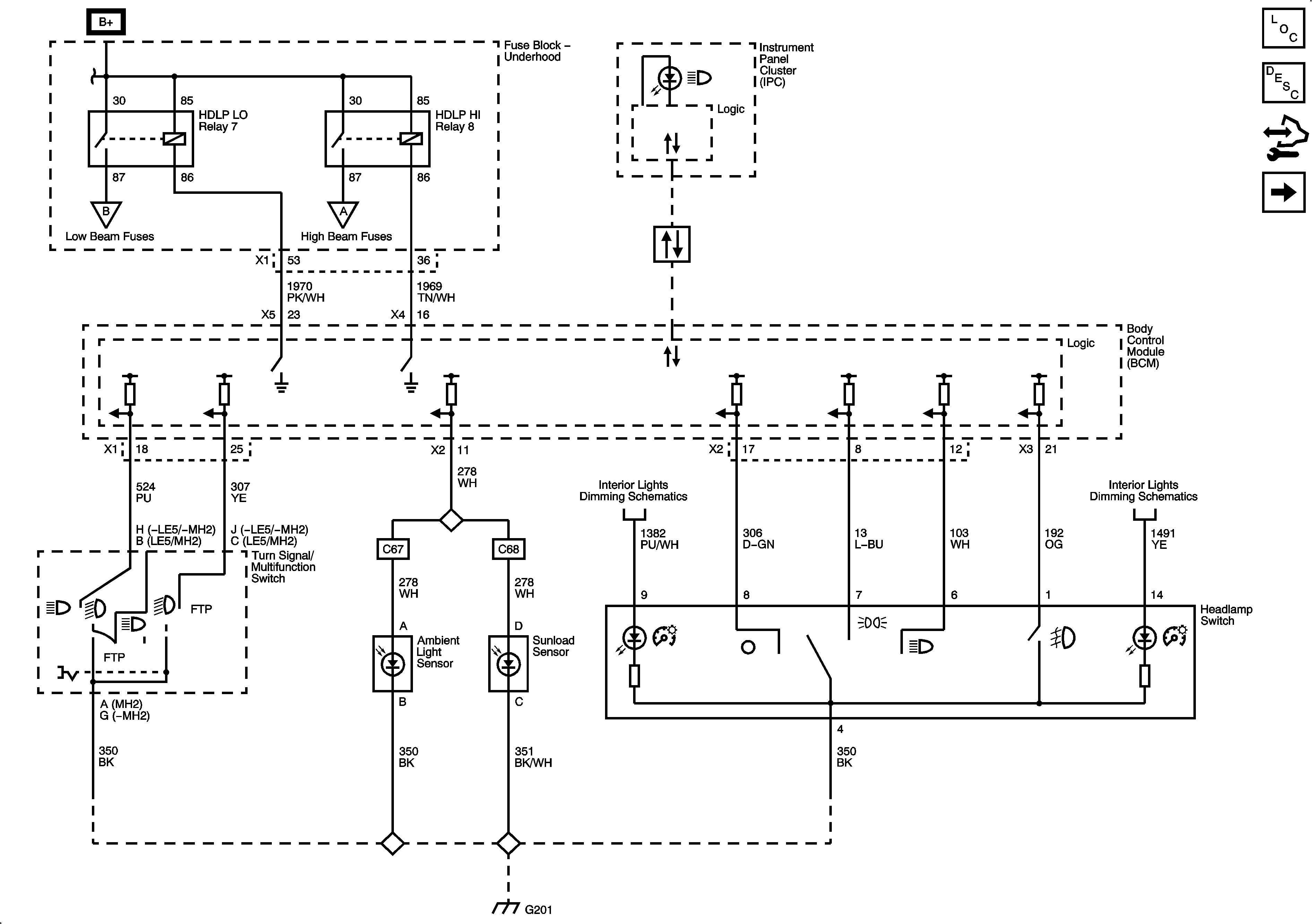
🢒 Headlights/Daytime Running Lights (DRL) Schematics
Figure
1:
Headlights Controls
Master Electrical Component List
Exterior Lighting Systems Description and Operation
Control Module References
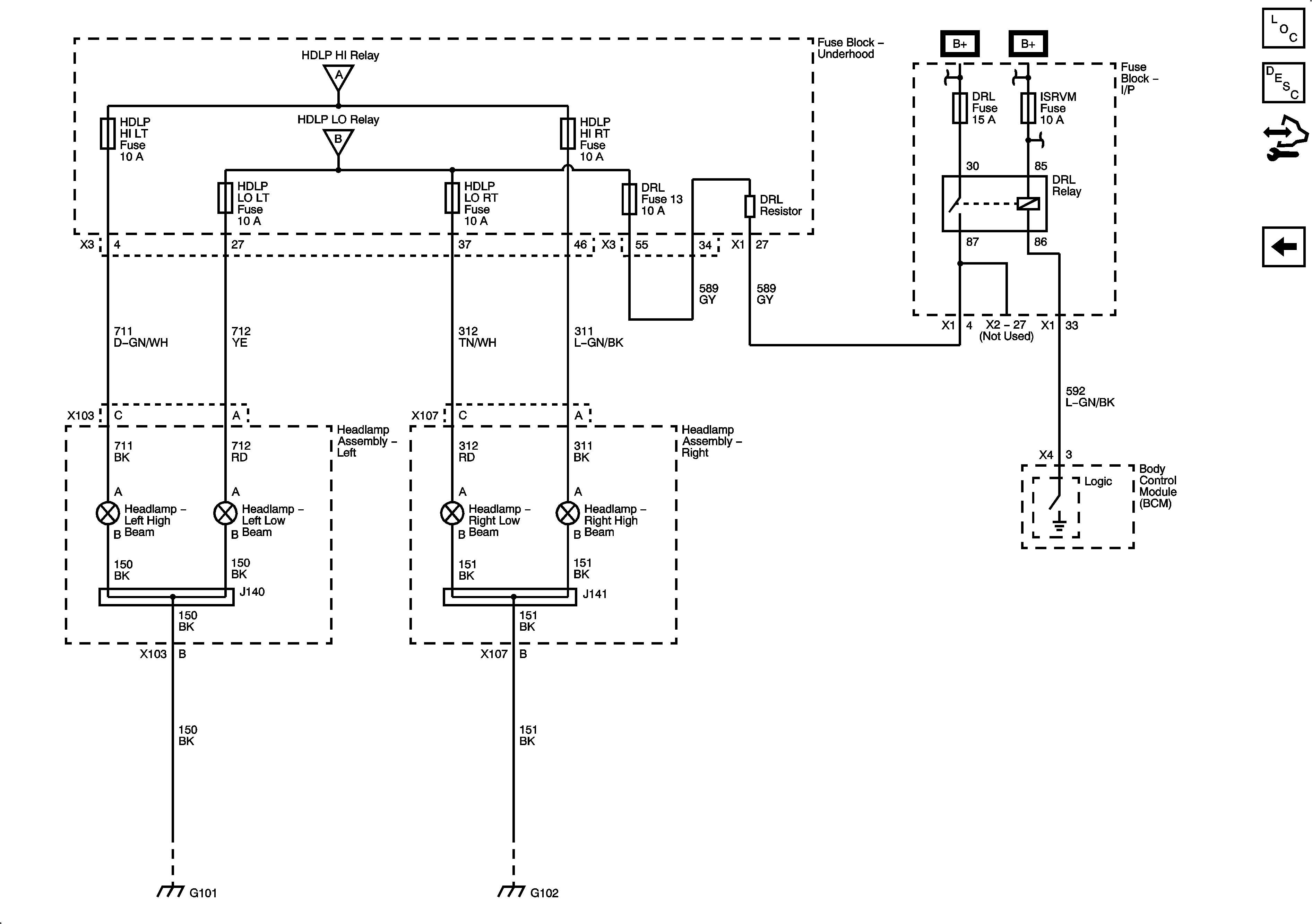
Headlights/DRL Schematics
Figure
2:
Headlights/DRL
Master Electrical Component List
Exterior Lighting Systems Description and Operation
Control Module References
Headlight Controls