GM Service Manual Online
For 1990-2009 cars only
Figure 1:

Backup Lights


Object Number: 1883337  Size: FS
Master Electrical Component List
Exterior Lighting Systems Description and Operation
Control Module References
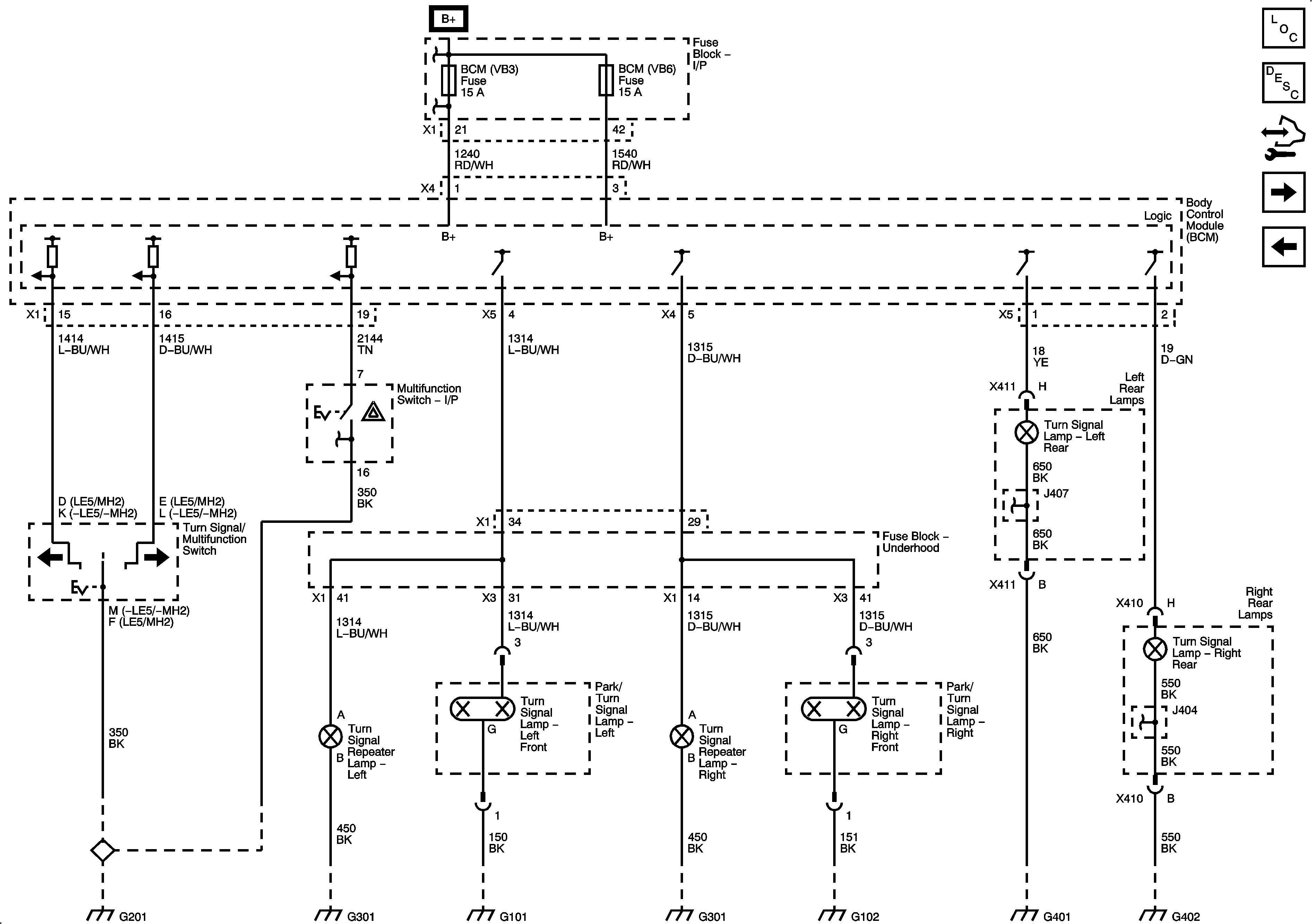
Turn and Hazard Lamps
Figure 2:

Turn/Hazard Lights


Object Number: 1883669  Size: FS
Master Electrical Component List
Exterior Lighting Systems Description and Operation
Control Module References
Marker Lamps
Backup Lamps
Figure 3:

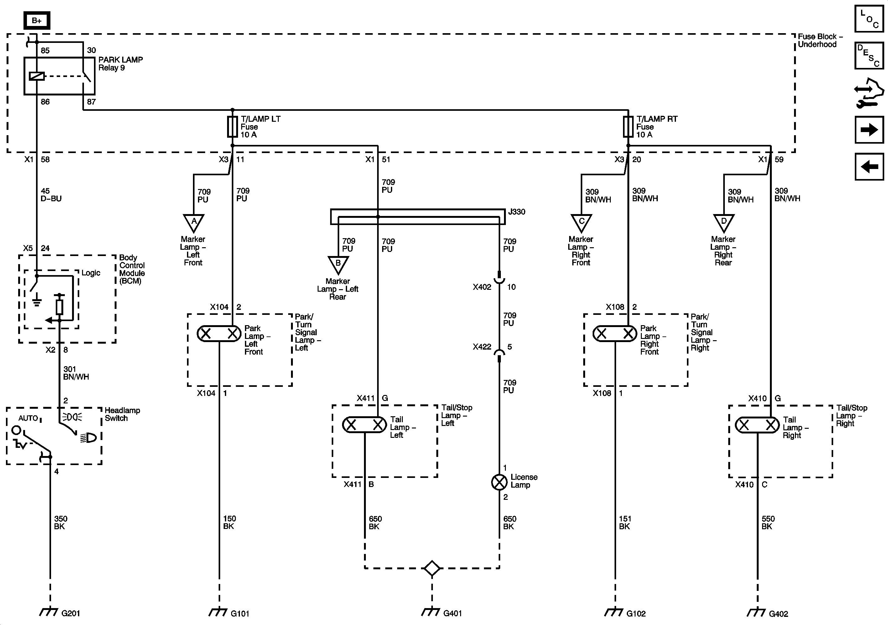
Park Lamps and License Lamp


Object Number: 1987410  Size: FS
Master Electrical Component List
Exterior Lighting Systems Description and Operation
Control Module References
Marker Lamps
Turn and Hazard Lamps
Figure 4:

Marker Lamps


Object Number: 1989735  Size: FS
Master Electrical Component List
Exterior Lighting Systems Description and Operation
Control Module References
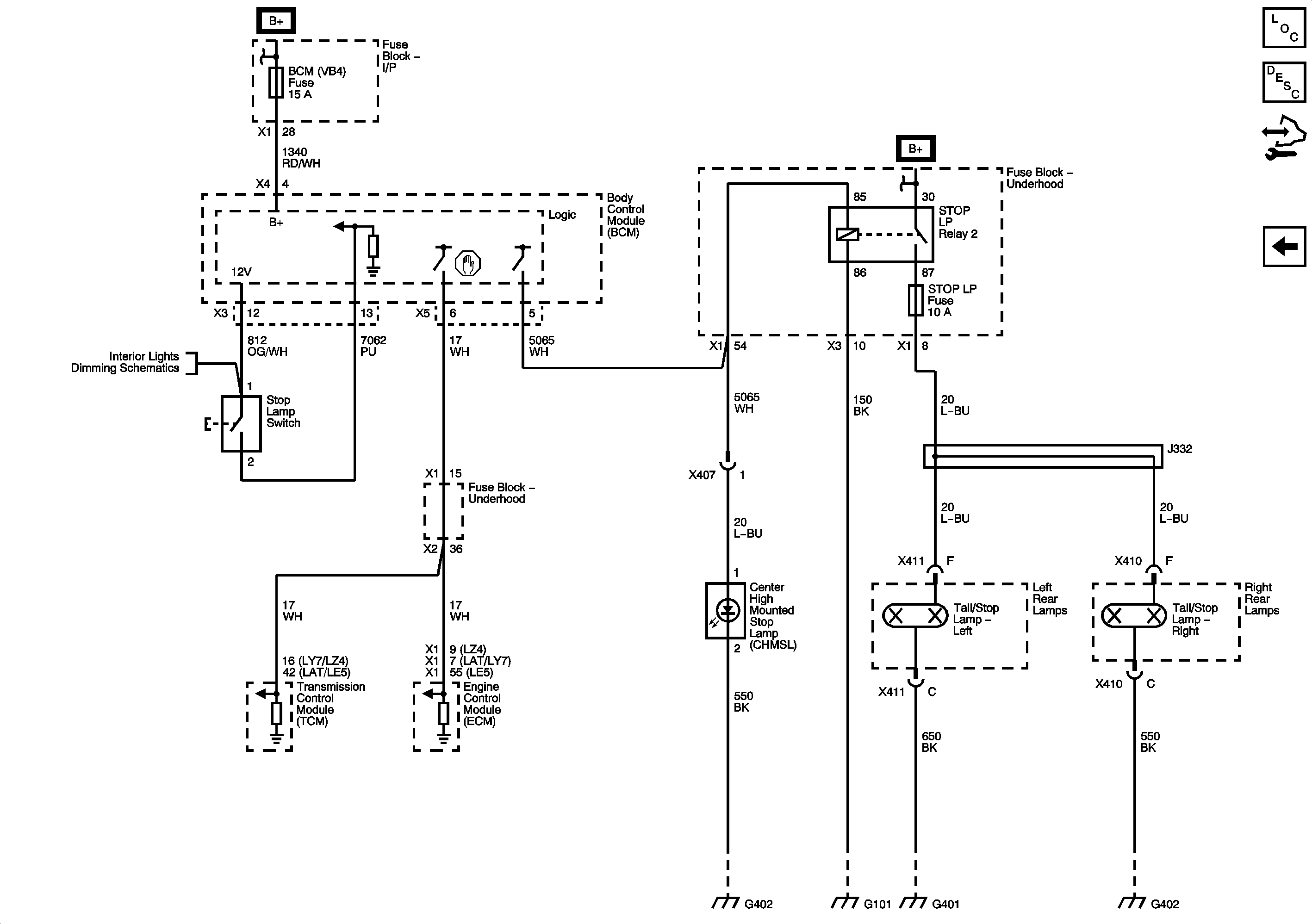
Stop Lamps
Park Lamps and License Lamp
Figure 5:

Stop Lights


Object Number: 1883670  Size: FS
Master Electrical Component List
Exterior Lighting Systems Description and Operation
Control Module References
Park Lamps and License Lamp