GM Service Manual Online
For 1990-2009 cars only
Makes
🢒
Saturn
🢒
2008
🢒
VUE - AWD
🢒
Diagnostic Navigation
🢒
Vehicle Diagnostic Information
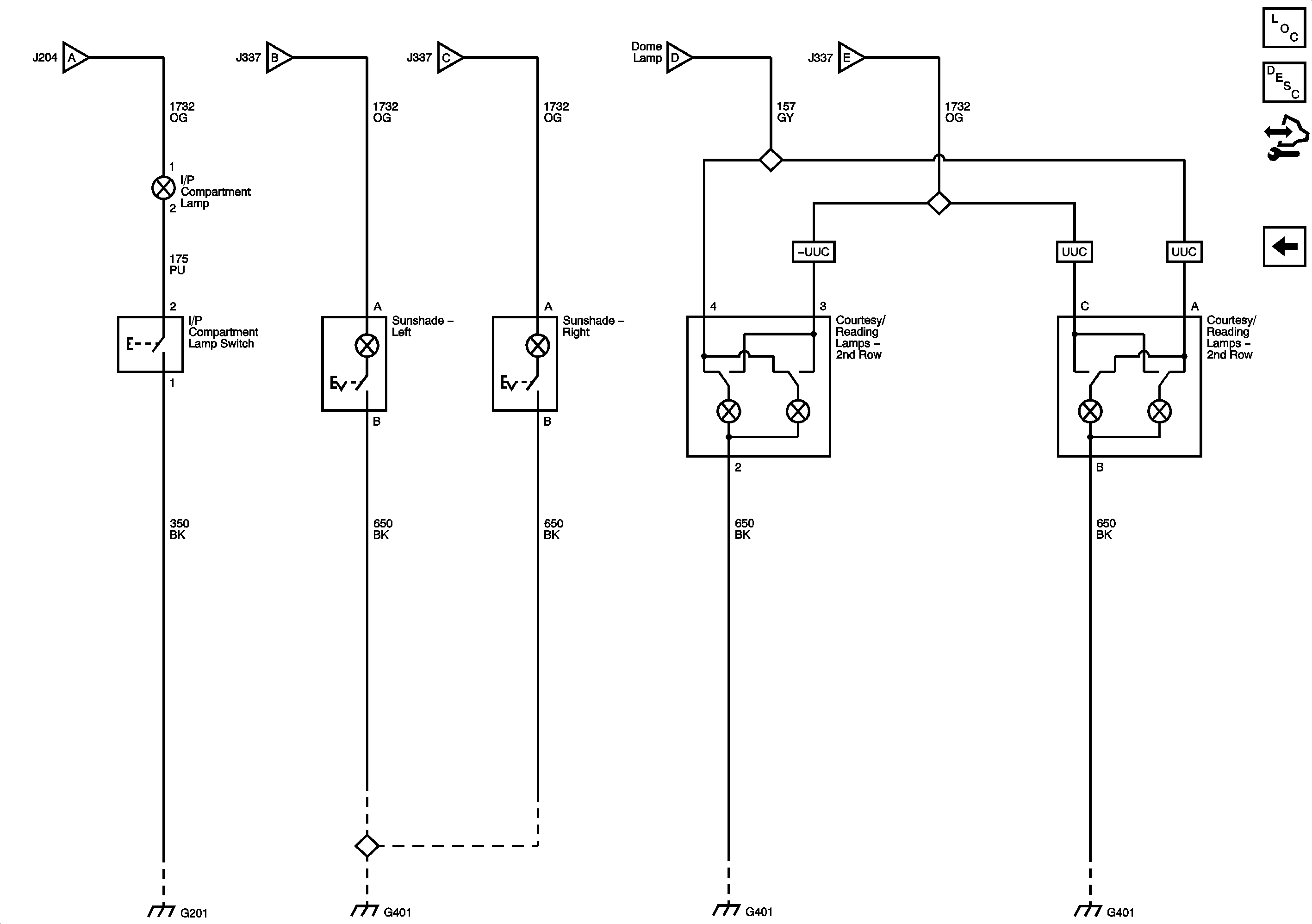
🢒 Interior Lights Schematics
Figure
1:
1 of 2
Master Electrical Component List
Interior Lighting Systems Description and Operation
Control Module References
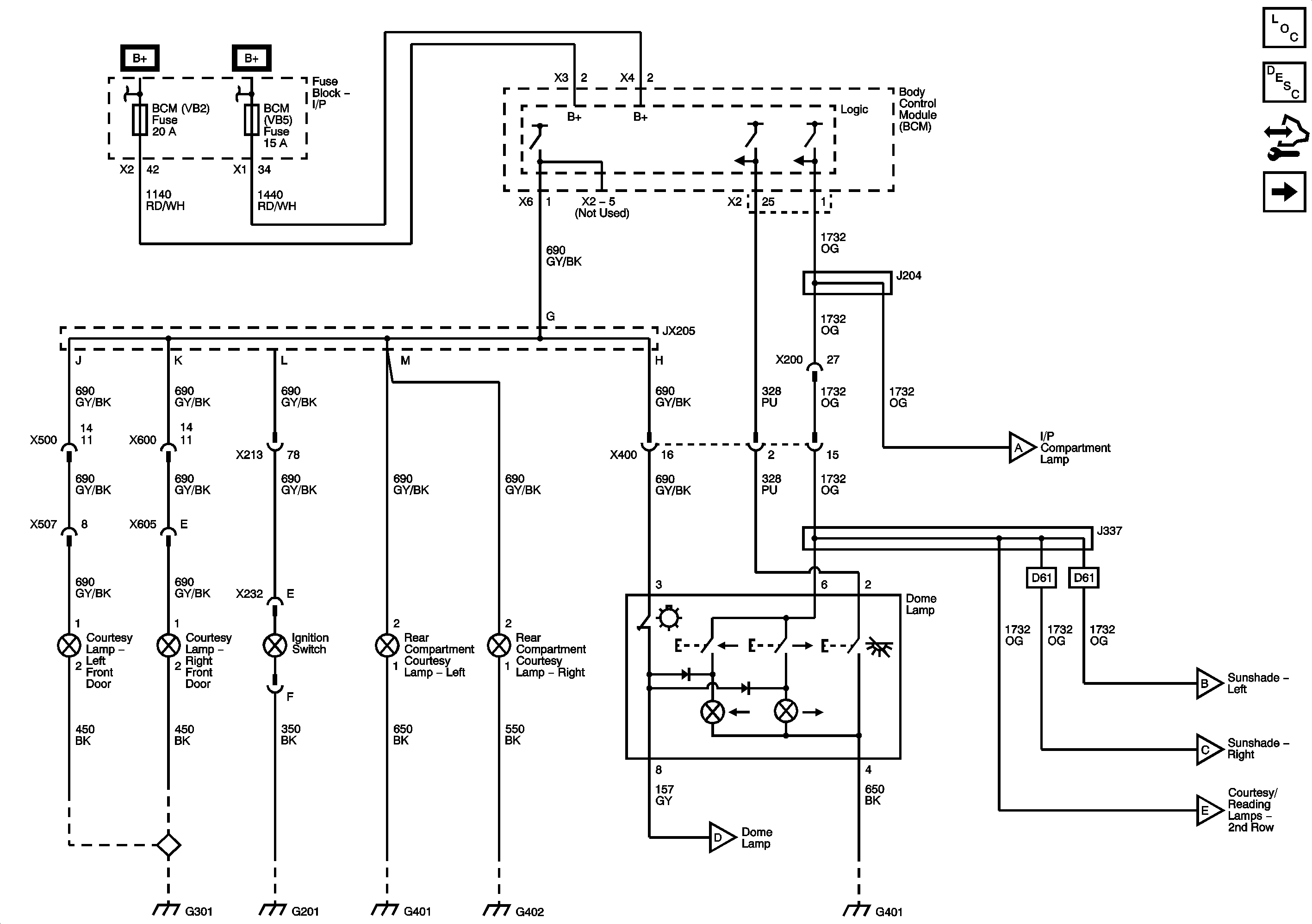
2 of 2
Figure
2:
2 of 2
Master Electrical Component List
Interior Lighting Systems Description and Operation
Control Module References
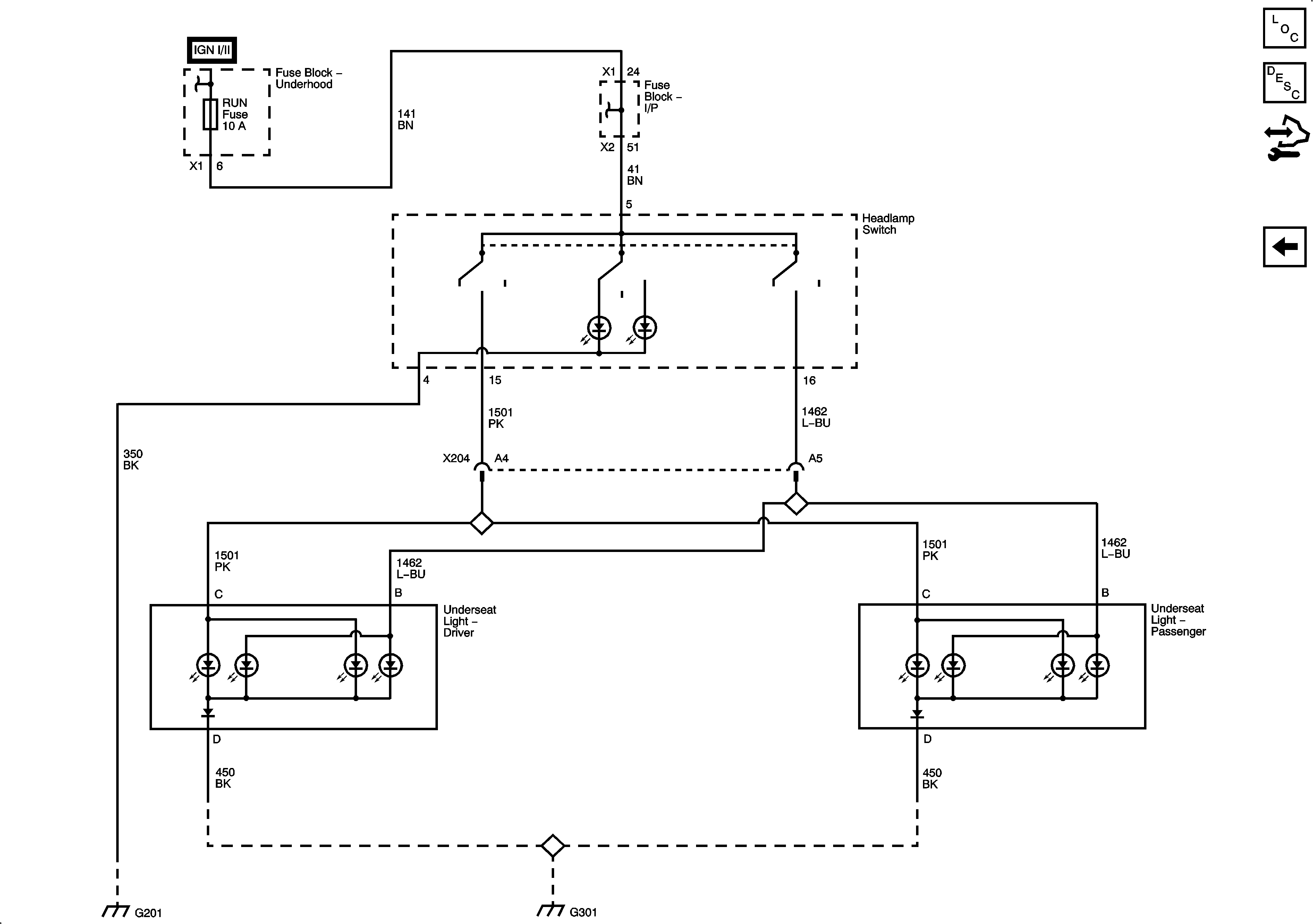
Underseat Lighting (C2B)
1 of 2
Figure
3:
Under Seat Lamps (C2B)
Master Electrical Component List
Interior Lighting Systems Description and Operation
Control Module References
2 of 2