GM Service Manual Online
For 1990-2009 cars only
Makes
🢒
Saturn
🢒
2008
🢒
VUE - AWD
🢒
Diagnostic Navigation
🢒
Vehicle Diagnostic Information
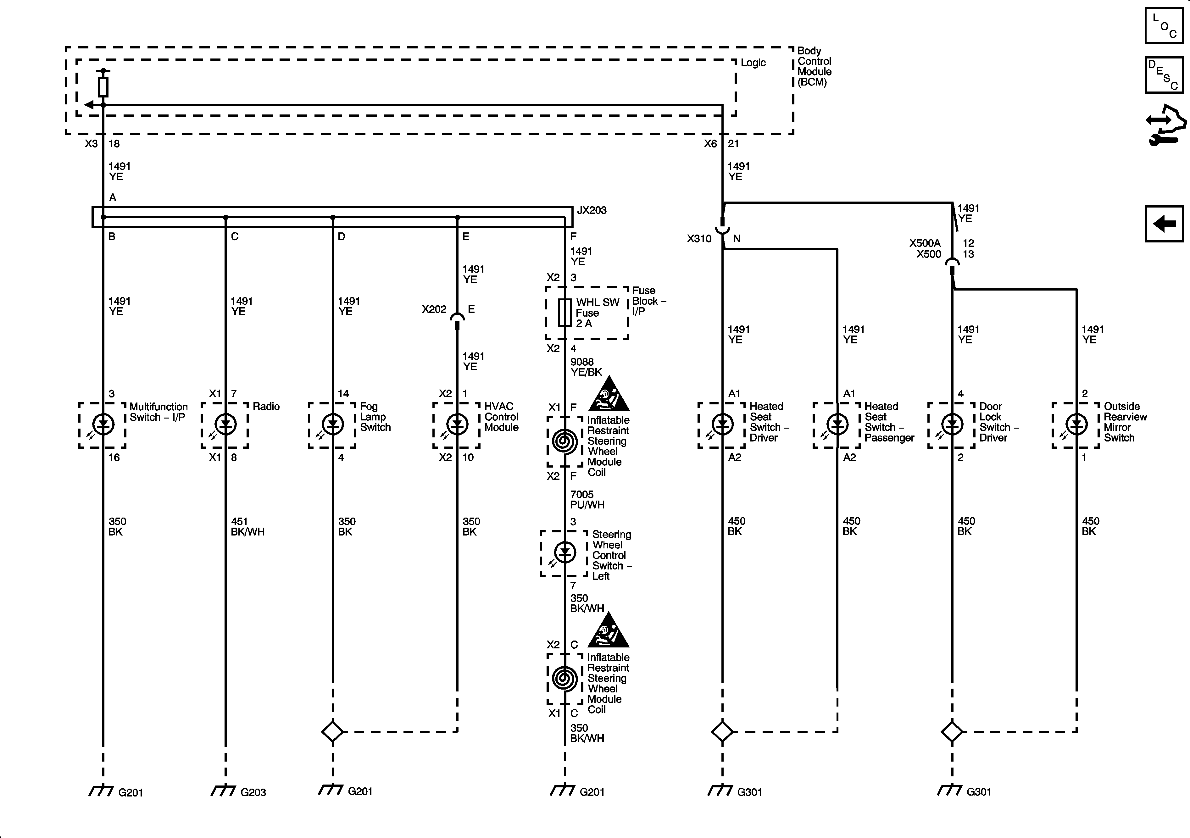
🢒 Interior Lights Dimming Schematics
Figure
1:
1 of 2
Master Electrical Component List
Interior Lighting Systems Description and Operation
Control Module References
2 of 2
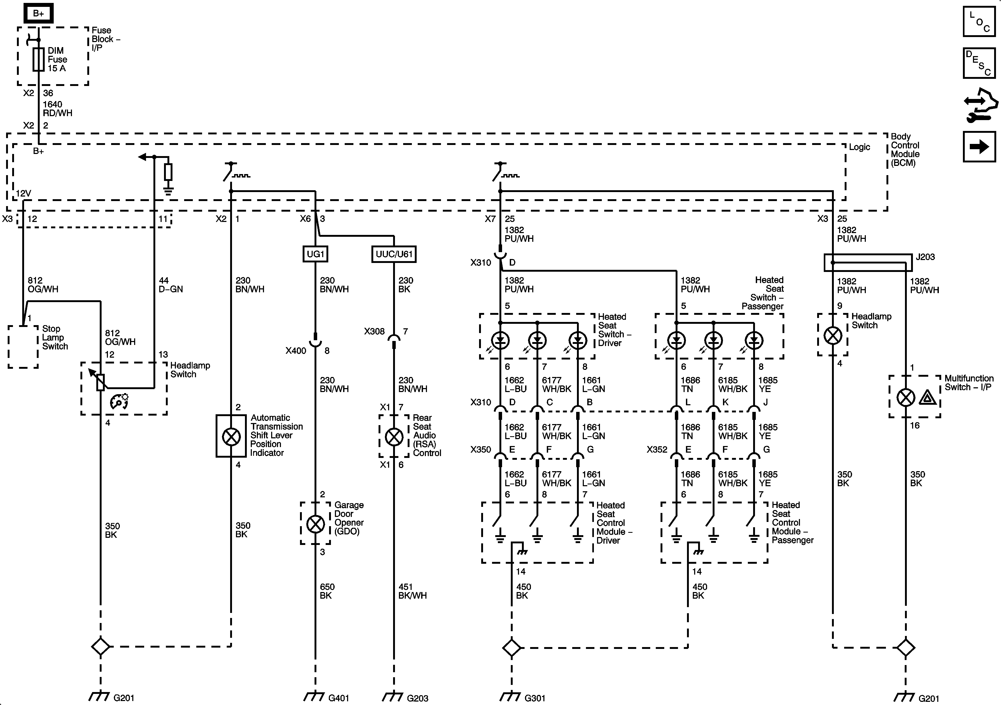
Figure
2:
2 of 2
Master Electrical Component List
Interior Lighting Systems Description and Operation
Control Module References
1 of 2