GM Service Manual Online
For 1990-2009 cars only

Transmission Replacement 3.5L LZ4

Removal Procedure

  1. Remove the battery tray support bracket. Refer to Battery Tray Support Bracket Replacement .

  2. Object Number: 1884034  Size: SH
  3. Disconnect the control valve body transmission control module (TCM) electrical connector (1).

  4. Object Number: 1809052  Size: SH
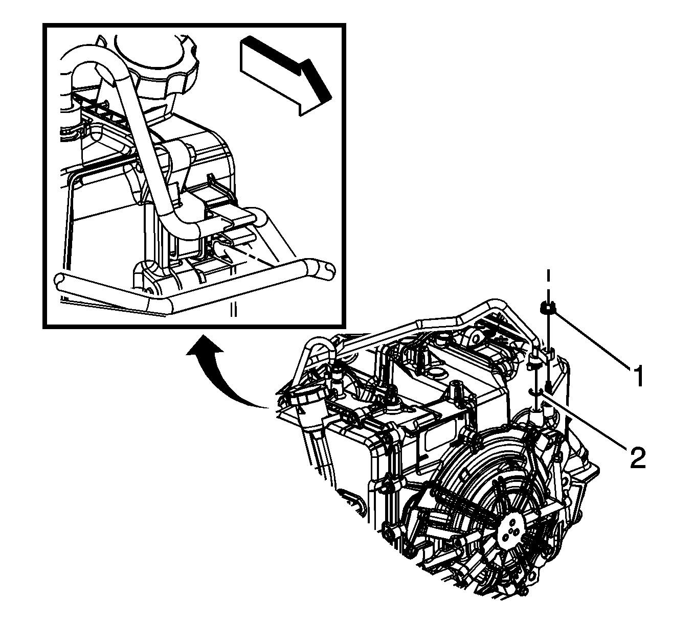
  5. Remove the transmission fluid cooler pipe retainer nut (1).
  6. Remove the transmission fluid cooler inlet hose and seal (2) from the transmission.
  7. Plug and/or cap the hose and transmission to prevent contamination.

  8. Object Number: 1809053  Size: SH
  9. Remove the transmission fluid cooler pipe retainer nut (1).
  10. Remove the transmission fluid cooler outlet hose and seal (2) from the transmission.
  11. Plug and/or cap the hose and transmission to prevent contamination.

  12. Object Number: 1875677  Size: SH
  13. Remove the upper transmission to engine bolts (2).
  14. Remove the range selector cable, cable bracket, and left transmission mount. Refer to Transmission Mount Replacement - Left Side .
  15. Remove the frame. Refer to Frame Replacement .
  16. Disconnect the wheel drives. Refer to Front Wheel Drive Shaft Replacement .
  17. Remove the intermediate drive shaft. Refer to Intermediate Shaft Replacement .
  18. Remove the rear transmission mount bracket. Refer to Transmission Mount Bracket Replacement - Rear .
  19. Remove the front transmission mount. Refer to Transmission Front Mount Replacement .
  20. Remove the transmission brace. Refer to Transmission Brace Replacement .

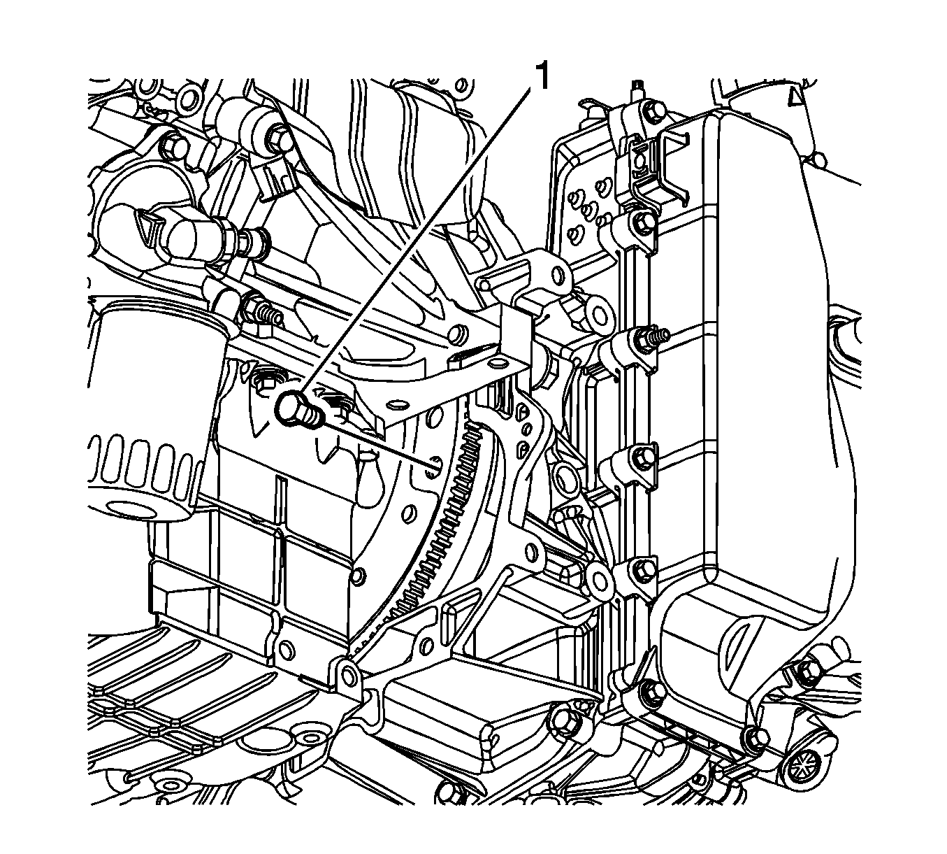
  21. Object Number: 1875676  Size: SH
  22. Remove the torque converter cover bolts (1, 2).
  23. Remove the torque converter cover (3).
  24. Remove the starter. Refer to Starter Motor Replacement .

  25. Object Number: 1884917  Size: SH
  26. Mark the relationship of the flywheel to the torque converter for reassembly.
  27. Remove the torque converter to flywheel bolts (1).
  28. Use a transmission jack in order to support the transmission.

  29. Object Number: 1875677  Size: SH
  30. Remove the remaining transmission bolts (1, 3).
  31. Important: Ensure the torque converter is removed with the transmission.

  32. Separate the transmission from the engine.
  33. Lower the transmission with the transmission jack far enough to remove the transmission.

Installation Procedure

  1. Raise the transmission with the transmission jack and position the transmission to the engine.
  2. Notice: Refer to Fastener Notice in the Preface section.


    Object Number: 1875677  Size: SH
  3. Install the lower transmission bolts (1, 3).
  4. Tighten
    Tighten the bolts to 75 N·m (55 lb ft).

  5. Remove the transmission jack.

  6. Object Number: 1884917  Size: SH
  7. Install the torque converter to flywheel bolts (1).
  8. Tighten
    Tighten the bolts to 62 N·m (46 lb ft).

  9. Install the starter. Refer to Starter Motor Replacement .

  10. Object Number: 1875676  Size: SH
  11. Install the torque converter cover (3).
  12. Install the torque converter cover bolts (1, 2).
  13. Tighten
    Tighten the bolts to 12 N·m (106 lb in).

  14. Install the transmission brace. Refer to Transmission Brace Replacement .
  15. Install the front transmission mount. Refer to Transmission Front Mount Replacement .
  16. Install the rear transmission mount bracket and mount. Refer to Transmission Mount Bracket Replacement - Rear .
  17. Install the intermediate drive shaft. Refer to Intermediate Shaft Replacement .
  18. Install the wheel drive shafts. Refer to Front Wheel Drive Shaft Replacement .
  19. Lower the vehicle.
  20. Install the left transmission mount, range selector cable bracket, and cable. Refer to Transmission Mount Replacement - Left Side .

  21. Object Number: 1875677  Size: SH
  22. Install the upper transmission to engine bolt (2).
  23. Tighten
    Tighten the bolts to 75 N·m (55 lb ft).

  24. Install the frame. Refer to Frame Replacement .

  25. Object Number: 1809053  Size: SH
  26. Install the transmission fluid cooler outlet hose and seal (2) to the transmission.
  27. Install the transmission fluid cooler pipe retainer nut (1).
  28. Tighten
    Tighten the nut to 22 N·m (16 lb ft).


    Object Number: 1809052  Size: SH
  29. Install the transmission fluid cooler inlet hose and seal (2) to the transmission.
  30. Install the transmission fluid cooler pipe retainer nut (1).
  31. Tighten
    Tighten the nut to 22 N·m (16 lb ft).


    Object Number: 1884034  Size: SH
  32. Connect the control valve body TCM electrical connector (1).
  33. Install the battery tray support bracket. Refer to Battery Tray Support Bracket Replacement .
  34. Adjust the automatic transmission range selector lever cable. Refer to Range Selector Lever Cable Adjustment .
  35. Verify the proper fluid level of the transmission. Refer to Transmission Fluid Check .
  36. For transmission control module programming and setup, refer to Control Module References .
  37. Important: After an internal transmission repair or internal part replacement the service fast learn adapt procedure should be performed.

  38. Perform the service fast learn adapt procedure. Refer to Service Fast Learn Adapts .
  39. Road test the vehicle.

Transmission Replacement 3.6 LY7

Removal Procedure

  1. Remove the battery tray support bracket. Refer to Battery Tray Support Bracket Replacement .

  2. Object Number: 1884034  Size: SH
  3. Disconnect the control valve body transmission control module (TCM) electrical connector (1).

  4. Object Number: 1809052  Size: SH
  5. Remove the transmission fluid cooler pipe retainer nut (1).
  6. Remove the transmission fluid cooler inlet hose and seal (2) from the transmission.
  7. Plug and/or cap the hose and transmission to prevent contamination.

  8. Object Number: 1809053  Size: SH
  9. Remove the transmission fluid cooler pipe retainer nut (1).
  10. Remove the transmission fluid cooler outlet hose and seal (2) from the transmission.
  11. Plug and/or cap the hose and transmission to prevent contamination.

  12. Object Number: 1831026  Size: SH
  13. Remove the upper transmission to engine bolts (1, 2).
  14. Remove the range selector cable, cable bracket, and left transmission mount. Refer to Transmission Mount Replacement - Left Side .
  15. Remove the frame. Refer to Frame Replacement .
  16. Disconnect the wheel drive shafts. Refer to Front Wheel Drive Shaft Replacement .
  17. Remove the transfer case, all wheel drive (AWD) only. Refer to Transfer Case Assembly Replacement .
  18. Remove the intermediate drive shaft, front wheel drive (FWD) only. Refer to Intermediate Shaft Replacement .
  19. Remove the rear transmission mount bracket, FWD only. Refer to Transmission Mount Bracket Replacement - Rear .
  20. Remove the front transmission mount. Refer to Transmission Front Mount Replacement .

  21. Object Number: 1875672  Size: SH
  22. Remove the starter. Refer to Starter Motor Replacement .
  23. Mark the relationship of the flywheel to the torque converter for reassembly.
  24. Remove the torque converter to flywheel bolts (1).
  25. Use a transmission jack in order to support the transmission.

  26. Object Number: 1831024  Size: SH
  27. Remove the flywheel inspection cover bolts (2, 3).
  28. Remove the flywheel inspection cover (1).
  29. Remove the remaining transmission bolts (4).
  30. Separate the transmission from the engine.
  31. Lower the transmission with the transmission jack far enough to remove the transmission.

Installation Procedure

  1. Raise the transmission with the transmission jack and position the transmission to the engine.
  2. Notice: Refer to Fastener Notice in the Preface section.


    Object Number: 1831024  Size: SH
  3. Install the transmission bolts (4).
  4. Tighten
    Tighten the bolts to 75 N·m (55 lb ft).

  5. Install the flywheel inspection cover (1).
  6. Install the flywheel inspection cover bolts (2, 3).
  7. Tighten
    Tighten the bolts to 75 N·m (55 lb ft).

  8. Remove the transmission jack.

  9. Object Number: 1875672  Size: SH
  10. Install the torque converter to flywheel bolts (1).
  11. Tighten
    Tighten the bolts to 62 N·m (46 lb ft).

  12. Install the starter. Refer to Starter Motor Replacement .
  13. Install the front transmission mount. Refer to Transmission Front Mount Replacement .
  14. Install the rear transmission mount bracket and mount, FWD only. Refer to Transmission Mount Bracket Replacement - Rear .
  15. Install the intermediate drive shaft, FWD only. Refer to Intermediate Shaft Replacement .
  16. Install the transfer case, AWD only. Refer to Transfer Case Assembly Replacement .
  17. Install the wheel drive shafts. Refer to Front Wheel Drive Shaft Replacement .
  18. Lower the vehicle.
  19. Install the left transmission mount, range selector cable bracket, and cable. Refer to Transmission Mount Replacement - Left Side .

  20. Object Number: 1831026  Size: SH
  21. Install the upper transmission to engine bolt (1, 2).
  22. Tighten
    Tighten the bolts to 75 N·m (55 lb ft).

  23. Install the frame. Refer to Frame Replacement .

  24. Object Number: 1809053  Size: SH
  25. Install the transmission fluid cooler outlet hose and seal (2) to the transmission.
  26. Install the transmission fluid cooler pipe retainer nut (1).
  27. Tighten
    Tighten the nut to 22 N·m (16 lb ft).


    Object Number: 1809052  Size: SH
  28. Install the transmission fluid cooler inlet hose and seal (2) to the transmission.
  29. Install the transmission fluid cooler pipe retainer nut (1).
  30. Tighten
    Tighten the nut to 22 N·m (16 lb ft).


    Object Number: 1884034  Size: SH
  31. Connect the control valve body TCM electrical connector (1).
  32. Install the battery tray support bracket. Refer to Battery Tray Support Bracket Replacement .
  33. Adjust the automatic transmission range selector lever cable. Refer to Range Selector Lever Cable Adjustment .
  34. Verify the proper fluid level of the transmission. Refer to Transmission Fluid Check .
  35. For transmission control module programming and setup, refer to Control Module References .
  36. Important: After an internal transmission repair or internal part replacement the service fast learn adapt procedure should be performed.

  37. Perform the service fast learn adapt procedure. Refer to Service Fast Learn Adapts .
  38. Road test the vehicle.