GM Service Manual Online
For 1990-2009 cars only
Makes
🢒
Saturn
🢒
2008
🢒
VUE - AWD
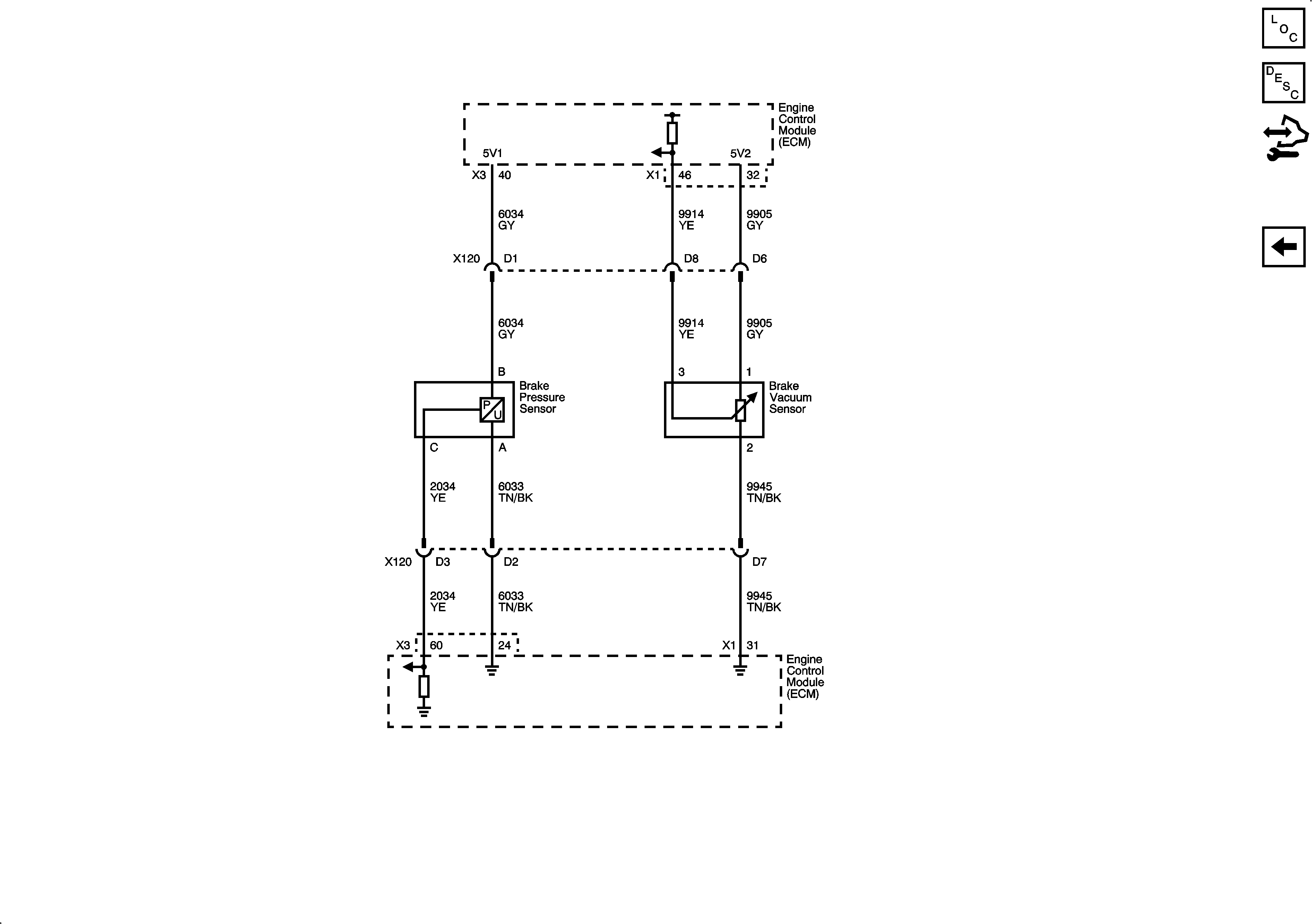
🢒 Brake Pressure and Vacuum Sensors (HP7)
Brake Pressure and Vacuum Sensors (HP7)
Brake Pressure and Vacuum Sensors (HP7)
Master Electrical Component List
Control Module References
Hill Hold Valve (HP7)