GM Service Manual Online
For 1990-2009 cars only

Coolant Recovery Reservoir Replacement HP5

Removal Procedure

  1. Drain the cooling system. Refer to Cooling System Draining and Filling
  2. Remove the underhood junction block. Refer to Underhood Electrical Center or Junction Block Replacement
  3. Remove the radiator vent inlet hose. Refer to Radiator Vent Inlet Hose Replacement

  4. Object Number: 2158169  Size: SH
  5. Remove the coolant recovery reservoir bolt (1).

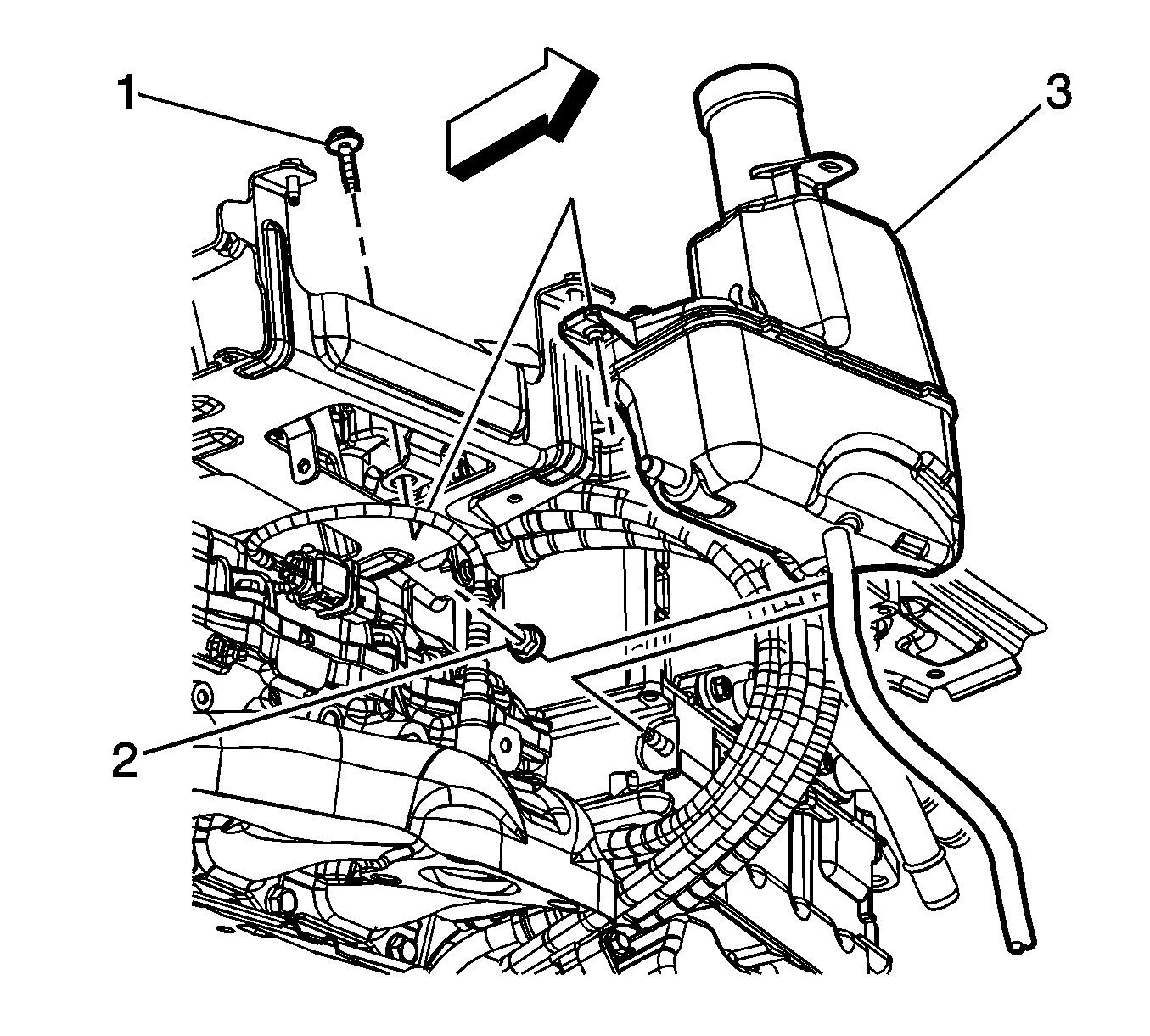
  6. Object Number: 2158166  Size: SH
  7. Remove the coolant recovery reservoir bolt (1).
  8. Remove the coolant recovery reservoir nut (2).
  9. Unclip the coolant recovery reservoir hose from the fan shroud.
  10. Remove the coolant recovery reservoir (3) from the vehicle.

Installation Procedure


    Object Number: 2158166  Size: SH
  1. Install the coolant recovery reservoir (3) to the vehicle.
  2. Clip the coolant recovery reservoir hose to the fan shroud.
  3. Caution: Refer to Fastener Caution in the Preface section.

  4. Install the coolant recovery reservoir nut (2) and tighten to 7.5 N·m (66 lb in).
  5. Install the coolant recovery reservoir bolt (1) and tighten to 7.5 N·m (66 lb in).

  6. Object Number: 2158169  Size: SH
  7. Install the coolant recovery reservoir bolt (1) and tighten to 7.5 N·m (66 lb in).
  8. Install the radiator vent inlet hose. Refer to Radiator Vent Inlet Hose Replacement
  9. Install the underhood junction block. Refer to Underhood Electrical Center or Junction Block Replacement
  10. Fill the cooling system. Refer to Cooling System Draining and Filling