GM Service Manual Online
For 1990-2009 cars only

Engine Coolant Fan Motor Replacement HP5


Object Number: 2150505  Size: MF

Callout

Component Name

Preliminary Procedures

  1. Remove the cooling fan and shroud. Refer to Cooling Fan and Shroud Replacement
  2. Remove the engine coolant fan blades. Refer to Engine Coolant Fan Replacement
  3. Disconnect the fan motors electrical connectors.

1

Engine Coolant Fan Motor Retainers (Qty 6)

Caution: Refer to Fastener Caution in the Preface section.

Tighten
8 N·m (71 lb in)

2

Engine Coolant Fan Motor

Engine Coolant Fan Motor Replacement LAT


Object Number: 1877429  Size: MF

Callout

Component Name

Preliminary Procedures

  1. Remove the cooling fan and shroud. Refer to Cooling Fan and Shroud Replacement.
  2. Remove the cooling fan blade. Refer to Engine Coolant Fan Replacement.
  3. Unclip the fan motors wiring harness from the fan shroud.

1

Cooling Fan Motor Bolt (Qty: 3)

Caution: Refer to Fastener Caution in the Preface section.

Tighten
8 N·m (71 lb in)

2

Cooling Fan Motor

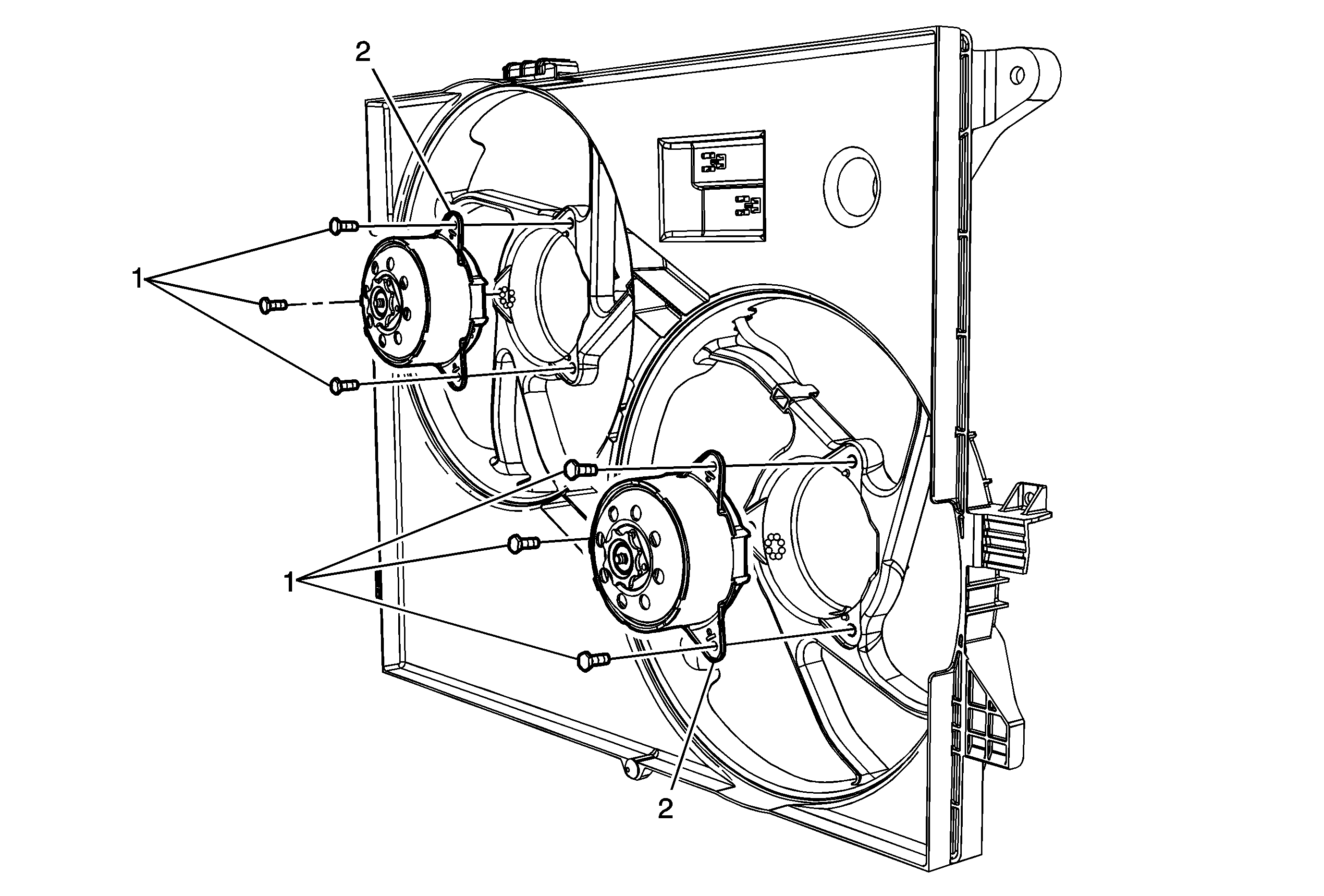
Engine Coolant Fan Motor Replacement LE5, LZ4, LY7


Object Number: 1877411  Size: MF

Callout

Component Name

Preliminary Procedures

  1. Remove the cooling fan and shroud. Refer to Cooling Fan and Shroud Replacement.
  2. Remove the cooling fan blade(s). Refer to Engine Coolant Fan Replacement.
  3. Unclip wiring harness to fan motors from fan shroud.

1

Cooling Fan Motor Bolt (Qty: 6)

Caution: Refer to Fastener Caution in the Preface section.

Tighten
8 N·m (71 lb in)

2

Cooling Fan Motor