GM Service Manual Online
For 1990-2009 cars only
Figure 1:

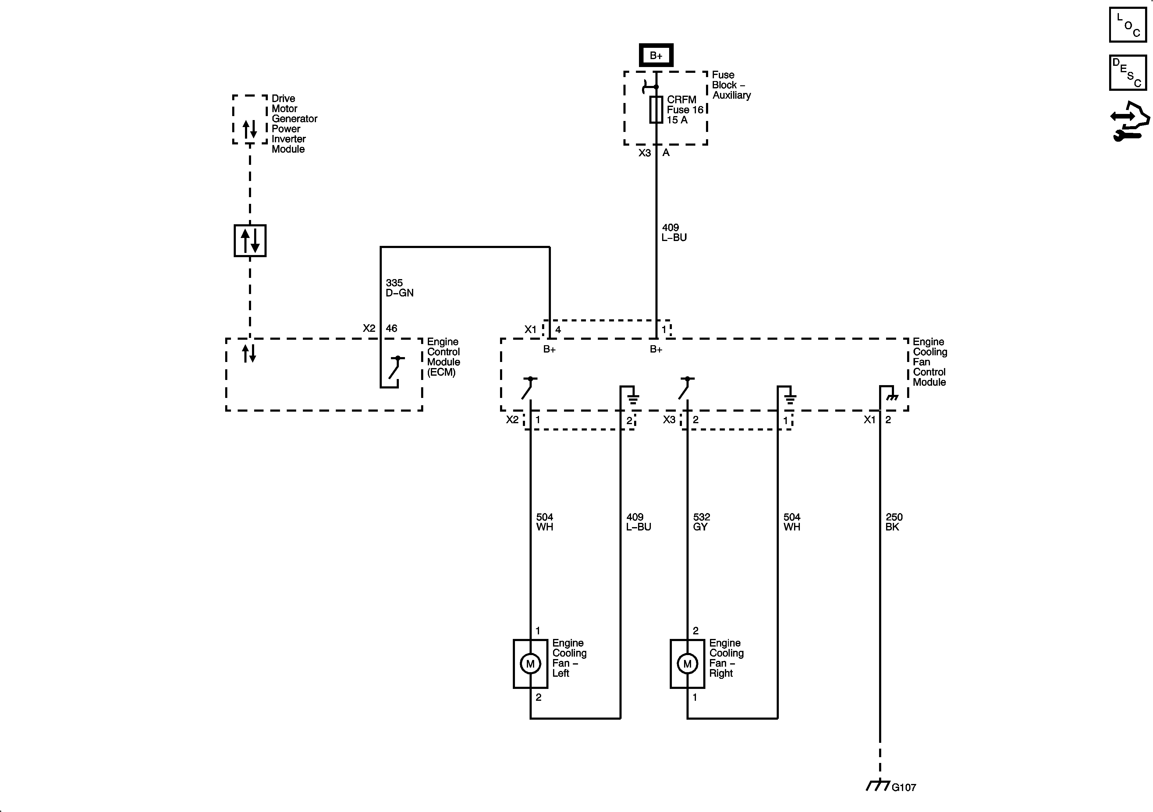
Engine Cooling (LCS)


Object Number: 2148599  Size: FS
Figure 2:

LAT


Object Number: 2079854  Size: FS
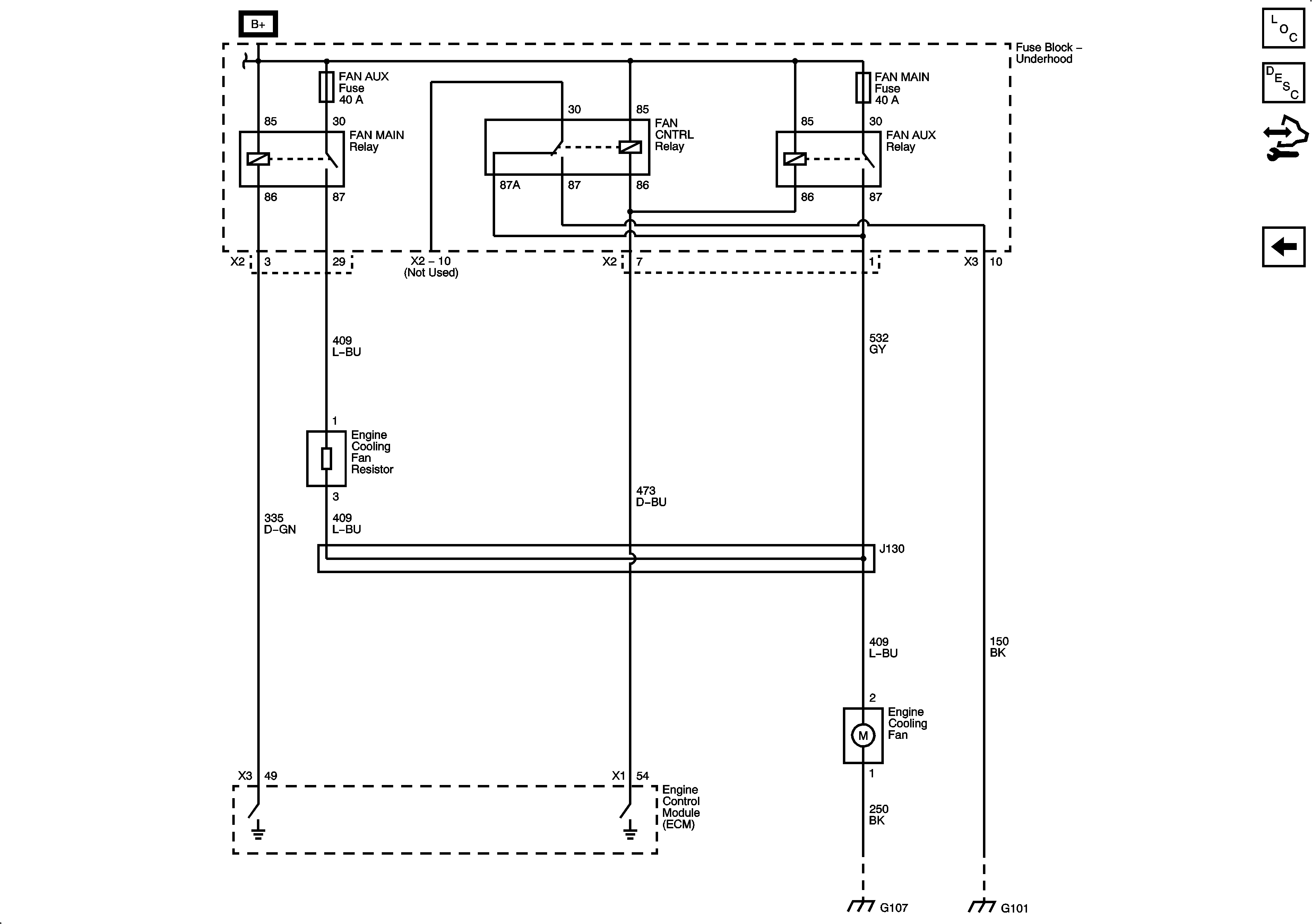
Figure 3:

LE5/LY7/LZ4


Object Number: 2079850  Size: FS