GM Service Manual Online
For 1990-2009 cars only

Special Tools

    • J 38185
    • J 43828
    • J 44015
    • J 44015
    • SA91100C

Removal Procedure

  1. Disconnect the negative battery cable. Refer to Battery Negative Cable Disconnection and Connection
  2. For the LAT engine, disconnect the hybrid battery. Refer to Hybrid Battery Service Disconnect/Connect
  3. Remove the hood. Refer to Hood Replacement
  4. Recover the refrigerant. Refer to Refrigerant Recovery and Recharging

  5. Object Number: 1683133  Size: SH
  6. Relieve the fuel system pressure. Refer to Fuel Pressure Relief
  7. Remove the air cleaner outlet duct. Refer to Air Cleaner Outlet Duct Replacement
  8. Remove the air cleaner assembly. Refer to Air Cleaner Assembly Replacement
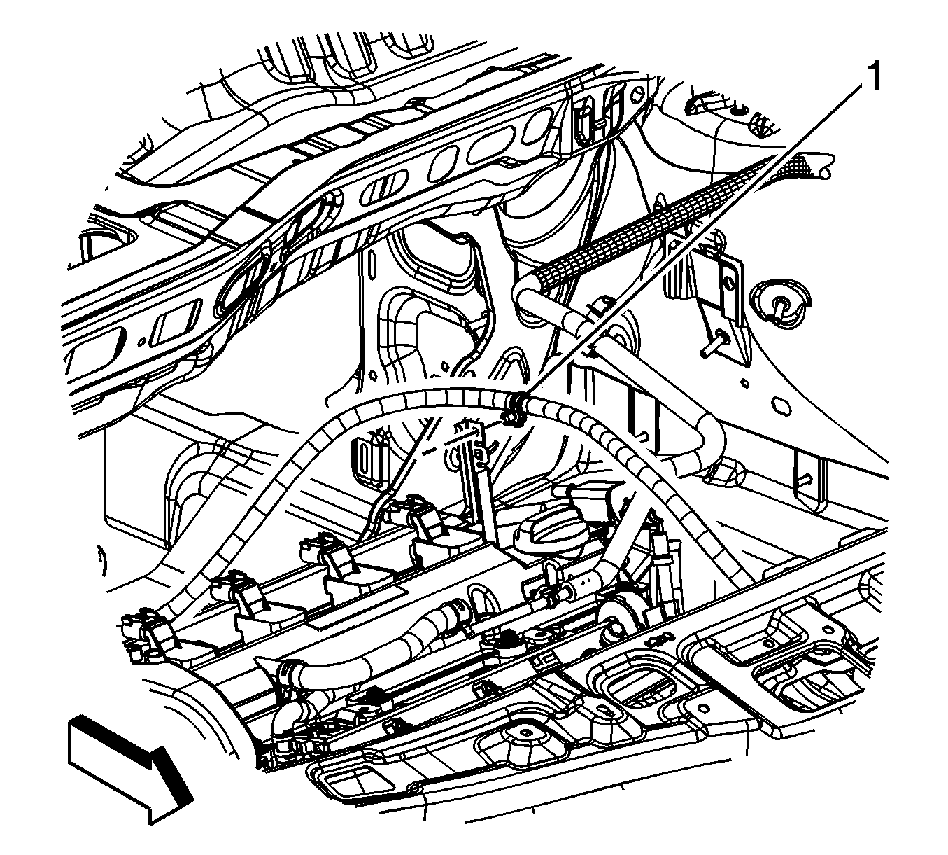
  9. Disconnect the fuel feed pipe (1) quick connect fitting at the fuel rail. Refer to Metal Collar Quick Connect Fitting Service
  10. Disconnect the evaporative emission (EVAP) line (3) quick connect fitting from the EVAP purge solenoid. Refer to Plastic Collar Quick Connect Fitting Service
  11. Remove the fuel feed pipe clip (2) from the fuel line bracket.

  12. Object Number: 1834359  Size: SH
  13. Remove the transaxle shift cable clip (1) from the fuel line bracket.
  14. Remove the bolts from the engine control module and position aside. Refer to Engine Control Module Replacement
  15. For the LE5, remove the battery box. Refer to Battery Box Replacement
  16. For the LAT, remove the battery tray. Refer to Battery Tray Replacement
  17. On the LAT engine, remove the generator starter. Refer to Generator with Starter Replacement
  18. Remove the exhaust manifold heat shield. Refer to Exhaust Manifold Heat Shield Replacement
  19. Remove the oxygen sensors. Refer to Heated Oxygen Sensor 1 Replacement and Heated Oxygen Sensor 2 Replacement
  20. Remove the throttle body. Refer to Throttle Body Assembly Replacement.
  21. Remove the engine oil level indicator.
  22. Raise and support the vehicle. Refer to Lifting and Jacking the Vehicle.
  23. Remove the front wheels and tires. Refer to Tire and Wheel Removal and Installation.
  24. Drain the cooling system. Refer to Cooling System Draining and Filling.
  25. Drain the engine oil. Refer to Engine Oil and Oil Filter Replacement.
  26. Lower the vehicle.

  27. Object Number: 1810786  Size: SH
  28. On all engines, reposition the vacuum brake booster hose clamp (1) at the intake manifold.
  29. Remove the vacuum brake booster hose (2) from the intake manifold. Reposition the brake booster hose out of the way.

  30. Object Number: 1812505  Size: SH
  31. Remove the coolant recovery inlet hose clamp (2) at the cylinder head.
  32. Remove the coolant recovery inlet pipe clip from the fuel rail.
  33. Remove the coolant recovery inlet hose (1) from the cylinder head. Reposition the hose/pipe out of the way.

  34. Object Number: 1656126  Size: SH
  35. Reposition the radiator inlet hose clamp using the J 38185
  36. Remove the radiator inlet hose from the cylinder head.
  37. Remove the radiator outlet hose. Refer to Radiator Outlet Hose Replacement

  38. Object Number: 1816290  Size: SH
  39. On LAT engine, reposition the generator control module coolant hose clamp (1) at the generator control module.
  40. Remove the generator control module coolant hose from the generator control module.

  41. Object Number: 1816297  Size: SH
  42. Disconnect the engine wiring harness electrical connector (1) from the transaxle auxiliary pump module.

  43. Object Number: 1812209  Size: SH
  44. Remove the auxiliary heater water pump hose clip (1) from the heater outlet hose.
  45. On all engines, reposition the heater inlet hose clamp at the thermostat housing.
  46. Remove the heater inlet hose (3) from the thermostat housing.
  47. Reposition the coolant recovery reservoir/heater inlet hose (2) clamp at the thermostat housing.
  48. Remove the coolant recovery reservoir/heater inlet hose (2) from the thermostat housing.
  49. Raise and support the vehicle. Refer to Lifting and Jacking the Vehicle

  50. Object Number: 1811958  Size: SH
  51. On LAT engine, disconnect the engine wiring harness electrical connector (1) from the generator control module coolant pump.
  52. On all engines, disconnect the engine wiring harness electrical connector (2) from the air conditioning (A/C) compressor.

  53. Object Number: 1811960  Size: SH
  54. On LAT engine, remove the generator control module coolant pump bolt and pump.

  55. Object Number: 1811970  Size: SH
  56. On all engines, unbolt the A/C compressor and reposition out of the way.

  57. Object Number: 1813437  Size: SH
  58. Remove the engine wiring harness ground lead nut (1) from the transaxle stud.
  59. Remove the negative battery cable lead (2) from the transaxle stud. Reposition the negative battery cable out of the way.

  60. Object Number: 1813964  Size: SH
  61. Remove the positive battery cable to starter motor nut (4).
  62. Remove the positive battery cable lead (1) from the starter motor.
  63. Remove the positive battery cable from in between the starter and the engine. Reposition the positive battery cable out of the way.

  64. Object Number: 1812206  Size: SH
  65. On LAT engine, disconnect the engine wiring harness electrical connector (2) from the auxiliary heater water pump.

  66. Object Number: 1814527  Size: SH
  67. Remove the auxiliary heater water pump bolt and pump.
  68. On all engines, lower the vehicle.

  69. Object Number: 1834362  Size: SH
  70. Remove the transaxle shift cable from the range select lever.
  71. Release the shift control cable retaining clip and remove the cable from the shift control cable bracket.

  72. Object Number: 857193  Size: SH

    Note: The radiator/condenser/fan assembly will stay in the vehicle during engine removal.

  73. Using long tie straps, secure the radiator/condenser/fan assembly to the radiator support.
  74. Raise the vehicle.
  75. Remove the front wheelhouse liners. Refer to Front Wheelhouse Liner Replacement
  76. Note: A piece of hardwood should be used between the transaxle and the engine cradle. This wood will support the engine when the left side engine mounts bolts are removed.

  77. Install a piece of hardwood 1 x 2 x 4 between the transaxle and the engine cradle.
  78. Note: A piece of hardwood should be used between the oil pan and the engine cradle. This wood will support the engine when the right side engine mounts are removed.

  79. Install a piece of hardwood 1 x 2 x 4 between the oil pan and the engine frame.

  80. Object Number: 1847469  Size: SH
  81. Drain the transaxle fluid.
  82. Remove the transaxle oil cooler line to transaxle nut (1).
  83. Remove the transaxle oil cooler lines from the transaxle.
  84. Remove the catalytic converter. Refer to Catalytic Converter Replacement

  85. Object Number: 1829617  Size: SH

    Note: Secure the steering wheel in the straight forward position before separating the intermediate shaft from the steering gear, or damage to the SIR coil will occur.

  86. Remove the intermediate to steering gear pinch bolt and disconnect the intermediate shaft from the steering gear. Discard the pinch bolt.

  87. Object Number: 1829556  Size: SH
  88. Remove and discard both outer tie rod to steering knuckle nuts.
  89. Note: Hold the ball stud to prevent turning during removal of the nut.

  90. Using the SA91100C

  91. Object Number: 1829576  Size: SH
  92. Remove the stabilizer link to stabilizer shaft nuts and disconnect the stabilizer links from the stabilizer shaft.

  93. Object Number: 1847531  Size: SH
  94. Remove and discard both of the lower control arm ball stud cotter pins.
  95. Loosen the ball stud nuts until the nuts are level with the top of the ball stud.

  96. Object Number: 932518  Size: SH
  97. Using the J 43828
  98. Remove the ball stud nuts.
  99. Remove the wheel drive shafts. Refer to Front Wheel Drive Shaft Replacement
  100. Lower the vehicle.

  101. Object Number: 1810250  Size: SH
  102. Remove the engine mount to engine mount bracket bolts (2).

  103. Object Number: 928777  Size: SH
  104. Remove the transaxle mount to transaxle adapter bolts.
  105. Raise the vehicle.

  106. Object Number: 952078  Size: SH

    Note: During the powertrain removal support the vehicle body by placing a jack at the rear of the vehicle.

  107. Position a engine support table under the powertrain assembly.
  108. Note: Blocks of wood can be used between the front of the frame and the oil pan to table in order to level the powertrain during the removal.

  109. With the table positioned, fully raise the table to contact with the powertrain assembly.
  110. Remove the frame to body bolts. Discard the bolts.
  111. Note: When lowering the engine/transaxle assembly, verify all brake lines, shifter cables and other components are free during removal.

  112. Lower the engine table and raise the body on the hoist until the engine/transaxle and cradle are free from the vehicle.

  113. Object Number: 1810743  Size: SH
  114. Disconnect the engine wiring harness electrical connector (1) from the throttle actuator.
  115. Disconnect the engine wiring harness electrical connector (8) from the fuel injector wiring harness electrical connector (7).
  116. Remove the engine wiring harness clip (3) from the oil level indicator tube bracket.

  117. Object Number: 1811485  Size: SH
  118. Disconnect the engine wiring harness electrical connectors (1) from the ignition coils.
  119. Disconnect the engine wiring harness electrical connectors (2, 3) from the camshaft actuators.

  120. Object Number: 1809558  Size: SH
  121. Disconnect the engine wiring harness electrical connector (1) from the crankshaft position (CKP) sensor.
  122. Disconnect the engine wiring harness electrical connector (2) from the oil pressure sensor.
  123. Disconnect the engine wiring harness electrical connector (3) from the knock sensor.

  124. Object Number: 1815154  Size: SH
  125. Disconnect the engine wiring harness electrical connector (1) from the intake camshaft position (CMP) sensor.
  126. Disconnect the engine wiring harness electrical connector (2) from the EVAP emission canister purge solenoid valve.

  127. Object Number: 1815153  Size: SH
  128. Disconnect the engine wiring harness electrical connector (1) from the exhaust CMP sensor.

  129. Object Number: 1812206  Size: SH
  130. Disconnect the engine wiring harness electrical connector (1) from the engine coolant temperature (ECT) sensor.
  131. Disconnect the engine wiring harness electrical connector (3) from the heated oxygen sensor (HO2S) electrical connector.
  132. Remove the engine wiring harness clip (5) from the stud.

  133. Object Number: 1847502  Size: SH
  134. Remove the engine wiring harness ground bolt (1) and reposition the ground terminal from the engine.
  135. Gather all branches of the engine wiring harness and reposition the harness out of the way.

  136. Object Number: 1814106  Size: SH
  137. Remove the starter motor bolts and starter.

  138. Object Number: 1847524  Size: SH
  139. Remove the torque converter to flexplate bolts (1).
  140. Install a suitable lifting devise to the engine.

  141. Object Number: 1847526  Size: SH
  142. Remove the transaxle bolts from the engine.
  143. Separate the engine from the transaxle.
  144. Install the engine to a suitable engine stand.

Installation Procedure


    Object Number: 1847526  Size: SH
  1. Install a suitable lifting devise to the engine.
  2. Using the lifting devise, position and install the engine to the transaxle.
  3. Caution: Refer to Fastener Caution in the Preface section.

  4. Install the transaxle bolts to the engine and tighten the bolts to 75 N·m (55 lb ft).

  5. Object Number: 1847524  Size: SH
  6. Install the torque converter to flexplate bolts (1) and tighten to 60 N·m (44 lb ft).
  7. Remove the engine lifting devise.

  8. Object Number: 1814106  Size: SH
  9. Install the starter motor and bolts and tighten the bolts to 53 N·m (39 lb ft).

  10. Object Number: 1847502  Size: SH
  11. Gather all branches of the engine wiring harness and position the harness to the engine.
  12. Position the engine wiring harness ground terminal to the engine and install the engine wiring harness ground bolt (1).
  13. Tighten the bolt to 20 N·m (15 lb ft).


    Object Number: 1812206  Size: SH
  14. Connect the engine wiring harness electrical connector (1) to the ECT sensor.
  15. Connect the engine wiring harness electrical connector (3) to the HO2S electrical connector.
  16. Install the engine wiring harness clip (5) to the stud.

  17. Object Number: 1815153  Size: SH
  18. Connect the engine wiring harness electrical connector (1) to the exhaust CMP sensor.

  19. Object Number: 1815154  Size: SH
  20. Connect the engine wiring harness electrical connector (1) to the intake CMP sensor.
  21. Connect the engine wiring harness electrical connector (2) to the EVAP emission canister purge solenoid valve.

  22. Object Number: 1809558  Size: SH
  23. Connect the engine wiring harness electrical connector (1) to the CKP sensor.
  24. Connect the engine wiring harness electrical connector (2) to the oil pressure sensor.
  25. Connect the engine wiring harness electrical connector (3) to the knock sensor.

  26. Object Number: 1811485  Size: SH
  27. Connect the engine wiring harness electrical connectors (1) to the ignition coils.
  28. Connect the engine wiring harness electrical connectors (2, 3) to the camshaft actuators.

  29. Object Number: 1810743  Size: SH
  30. Connect the engine wiring harness electrical connector (1) to the throttle actuator.
  31. Connect the engine wiring harness electrical connector (8) to the fuel injector wiring harness electrical connector (7).
  32. Install the engine wiring harness clip (3) to the oil level indicator tube bracket.

  33. Object Number: 952078  Size: SH
  34. Position the powertrain and support table under the vehicle.
  35. Raise the powertrain into position under the vehicle.
  36. With the table positioned, if required, lower the vehicle over the powertrain.
  37. Align the lower radiator pins with the frame. Ensure all hoses and electrical harnesses are correctly routed and free from the loading path of the powertrain.
  38. Install the NEW frame to body bolts and tighten to 155 N·m (114 lb ft).
  39. Lower the vehicle.

  40. Object Number: 928777  Size: SH
  41. Install the transaxle mount to transaxle adapter bolts and tighten to 55 N·m (41 lb ft).

  42. Object Number: 1810250  Size: SH
  43. Install the engine mount to engine mount bracket bolts (2):
  44. Tighten the engine mount to bracket bolts in the following sequence.
  45. 31.1. Middle
    31.2. Rear
    31.3. Front

    Tighten the bolts to 50 N·m (37 lb ft).

  46. Raise and support the vehicle.
  47. Install the wheel drive shafts. Refer to Front Wheel Drive Shaft Replacement

  48. Object Number: 1847531  Size: SH
  49. Install the control arm ball studs into the steering knuckles.
  50. Install the ball stud nuts and tighten to 40 N·m (30 lb ft)
  51. Continue to tighten the nuts only enough to align the castle nut slots with the ball stud, install NEW cotter pins.

  52. Object Number: 1829576  Size: SH
  53. Connect the stabilizer links to the stabilizer shaft and install the stabilizer link to stabilizer shaft nuts.
  54. Tighten the nuts to 65 N·m (48 lb ft).


    Object Number: 891579  Size: SH
  55. Connect the outer tie rods to the steering knuckles.
  56. Use the J 44015
  57. Remove the J 44015

  58. Object Number: 1829556  Size: SH
  59. Install NEW outer tie rod to steering knuckle nuts and tighten to 25 N·m (48 lb ft) plus 90 degrees.

  60. Object Number: 1829617  Size: SH
  61. Position the intermediate shaft to the steering gear and install a NEW pinch bolt.
  62. Tighten the bolt to 34 N·m (25 lb ft).

  63. Install the catalytic converter. Refer to Catalytic Converter Replacement

  64. Object Number: 1847469  Size: SH
  65. Install the transaxle oil cooler lines to the transaxle.
  66. Install the transaxle oil cooler line to transaxle nut (1) and tighten to 4 N·m (27 lb in).

  67. Object Number: 933764  Size: SH
  68. Remove the wood from between the oil pan and the engine cradle.
  69. Remove the wood from between the transaxle and the engine cradle.
  70. Install the front wheelhouse liners. Refer to Front Wheelhouse Liner Replacement
  71. Install the front wheels and tires. Refer to Tire and Wheel Removal and Installation
  72. Lower the vehicle.

  73. Object Number: 857193  Size: SH
  74. Unsecure and position the radiator/condenser/fan assembly.

  75. Object Number: 1834362  Size: SH
  76. Install the shift control cable to the shift control cable bracket and engage the shift control cable retaining clip.
  77. Install the transaxle shift cable to the range select lever.
  78. Raise and support the vehicle.
  79. Install the oxygen sensors. Refer to Heated Oxygen Sensor 1 Replacement and Heated Oxygen Sensor 2 Replacement
  80. Instal the exhaust manifold heat shield. Refer to Exhaust Manifold Heat Shield Replacement

  81. Object Number: 1814527  Size: SH
  82. On LAT engine, install the auxiliary heater water pump and bolt and tighten the bolt to 9 N·m (80 lb in).

  83. Object Number: 1812206  Size: SH
  84. Connect the engine wiring harness electrical connector (2) to the auxiliary heater water pump.
  85. Install the engine control module. Refer to Engine Control Module Replacement

  86. Object Number: 1813964  Size: SH
  87. On all engines, position and install the positive battery cable between the starter and the engine.
  88. Install the positive battery cable lead (1) to the starter motor.
  89. Install the positive battery cable to starter motor nut (4) and tighten the nut to 9 N·m (80 lb in).

  90. Object Number: 1813437  Size: SH
  91. Position the negative battery cable and install the negative battery cable lead (2) to the transaxle stud.
  92. Install the engine wiring harness ground lead nut (1) to the transaxle stud and tighten the nut to 50 N·m (37 lb ft).

  93. Object Number: 1811970  Size: SH
  94. Position the A/C compressor and install the bolts and tighten to 50 N·m (37 lb ft).

  95. Object Number: 1811960  Size: SH
  96. On LAT engine, install the generator control module coolant pump and bolt and tighten the bolt to 25 N·m (18 lb ft).

  97. Object Number: 1811958  Size: SH
  98. Connect the engine wiring harness electrical connector (1) to the generator control module coolant pump.
  99. On all engines, connect the engine wiring harness electrical connector (2) to the A/C compressor.
  100. Lower the vehicle.

  101. Object Number: 1812209  Size: SH
  102. Install the coolant recovery reservoir/heater inlet hose (2) to the thermostat housing.
  103. Position the coolant recovery reservoir/heater inlet hose (2) clamp at the thermostat housing.
  104. Install the heater inlet hose (3) to the thermostat housing.
  105. Position the heater inlet hose clamp at the thermostat housing.
  106. Install the auxiliary heater water pump hose clip (1) to the heater outlet hose.

  107. Object Number: 1816297  Size: SH
  108. On LAT engine, connect the engine wiring harness electrical connector (1) to the transaxle auxiliary pump module.

  109. Object Number: 1816290  Size: SH
  110. Install the generator control module coolant hose to the generator control module.
  111. Position the generator control module coolant hose clamp (1) at the generator control module.

  112. Object Number: 1656126  Size: SH
  113. On all engines, reposition the radiator inlet hose clamp using the J 38185
  114. Remove the radiator inlet hose from the cylinder head.
  115. Remove the radiator outlet hose. Refer to Radiator Outlet Hose Replacement

  116. Object Number: 1812505  Size: SH
  117. Position and install the coolant recovery inlet hose (1) to the cylinder head.
  118. Install the coolant recovery inlet pipe clip to the fuel rail.
  119. Install the coolant recovery inlet hose clamp (2) at the cylinder head.

  120. Object Number: 1810786  Size: SH
  121. Position and install the vacuum brake booster hose (2) to the intake manifold.
  122. Position the vacuum brake booster hose clamp (1) at the intake manifold.
  123. Install the generator starter. Refer to Generator with Starter Replacement
  124. For the LAT, install the battery tray. Refer to Battery Tray Replacement
  125. For the LE5, install the battery box. Refer to Battery Box Replacement

  126. Object Number: 1834359  Size: SH
  127. Install the transaxle shift cable clip (1) to the fuel line bracket.

  128. Object Number: 1683133  Size: SH
  129. Install the throttle body. Refer to Throttle Body Assembly Replacement
  130. Install the fuel feed pipe clip (2) to the fuel line bracket.
  131. Connect the EVAP line (3) quick connect fitting to the EVAP purge solenoid. Refer to Plastic Collar Quick Connect Fitting Service
  132. Connect the fuel feed pipe (1) quick connect fitting at the fuel rail. Refer to Metal Collar Quick Connect Fitting Service
  133. Install the air cleaner outlet duct. Refer to Air Cleaner Outlet Duct Replacement
  134. Install the air cleaner assembly. Refer to Air Cleaner Assembly Replacement
  135. Fill the cooling system. Refer to Cooling System Draining and Filling
  136. For the LAT engine, reconnect the hybrid battery. Refer to Hybrid Battery Service Disconnect/Connect
  137. Fill the transaxle with fluid. Refer to Transmission Fluid Check
  138. Refill the engine with oil. Refer to Engine Oil and Oil Filter Replacement
  139. Recharge the A/C system with refrigerant. Refer to Refrigerant Recovery and Recharging
  140. Perform the CKP system variation learn procedure. Refer to Crankshaft Position System Variation Learn
  141. Start the engine and allow the engine to run, inspect for leaks. Correct as necessary.
  142. Install the hood. Refer to Hood Replacement