GM Service Manual Online
For 1990-2009 cars only
Figure 1:

Engine Covers and Component Assemblies (1 of 2) (LY7)


Object Number: 1866770  Size: LF
(3)Engine Assembly
(6)Intake Manifold Assembly
(9)Left Camshaft Cover Assembly
(10)Right Camshaft Cover Assembly
(14)Engine Front Cover Assembly
(15)Oil Pan Assembly
(140)Engine Flywheel
(141)Engine Flywheel Bolt
(390)Crankshaft Balancer
(391)Crankshaft Balancer Bolt
(601)Left Exhaust Manifold Gasket
(602)Left Exhaust Manifold
(610)Exhaust Manifold Heat Shield
(611)Left Exhaust Manifold Heat Shield Bolt
(621)Right Exhaust Manifold Gasket
(622)Right Exhaust Manifold
(625)Cylinder Head Exhaust Manifold Bolt
(625)Cylinder Head Exhaust Manifold Bolt
(630)Right Exhaust Manifold Heat Shield
(631)Right Exhaust Manifold Heat Shield Bolt
(704)Ignition Coil
(704)Ignition Coil
(705)Ignition Coil Bolt
(705)Ignition Coil Bolt
(719)Spark Plug
(719)Spark Plug
(739)Crankshaft Position Sensor Heat Shield
(764)Crankshaft Position Sensor Heat Shield Bolt - Large
(769)Crankshaft Position Sensor Heat Shield Bolt - Small
Figure 2:

Engine Covers and Component Assemblies (1 of 2) (LCS)


Object Number: 2137786  Size: LF
(1)Right Camshaft Cover Assembly
(2)Ignition Coil Bolt
(3)Ignition Coil
(4)Spark Plug
(5)Intake Manifold Assembly
(6)Left Camshaft Cover Assembly
(7)Fuel Rail Noise Shield
(8)Fuel Pump Cover
(9)Fuel Pump Cover Bolt
(10)Engine Flywheel
(11)Engine Flywheel Bolt
(12)Left Exhaust Manifold Heat Shield Bolt
(13)Left Exhaust Manifold Heat Shield
(14)Left Exhaust Manifold
(15)Cylinder Head Exhaust Manifold Bolt
(16)Left Exhaust Manifold Gasket
(17)Engine Assembly
(18)Oil Pan Assembly
(19)Engine Front Cover Assembly
(20)Crankshaft Balancer
(21)Crankshaft Balancer Bolt
(22)Right Exhaust Manifold
(23)Right Exhaust Manifold Gasket
(24)Crankshaft Position Sensor Heat Shield Bolt - Large
(25)Crankshaft Position Sensor Heat Shield
(26)Crankshaft Position Sensor Heat Shield Bolt - Small
Figure 3:

Engine Covers and Component Assemblies (2 of 2) (LY7)


Object Number: 1866772  Size: LF
(4)Engine Short Block Assembly
(7)Left Cylinder Head Assembly
(8)Right Cylinder Head Assembly
(13)Oil Pump Assembly
(16)Oil Filter Adapter Assembly
(19)Timing Drive Assembly
(302)Left Cylinder Head Gasket
(303)Right Cylinder Head Gasket
(365)Engine Cooling Thermostat
(366)Engine Cooling Thermostat Gasket
(367)Engine Cooling Thermostat Housing
(368)Engine Cooling Thermostat Housing Bolt
(369)Engine Cooling Thermostat Bolt - Short
(377)Water Outlet Seal
(378)Water Outlet O-ring
(379)Water Outlet Bolt
(380)Water Outlet
(395)Coolant Pipe
(396)Coolant Pipe O-ring
(398)Coolant Pipe Bracket Bolt - Large
(399)Coolant Pipe Bracket Bolt - Small
(430)Oil Level Indicator
(431)Oil Level Indicator Tube
(432)Oil Level Indicator Tube O-ring
(433)Oil Level Indicator Tube Bolt
(434)Oil Level Indicator Handle O-ring
(495)Water Inlet/Outlet Pipe
(496)Water Inlet/Outlet Pipe O-ring
(498)Water Inlet/Outlet Pipe Bolts
(499)Water Inlet/Outlet Pipe Gaskets
(720)Crankshaft Position Sensor
(721)Crankshaft Position Sensor O-ring
(722)Crankshaft Position Sensor Bolt
(723)Knock Sensor
(723)Knock Sensor
(724)Knock Sensor Bolt
(724)Knock Sensor Bolt
Figure 4:

Engine Covers and Component Assemblies (2 of 2) (LCS)


Object Number: 2137787  Size: LF
(1)Water Outlet Bolt
(2)Water Outlet
(3)Water Outlet O-ring
(4)Water Outlet Seal
(5)Right Cylinder Head Assembly
(6)Right Cylinder Head Gasket
(7)Engine Cooling Thermostat Gasket
(8)Engine Cooling Thermostat
(9)Engine Cooling Thermostat Housing
(10)Engine Cooling Thermostat Bolt - Short
(11)Engine Cooling Thermostat Housing Bolt
(12)Fuel Feed Pipe Assembly
(13)Fuel Feed Pipe Assembly Bolt
(14)Fuel Feed Intermediate Pipe Assembly
(15)Fuel Pump O-ring Seal
(16)Fuel Pump Gasket
(17)Fuel Pump Bolt
(18)Fuel Pump
(19)Left Cylinder Head Assembly
(20)Left Cylinder Head Gasket
(21)Oil Level Indicator
(22)Oil Level Indicator Handle O-ring
(23)Oil Level Indicator Tube Bolt
(24)Oil Level Indicator Tube O-ring
(25)Oil Level Indicator Tube
(26)Knock Sensor Bolt
(27)Knock Sensor
(28)Oil Filter Adapter Assembly
(29)Engine Short Block Assembly
(30)Oil Pump Assembly
(31)Timing Drive Assembly
(32)Crankshaft Position Sensor Bolt
(33)Crankshaft Position Sensor
(34)Crankshaft Position Sensor O-ring
Figure 5:

Camshaft Cover Assembly (LY7)


Object Number: 1866775  Size: MF
(250)Left Camshaft Cover
(251)Left Camshaft Cover Gasket
(252)Right Camshaft Cover
(253)Right Camshaft Cover Gasket
(254)Camshaft Cover Spark Plug Port Seal
(254)Camshaft Cover Spark Plug Port Seal
(255)Camshaft Cover Bolt
(255)Camshaft Cover Bolt
(256)Camshaft Cover Bolt Insulator
(256)Camshaft Cover Bolt Insulator
(257)Ignition Coil Bolt Thread Insert
(258)Oil Fill Cap
(259)Oil Fill O-ring
(260)Left Camshaft Cover PCV Fitting
(261)Right Camshaft Cover PCV Fitting Orifice
(262)Oil Fill Tube
(263)Left Camshaft Cover PCV Fitting O-ring
(265)Left Camshaft Housing Cover Insulator
(266)Right Camshaft Housing Cover Insulator
(704)Ignition Coil
(704)Ignition Coil
(705)Ignition Coil Bolt
(705)Ignition Coil Bolt
(719)Spark Plug
(719)Spark Plug
Figure 6:

Camshaft Cover Assembly (LCS)


Object Number: 2137790  Size: LF
(1)Camshaft Cover Bolt Insulator
(2)Camshaft Cover Bolt
(3)Right Camshaft Housing Cover Insulator
(4)Ignition Coil Bolt Thread Insert
(5)Ignition Coil
(6)Ignition Coil Bolt
(7)Spark Plug
(8)Right Camshaft Cover PCV Fitting Orifice
(9)Right Camshaft Cover
(10)Camshaft Cover Spark Plug Port Seal
(11)Right Camshaft Cover Gasket
(12)Left Camshaft Housing Cover Insulator
(13)Left Camshaft Cover PCV Fitting
(14)Left Camshaft Cover PCV Fitting O-ring
(15)Left Camshaft Cover
(16)Oil Fill Cap
(17)Oil Fill O-ring
(18)Oil Fill Tube
(19)Left Camshaft Cover Gasket
Figure 7:

Camshaft Timing Components


Object Number: 1826061  Size: LF
(150)Crankshaft Sprocket
(151) Lower Primary Timing Chain Guide
(152)Primary Timing Chain Tensioner
(153)Primary Timing Chain Tensioner Bolt
(153)Primary Timing Chain Tensioner Bolt
(153)Primary Timing Chain Tensioner Bolt
(153)Primary Timing Chain Tensioner Bolt
(153)Primary Timing Chain Tensioner Bolt
(153)Primary Timing Chain Tensioner Bolt
(154) Lower Primary Timing Chain Guide Bolt
(155)Primary Timing Chain
(156) Upper Primary Timing Chain Guide
(161)Camshaft Intermediate Drive Shaft Sprocket Bolt
(161)Camshaft Intermediate Drive Shaft Sprocket Bolt
(164)Primary Timing Chain Tensioner Gasket
(165)Left Camshaft Intermediate Drive Shaft Sprocket
(166)Right Camshaft Intermediate Drive Shaft Sprocket
(170)Secondary Timing Chain
(170)Secondary Timing Chain
(171)Left Secondary Timing Chain Guide
(173)Left Secondary Timing Chain Shoe
(174)Left Secondary Timing Chain Shoe Bolt
(174)Left Secondary Timing Chain Shoe Bolt
(175)Left Secondary Timing Chain Tensioner
(177)Left Secondary Timing Chain Tensioner Gasket
(181)Right Secondary Timing Chain Guide
(183)Right Secondary Timing Chain Shoe
(185)Right Secondary Timing Chain Tensioner
(187)Right Secondary Timing Chain Tensioner Gasket
(190)Exhaust Camshaft Position Actuator
(190)Exhaust Camshaft Position Actuator
(191)Intake Camshaft Position Actuator
(191)Intake Camshaft Position Actuator
(192)Camshaft Position Actuator Bolt
(192)Camshaft Position Actuator Bolt
(192)Camshaft Position Actuator Bolt
(192)Camshaft Position Actuator Bolt
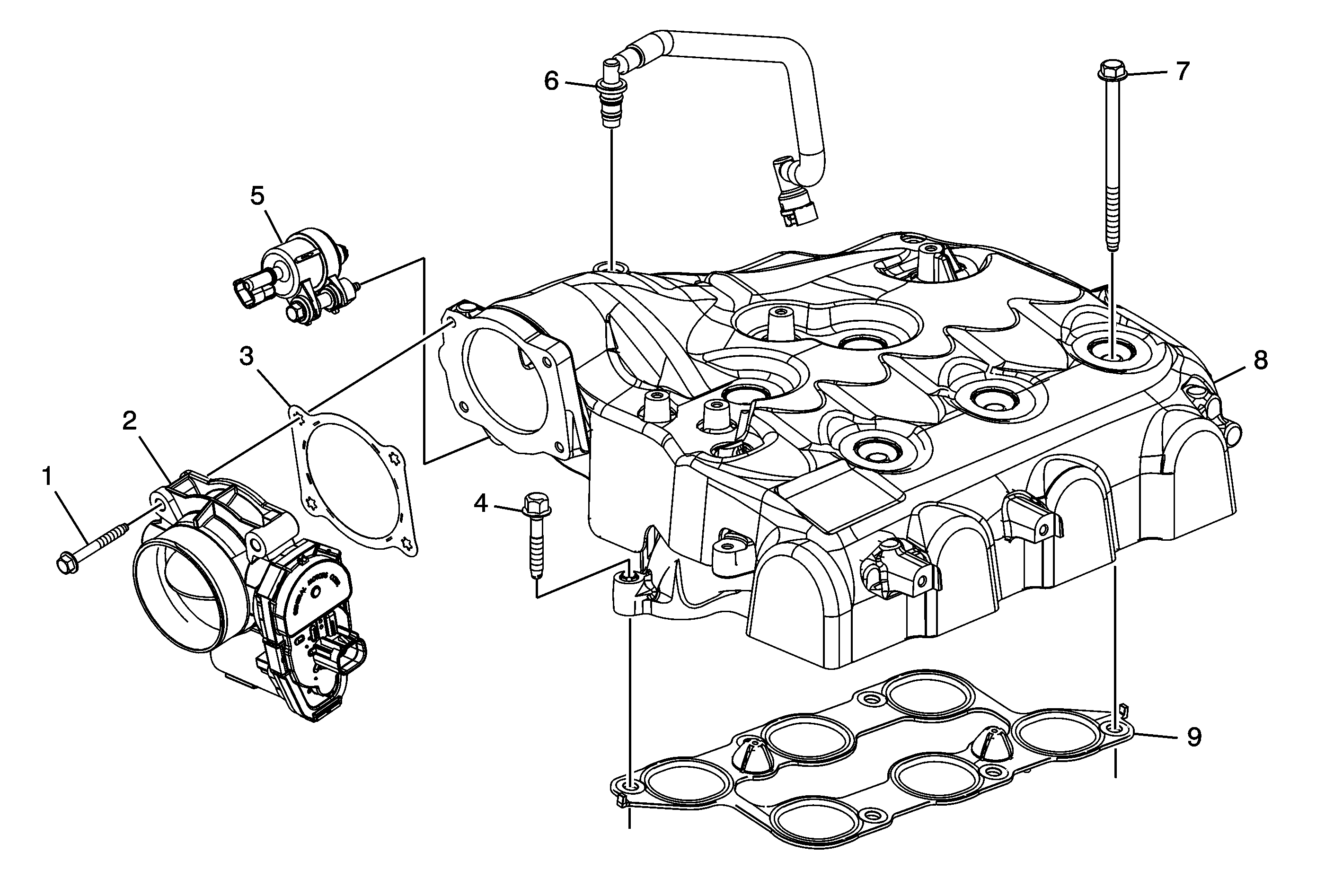
Figure 8:

Intake Manifold (LY7)


Object Number: 1866781  Size: LF
(281)Clean PCV Hose
(283)Dirty PCV Hose
(285)PCV Hose O-ring Outer/Larger
(286)PCV Hose O-ring Inner/Smaller
(503)Upper Intake Manifold
(504)Lower Intake Manifold
(509)Upper Intake Manifold Bolt - Long
(510)Upper Intake Manifold Bolt - Short
(519)Lower Intake Manifold to Upper Intake Manifold Dowel Pin
(521)Upper Intake Manifold Gasket
(522)Lower Intake Manifold Gasket
(523)Lower Intake Manifold Bolt
(532)Fuel Rail Bolt
(560)Fuel Rail
(561)Fuel Injector
(562)Fuel Injector Retainer
(563)Fuel Injector Upper Seal
(564)Fuel Injector Lower Seal
(565)Fuel Pressure Service Valve Cap
(566)Fuel Pressure Service Valve
(571)Fuel Rail Support Bracket
(572)Fuel Rail Support Bracket Bolt
(572)Fuel Rail Support Bracket Bolt
(700)Fuel Injector Wiring Harness
(701)Throttle Body
(702)Throttle Body Bolt
(703)Throttle Body Gasket
(716)Throttle Body Engine Wiring Harness Clip
(744)EVAP Purge Solenoid
(746)EVAP Purge Solenoid Bolt
(750)EVAP Purge Solenoid Tube - Intake Manifold to EVAP Solenoid
(751)EVAP Purge Solenoid Tube - EVAP Solenoid to Chassis
(752)EVAP Purge Solenoid Bracket
(753)EVAP Purge Solenoid Tube Bracket
(754)EVAP Purge Solenoid Tube Bracket Bolt
(756)Intake Manifold Tuning Valve O-ring
(757)Intake Manifold Tuning Valve Bolt
(758)EVAP Purge Solenoid Tube Clip
(759)EVAP Purge Solenoid Tube Clip
(765)Fuel Injector Wiring Harness Bracket
(766)Fuel Injector Wiring Harness Bracket Bolt
(776)BARO Sensor Bolt
(777)BARO Sensor
(778)BARO Sensor O-ring
(799)Intake Manifold Opening Cover
Figure 9:

Intake Manifold (LCS)


Object Number: 2137791  Size: MF
(1)Throttle Body Bolt
(2)Throttle Body
(3)Throttle Body Gasket
(4)Intake Manifold Bolt - Short
(5)EVAP Solenoid
(6)PCV Tube
(7)Intake Manifold Bolt - Long
(8)Intake Manifold
(9)Intake Manifold Gasket
Figure 10:

Fuel Rail (LY7)


Object Number: 1866782  Size: MF
(561)Fuel Injector
(562)Fuel Injector Retainer
(563)Fuel Injector Upper Seal
(564)Fuel Injector Lower Seal
(565)Fuel Pressure Service Valve Cap
(566)Fuel Pressure Service Valve
(700)Fuel Injector Wiring Harness
(766)Fuel Injector Wiring Harness Bracket Bolt
Figure 11:

Fuel Rail (LCS)


Object Number: 1985898  Size: LF
(1)Fuel Pressure Sensor
(2)Fuel Rail Bolt
(3)Fuel Injector Retainer
(4)Fuel Injector O-ring Seal
(5)Fuel Injector Spacer
(6)Fuel Injector
(7)Fuel Injector Teflon Seal
(8)Fuel Injector Isolator Cup
(9)Fuel Injector Isolator Cup Retaining Ring
Figure 12:

Cylinder Head Assemblies (LY7)


Object Number: 911336  Size: MF
(300)Left Cylinder Head
(301)Right Cylinder Head
(302)Left Cylinder Head Gasket
(303)Right Cylinder Head Gasket
(310)Cylinder Head Bolt
(311)Cylinder Head Front Bolt
(313)Cylinder Head Coolant Hole Threaded Plug
(318)Spark Plug Sleeve
(319)Cylinder Head Oil Gallery Expansion Plug - 14 mm
(319)Cylinder Head Oil Gallery Expansion Plug - 14 mm
(320)Exhaust Valve
(321)Intake Valve
(322)Valve Rocker Arm Assembly
(323)Hydraulic Valve Lash Adjuster Assembly
(324)Valve Stem Oil Seal
(325)Valve Spring
(326)Valve Spring Cap
(327)Valve Stem Key
(328)Cylinder Head Camshaft Front Thrust Bearing Cap
(328)Cylinder Head Camshaft Front Thrust Bearing Cap
(329)Camshaft Oil Seal Ring
(330)Left Exhaust Camshaft
(331)Left Intake Camshaft
(332)Right Intake Camshaft
(333)Right Exhaust Camshaft
(336)Cylinder Head Camshaft Cap - Intermediate
(337)Cylinder Head Camshaft Cap Bolt
(339)Cylinder Head Oil Gallery Check Valve
(711)Engine Coolant Temperature Sensor
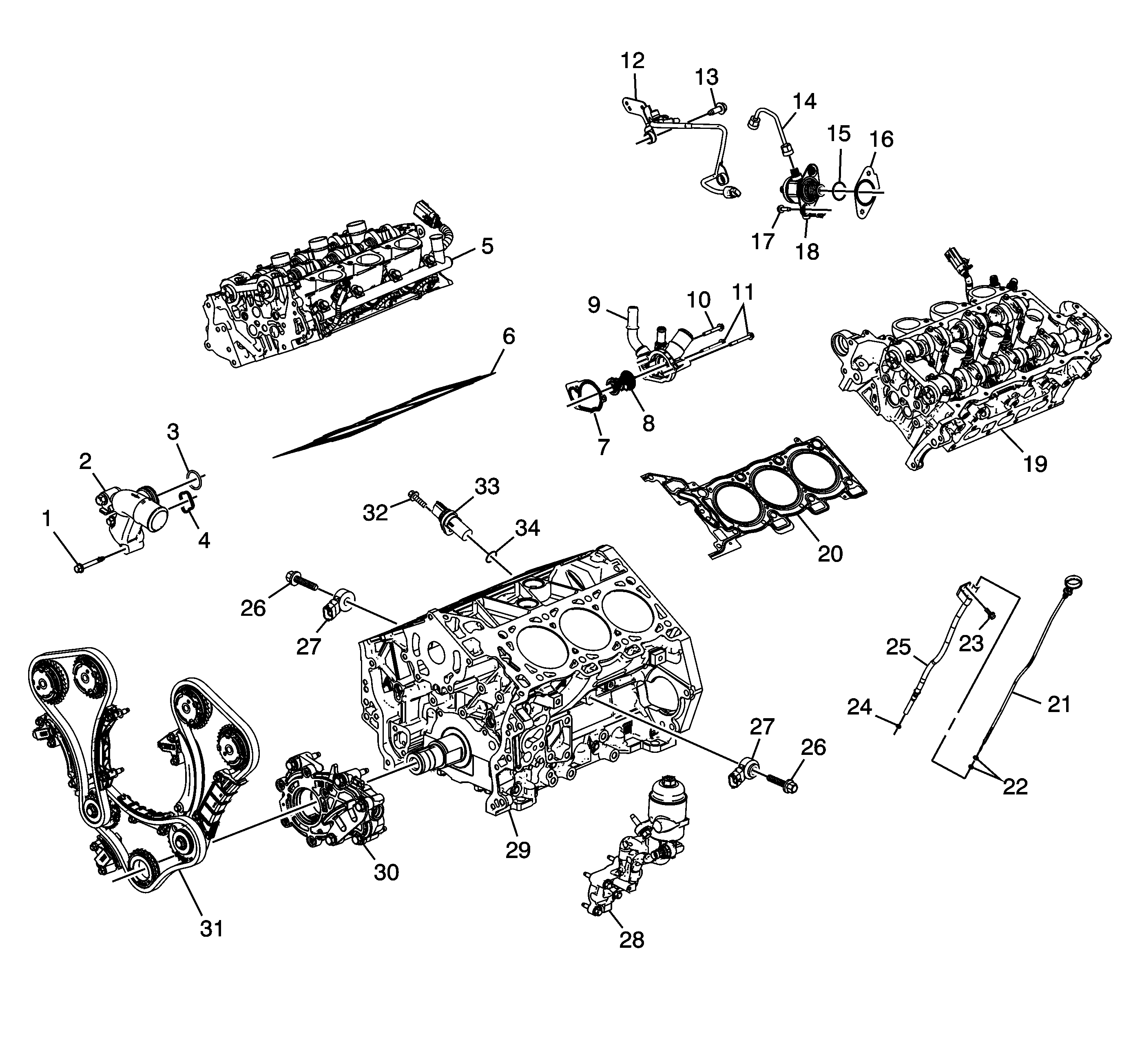
Figure 13:

Cylinder Head Assemblies (LCS)


Object Number: 2094187  Size: MF
(1)Fuel Injector Wiring Harness
(2)Fuel Rail
(3)Fuel Pressure Sensor
(4)Fuel Rail Bolt
(5)Fuel Rail Crossover Pipe
(6)Fuel Injector Retainer
(7)Fuel Injector O-ring Seal
(8)Fuel Injector Spacer
(9)Fuel Injector
(10)Fuel Injector Teflon Seal
(11)Fuel Injector Isolator Cup
(12)Fuel Injector Isolator Cup Retaining Ring
(13)Cylinder Head Front Bolt
(14)Cylinder Head Bolt
(15)Valve Stem Oil Seal
(16)Valve Spring
(17)Valve Spring Cap
(18)Valve Stem Key
(19)Valve Rocker Arm Assembly
(20)Cylinder Head Camshaft Front Thrust Bearing Cap
(21)Cylinder Head Camshaft Cap - Intermediate
(22)Cylinder Head Camshaft Cap Bolt
(23)Left Intake Camshaft
(24)Left Exhaust Camshaft
(25)Cylinder Head Coolant Hole Threaded Plug
(26)Spark Plug Sleeve
(27)Hydraulic Valve Lash Adjuster Assembly
(28)Engine Coolant Temperature Sensor
(29)Left Cylinder Head
(30)Intake Valve
(31)Left Cylinder Head Gasket
(32)Exhaust Valve
(33)Cylinder Head Oil Gallery Expansion Plug - 14 mm
(34)Right Cylinder Head Gasket
(35)Cylinder Head Oil Gallery Check Valve
(36)Right Cylinder Head
(37)Right Exhaust Camshaft
(38)Right Intake Camshaft
(39)Camshaft Oil Seal Ring
Figure 14:

Engine Front Cover


Object Number: 1864395  Size: MF
(132)Engine Front Cover Locating Pin
(350)Engine Front Cover
(351)Engine Front Cover Gasket
(352)Engine Front Cover Bolt
(353)Engine Front Cover Seal
(354)Engine Front Cover Deadener
(360)Water Pump Assembly
(361)Water Pump Bolt
(362)Water Pump Gasket
(363)Water Pump Pulley
(364)Water Pump Pulley Bolt
(390)Crankshaft Balancer
(391)Crankshaft Balancer Bolt
(725)Camshaft Position Sensor
(726)Camshaft Position Sensor O-ring
(727)Camshaft Position Sensor Bolt
(732)Camshaft Position Actuator Solenoid Valve
(733)Camshaft Position Actuator Solenoid Valve Bolt
(734)Camshaft Position Actuator Solenoid Valve Seal
Figure 15:

Oil Pump - Second Design


Object Number: 1578917  Size: MF
(151) Lower Primary Timing Chain Guide
(154) Lower Primary Timing Chain Guide Bolt
(463)Oil Pump Housing
(464)Oil Pump Cover
(465)Oil Pump Driven Gear
(466)Oil Pump Drive Gear
(468)Oil Pump Cover Bolt
(470)Oil Pressure Relief Valve Bore Plug
(471)Oil Pressure Relief Valve Spring
(472)Oil Pressure Relief Valve
(474)Oil Pressure Relief Valve Bore Plug Retainer Clip
(475)Oil Pump Bolt
Figure 16:

Engine Block Assembly


Object Number: 1866783  Size: LF
(15)Piston and Connecting Rod Assembly
(100)Engine Block
(110)Crankshaft Bearing Cap
(111)Crankshaft Bearing Thrust Cap
(114)Crankshaft Bearing Cap Inboard Bolt
(115)Crankshaft Bearing Cap Outboard Bolt
(116)Crankshaft Bearing Cap Side Bolt - Short
(117)Crankshaft Bearing Cap Side Bolt - Long
(119)Engine Block Oil Gallery Expansion Plug - 10 mm
(120)Crankshaft
(122)Crankshaft Upper Bearing
(123)Crankshaft Lower Bearing
(124)Crankshaft Upper Thrust Bearing #3
(126)Engine Block Oil Gallery Expansion Plug - 14 mm
(127)Engine Block Oil Gallery Threaded Plug - 14 mm
(127)Engine Block Oil Gallery Threaded Plug - 14 mm
(128)Engine Block Coolant Drain Threaded Plug - 14 mm
(129)Engine Block Oil Gallery Threaded Plug - 20 mm
(130)Engine Block Core Coolant Expansion Plug - 34.3 mm
(131)Transaxle Locating Pin
(133)Crankshaft Rear Oil Seal Housing Assembly
(134)Crankshaft Rear Oil Seal Housing Assembly Bolt
(135)Oil Pan Locating Pin
(137)Cylinder Head Locating Pin
(490)Piston Oil Nozzle
(491)Piston Oil Nozzle Bolt
Figure 17:

Piston, Rings, Bearing and Connecting Rod


Object Number: 1864403  Size: LF
(200)Connecting Rod
(201)Connecting Rod Bolt
(202)Connecting Rod Bushing
(203)Connecting Rod Bearing
(210)Piston
(211)Piston Pin
(212)Piston Pin Retainer
(212)Piston Pin Retainer
(213)Piston Upper Compression Ring
(214)Piston Lower Compression Ring
(215)Piston Oil Control Rail Ring
(216)Piston Oil Control Ring Spacer
Figure 18:

Oil Pan Assembly


Object Number: 1866784  Size: LF
(400)Oil Pan
(405)Oil Pump Suction Pipe
(406)Oil Pump Suction Pipe Gasket
(407)Oil Pump Suction Pipe Bolt
(407)Oil Pump Suction Pipe Bolt
(410)Oil Pan Baffle Scraper
(411)Oil Pan Baffle Scraper Bolt
(412)Oil Pan Drain Plug
(413)Oil Pan Drain Plug O-ring
(420)Oil Pan Bolt
(422)Oil Pan Bolt - Long
Figure 19:

Oil Filter Adapter (LY7)


Object Number: 1866786  Size: MF
(440)Oil Filter Adapter
(441)Oil Filter Adapter Gasket
(442)Oil Filter Adapter Bolt
(443)Oil Filter Adapter Bolt - Long
(445)Oil Filter Fitting
(449)Oil Filter
(728)Engine Oil Pressure Sensor
(729)Engine Oil Pressure Sensor O-ring.
Figure 20:

Oil Filter Adapter (LCS)


Object Number: 911352  Size: SH
(440)Oil Filter Adapter
(441)Oil Filter Adapter Gasket
(442)Oil Filter Adapter Bolt
(443)Oil Filter Adapter Bolt - Long
(446)Oil Filter Bypass Valve
(447)Oil Filter Adapter Bolt - Large
(448)Oil Filter Adapter Bolt Sleeve
(449)Oil Filter
(450)Oil Filter Cap
(451)Oil Filter Cap O-ring
(456)Oil Filter Bypass Valve Body
(458)Drain Valve Assembly
(459)Drain Valve Assembly Seal
(728)Engine Oil Pressure Sensor
(729)Engine Oil Pressure Sensor O-ring