GM Service Manual Online
For 1990-2009 cars only

Removal Procedure


    Object Number: 1897475  Size: SH
  1. Remove the right side engine mount. Refer to Engine Mount Replacement - Right Side.
  2. Raise and support the vehicle. Refer to Lifting and Jacking the Vehicle.
  3. Lower the vehicle.
  4. Remove the air cleaner assembly. Refer to Air Cleaner Assembly Replacement.
  5. Using a floor jack and a block of wood, raise the engine.
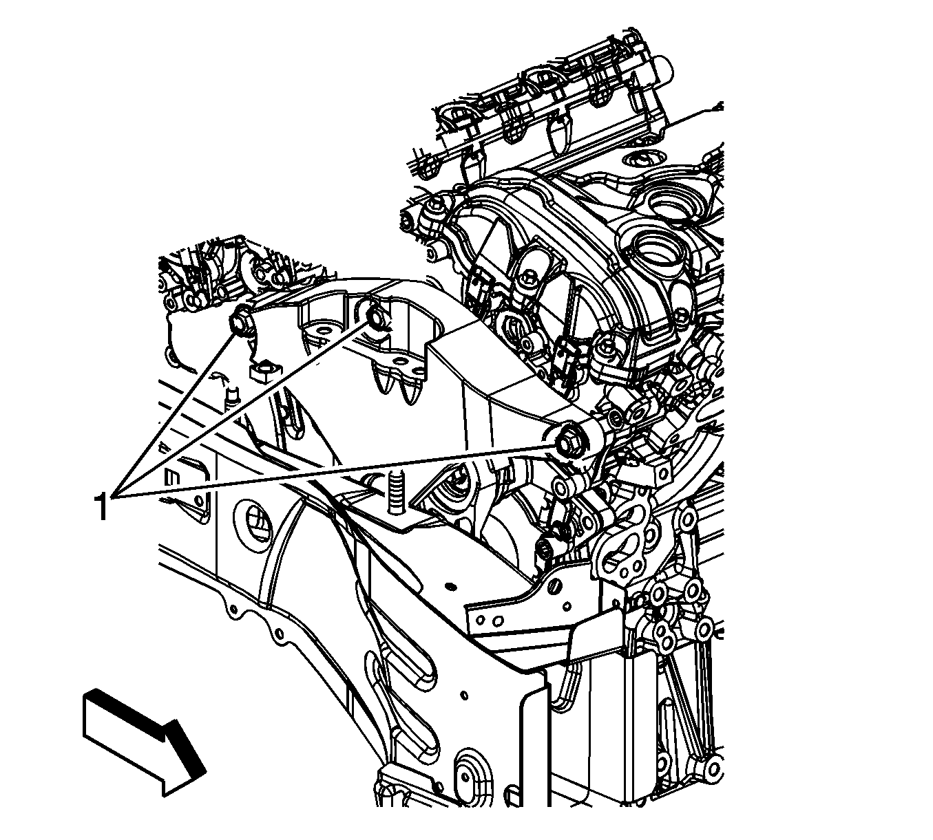
  6. Remove the engine mount adapter bracket bolts (1).
  7. Remove the engine mount adapter.

Installation Procedure


    Object Number: 1897475  Size: SH
  1. Install the engine mount bracket to the vehicle.
  2. Caution: Refer to Fastener Caution in the Preface section.

  3. Install the upper engine mount bracket bolts (1) and tighten to 110 N·m (81 lb ft).
  4. Lower the engine.
  5. Raise and support the vehicle. Refer to Lifting and Jacking the Vehicle.
  6. Lower the vehicle.
  7. Install the right side engine mount. Refer to Engine Mount Replacement - Right Side.
  8. Install the air cleaner assembly. Refer to Air Cleaner Assembly Replacement.