GM Service Manual Online
For 1990-2009 cars only

Removal Procedure

  1. Disconnect the negative battery cable. Refer to Battery Negative Cable Disconnection and Connection.
  2. Remove the quarter lower rear trim panel. Refer to Quarter Lower Rear Trim Panel Replacement.
  3. Remove the center pillar lower garnish molding. Refer to Center Pillar Lower Garnish Molding Replacement.
  4. Remove the front carpet retainer. Refer to Front Side Door Opening Floor Carpet Retainer Replacement.
  5. Remove the generator battery control module cover. Refer to Generator Control Module Cover Replacement.
  6. Remove the engine cover. Refer to Fuel Injector Sight Shield Replacement.

  7. Object Number: 2107973  Size: SH
  8. Disconnect the current sensor harness connector (1).

  9. Object Number: 2107958  Size: SH
  10. Rotate the positive cable terminal lever (1) to the release position.
  11. Remove the positive battery cable terminal (2) from the battery.
  12. Note the routing of the positive battery cable through the chassis.

  13. Object Number: 2107978  Size: SH
  14. Disengage the positive battery cable from the retainers (1, 2, and 3).

  15. Object Number: 2107981  Size: SH
  16. Disengage the positive battery cable from the retainers (1, 2, 3, and 4).

  17. Object Number: 2108736  Size: SH
  18. From under the dash, disengage the retainers (1 and 2).
  19. Disengage the positive cable grommet (3) from the dash panel reinforcement.
  20. Remove the under hood fuse box and junction block covers.

  21. Object Number: 2107984  Size: SH
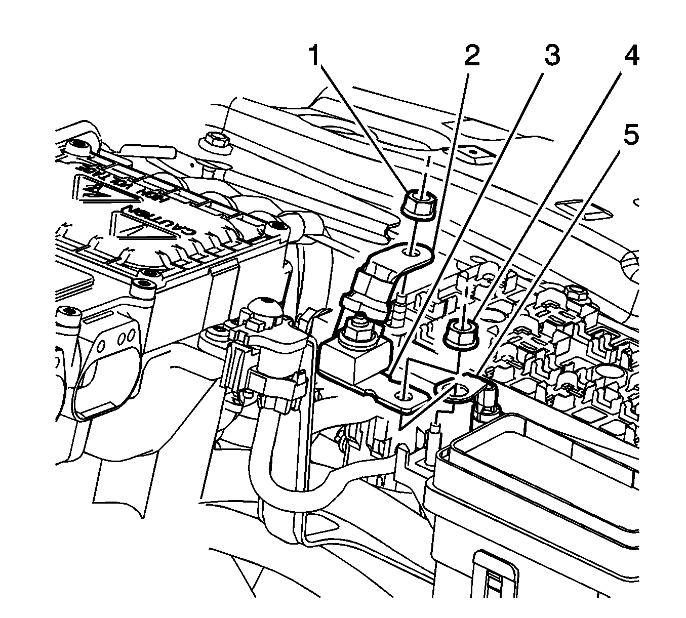
  22. Remove the terminal fasteners (1, and 4).
  23. Remove the fused cable (3) from the terminal.
  24. Remove the cables (2 and 5) from the terminals.

  25. Object Number: 2108734  Size: SH
  26. Disengage the push retainers (1 and 3) from the hybrid control module tray.
  27. Remove the positive battery cable from the retainers (2 and 4).
  28. Route the cable through the dash panel reinforcement to inside the vehicle.
  29. Remove the Positive battery cable from inside the vehicle.

Installation Procedure

  1. Route the positive battery cable as noted in the removal.
  2. Route the cable through the dash panel reinforcement to under the hood.

  3. Object Number: 2108734  Size: SH
  4. Install the positive battery cable from the retainers (2 and 4).
  5. Install the push retainers (1 and 3) into the hybrid control module tray.

  6. Object Number: 2107984  Size: SH
  7. Route the cables (2 and 5) to the terminals.
  8. Install the fused cable (3) to the terminal.
  9. Caution: Refer to Fastener Caution in the Preface section.

  10. Install the terminal fasteners (1, and 4) and tighten to 10 N·m (89 lb in)..
  11. Install the under hood fuse box and junction block covers.

  12. Object Number: 2108736  Size: SH
  13. Install the positive cable grommet (3) into the dash panel reinforcement.
  14. From under the dash, attach the retainers (1 and 2).

  15. Object Number: 2107981  Size: SH
  16. Install the positive battery cable into the retainers (1, 2, 3, and 4).

  17. Object Number: 2107978  Size: SH
  18. Install the positive battery cable into the retainers (1, 2, and 3).

  19. Object Number: 2107958  Size: SH
  20. Position the positive battery cable terminal (2) to the battery.
  21. Rotate the positive cable terminal lever (1) to the locked position.

  22. Object Number: 2107973  Size: SH
  23. Connect the current sensor harness connector (1).
  24. Install the fuel injection sight shield. Refer to Fuel Injector Sight Shield Replacement.
  25. Install the generator battery control module cover. Refer to Generator Control Module Cover Replacement.
  26. Install the center pillar lower garnish molding. Refer to Center Pillar Lower Garnish Molding Replacement.
  27. Install the quarter lower rear trim panel. Refer to Quarter Lower Rear Trim Panel Replacement.
  28. Connect the negative battery cable. Refer to Battery Negative Cable Disconnection and Connection.