GM Service Manual Online
For 1990-2009 cars only

Removal Procedure


    Object Number: 1887295  Size: SH
  1. Raise and support the vehicle. Refer to Lifting and Jacking the Vehicle.
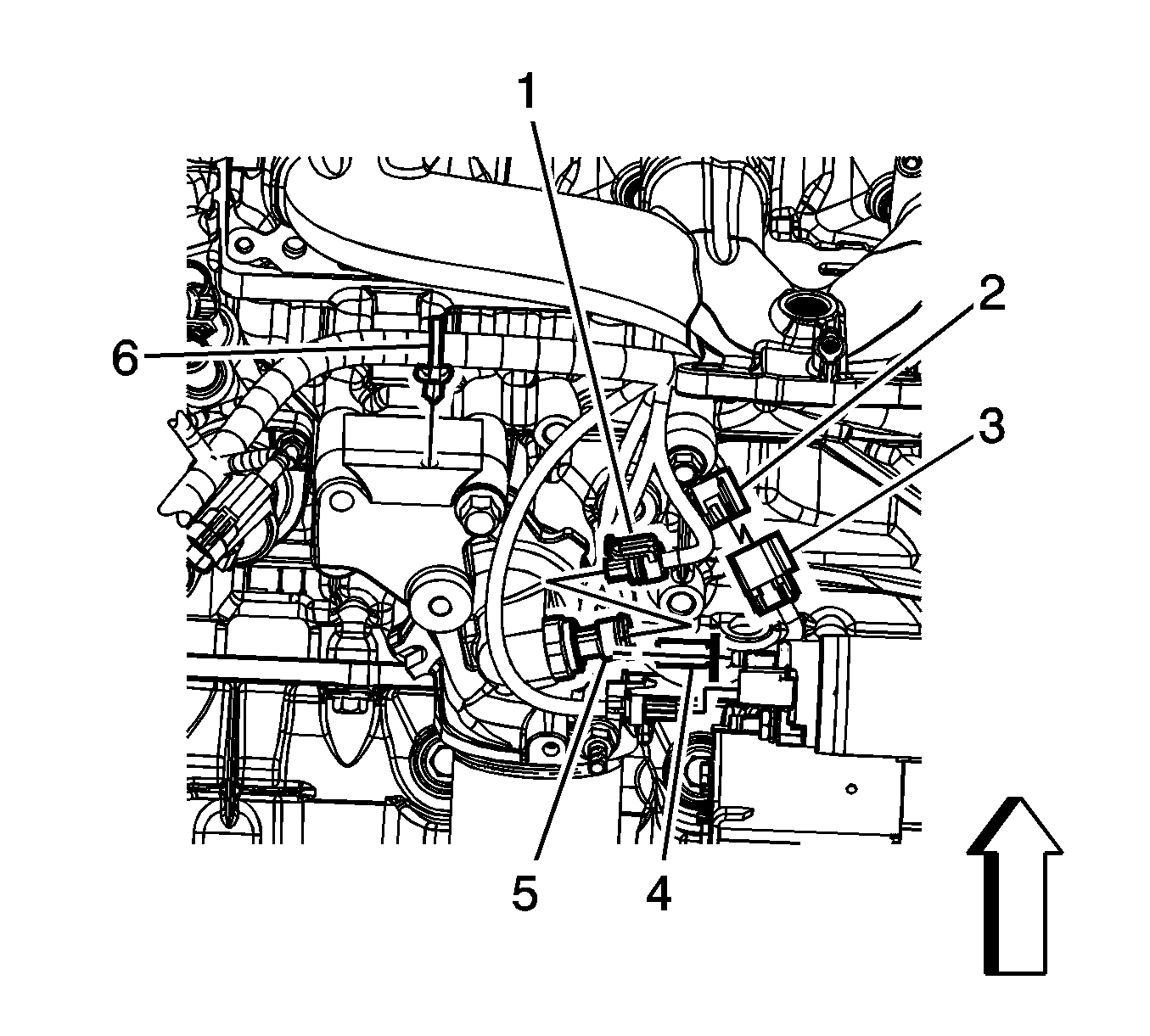
  2. Disconnect the engine wiring harness electrical connector (3) from the knock sensor (2).

  3. Object Number: 1800587  Size: SH
  4. Remove the knock sensor bolt and sensor.

Installation Procedure

    Caution: Refer to Fastener Caution in the Preface section.


    Object Number: 1800587  Size: SH
  1. Position the knock sensor to the engine block and install the knock sensor bolt.
  2. Tighten
    Tighten the bolt to 25 N·m (18 lb ft).


    Object Number: 1887295  Size: SH
  3. Connect the engine wiring harness electrical connector (3) to the knock sensor (2).
  4. Lower the vehicle.