GM Service Manual Online
For 1990-2009 cars only

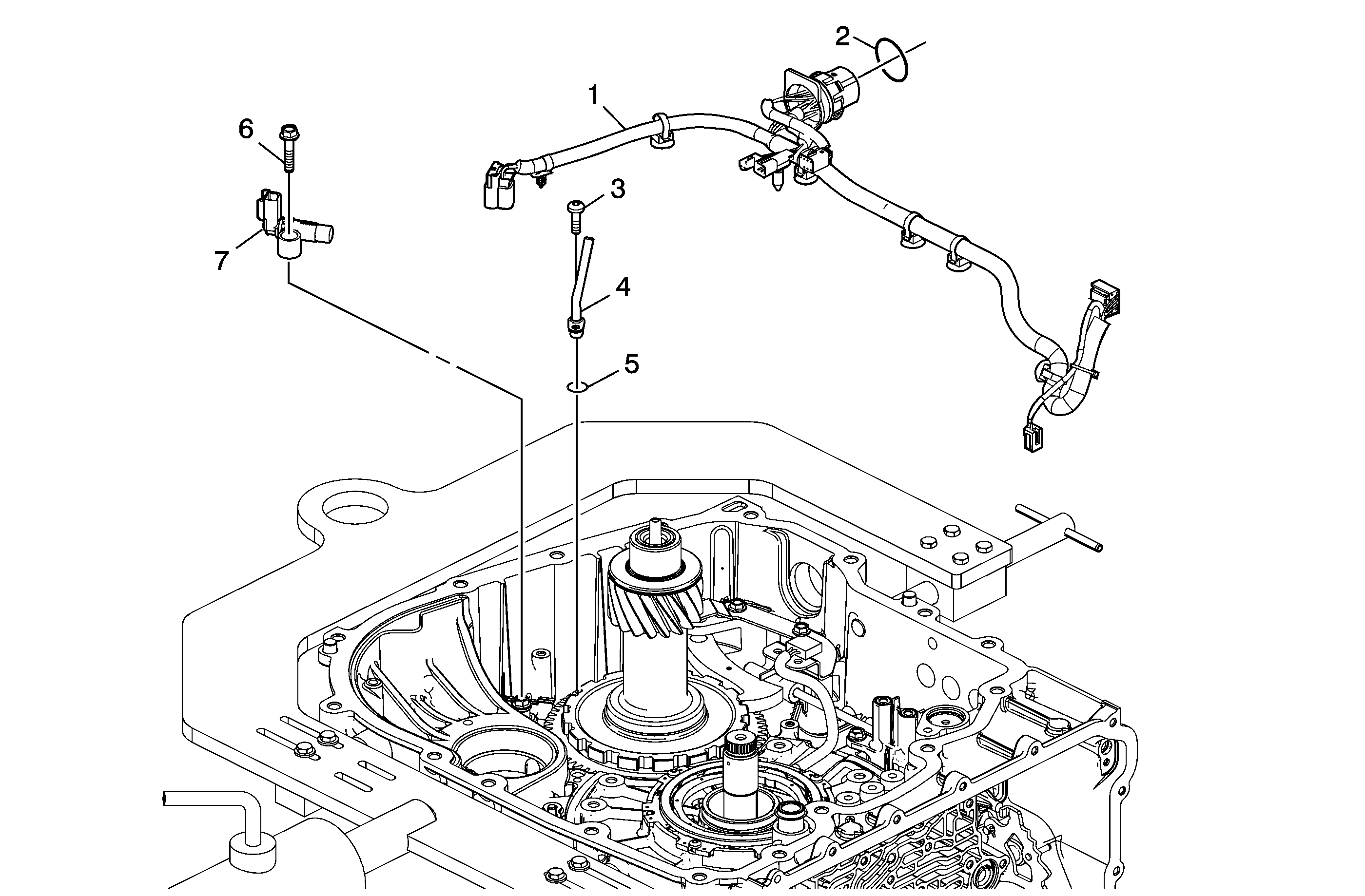
Object Number: 2047273  Size: MF

Callout

Component Name

1

A/Trans Wiring Harness Assembly

Tip
Use a 32 mm socket to release tabs.

2

Wiring Connector Seal

3

Front Differential Carrier Lube Pipe Bolt M5 x 15 mm (Qty: 1)

4

Front Differential Carrier Lube Pipe

5

Front Differential Carrier Lube Pipe Seal

6

A/Trans Output Speed Sensor Bolt M6 x 25 mm (Qty: 1)

7

A/Trans Output Speed Sensor Assembly