GM Service Manual Online
For 1990-2009 cars only
Makes
🢒
Saturn
🢒
2009
🢒
VUE - AWD
🢒
Diagnostic Navigation
🢒
Vehicle Diagnostic Information
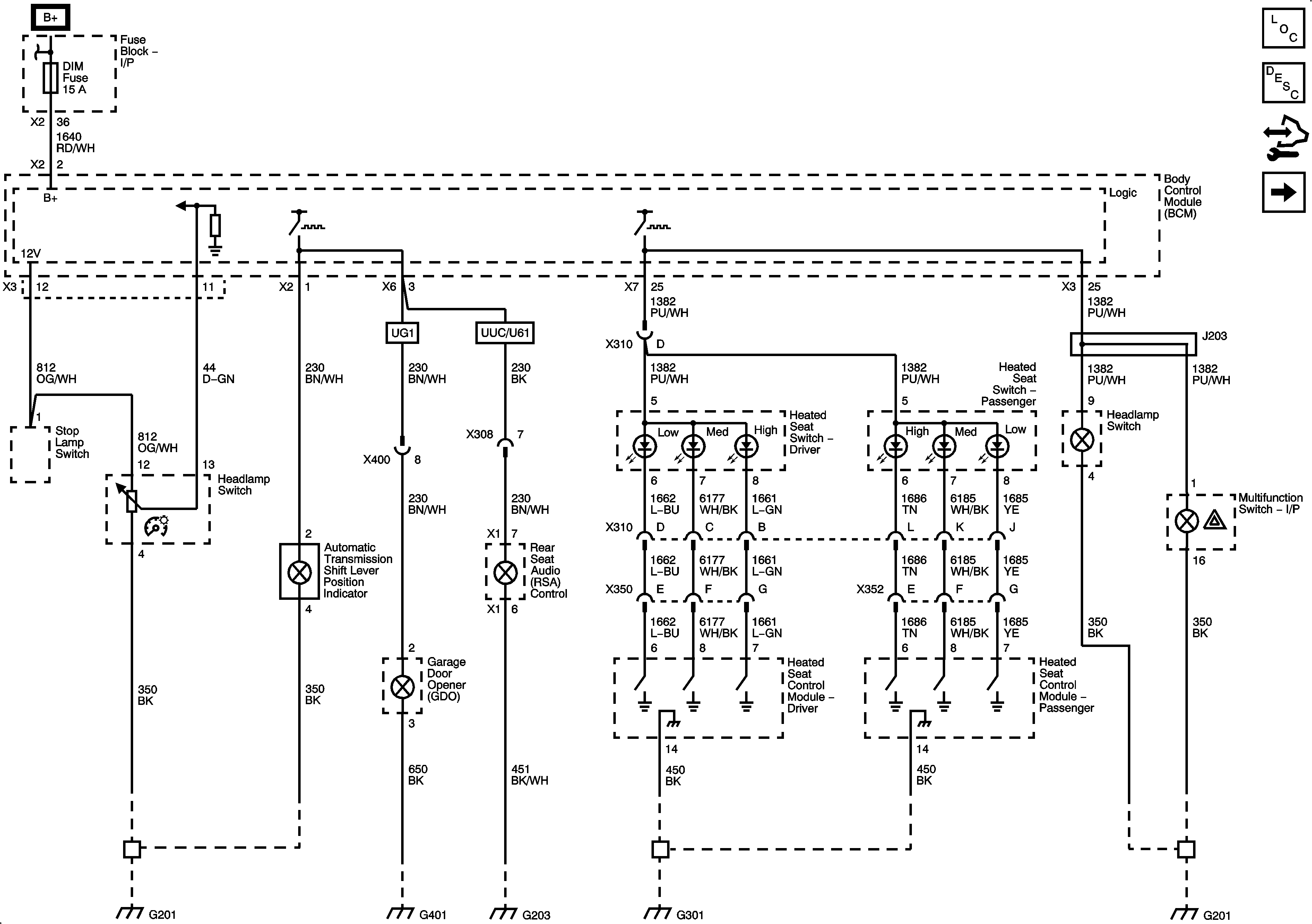
🢒 Interior Lights Dimming Schematics
Figure
1:
Dimming - 1 of 2
Figure
2:
Dimming - 2 of 2