GM Service Manual Online
For 1990-2009 cars only
Makes
🢒
Saturn
🢒
2009
🢒
VUE - AWD
🢒
Body Systems
🢒
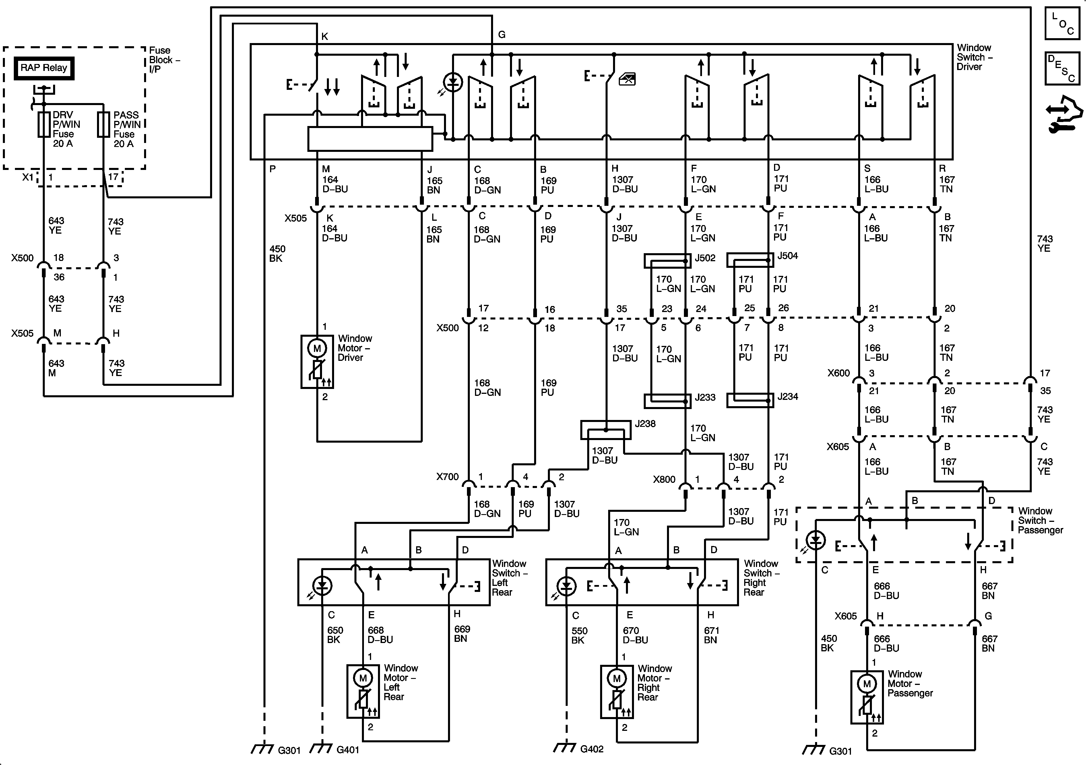
Fixed and Moveable Windows
🢒 Moveable Window Schematics