GM Service Manual Online
For 1990-2009 cars only
Figure 1:

Backup Lamps


Object Number: 2079354  Size: FS
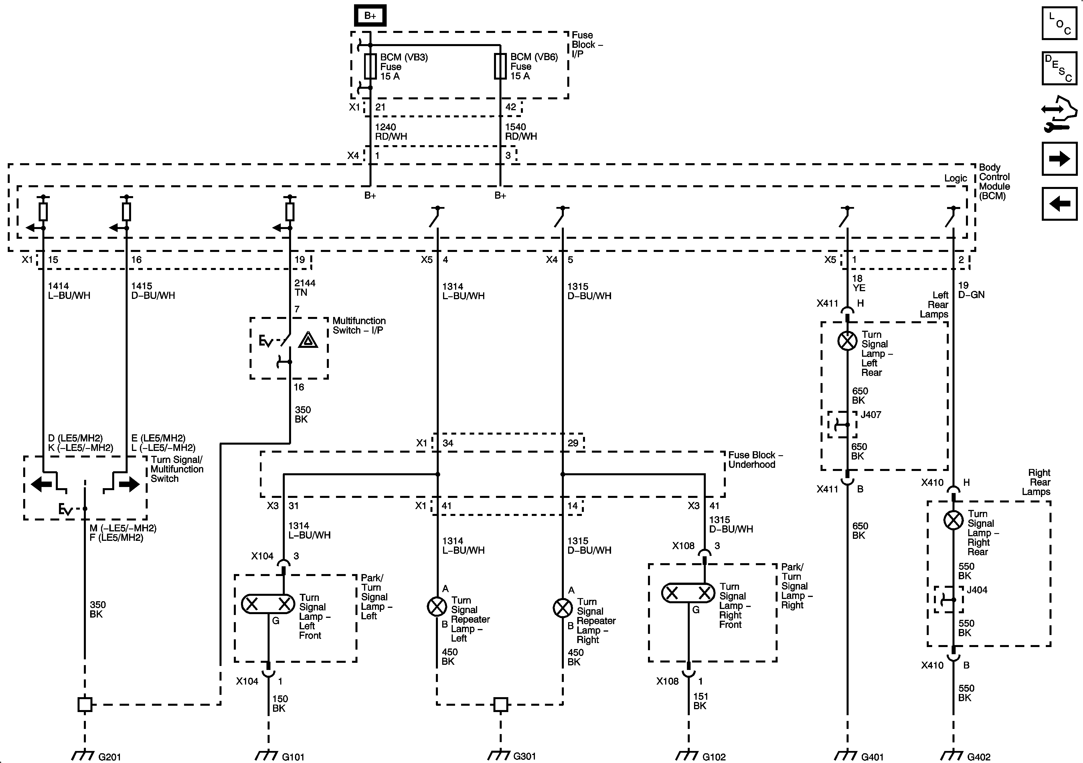
Figure 2:

Turn/Hazard Lamps


Object Number: 2079356  Size: FS
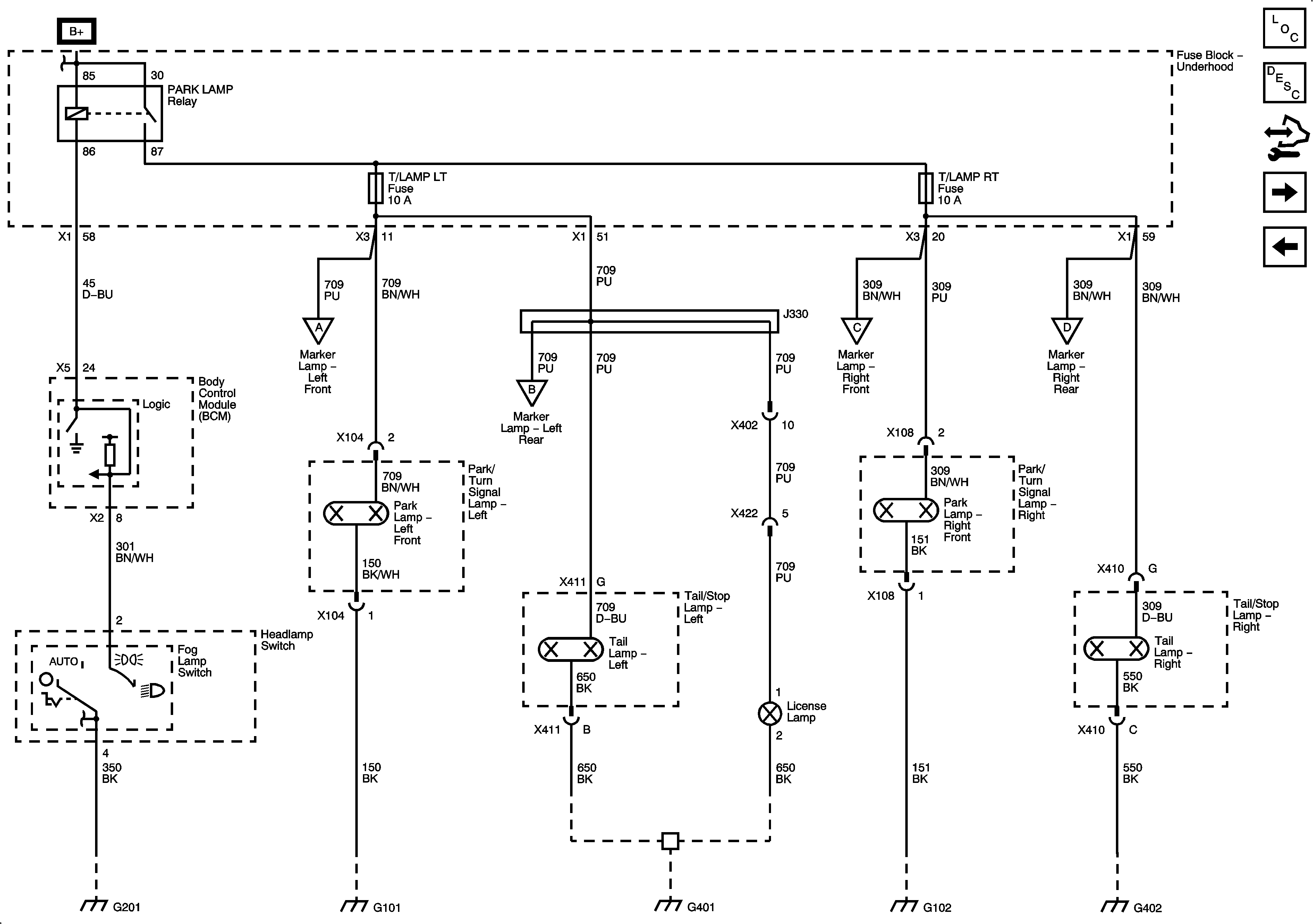
Figure 3:

Park Lamps and License Lamp


Object Number: 2103601  Size: FS
Master Electrical Component List
Exterior Lighting Systems Description and Operation
Control Module References
Marker Lamps
Turn/Hazard Lamps
Figure 4:

Marker Lamps


Object Number: 2103602  Size: FS
Master Electrical Component List
Exterior Lighting Systems Description and Operation
Control Module References
Stop Lamps
Park Lamps, License lamps
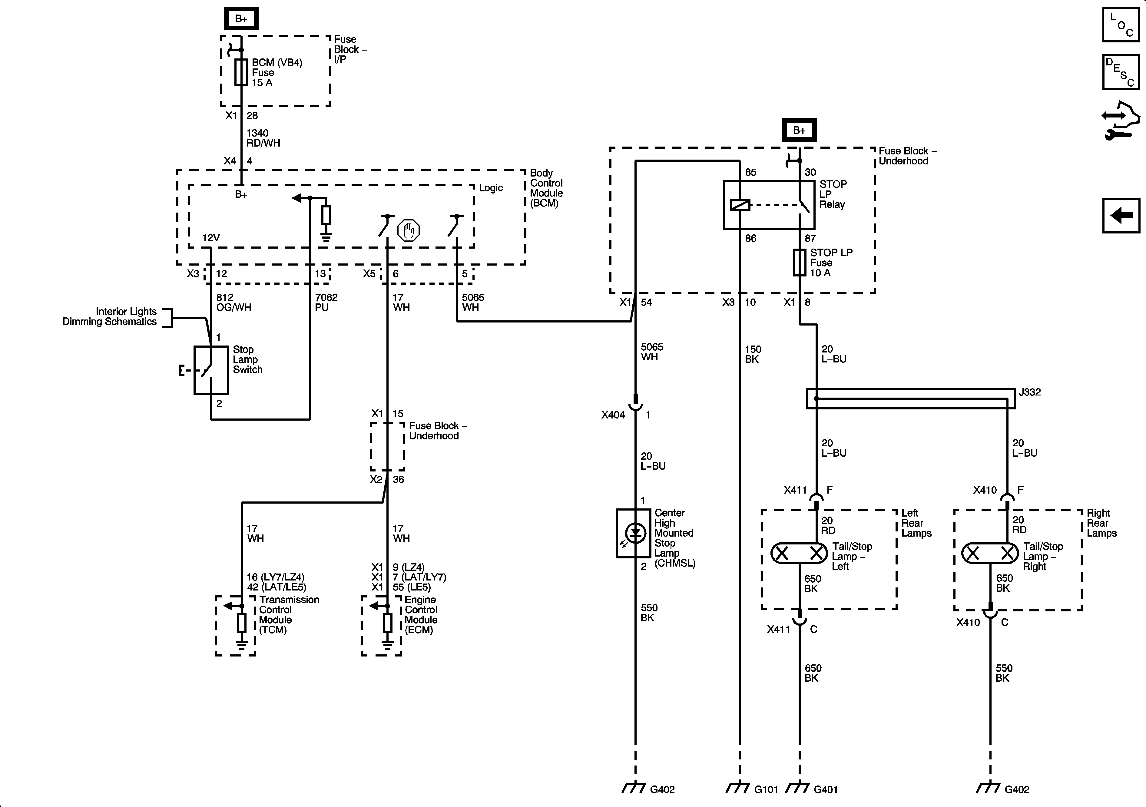
Figure 5:

Stop Lamps


Object Number: 2079359  Size: FS