GM Service Manual Online
For 1990-2009 cars only
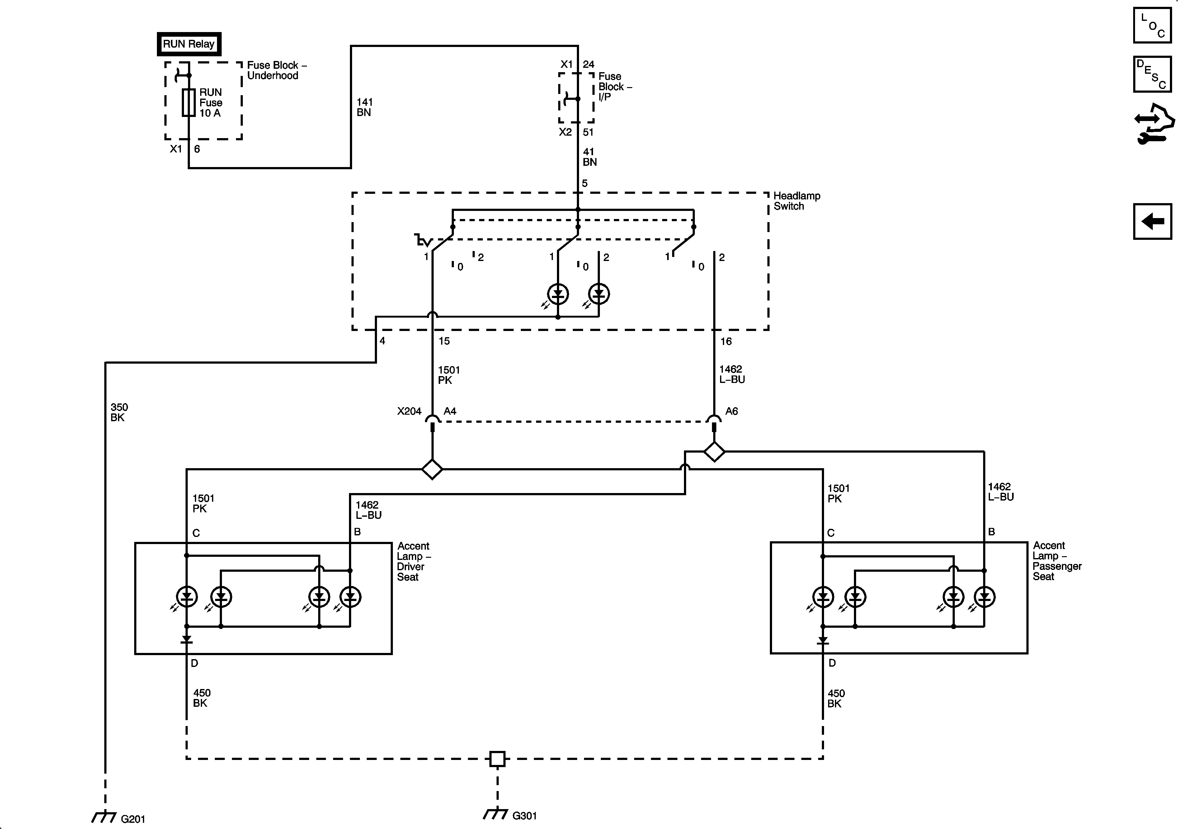
Figure 1:

1 of 2


Object Number: 2079465  Size: FS
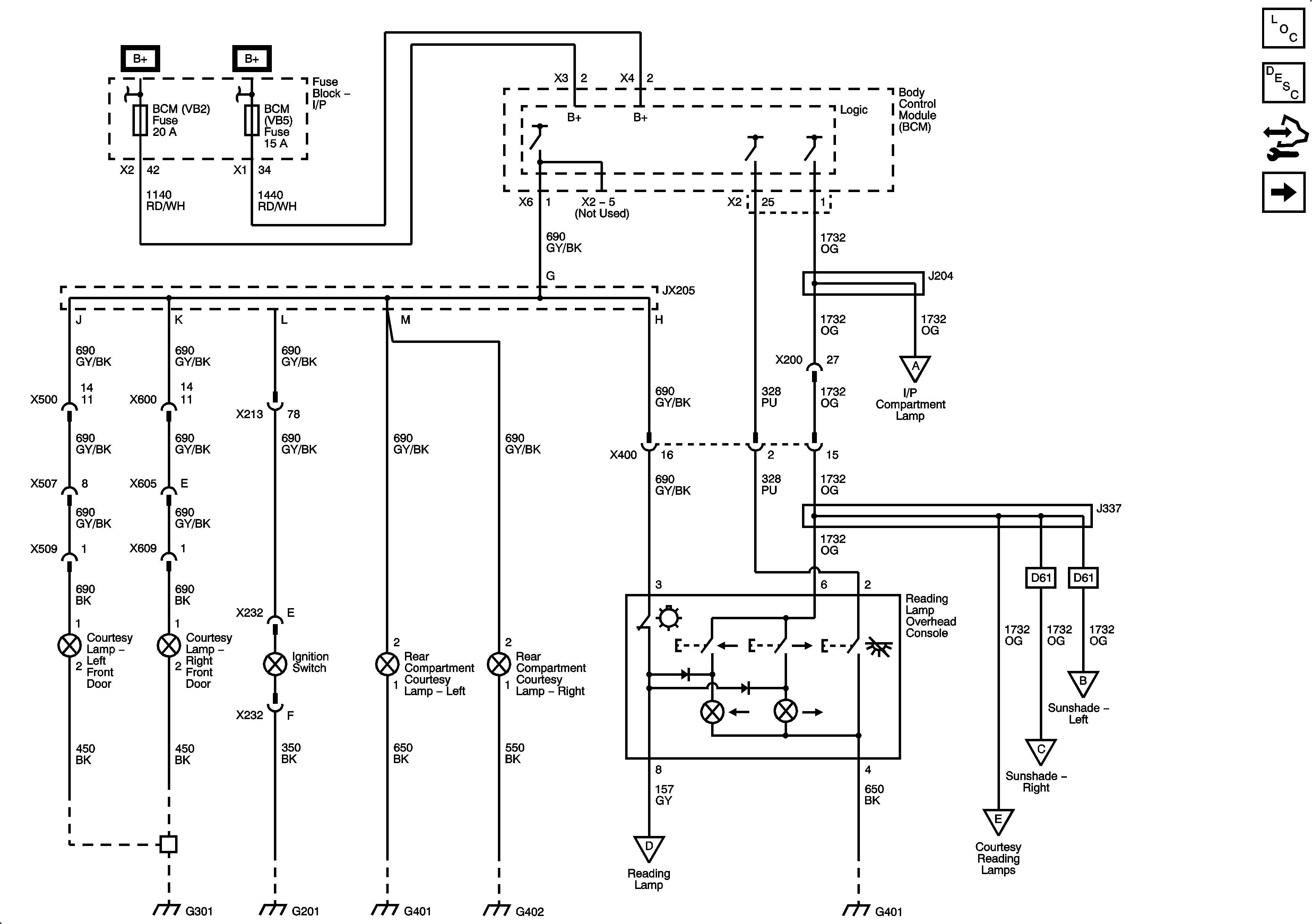
Figure 2:

2 of 2


Object Number: 2079468  Size: FS
Figure 3:

Under Seat Lamps (C2B)


Object Number: 2079470  Size: FS