GM Service Manual Online
For 1990-2009 cars only
Makes
🢒
Saturn
🢒
2009
🢒
VUE - AWD
🢒
Body Systems
🢒
Vehicle Access
🢒 Release Systems Schematics
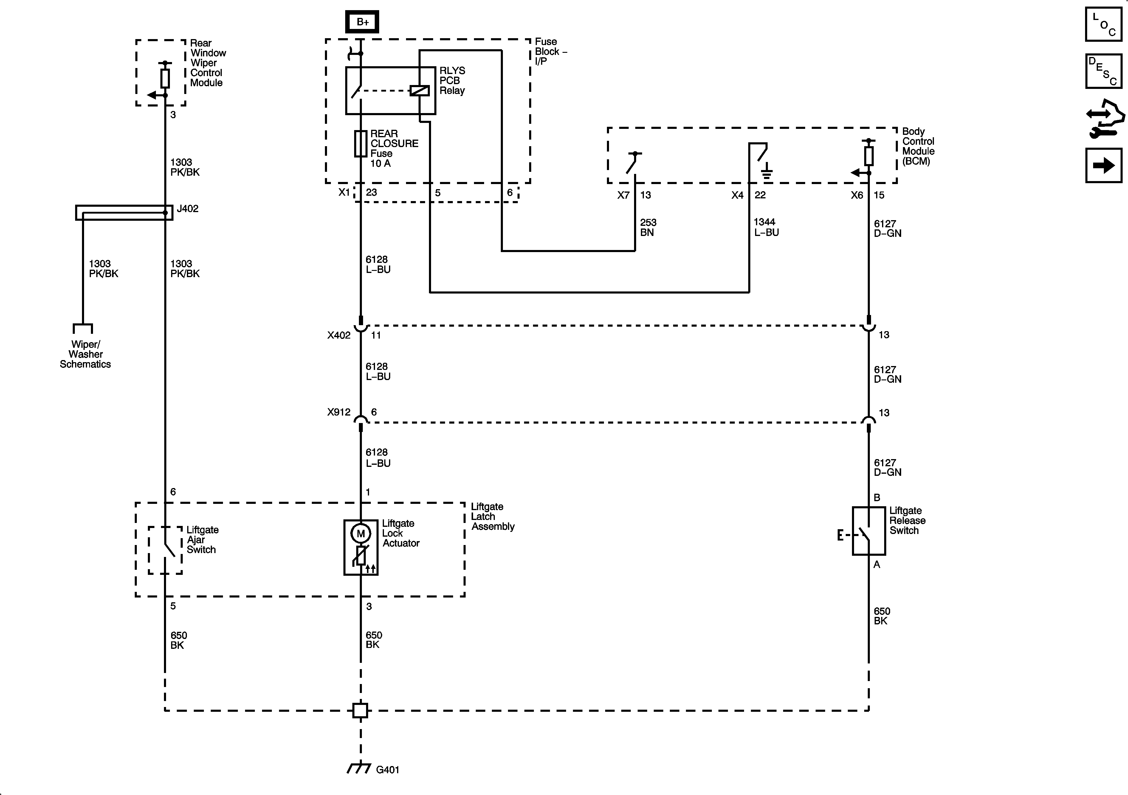
Figure
1:
Liftgate Latch Actuator
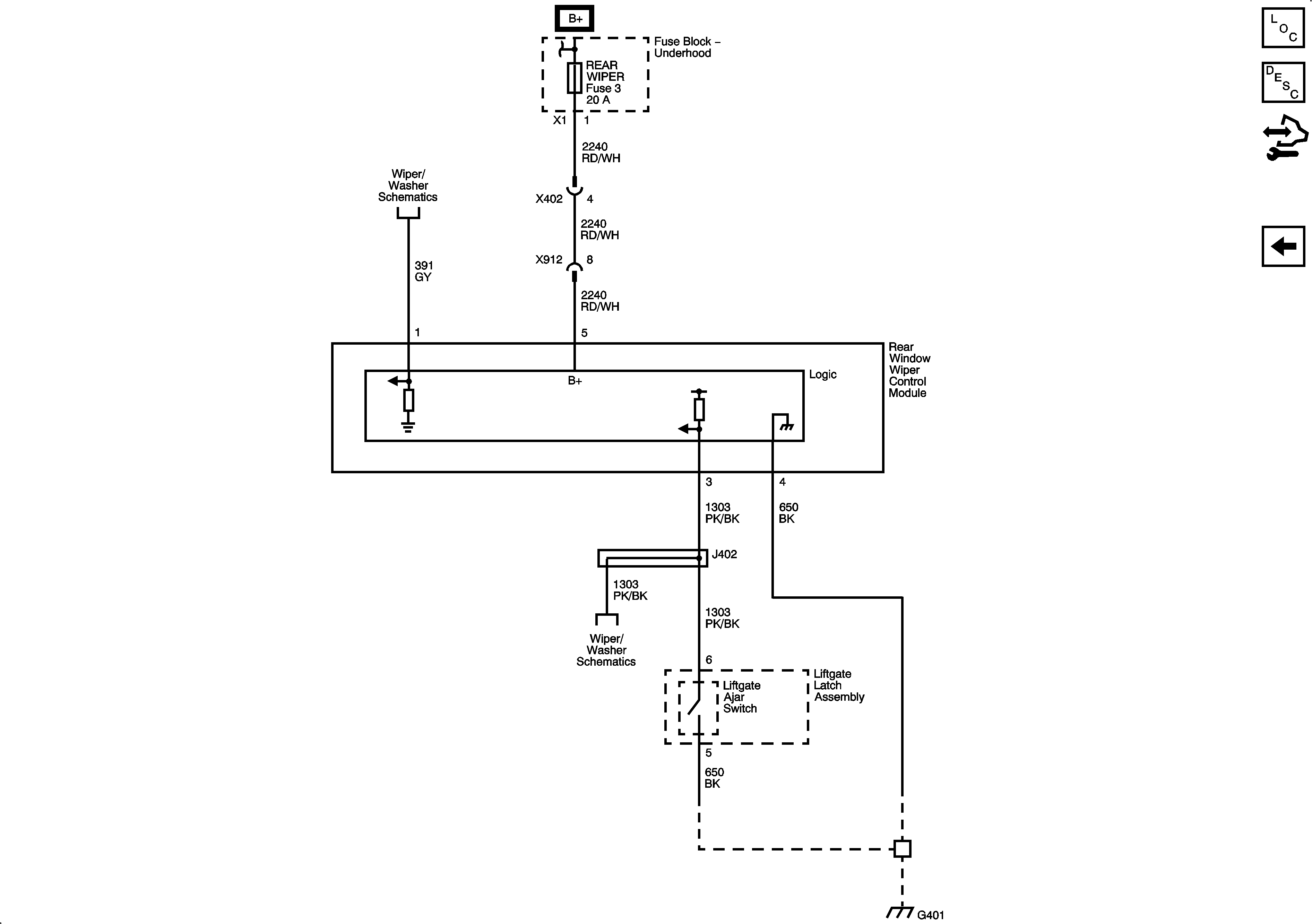
Figure
2:
Liftgate Release System